文章来源:可提供10GbE、WiFi 6、5G网络的MochaBin-5G SBC - CNX Software中文站
备注:Globalscale Technologies 是一家原始设计制造商(ODM),其在 2009 年创造的最初 Sheevaplug,获得过众多奖项,例如 2009 年大众科学的顶级新发明。从那时起,该公司扩展了其产品线以及工程和制造能力。 Globalscale 总部位于美国阿纳海姆,并在中国大陆和中国台湾设有设计和制造工厂。
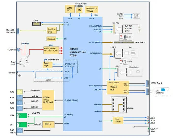
Globalscale Technologies在其基于Marvell Armada 3700LP SoC的低成本SBC ESPRESSOBin之后又推出了系列产品MochaBin-5G SBC。MochaBin-5G SBC搭载的是Marvell Armada 7040 四核Cortex-A72 处理器,可提供10GbE网络连接,可选WiFi 6和5G连接,而且售价仅为159 美元。
MochaBin-5G SBC配置有16GB eMMC闪存、最大8GB DDR4、大量高速接口,多个以太网端口、USB 3.0端口、用于SATA和Cellular的M.2插槽,以及用于Wi-Fi和蓝牙连接的迷你PCIe端口。

Mochabin 5G SBC
MochaBin-5G规格:

前往“CNX Software中文站”官网,查看完整信息

MochaBin-5G 10GbE方框图
MochaBin-5G开发板预装了Ubuntu或OpenWrt系统。OpenWrt系统由Sartura维护,Sartura还为单板机开发了 Linux 主线,并依靠他们自己的Replica One构建系统提供OpenWrt镜像。
除此之外,Globalscale Technologies还有一个软件合作伙伴CubbitCell,这是一家分布式NAS 公司,大约两年前他们在Kickstarter上推出了Cubbit分布式云存储解决方案。解决方案表明Cubbit将为搭载NAS的MochaBin-5G单板机配置2TB至6TB NAS 级HDD。
OpenWrt软件开发进展是公开可见的,用户可以随时查看。所以我最近就注意到了一个将 Globalscale MOCHAbin添加到OpenWrt的方案,并在OpenWrt论坛的一个线程项目中进行了一些讨论。

MochaBin-5G 单板机外壳
不过,Mochabin 5G SBC这款产品目前还没有上市。不久前Globalscale Technologies刚在Kickstarter上推出Mochabin 5G SBC 的众筹,他们此处的融资目标是6,500 美元,目前认缴的总额已经超过其融资目标了。他们此处的众筹还提供了不少的优惠,比如对4G机型而言,前20位早鸟享有110美元的折扣优惠价,不过目前这些奖励名额已经用完了。现在最便宜的奖励是认缴价格为159美元的“Mochabin 标准早鸟版”,该版本配置了4GB RAM、12V PSU、带有塑料外壳并预装了Ubuntu系统。
如果你们更喜欢预装OpenWrt系统的版本,那么为了“MochaBin防火墙”系统你需要付225美元,这个版本还包含有WiFi 6和蓝牙5.0迷你PCIe卡。另外,由Cubbit驱动的“MochaBin NAS”版则进一步增加了一个2TB NAS,其中有1TB空间是可用的,总价是450 美元。而“MochaBin Ultimate”版则提供10GbE网路、WiFi 6和5G连接,并预装Ubuntu系统,其价格是549 美元。
以上这些价格信息目前我暂时不能保证完全正确,因为他们在Kickstarter网站上的一些措辞让人感到十分困惑,因此可能会存在一些错误描述。
运费方面,运送到美国需额外支付20美元运费,送到世界其他地方则需要额外支付30美元。你们也可通过下面的视频进一步了解Mochabin-5G SBC 。
相关视频链接点击原文查看:可提供10GbE、WiFi 6、5G网络的MochaBin-5G SBC - CNX Software中文站
更多优质文章推荐:
1.富士通推出用于位置跟踪和物联网网状网络的Wirepas Massive USB加密狗 - CNX Software中文站
2.芯科Sub-GHz无线SoC已通过Arm PSA Level3认证 - CNX Software中文站
3.如何将Ubiquiti Unifi安全网关应用到家庭网络中 - CNX Software中文站