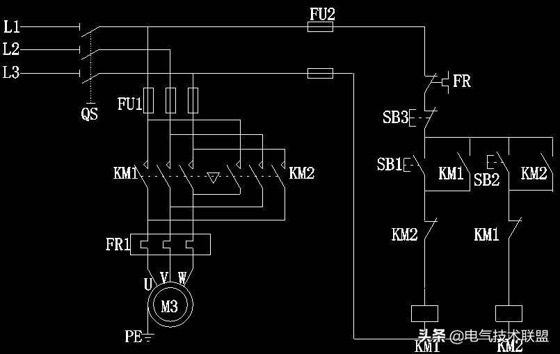
如下图所示:

(1)、线路中使用了两个交流接触器,正转用的KM1接触器和反转用的KM2接触器,它们分别用SB1正转按钮和SB2反转按钮控制。从主电路中可以看出,这两个交流接触器的主触头所接通的电源相序不同,KM1接触器是按L1—L2—L3相序接线,KM2接触器则对调了两相的相序按L3—L2—L1相序接线。相应地控制电路有两条,一路是有按钮SB1和KM1线圈等组成的正转控制回路;另一路是有按钮SB2和KM2线圈等组成的反转控制回路。
(2)、必须说明,KM1接触器和KM2接触器的主触头绝对不允许同时闭合,否则将造成两相电源L1相和L3相短路。为了保证一个接触器得电动作时,另一个接触器不能得电动作,以避免出现电源的相间短路事故,在正转控制回路中串接KM2反转接触器的常闭辅助触头,在反转控制回路中串接了KM1正转接触器的常闭辅助触头。这样当KM1得电动作时,串在反转控制回路中的KM1接触器的常闭触头分断,切断了反转控制回路,保证了KM1主触头闭合时,KM2接触器的主触头不能闭合。同样当LM2得电动作时,其KM2的常闭触头切断,切断了正转控制回路,从而可靠地避免了两相电源短路事故的发生。上述这种在一个接触器得电动作时,通过常闭辅助触头使另一个接触器不能得电动作的作用叫联锁或互锁。实现联锁作用的常闭辅助触头称为联锁触头或互锁触头。联锁符号用▽表示。
(3)、正转回路的工作原理:
正转控制:先合上电源开关QS,按下SB1按钮开关,KM1接触器线圈得电动作,KM1接触器主触头闭合,电动机M启动正转。KM1辅助常开触头闭合,保证KM1线圈长期带电吸合,电动机M也就长期正常运转。KM1接触器联锁触头分断KM2控制回路无法启动。
停止:按下SB3停止按钮,控制回路断开失电,KM1线圈失电主触头在反作用弹簧力的作用下释放复位,主回路串接的3相主触头断开,电动机M失电惯性停转。
饭转控制:先合上电源开关QS,按下SB2按钮开关,KM2接触器线圈得电动作,KM2接触器主触头闭合,电动机M启动反转。KM2辅助常开触头闭合,保证KM2线圈长期带电吸合,电动机M也就长期正常运转。KM2接触器联锁触头分断KM1控制回路无法启动。
(4)、接触器联锁正反转控制线路优缺点:从以上分析可见,接触器联锁正反转控制线路的优点是工作安全可靠,缺点是操作不便。电动机从正转变为反转时,要先按下停止按钮,才能按反转启动按钮,否则由于接触器的联锁作用,不能实现反转,
下一节我们主要介绍热继电器的作用、结构、工作原理。