门禁接哪根线会打开 (门禁接线的几种方法)

门禁怎样接线实物操作,门禁接线有什么技巧和方法

监控摄像头用网线连接就可以了,大家觉得很简单,但是门禁存在NO、NC、COM、D0、D1、B+、B-、AL各种接口,很容易让人感到困惑,不知道如何接线,其实把原理分析明白,各种门禁接线就都搞定了。

一、电磁锁原理

弱电中常用的锁有:磁力锁(电磁锁)、剪力锁、电插锁、电机锁、电控锁、电钩锁等等,本次以项目中使用最广泛的电磁锁来说明,如下图所示:

门禁怎样接线实物操作,门禁接线有什么技巧和方法

单门电磁锁图

电磁锁由锁体(上图)和衔铁组成,锁体上电后产生磁力,以磁力来吸附衔铁(门扇),简单说:通电它就吸合,断电它就松开。

门禁怎样接线实物操作,门禁接线有什么技巧和方法

单门电磁锁电路板图

锁体里面的电路板很简单,12V电源插座,还有一个通电指示灯,除此之外,没有其它的控制电路了。

我们来演示一下:

视频中红黑两根线是12V电源,可以看出,一通电电磁锁就吸合,断电就断开。不管门禁设备多复杂,最终还是要靠通电、断电来控制电磁锁。

二、继电器原理

电磁锁通电就吸合(关门),断电就松开(开门),实际使用中我们不可能人手去控制电源通断电,那如何实现呢?

使用继电器:

门禁怎样接线实物操作,门禁接线有什么技巧和方法

电路板上继电器图

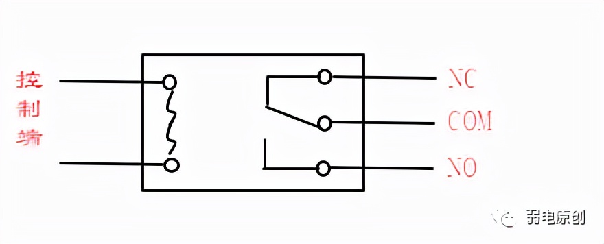
继电器是一种电子控制器件,通常应用于自动控制电路中,当输入两端加上一定的电压,其内部小线圈中就会流过一定的电流,从而产生电磁效应,内部衔铁就会在磁力吸引的作用下,克服返回弹簧的拉力吸向铁芯,从而带动输出端的触点吸合。继电器等效原理图如下:

门禁怎样接线实物操作,门禁接线有什么技巧和方法

继电器默认情况下NC和COM的触点是连通的,当控制端接入一定电压,继电器的COM触点会打向NO触点:

门禁怎样接线实物操作,门禁接线有什么技巧和方法

继电器的原理说明白了,看一下怎么用:把COM接到电源的12V,由于默认情况下COM和NC是连通的,所以NC端电压也是12V,电磁锁正极接到NC,负极接到GND,这样电磁锁默认情况下就吸合(锁门)。当对继电器控制端进行触发,继电器内部COM端会断开与NC的连接,打到NO端,导致电磁锁断电开门,这就是门禁的原理。

不论采用何种方式的门禁,刷卡、人脸识别、指纹识别、虹膜识别,最终都是根据上面的原理对门锁进行控制。

三、门禁接口说明

在进一步讲解之前,我们先了解一下各种常见门禁接口缩写和其含义:

12V、V+ :电源正极。

GND、V- :电源负极。

NC : Normal Connected ,常闭接点,默认情况下与COM连通。

NO :Normal Open,常开接点,在继电器被触发后,与COM连通。

COM :Common,公共接点。

BELL :门铃,一般门铃4根线,两根电源,另两根控制线。

PUSH、OPEN、EXIT :开门按钮。

Battery、B+、B- :蓄电池,蓄电池也是电源,一般是12V,分正负。

Control、CTRL :一般两根线,分正负,接收可视对讲脉冲信号开门。

D0、D1 :韦根接口,通常用于外接刷卡器。

FIRE :火灾报警输入,通常连接到消防控制设备。

A、B、485+、485- :RS485接口,分A和B共两根线,一般用于联网。

Alarm+、Alarm- :报警接口,可外接声光报警器。

Senor、SEN :门磁接口,门磁安装在门上,门未闭合会输出开关量。

四、门禁电源(最简单的门禁应用)

上面说到了电磁锁通电就可以控制,监控和门禁都是12V的电源,但是行业内不会拿监控电源用在门禁上,因为带不动,监控用的电源适配器通常输出12V1.5A或者12V2A,但是门禁最低要求都是12V3A以上,电磁锁消耗电流大并且在上电和断电瞬间会导致电流激变,对电源要求高。

电源+继电器控制=门禁电源

很多厂家在设计门禁电源的时候,干脆把继电器控制功能也加上,也就是说门禁电源既具有供电功能又具备简单门禁控制功能,早些年很流行这种产品。

门禁怎样接线实物操作,门禁接线有什么技巧和方法

我专门到仓库里搜个门禁电源,上面标称能带50W的负载,也就是输出12V4A以上(下面拆开发现虚标了):

门禁怎样接线实物操作,门禁接线有什么技巧和方法

拆开后,设计很简单,一个变压器把交流220V变成15V交流,经过4个二极管整流成直流,然后使用廉价的7812芯片把电压输出到12V,7812芯片输出电流手册上推荐才1.5A,是达不到4A的。继电器部分实现门禁控制,旁边还有一个小的555芯片,这个芯片实现延时关门功能。

看一下如何接线:

门禁怎样接线实物操作,门禁接线有什么技巧和方法

根据上图,电路板没有引出COM端,其内部默认COM已经和+12V连接,所以电磁锁连接NC和GND,出门按钮连接PUSH和GND,这样就完成了一个最简单的门禁系统,可以用在那种进门需要人工盘查,出门自行按按钮的场合,结构简单,成本低。

五、门禁电源+门禁一体机(通用)

刷卡门禁使用最广泛,上面所说的门禁电源无法实现刷卡功能,还需要配合一体机使用。

门禁一体机是指集成了刷卡器(或者其它识别防水)的门禁设备,如下所示:

门禁怎样接线实物操作,门禁接线有什么技巧和方法

这款设备也是当年流行款,特点实惠、耐用,拆开看看:

门禁怎样接线实物操作,门禁接线有什么技巧和方法

周围一圈铜丝是刷卡用额感应线圈,刷卡器是直接做到了电路板上,不需要在额外接刷卡器,并且电路板上同样有继电器,同样有NC、NO,有人按下开门按钮或者刷卡成功时,继电器同样会有动作。板子上PUSH/NO合在一起,说明其内部COM是连接到GND的。

我们来看一下一体机和门禁电源如何连线:出门按钮连接OPEN和GND,PUSH/NO连接门禁电源的PUSH,GND和+12V连接门禁电源对应连接,BELL连接门铃。

通过上面分析,大家应该能理解了门禁接线,我们再举例分析其它品牌门禁产品:

门禁怎样接线实物操作,门禁接线有什么技巧和方法

上图是微耕品牌门禁控制器,可控制双门,进出都要刷卡,看起来接线端口很多,感觉很困难,但是我们稍微细看,无非就两部分,下面有D0、D1的是韦根接口用来外接刷卡器,上面COM、NC、NO就是继电器控制部分,原理跟我们前面讲过的是一样的。

六、开关电源+门禁一体机

前面介绍的都是电磁锁连接到门禁电源,通过一体机来控制门禁电源,那能不能将电磁锁直接连接到一体机,使用一体机来控制电磁锁开关?答案是可以的,但是仅限于一体机的功率可以带的动电磁锁的情况。

门禁怎样接线实物操作,门禁接线有什么技巧和方法

通常办公室这种指纹一体机可以直接接电磁锁,我们看一下设备接线图:

门禁怎样接线实物操作,门禁接线有什么技巧和方法

根据上图,可以看的出来虽然接口多,但是用到的还是前面提到的几种接口,原理都是一样的。

七、小结

门禁通常接线方式:

整个门禁系统12V、GND肯定是接门禁电源的+12V、GND,如果没有门禁电源,采用开关电源也是一样。

门禁电源上的COM、NO、NC是用来连接锁的,断电开门的锁连接NC(电磁锁)。通电开门的锁连接NO(电插锁)。通常COM在电路板内部已经连接到+12V。

门禁一体机/门禁控制器上的COM、NO、NC是用来控制门禁电源的。通常COM在电路板内部已经连接到GND。NO接到门禁电源上的PUSH。

出门按钮一端接到GND,一端接到门禁一体机/门禁控制器上的PUSH。其实出门按钮接到门禁电源的PUSH也是可以用的,但是这样按下出门按钮,一体机是不知道的,有的一体机可以记录开门信息,不利于后台管理。

外接刷卡器,一般需要接4根线,12V(红)、GND(黑)、D0(绿)、D1(白),接到门禁一体机/门禁控制器上。

门铃,接到门禁一体机/门禁控制器上。门铃一般需要4根线,12V、GND、另外两根信号线。信号线短接一下就发出门铃声。

门磁开关,接到门禁一体机/门禁控制器上。门磁开关两根线,没有正负之分,门打开了或者未关好都会有开关量反馈给门禁控制器。

其它火灾报警、RS485、网口根据实际使用情况选择。