电机分类:
静止电机-变压器。

直流电机的特点:
直流发电机的电势波形较好,对电磁干扰的影响小。
直流电动机的调速范围宽广,调速特性平滑。
直流电动机过载能力较强,热动和制动转矩较大。

异步与同步的概念:所谓异步及同步是指电动机的转子转数与气隙中的旋转磁场的旋转方向及速度是否相同,相同即称为同步反之就是异步。
异步电机主要用作电动机,去拖动各种生产机械。
异步电动机的优点:结构简单、容易制造、价格低廉、运行可靠、坚固耐用、运行效率较高和具有适用的工作特征。
异步电动机的缺点:功率因数较差。异步电动机运行时,必须从电网里吸收落后性的无功功率,它的功率因数总是小于1。
直流电机原理应用:

直流电机的基本工作原理:

直流电机工作原理图
直流电机工作原理图,当电刷A、B接在电压为U的直流电源上时,若电刷A是正电位,B是负电位,在N极范围内的导体ab中的电流是从a流向b,在S极范围内的导体cd中的电流是从c流向d。载流导体在磁场中要受到电磁力的作用,因此,ab和cd两导体都要受到电磁力的作用。根据磁场方向和导体中的电流方向,利用电动机左手定则判断,ab边受力的方向是向左,而cd边则是向右。由于磁场是均匀的,导体中流过的又是相同的电流,所以,ab边和cd边所受电磁力的大小相等。这样,线圈上就受到了电磁力的作用而按逆时针方向转动了。当线圈转到磁极的中性面上时,线圈中的电流等于零,电磁力等于零,但是由于惯性的作用,线圈继续转动。线圈转过半周之后,虽然ab与cd的位置调换了,ab边转到S极范围内,cd边转到N极范围内,但是,由于换向片和电刷的作用,转到N极下的cd边中电流方向也变了,是从d流向c,在S极下的ab边中的电流则是从b流向a。因此,电磁力的方向仍然不变,线圈仍然受力按逆时针方向转动。可见,分别处在N、S极范围内的导体中的电流方向总是不变的,因此,线圈两个边的受力方向也不变,这样,线圈就可以按照受力方向不停的旋转了,通过齿轮或皮带等机构的传动,便可以带动其它工作机械。
从以上的分析可以看到,要使线圈按照一定的方向旋转,关键问题是当导体从一个磁极范围内转到另一个异性磁极范围内时(也就是导体经过中性面后),导体中电流的方向也要同时改变。换向器和电刷就是完成这个任务的装置。在直流电动机中,换向器和电刷把输入的直流电变为线圈中的交流电。可见,换向器和电刷是直流电机中不可缺少的关键性部件。
当然,在实际的直流电动机中,也不只有一个线圈,而是有许多个线圈牢固地嵌在转子铁芯槽中,当导体中通过电流、在磁场中因受力而转动,就带动整个转子旋转。这就是直流电动机的基本工作原理。
直流电机的参数
转矩:电动机得以旋转的力矩,单位为 kg·m 或N·m。
转矩系数:电动机所产生转矩的比例系数,一般表示每安培电枢电流所产生的转矩大小。
摩擦转矩:电刷、轴承、换向单元等因摩擦而引起的转矩损失。
启动转矩:电动机启动时所产生的旋转力矩。
转速:电动机旋转的速度,工程单位为r/min,即转每分,在国际单位制中为rad/s,即弧每秒。
电枢电阻:电枢内部的电阻,在有刷电动机里一般包括电刷与换向器之间的接触电阻,由于电阻中流过电流时会发热,因此总希望电枢电阻尽量小些。
电枢电感:因为电枢绕组是由金属线圈构成,必然存在电感,从改善电动机运行性能的角度来说,电枢电感越小越好。
电气时间常数:电枢电流从零开始达到稳定值的63.2%时所经历的时间。测定电气时间常数时,电动机应处于堵转状态并施加阶跃性质的驱动电压。电气时间常数工程上常常利用电枢绕组的电阻Ra和电感La求出:Te=La/Ra。
机械时间常数:电动机从启动到转速达到空载转速的63.2%时所经历的时间。测定机械时间常数时,电动机应处于空载运行状态并施加阶跃性质的阶跃电压。机械时间常数工程上常常利用电动机转子的转动惯量J和电枢电阻Ra以及电动机反电动势系数Ke、转矩系数Kt求出:Tm=(J×Ra)/(Ke×Kt)。
转动惯量:具有质量的物体维持其固有运动状态的一种性质。
反电动势系数:电动机旋转时,电枢绕组内部切割磁力线所感应的电动势相对于转速的比例系数,也称为发电系数或感应电动势系数。
功率密度:电动机每单位质量所能获得的输出功率值,功率密度越大,电动机的有效材料的利用率就越高。
转子:rotor ;定子:stator; 电枢:armature; 励磁:excitation。
三相异步电动机的结构:

三相鼠笼型异步电动机的外形图

主要部件的拆分图
定子是用来产生旋转磁场的。三相电动机的定子一般由外壳、定子铁心、定子绕组等部分组成。
(1)外壳:三相电动机外壳包括机座、端盖、轴承盖、接线盒及吊环等部件。
机座:铸铁或铸钢浇铸成型,它的作用是保护和固定三相电动机的定子绕组。中、小型三相电动机的机座还有两个端盖支承着转子,它是三相电动机机械结构的重要组成部分。通常,机座的外表要求散热性能好,所以一般都铸有散热片。
端盖:用铸铁或铸钢浇铸成型,它的作用是把转子固定在定子内腔中心,使转子能够在定子中均匀地旋转。
轴承盖:也是铸铁或铸钢浇铸成型的,它的作用是固定转子,使转子不能轴向移动,另外起存放润滑油和保护轴承的作用。
接线盒:一般是用铸铁浇铸,其作用是保护和固定绕组的引出线端子。
吊环:一般是用铸钢制造,安装在机座的上端,用来起吊、搬抬三相电动机。
(2)定子铁心
异步电动机定子铁心是电动机磁路的一部分,由0.35mm~0.5mm厚表面涂有绝缘漆的薄硅钢片叠压而成,如下图所示。由于硅钢片较薄而且片与片之间是绝缘的,所以减少了由于交变磁通通过而引起的铁心涡流损耗。铁心内圆有均匀分布的槽口,用来嵌放定子绕圈。

(3)定子绕组
定子绕组是三相电动机的电路部分,三相电动机有三相绕组,通入三相对称电流时,就会产生旋转磁场。三相绕组由三个彼此独立的绕组组成,且每个绕组又由若干线圈连接而成。每个绕组即为一相,每个绕组在空间相差120°电角度。线圈由绝缘铜导线或绝缘铝导线绕制。中、小型三相电动机多采用圆漆包线,大、中型三相电动机的定子线圈则用较大截面的绝缘扁铜线或扁铝线绕制后,再按一定规律嵌入定子铁心槽内。定子三相绕组的六个出线端都引至接线盒上,首端分别标为U1, V1, W1,末端分别标为U2,V2, W2。这六个出线端在接线盒里的排列如下图所示,可以接成星形或三角形。

(a)星形连接;(b)三角形连接
定子绕组的联结
定子绕组:是电路重要的组成部分定子绕组用绝缘的铜(或铝)导线绕成,嵌在定子槽内。

异步电动机的转子是由转子铁心、转子绕组和转轴组成的 。
1、转子铁心:是电动机磁路的一部分,它用0.5mm厚的硅钢片叠压而成。铁心固定在转轴或转子支架上,整个转子的外表呈圆柱形。
2、转子绕组:分为笼型和绕线型两类。

笼型转子:笼型绕组是一个自己短路的绕组。在转子的每个槽里放上一根导体,在铁心的两端用端环连接起来,形成一个短路的绕组。如果把转子铁心拿掉,则可看出,剩下来的绕组形状像个松鼠笼子,因此又叫鼠笼转子。导条的材料有用铜的,也有用铝的。
如果用的是铜料,就需要把事先做好的裸铜条插入转子铁心上的槽里,再用铜端环套在伸了两端的铜条上,最后焊在一起,如图(b)所示。如果用的是铸铝,就连同端环、风扇一次铸成,如图(c)所示 。笼型转子结构简单、制造方便、是一种经济、耐用的电机,所以应用极广。

其他部分包括端盖、风扇等。端盖除了起防护作用外,在端盖上还装有轴承,用以支撑转子轴。风扇则用来通风冷却电动机。三相异步电动机的定子与转子之间的空气隙,一般仅为0.2mm~1.5mm。气隙太大,电动机运行时的功率因数降低;气隙太小,使装配困难,运行不可靠,高次谐波磁场增强,从而使附加损耗增加以及使启动性能变差。
异步电机的工作原理:
三相交流电通入定子绕组后,便形成了一个旋转磁场,其转速:

旋转磁场的磁力线被转子导体切割,根据电磁感应原理,转子导体产生感应电动势。转子绕组是闭合的,则转子导体有电流流过。设旋转磁场按顺时针方向旋转,且某时刻为上为北极N下为南极S,如下图所示。根据右手定则,在上半部转子导体的电动势和电流方向由里向外,用⊙表示;在下半部则由外向里,用⊕表示。

原理:定子旋转磁场以速度n0切割转子导体感生电动势(发电机右手定则),在转子导体中形成电流,使导体受电磁力作用形成电磁转矩,推动转子以转速n顺n0方向旋转(电动机左手定则),并从轴上输出一定大小的机械功率。(n不能等于n0)。
特点:电动机内必须有一个以n0旋转的磁场。
-实现能量转换的前提;电动运行时n恒不等于n0(异步)。
-必要条件n<n0;建立转矩的电流由感应产生。
-感应名称的来源。

流过电流的转子导体在磁场中要受到电磁力作用,力F的方向可用左手定则确定,如上图所示。电磁力作用于转子导体上,对转轴形成电磁转矩,使转子按照旋转磁场的方向旋转起来,转速为n。
三相电动机的转子转速n始终不会加速到旋转磁场的转速n1。因为只有这样,转绕组与旋转磁场之间才会有相对运动而切割磁力线,转子绕组导体中才能产生感应电动势和电流,从而产生电磁转矩,使转子按照旋转磁场的方向继续旋转。由此可见


,且 ,是异步电动机工作的必要条件,“异步”的名称也由此而来。
异步电机旋转磁场的产生:

异步电机的旋转磁场:





空间相差 120°角的三相绕组,通入对称三相电流时,产生的是一对磁极的旋转磁场,当电流经过一个周期变化时,磁场也沿着顺时针方向旋转了一周(在空间旋转的角度为360°)。
改变旋转磁场的转向:

综上分析可以得出:改变流入三相绕组的电流相序,就能改变旋转磁场的转向;改变了旋转磁场的转向,也就改变了三相异步电动机的旋转方向。
直流电机的驱动:
用单片机控制直流电机时,需要加驱动电路,驱动电路要为直流电机提供足够大的驱动电流,使用不同的直流电机,其驱动电流就不同,要根据实际需求选择合适的驱动电路,通常有以下几种驱动电路:三极管电流放大驱动电路、电机专用驱动模块(如L298)、达林顿驱动器等。如果是驱动单个电机,并且电机的驱动电流不大的情况下,可自己用三极管搭驱动电路,不过这样要稍微麻烦些。如果电机所需要的驱动电流较大,可直接选用市场上现成的电机专用驱动模块,这种模块接口简单,操作方便,而且可为电机提供较大的驱动电流,不过它的价格要贵一些。如果是自己学习电机原理及电路驱动原理,建议大家可选用第三种方案,使用达林顿驱动器,它实际上就是一个集成芯片,单块芯片同时可驱动8个电机,每个电机由单片机的一个I/O口控制,当需要调节直流电机转速时,使单片机的相应I/O口输出不同占空比的PWM波形,在接下来的例程中我们就该驱动电路做介绍。在这之前首先介绍一下PWM波。
PWM波:PWM是英文Pulse Width Modulation(脉冲宽度调制)的缩写,按一定规律改变脉冲序列的脉冲宽度,以调节输出量和波形的一种调制方式,我们在控制系统中最常用的是矩形波PWM信号,在控制时需要调节PWM波的占空比。如图所示,占空比是指高电平持续的时间在一个周期时间内的百分比。控制电机的转速时,占空比越大,速度越快,如果全为高电平,即占空比为100%时,速度达到最快。
当用单片机I/O口输出PWM信号时,有三种方法可采用:
(1)可以利用软件延时,当高电平延时时间到时对I/O口电平取反变成低电平,然后再延时,当低电平延时时间到时再对该I/O口电平取反,如此循环就可得到PWM信号;
(2)利用定时器,控制方法同上,只是在这里利用单片机的定时器来定时进行高低电平的翻转,而不用软件延时;
(3)利用单片机自带的PWM控制器,STC12系列单片机自身带有PWM控制器,STC89系列单片机无此功能,其它型号的很多单片机也带有PWM控制器,比如PIC单片机、AVR单片机等。

直流电机与单片机的硬件连接
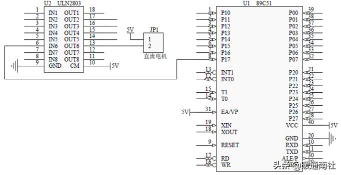
图8是使用TX-1C实验板做直流电机扩展实验时的硬件连接图,电机扩展板独立于TX-1C实验板,电机扩展板上使用5V直流电源,在做本实验时,两电源需要共地。电机扩展板上用一个达林顿反相驱动器ULN2803驱动电机,这里仅驱动一路电机,电机的一端接+5V电源,另一端接ULN2803的OUT6引脚,ULN2803的IN6引脚与单片机的P1.7相连,通过控制单片机的P1.7输出PWM信号就可控制直流电机的速度与启停。

直流电机和单片机连接原理图

实验所用直流电机实物图
直流电机参数,电压:2-6V,直径:24mm,高度:12mm.。
C语言程序实例:

电机铭牌数据:
要正确使用电动机,必须要看懂铭牌。今以Y132M-4型电动机为例,来说明铭牌上各个数据的意义。

此外,还有功率因数0.85,效率87%。
为了适应不同用途和不同工作环境的需要,电动机制成不同的系列,每种系列用各种型号表示。
型号说明:

电机铭牌数据-型号:

电机铭牌数据-接法:

电压:铭牌上所标的电压值是指电动机在额定运行时定子绕组上应加的线电压。
电流:铭牌上所标的电流值是指电动机在额定运行时定子绕组的线电流。
功率与效率:铭牌上所标的功率值是指电动机在额定运行时轴上输出的机械功率值。所谓效率就是输出功率与输入功率的比值。
功率因数:因为电动机是电感性负载,定子相电流比相电压滞后一个Φ角。cosΦ 就是功率因数。
转速:由于生产机械对转速的要求不同,需要生产不同磁极数的异步电动机,因此有不同的转速等级。最常用的是四磁极的(n0=1500r/min)。
绝缘等级:绝缘等级是按电动机绕组所用的绝缘材料在使用时容许的极限温度来分级的。所谓极限温度,是指电动机绝缘结构中最热点的最高容许温度。

防护等级:防护等级表示三相电动机外壳的防护等级,其中IP是防护等级标志符号,其后面的两位数字分别表示电机防固体和防水能力。数字越大,防护能力越强,如IP44中第一位数字“4”表示电机能防止直径或厚度大于1毫米的固体进入电机内壳。第二位数字“4”表示能承受任何方向的溅水。
本文来源于互联网,暖通南社整理编辑。