首先说明:这篇帖子不是讲怎么装修好看的!是讲装修网购的,想要装修效果经验的移步其他帖子。
第一次装修,真的是翻遍了知乎关于装修的所有问答....只能尽量避坑,但有些坑真是自己踩过才看到一脚泥。。。装修思路供大家参考(主要是讲如何优惠买家具家电,哈哈)
因为是自住,东西都买比较好的,预算17w,最后没有超支。一开始就确定了装修原则:首先是实用舒适,其次是美观。 家具家电90%都是网购,有详细教程。预算有限,为确保舒适,没做吊顶和中央空调,也不做电视墙,做个简单的纯色。
半包的,材料都是自己买的,买的都是比较好的材料。品牌记不住。所有硬装人工费+材料费差不多7w,定制2个衣柜一个电脑桌书柜1.4w,买下面的家具家电9w左右。加上买其他乱七八糟的东西,一共花费17w左右(硬装7w,没做什么造型,看装完效果感觉不到花了什么钱。)在成都,一个建筑面积96平的房子,装修17w其实只是普通水平,而且扣掉大多数人不需要的sony电视和音响,装下来其实在15w左右。
先说一下我的心得:
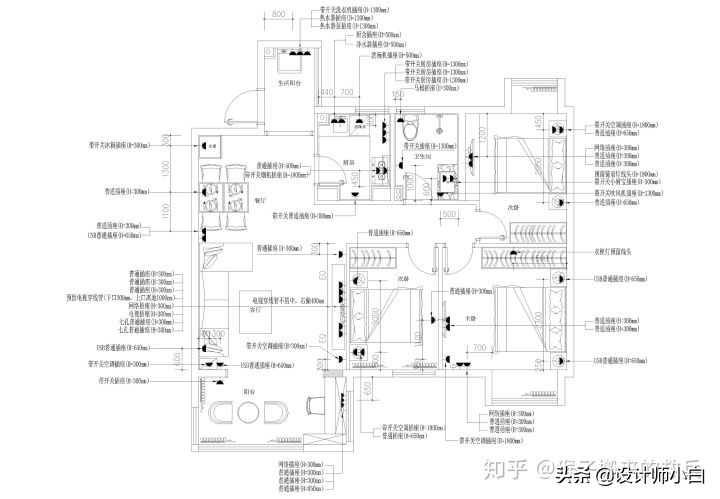
1,装修最重要的第一步,先要考虑好插座位置,关乎入住舒适度,我思考插座就考虑了一星期,最后有我的插座图给大家参考。提醒几点:先要确定床、沙发、电视柜的尺寸,好在床和沙发两边安排插座,不然容易被挡住,或者做太近或者太远,电视柜至少5个插座,做电视墙的时候一定要做50PVC管道,后期可以隐藏各种杂乱的电线。另外智能马桶、电热毛巾架、洗碗机,小厨宝、电动窗帘不管用不用,最好都预留好插座,提升幸福感的好东西。
2,网线用6类非屏蔽网线最好。不要用超5类,也不要超六类。听说屏蔽线做不好接地,还不如非屏蔽线。
3,客厅地面瓷砖用浅色,厨卫地砖用深色。卫生间立管要做隔音处理。水电布线完的照片一定要拍下来,方便日后维修找位置,以防后期打眼正好打到水管上。懒人厨房和卫生间不要台上盆,用台下盆,好清洁无死角。
4,卫生间镜子和衣柜都预留灯线。有女生卫生间最好不要用暖黄光。
5,水龙头、花洒、地漏等这些五金件以及陶瓷,个人认为这些都选好一点的,用几年还和新的一样。便宜的大多很快就锈了脏了,虽然表面上我可以换啊,反正便宜。但实际生活中,没坏一般都将就用了懒得麻烦,这一将就可能就是好几年。
6,铺完瓷砖后就可以做美缝,要是打算装完再做要保护好地面,免得全是灰,以后清理缝都要累断腰。自己做要有心理准备,因为真的超级累(累断了我的腰)
7,主卧要安装双控开关,不用下床去关灯。卧室空调不要对着人吹。(也可用智能灯代替)
8,厨房的橱柜根据身高做高低台面,免得洗菜或者炒菜太累。比如170左右身高,洗菜、切菜操作台高度为90cm-95cm,灶台操作台高度75cm-80cm。
9,抽拉式水龙头洗头、洗菜、洗盆子会很好用。但是要注意水压,抽了水龙头影响出水大小。
10,热水器离卫生间远的,最好布一个回水系统。不布的话,至少也要留小厨宝插座和位置。
11,新风系统是个好东西,可惜超预算了,没安装,遗憾。以后按个壁挂的吧。(已购买小米新风)
12,个人认为新房是有必要备新风机,因为甲醛的挥发是3-15年,你哪怕装好了空置半年再住,甲醛还是比较高。目前除甲醛有效的3个方法:甲醛清除剂让甲醛缓释(几瓶就1700左右)、开窗通风并开风扇吹(因为甲醛比空气重,光开窗没什么风也白搭)、新风机24小时开保持室内正压一直换气(其实不费电)。这三个方法可以自行选择。
说一下我装修设计上的优点和遗憾:
1,基本实现全屋智能。可以通过对小爱说一句“我回来了”,实现自动打开客厅灯,自动打开窗帘,自动打开电视等等。全屋采用了可米家控制的灯光、智能新风、空调、电动窗帘、电视、扫地机等等。洗衣机、浴霸之类不能介入米家,也可以app控制,但是意义不大。智能方面有个大坑,就是一开始选了京东京鱼座产品,打算用京东体系智能系统,结果发现京东不支持设置场景,只能一个一个单独控制,很鸡肋。天猫精灵好像也不方便设置场景,目前米家比较成熟,建议大家选择米家的智能系统。另外米家在小家电,比如扫地机器人、新风机、空气净化器、灯光之类做的不错。大家电如空调,洗衣机、冰箱、电视、油烟机等等,建议选择大品牌。
2,最大限度的减少了卫生死角。因为本人很懒,实在不想打扫卫生o(╯□╰)o。选择了易于打理的全屋灯、落地储物床、落地的电视柜、到顶的衣柜、到顶的电脑桌、封闭的书柜、扫地机无阻碍的沙发+茶几、全屋0插线板、新风机换气不开窗减少灰尘。 3,预算内最大程度的舒适度。合理的插座布局、可把贵妃位换到中间的沙发、真4K家庭影院、全功能智能马桶、电暖毛巾架、高品质花洒、高品质床垫、抽拉式水龙头、洗碗机、新风机、电动窗帘、指纹锁、电动牙刷、智能浴室镜、回水系统、自动上袋打包垃圾桶、前置净水器+净水器+即热饮水机。
4,遗憾:指纹锁选错,应该选小米的,能实现开门通过识别指纹,自动触发开灯开窗帘等场景,后期只能通过语音音响、感应器等其他条件实现;沙发本来打算买浅灰色的,感觉更搭,拍成了米黄色;电视墙插座工人自我发挥布高了,所以电视柜定制加高10cm,没有原来那种修长的感觉了;热水器和洗衣机只能放在入户门口,丑;住三楼水压居然不达标,你敢信?可惜了我的花洒o(╯□╰)o
下面是实际图,供大家参考,每种风格都有人喜欢,有人不喜欢。选自己喜欢的风格就行。全程没有请设计师,更没有设计图效果图什么的,全是自己弄得,所以整体风格可能不是那么统一,加上家人喜欢胡桃木+黑色这种色调,所以也不是小清新的北欧风,哈哈。外观上大家轻喷啦。







开关公牛G28系列---50个插座(5个usb型,15个带开关较贵)
日常价:1200左右 实付:852
叠加京东满减300-60和1200-50的优惠券和几个plus专享价。喜欢无边框的面板,好看一点。沙发、床头、电脑桌上都是USB插座,有网线随时到处都能充电。
地址:公牛开关插座官方店86型大面板五孔墙壁插座USB家用暗装5孔G28白-tmall.com天猫
西门子开关睿致86型---买了13个开关加五个6类网口 日常价:1200 实付:599
喜欢这个外观,大气。搞活动5折,叠加京东券,4折入手。6个6类的网口面板比开关还贵o(╯□╰)o。个人觉得插座和开关还是买好看一点的品牌货,有档次。折扣下来贵不了多少。
地址:[url]西门子官方旗舰店开关插座睿致86型五孔USB一开空调面板一站式-tmall.com天猫
能率GQ-13E4AFEX 13升燃气热水器 日常价:2998 入手价:2418
国美有时候会放2800-580的卷,选这款是因为带水量伺服,几处同时用水不影响水温,同款的林内3480,活动3180,性价比不高。
地址:[url]能率(NORITZ)GQ-13E4AFEX 13升燃气热水器(JSQ25-E4) 智能极速恒温 带水量伺服器
奥普浴霸A6 日常价:1599 入手价:969
日常1599,活动价1099买到。618降价保价了130.选奥普主要是口碑不错。选A6是喜欢他的黄、白双光设计和app控制。冬天回家之前可以先打开,回家就洗澡。客厅空调同理也选能远程控制的。
地址:奥普浴霸官方旗舰店官网集成吊顶浴室暖风机卫生间三合一纯平风暖-tmall.com天猫
松下洁乐智美一体马桶CH2261WSC 日常价:22499 入手价:5800
本来是计划买2000的toto马桶+2700的松下马桶盖,结果遇到一家天猫松下店授权到期,亏本卖给我的,算了下没超出预算太多,就入了。一体机功能齐全外观好看,是松下目前最先进的款式,但是据说坏了不好修。(马桶不是在下面地址这家买的,买的那家4月1号关店了。)
地址:[url]松下洁乐智美一体智能坐便器静音节能感应自动冲水马桶CH2261WSC-tmall.com天猫
威乐回水器 日常价:1699 活动价:1239
京东8折加优惠券购入。家里需提前布好回水管,回水器设定好,能保证家里一放就有热水,不用小厨宝也不用先放一大盆冷水再出热水。
地址:https://item.jd.com/12574952002.html
德国汉斯格雅飞雨150花洒两件套装 日常价:1699 入手价:1599
五金配件都选能力范围内最好的,用几年和新的一样。因为厕所层高很低,只能放弃了大顶喷。1599不算便宜,但是配的防缠绕软管,送了同款的399的角篮。买了较好的恒温热水器,就没必要考虑恒温花洒了,花洒水龙头影响双方的寿命。一定要带下出水,洗脚洗东西接水方便。
地址:德国汉斯格雅飞雨120花洒套装 柯洛玛冷热浴缸龙头带下出水 预定
九牧抽拉式水龙头 厨房+厕所 日常价:1100 入手价:658
九牧搞活动,先在闲鱼花200收一张1000减500卷,再叠加活动300-30买两个458。买抽拉式的是因为洗头,洗菜,清洁台盆方便。但是出水会比普通龙头小一点。
地址:JOMOO九牧抽拉式厨房龙头冷热两档切换冷热水槽洗碗盆龙头33098-tmall.com天猫
地址:[url]JOMOO九牧浴室洗脸盆水龙头 单把单孔冷热抽拉面盆龙头32197-205
艾芬达 电热毛巾架P16 日常价:958 入手价:738
P16方型WIFI款,618是938,天猫每满300-30,用100优惠券,738入手。送了浴巾和挂钩。冬天用暖毛巾和暖浴巾,更多幸福感。
地址:[url]艾芬达卫生间毛巾烘干架加热浴巾置物家用智能电热毛巾架暗装P16-tmall.com天猫
日本TOCLAS前置过滤器 日常价:1099 入手价:629
在天猫旗舰店买普通款699,搞活动前一小时579,再加50换购的升级版。前置净水器还是有用的,避免泥沙影响热水器、马桶、花洒之类的。
地址:日本TOCLAS前置过滤器家用自来水万向升级款全屋净水反冲洗净水器-tmall.com天猫
家电:
索尼电视(SONY)KD-75X9500G 日常价:24999 入手价:15999
之前苏宁拍的8999的9000F因为没发货退了,因为9500G已经降到合适的价格。3米以上视距,65担心越看越小,咬咬牙打算上75寸的。9500g是旗舰版X1芯片,安卓8.0的和支持杜比视频更方便。8月京东E卡5000送815,买了4张留着买电视,送了3200,双十一历史低价18999,用e卡算下来15999。因为要玩ps4,sony电视是一开始就决定买的,算是预算里最贵的单品了。但是sony*法大**好,哈哈哈。
地址:【索尼KD-75X9500G】索尼(SONY)KD-75X9500G 75英寸 4K超高清 HDR 智能网络 液晶平板电视 人工智能语音 安卓8.0 蓝牙/WiFi【行情 报价 价格 评测】-京东
三星 Q90R回音壁 日常价:12999 入手价:7600左右
号称最强回音壁,因为电视比较好,回音壁就越考虑越贵。日常12999,双十一价9399,用券减300,下单价9099。配合之前京东E卡5000送815,算下来7600左右入手。送了后环绕支架,送了个唱吧的麦克风。
地址:【三星HW-Q90R】三星 SAMSUNG HW-Q90R 7.1.4杜比全景声 DTS-X家庭影院 无线蓝牙回音壁 电视音响 家庭 投影音响 京东自营【行情 报价 价格 评测】-京东
杰科G5300 蓝光*放播**器 日常价:2499 入手价:1750
官方平台做活动最便宜1999,不包越狱。可以直接去淘宝买,1800左右包越狱。
地址:【杰科BDP-G5300】杰科(GIEC)BDP-G5300 真4K UHD蓝光*放播**机杜比视界全景声 4K HDR蓝光DVD影碟机3D高清硬盘*放播**器 双HDMI双USB【行情 报价 价格 评测】-京东
小天鹅452升对开门冰箱 日常价:3099 入手价:1999
plus会员价2699,叠加上个月京东999-500的优惠券,再叠加京东满2000减100入手。小天鹅被美的收购出了冰箱,售后也是美的负责,还不错的。
地址:【小天鹅BCD-452WKZL】小天鹅(Little Swan)452升大容量 美的出品 对开门冰箱 风冷无霜 节能静音 恒温保鲜 泰坦银 BCD-452WKZL【行情 报价 价格 评测】-京东
小天鹅12公斤KG全自动变频洗衣机 日常价:3299 入手价:2499
2999是经常有的活动价,但2499活动比较少见,还反了150京东e卡,送了个399的飞利浦的净水壶。看了下,洗烘一体的都不好,所以买了不带烘干功能的。有需要的烘干的,尽量分开买,当然烘干机好点的都很贵o(╯□╰)o。
地址:【小天鹅TG120VT718WDG7】小天鹅(LittleSwan)12公斤变频 滚筒洗衣机全自动 1600转SIA智速变频电机 智能家电 除菌洗TG120VT718WDG7【行情 报价 价格 评测】-京东
长虹空调1.5匹 一级能效 变频冷暖 日常价:2499 入手价:1949
618价2099,满2000减100,叠加50的品类券。送了10年保修金卡。
地址:【长虹KFR-35GW/DKTW1+A1】长虹 CHANGHONG 1.5匹 一级能效 变频冷暖 智能静音 光感睡眠 空调挂机 京鱼座生态产品 KFR-35GW/DKTW1+A1【行情 报价 价格 评测】-京东
格力空调 静享 3匹 变频冷暖 日常价:7799 入手价:7349
618价7499,叠加优惠券减50.买京东e卡购物卡送100,入手7349.送三年延保。
地址:【格力KFR-72LW/(72555)FNhAd-A3(WIFI)】格力(GREE)静享 3匹 变频冷暖 智能 静音 立柜式圆柱空调柜机KFR-72LW/(72555)FNhAd-A3(WIFI)【行情 报价 价格 评测】-京东
老板侧吸抽油烟机 日常价:4499 入手价:3319
国美活动的时候每满1000减100,叠加4000减780的券
地址:[url]老板(ROBAM) CXW-200-27A3+JZT-33B7 侧吸抽油烟机 侧吸式烟灶套餐 挥手爆炒19立方
德施曼指纹锁小嘀T86 日常价:1799 入手价:699
京东搞活动1749,叠加1200-300优惠券,再叠加plus1200-50优惠券付款1399。然后抢半价(很好抢,10s以内付款必中。)注意买指纹锁一定要买静音的,不然听说开关门声音就像天打雷劈.....
地址:[url]德施曼(DESSMANN) 指纹锁T86家用云智能锁防盗门锁密码锁电子锁 陨石黑【FPC半导体指纹头+三年质保+终身维保】【图片 价格 品牌 报价】-京东
杜亚电动窗帘 日常价:2900 入手价:2418
买的京东蛋挞,比T360静音。每满300减30,叠加优惠券算下来4米套餐是929. 因为买的是*轨双**,加上弯道费560,入手2418,送叮咚语音音响
地址:[url]DOOYA/杜亚 天猫精灵智能家居智能窗帘 轨道 遥控自动 电动窗帘
华硕路由器RT-AC86U 日常价:999 入手价:480
618活动价789,抢前几名6.18折,480入手。
地址:[url]【6期免息+散热器】华硕RT-AC86U智能双频无线AC2900M千兆高速家用穿墙高速wifi 无限漏油器梅林Aimesh组网5G
石头扫地机器人t60 日常价:2799 入手价:2199
大促活动价2599时购买,5000京东E卡,送815,买扫地机相当于多减400.。送叮咚音响。
地址:【石头T60】石头(roborock)扫地机器人 2019新款T6扫拖一体机 激光导航规划全自动智能家用吸尘器 T60【行情 报价 价格 评测】-京东
小米(MI)净水器600G 日常价:2499 入手价:1350
618期间活动价1999,微信端限时抢购满100-30,叠加优惠券25,白条25,,1350入手。
地址:【小米小米净水器】小米(MI)小米净水器600G 厨下式 家用净水器 RO反渗透大流量直饮低废水 纯水机 智能提醒自助更换滤芯【行情 报价 价格 评测】-京东
云米即热饮水机 日常价:399 入手价:299
活动价349,下单再减50。好评送云米保温杯。配合净水器使用,即出热水,超好用。
地址:[url]云米小米生态链即热饮水机台式小型家用桌面饮水吧办公室速热烧水-tmall.com天猫
米家新风机 日常价:2699 入手价:1878
新风机一直想买,但是300风量的普遍都在5000以上, 直到看到小米这个。本来以为很鸡肋,研究了一下意外发现还不错。日常2699,活动价2178,叠加e卡5000送815,相当于减了300,1878。新房很有必要备新风机,因为甲醛的挥发是3-15年,你哪怕装好了空置半年,甲醛还是比较高。目前除甲醛有效的3个方法:甲醛清除剂让甲醛缓释(几瓶就1700)、通风开风扇吹、新风机24小时开。这三个方法可以自行选择。注意,此新风机没有档风阀,不太适合冬天温度低的北方,务必注意。
地址:【米家米家新风机】小米(MI)米家新风机 换气 过滤雾霾PM2.5 除甲醛 阻隔过敏源 智能控制【行情 报价 价格 评测】-京东
Yeelight 智能LED吸顶 日常价:2299 入手价:1549
放弃了喜欢的那些造型好看的灯,买了米家这个。但却是最不后悔买的东西!!因为全屋智能最重要的就是灯光,回家自动开灯,看电影自动降低亮度等等,虽然可以通过普通灯+智能开关解决,但是没这种直接的智能灯方便!活动价2099,满减每满200-30,加100店铺优惠券,再叠加一张1500-150的京东品类券。入手1549。送了一个69的台灯。
地址:Yeelight 智能LED吸顶灯客厅灯卧室灯现代简约灯具 米家APP遥控方形灯具套装 三室一厅E【图片 价格 品牌 报价】-京东
拓牛智能感应垃圾桶 日常价:399 入手价:199
可以自动开盖,自动打包垃圾袋,自动换垃圾袋。经常有5折,入手199.缺点是垃圾袋专用的,略贵。
地址:[url]拓牛智能感应垃圾桶家用厨房卫生间带盖自动打包换袋分类小米白-tmall.com天猫
家具:
北欧气动高箱储物床 日常价:3580 入手价:2550
一直想选一款能储物,床头能放东西的床。选了很久选到这款,床下抽屉不带把手,不怕咯到脚,这点设计人性化。床加2个床头柜,618津贴加优惠券,1.8m床+2个床头柜,2910,然后返利2%。,店家送了个46的红包,天猫送了个1600-266的红包。差不多2550入手。
地址:北欧气动高箱储物床主卧双人床1.8现代简约小户型婚床板式收纳床-tmall.com天猫
次卧1.5m床 日常价:1298 入手价:1178
买的实木款单床。日常1298,活动价1178。优惠很小。
地址:现代简约经济型1.8米双人婚床北欧风格1.5米白蜡木单人床实木家具-tmall.com天猫
丝涟床垫 美梦大师奢享版1.8m 日常价:6418 入手价:3094
本来是预计买latex乳胶床垫的,无意看见了这个美国床垫大牌,天猫618,前30名三折抢购价3094,前10秒付款都能中。拍1元预订,还送了2个880的乳胶枕和880的床垫罩。
地址:Sealy/丝涟床垫 乳胶床垫 美姿弹簧护脊床垫 美梦大师奢享款
丝涟 乳胶床垫1.8m 3cm 日常价:2758 入手价:618
抢之前床垫,同时抢到了前100名618换购乳胶床垫,就换购了。返利还有100多,算下来470左右入手。
地址:Sealy/丝涟床垫 泰国进口天然乳胶床垫双人床垫1.8米 云系列薄垫
全友家居 椰棕床垫次卧1.5m 日常价:1099 入手价:539
活动价999,领券1000-500,立减再减60
地址:全友家居 椰棕床垫正反两用床垫1米1.2m1.5米1.8m双人床床垫105159 1.5米床垫【图片 价格 品牌 报价】-京东
北欧伸缩电视柜 3m 日常价:3698 入手价:3066
此电视柜偏贵,只是个人喜好。天猫618购物券加3000-100店铺优惠券入得。插座设计正好在电视柜中间空的位置,电视柜这里完全隐藏各种线。
地址:北欧伸缩电视柜茶几组合家具套装简约现代小户型创意客厅电视机柜-tmall.com天猫
墨图北欧风沙发 日常价:4378 入手价:3088
之前买了林氏木业的沙发未发,退了。选这款主要是看上能左右互换贵妃位,和贵妃位能变脚踏,还有单独的座位。天猫618价4378,购物券加4000-200优惠券,抢到了整点返618红包,前1小时减50,3088购入。
地址:墨图北欧风客厅四人位沙发小户型省空间布艺沙发简约现代北欧沙发-tmall.com天猫
北欧风客厅茶几 日常价:1580 入手价:1335
618活动价1560,叠加津贴1410,再叠加天猫购物券,1335入手。
地址:[url]简约现代时尚个性小户型客厅茶几北欧设计师创意多功能储物茶台桌-tmall.com天猫
北欧风实木餐桌 日常价:2269 入手价:2069
1.4米加4个凳子。活动价入手,送了个落地扇。
地址:[url]北欧全实木伸缩餐桌椅组合大小户型现代简约4人6人长方形日式餐桌-tmall.com天猫
北欧风浴室柜 日常价:2000 入手价:1500
618活动入手只要了下面的柜子,没要上面的镜柜,因为想单独买智能镜。
地址:[url]天猫-网上商城 品牌正品 七天无理由退换货 提供发票 商城保障-天猫-上天猫,就购了
浴室镜智能LED灯镜 日常价:558 入手价:488
60cm*80cm放大镜版。618优惠价直接购买
地址:[url]浴室镜智能LED灯镜 卫生间壁挂墙带灯防雾镜洗手间厕所卫浴大镜子
窗帘4100,线下购买。西门子洗碗机没买, 预算4500。
发这个帖子写了好久,有用记得点赞啊。下面的插座图是我思考很久做的,参考的时候注意高度(我的沙发右边之所以有2个USB插座,是为因当时不确定空调能不能放在电视墙那边,不能的话,空调就只能放沙发旁边,所以多留了插座。
以上都是19年8月以前买的。电器家具随着时间都会大幅叠加。所以重点可以参考优惠购买的思路就行了。实在没时间或者不明白,就618或者双十一买,大品牌都会比平时便宜不少的。
10月23号最近更新:
