1
故障现象
一辆2017款国产奔驰V级商务车,车主刚从店里提车并上高速,空调突然出热风,且风量和温度等均无法调节。
2
故障诊断与排除
接车后,首先验证故障现象。原地怠速运行发动机并开启空调,空调的风量、温度调节等功能均正常,在高速路上试车,在行驶了大约90km后,出现客户描述的故障现象:空调突然出热风,且风量和温度等均无法调节。
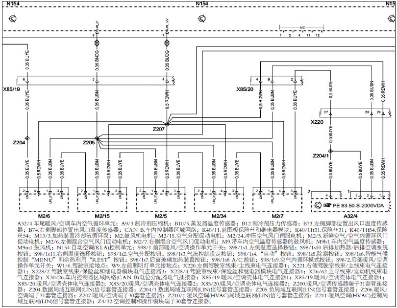
用奔驰专用诊断仪(DAS)对车辆快速测试,空调系统没有存储任何故障代码。查找故障车空调系统控制的原理图(图1)可知:N154促动压缩机、热循环电机和各风门电机,相应的冷、暖风通过出风口进入车内。

图1 奔驰V级商务车空调控制原理
(若需要高清图片,请加最下方小编微信)
根据故障车空调控制原理,并结合实际经验,导致该车故障的可能原因有: 空调电脑故障、伺服马达故障、LIN线故障、调节器故障、热循环电机等。为此,笔者对该车进行了如下检查:
1.查看空调系统的实际值,未见异常数值。
2 .在故障现象下,按空调面板上的各开关,实际值变化正常。
3.用DAS激活鼓风机,但风量和实际值均无变化,不正常(图2)。

图2 鼓风机激活
4.读取故障车伺服马达的实际值(图3),并与同款正常车辆的实际值(图4)进行比对,发现故障车伺服马达实际值存在异常。

图3 故障车伺服马达实际值

图4 同款正常车伺服马达实际值
5.对伺服马达进行标准化和学习,结果无法完成,不正常。
6.再次用奔驰专用诊断仪(DAS)对车辆进行快速测试,在空调系统发现存储有故障码(图5)。

图5 故障车空调系统存储的故障码
7.在WIS中查找伺服马达的电路图(图6)和位置图(图7),得知各风门电机均在仪表台内部,且电机内部通过LIN线串联起来。

图6 故障车伺服马达电路图

图7 故障车伺服马达位置图
8.拆下仪表台,逐个脱开M2/5、M2/15、M2/34的插头,测量3号针脚的LIN线对地电阻,均在12Ω左右,也就是存在短路的情况。
9.顺着短路的线路进一步检查,发现后空调伺服马达的LIN线压到车身搭铁(图8),即对搭铁短路,导致空调功能不正常。

图8 后空调伺服马达的LIN线磨损
对受损的LIN线进行处理后,该车故障被彻底排除,空调各项功能恢复正常。
专家点评

罗新闻
LIN总线是单线总线系统,与其他总线系统相比,LIN总线的传输速度较慢,多用在多功能转向盘与转向柱模块之间、舒适系统以及空调系统内。作者在排除此车故障时,先读码再分析数据流,思路是正确的。如果熟悉该车空调系统结构及控制原理,那么通过故障码含义、分析数据流、对伺服马达进行标准化和学习无法完成的信息提示,就应该能准确判断故障部位。
从整个诊断过程,可以看出作者诊断功底很深。其实,LIN线故障相对来说还是比较简单,LIN线为串联连接,当某处LIN线断路时就会影响到整个LIN线的正常工作。LIN线的工作特性为单线双向,当正常工作时,工作电压为7~11V,而当断路时,LIN线上的电压就会接近电源电压。
想了解学习更多汽车空调维修技术请关注下方内容!
汽车空调诊断师培训(一阶段)
汽车诊断师系列/面授大课/一对一交流/理论+实践
培训时间: 2019年4月15日-17日 地点: 北京通州安莱研究院总部

第四届汽车诊断师大赛总决赛-空调单项

空调
诊断师
一阶段
「全部教学分为4个部分,
使学员具备“专业技术为主,
兼顾服务顾问和市场开发”的能力,
可具备常见汽车空调70%-80%工作内容的基本能力。」

1、本课程源于安莱研究院汽车空调项目,专业内容高于社会其他修理厂。
2、本次为技术定向班:时间3天;总课时约20—25课时;其中专项训练约2.5—3小时。
3、本次教学按照{空调鱼刺法}模式,此教学模式已经申请版权。
4、全部教学分为4个部分,使学员具备“专业技术为主,兼顾服务顾问和市场开发”的能力,可具备常见汽车空调70%-80%工作内容的基本能力。
5、课程涉及的所有内容和专业课程以及设备方法都具有知识产权保护,未经安莱(北京)汽车技术研究院书面授权,不允许对第三方提供。
6、参课人员说明:车间经理、汽车诊断师、技术总监、技术主管、维修技师等行业人员均可进行课前测试【40分以下,建议听本课程前先买本汽车空调书籍预习; 40—80分之间,建议参与本课程提升专业技能; 85分以上,建议参与第二阶段课程继续技术深造;成绩在95分以上,建议辅导别人】。

第四届汽车诊断师总决赛-空调单项
01
—
“ 汽车空调诊断师培训 ”
专业技术
掌握其中任何1点,都会给企业带来不可估量的经济价值。
1、明确知道汽车空调的38个关键项目中的15个以上,具有基本操作技能。
2、知道市场上汽车空调维修的不足,明确改进后的结果。
3、掌握维修保养1次,一年不出问题的技能。
4、掌握2-3种常见空调零部件的鉴别能力
能够保养各种汽车空调。
5、对空调的38项做到熟练操作和讲解。
6、对常见3种以上汽车空调故障能够熟练画出诊断图、检测方法和标准数据。
7、能够指出常见修理厂维修空调的5个以上常见问题和改进措施。
8、测量5种以上常见车型的最大出风口风速。
9、可以进行汽车空调节的基本知识讲座
10、可以按照央视视频进行汽车空调关键点讲座
11、可以分析汽车室内甲醛的成分和治理方法。

02
—
“ 汽车空调诊断师培训 ”
专业服务顾问
可以提高客户满意度1倍以上,让客户自动转介绍。
1、 能够对进店车辆3分钟空调诊断,完成车辆留下的意愿度。
2、 根据数据可以熟练的分析空调滤清器是否需要更换
3、 可以根据数据建议客户蒸发箱是否需要清洗。
4、 可以进行压缩机换油项目的演示说明。
5、 可以借助央视视频讲解汽车空调。
6、 对空调的38个关键点具备熟练讲解的能力。
7、 针对单车收入熟练掌握变化关系和提升单车收入的技术营销方法(仅限于空调专项)。
8、熟练掌握“安莱空调项目”的来历和背景。

03
—
“ 汽车空调诊断师培训 ”
管理能力
小空调,赚大钱
1、战略目标系统;
2、企业招聘系统;
3、激励机制系统;
4、组织架构系统;
5、薪酬结构系统;
6、超强会议系统;
7、绩效考核系统;
8、沟通执行系统;
9、企业文化系统;

04
—
“ 汽车空调诊断师培训 ”
实训操作
掌握其中任何1点,都会给企业带来不可估量的经济价值。

第四届汽车诊断师大赛总决赛-空调单项
|
1 |
汽车空调的臭味是怎么来的? |
掌握细菌和蒸发箱结构 |
|
支撑知识:细菌和蒸发箱结构 |
||
|
实验知识:看细菌 |
||
|
2 |
空调的风是怎么出来的 |
掌握风速的控制和5个影响因素 |
|
支撑知识:风速的控制和5个影响因素 |
||
|
实验知识:对5个影响因素进行风速实际检测 |
||
|
3 |
空调最爱堵的位置在哪里? |
掌握空调的2000个毛细管 |
|
支撑知识:空调的2000个毛细管 |
||
|
实验知识:看看关键部位毛细管 |
||
|
4 |
汽车制冷剂的真假知识 |
掌握制冷剂的纯度检测以及环保利用 |
|
支撑知识:制冷剂的纯度检测以及环保利用 |
||
|
实验知识:制冷剂的真假鉴别 |
||
|
5 |
空调经营分析 |
掌握空调经营表的读取和数据规律 |
|
支撑知识:空调经营表的读取和数据规律 |
||
|
实验知识:某一个企业的5种以上的客户问题 |
||
|
6 |
压缩机油的相关知识 |
掌握压缩机油对空调的影响 |
|
支撑知识:压缩机油对空调的影响 |
||
|
实验知识:制冷系统压缩机油的检查与更换 |
||
|
7 |
空调真假用品鉴别 |
掌握假件对空调的影响 |
|
支撑知识:假件对空调的影响 |
||
|
实验知识:市场采购现场测试 |
||
|
8 |
对别人的维修过程找问题 |
掌握技术营销的一个小点 |
|
支撑知识:一个明白的专业人是可以找毛病的 |
||
|
实验知识:看视频、看文章、看修理厂 |
||
|
9 |
汽车空调38项综合训练 |
掌握38项标准化讲解 |
|
支撑知识:38项标准化讲解 |
||
|
实验知识:现场实训 |
费用:1800元/人
<<汽车维修与保养>>杂志读者及本公众号粉丝享受599元会员价格
培训时间:2019年4月15日-17日 地点:北京通州安莱研究院总部