1、城市轨道交通供电系统介绍
城市轨道交通供电系统是为城市轨道交通运营提供所需电能的系统,不仅为城市轨道交通电动列车提供牵引用电,而且还为城市轨道交通运营服务的其他设施提供电能,如照明、通风、空调、给排水、通信、信号、防灾报警、自动扶梯等,应具备安全可靠、技术先进、功能齐全、调度方便和经济合理等特点。
在城市轨道交通的运营中,供电一旦中断,不仅会造成城市轨道交通运输系统的瘫痪,还会危及乘客生命与财产安全。因此, 高度安全可靠而又经济合理的电力供给是城市轨道交通正常运营的重要保证和前提。
城市轨道交通的用电负荷按其功能不同可分为两大用电群体。
一是电动客车运行所需要的牵引负荷;
二是车站、 区间、车辆段、控制中心等其他建筑物所需要的动力照明用电,诸如:通风机、空调、自动扶梯、电梯、水泵、照明、AFC系统、FAS、BAS、通信系统、信号系统等。
在上述用电群体中, 有不同电压等级直流负荷、不同电压等级交流负荷,有固定负荷、有时刻在变化的运动负荷。每种用电设备都有自己的用电要求和技术标准,而且这种要求和标准又相差甚远。城市轨道供电系统就是要满足这些不同用户对电能的不同需求,以使其发挥各自的功能与作用。
2、城市轨道交通供电系统的组成
城市轨道交通供电系统一般包括外部电源 、主变电所(或电源开闭所)、牵引供电系统、动力照明供电系统、电力监控系统。其中,牵引供电系统包括牵引变电所和牵引网,动力照明供电系统包括降压变电所和动力照明配电系统。

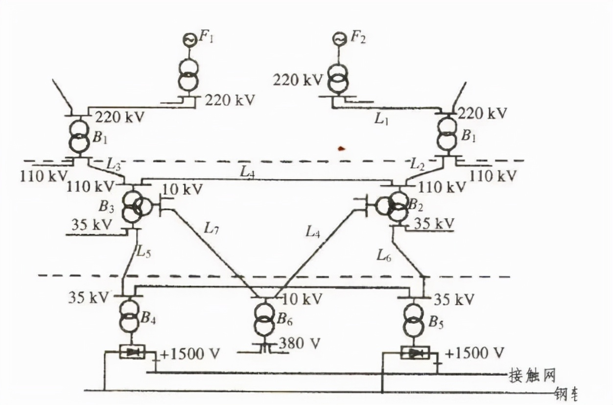
城市轨道交通供电系统的组成
城市轨道交通供电系统中一般设置三类变电所,即主变电所(分散式供电方式为电源开闭所)、降压变电所及牵引降压混合变电所。
主变电所是指采用集中供电方式时,接受城市电网35kV及以上电压等级的电源,经其降压后以中压供给牵引变电所和降压变电所的一种地铁变电所,是专为城市轨道交通系统提供能源的枢纽。
降压变电所:从主变电所(电源开闭所)获得电能并降压变成低压交流电,为车站、隧道动力照明负荷提供电源
牵引变电所:从主变电所(电源开闭所)获得电能,经过降压和整流变成电动列车牵引所需要的直流电。

城市轨道交通供电系统构成示意图
F1、F2-城市电网发电厂;
B1、B2、B3-城市电网区域变电所;
B4、B5一地铁牵引变电所;
B6-地铁降压变电所。
3、外部电源系统--城市电网
城市轨道交通作为城市电网的一个用户,一般都直接从 城市电网取得电能,无需单独建设电厂,而城市电网的电能来源于各种发电厂。城市电网对城市轨道交通进行供电,供电结构通常有 集中供电、分散供电和混合供电。
(1)集中式供电
在城市轨道交通沿线,根据用电容量和线路长短,建设专用的主变电所。主变电所进线电压一般为110kV,经降压后变成35kV或10kV,供给牵引变电所与降压变电所。主变电所应有两路独立的进线电源。集中式供电,有利于城市轨道交通供电形成独立体系,便于管理和运营。采用集中式供电的有上海、 广州、南京、香港、德黑兰地铁等。

(2)分散式供电
在地铁沿线直接由城市电网引入多路电源构成供电系统。一般为10kV电压级。分散式供电要保证每座牵引变电所和降压变电所均获得双路电源,要求城市轨道交通沿线有足够的电源引入点及备用容量。比如沈阳地铁、长春轻轨、大连轻轨、北京城铁、北京八通线、北京地铁5号线等

(3)混合式供电
将前两种供电方式结合起来,一 般以集中式供电为主,个别地段引入城市电网电源作为集中式供电的补充,使供电系统更加完善和可靠。北京地铁一线和环线、武汉轨道交通工程、青岛地铁南北线程等即为混合式供电方案。
集中式供电的优点:
(1)可靠性高,便于集中统一调度和集中管理。
(2)施工方便,维护容易,电缆敷设径路比较好走。
(3)抑制谐波的效果较好。为减少谐波对电网的影响和危害,一是采用较高脉波(24脉波)整流机组,二是选用较高电压(110kV) 的电源,因为大容量、高电压电网的承受能力强,同时国标规定的谐波总畸变率和谐波电压含有率比小容量、低电压电网要低得多,而且也有利于今后集中采取高次谐波防治措施。
(4)计费方便、简单。采用110kV电压集中供电方式,运行管理单位与电业部门的电度计费在主变电所设总计量就行,不必在各变电所分别计量。
4、城市轨道交通内部供电系统
城市轨道交通内部供电系统主要由动力照明供电系统和牵引供电系统组成。一条轨交线的降压供电系统有多个降压变电站,每个车站设1~2座,为车站用户和负荷供电,包括:通信、信号、车站照明、AFC、FAS、BAS、商业用电等等。牵引供电系统为城轨列车供电,每隔3~5 k m设一个牵引变电站。
(1)动力照明供电系统
动力照明供电系统:提供车站和区间各类照明、扶梯、风机、水泵等动力机械设备电源和通信、信号、自动化等设备电源,由降压变电所和动力照明配电线路组成。

a.降压变电所:将三相电源进线电压(10kV)降压为三相380V交流电,提供机电设备如风机、水泵等动力用电,也可称为动力变电所。
b.配电所:配电所(室)起电能分配作用,将降压变电所引入的三相交流380V和单相220V交流电,分别供给动力、照明设备。车站配电所负责车站电能配置,区间配电所负责车站两侧区间动力与照明用电配电。
c.配电线路:配电所(室)与用电设备之间的连接线路。
(2)牵引供电系统
牵引供电系统:牵引变电所将三相高压交流电变成适合电动车辆应用的低压直流电。馈电线再将牵引变电所的直流电送到接触网上,电动车辆通过其受流器与接触网的直接接触而获得电能。

a牵引变电所:对轨道交通某一供电区段提供牵引电能的变电所;
b.接触网:分架空线和接触轨两种受流方式,对轨道交通列车供电的导线:
e.馈电线:从牵引变电所向接触网输送牵引电能的导线;
d.轨道电路:利用走行钢轨作为牵引电流回路:
e.回流线:供牵引电流从钢轨返回牵引变电所的导线。
牵引供电系统两种运行方式:
(1)正常运行:双边供电
正线各供电区间,均由相邻牵引变电所双边供电,车辆段内接触网由车辆段牵引变电所供电:停车场内接触网由停车场牵引变电所供电。

(2)任一牵引变电所解列时的运行方式-大双边供电
当任一 牵引变电所解列(不含线路端头牵引变电所),由相邻变电所越区“大双边供电。当正线线路端头的牵引变电所解列,分别由相邻的牵引变电所单边供电。

5、供电系统的要求
(1)供电系统必须可靠
城市轨道交通电动列车和车站设备都是,为乘客提供服务的设备,在运营过程中,一旦供电中断,受影响最大的是行车和客运两个部门。所以城市轨道交通供电系统,必须具有高度的可靠性。为此,各变电站采用两路进线,并互为备用;电源容量设计时应为发展留有余地;而且应选用先进、可靠的电气设备,采用模块化的计算机控制系统,实现实时监控,调度自动化的运行模式;以专人定时巡视检查为辅助手段。
(2)供电系统必须满足不同用户的需求
地铁系统是一个重要的用电负荷。按规定应为一级负荷,即应由两路电源供电,当任何一路电源发生故障中断供电时,另一路应能保证地铁重要负荷的全部用电需要。在地铁供电系统中牵引用电负荷为一级负荷,而动力照明等用电负荷根据它们的实际情沉可分为一级、二级或三级负荷。
按供电对象的重要性,将供电系统分成三级:
一级负荷:城市轨道交通电动列车、通信、信号设备、消防设备等用户,必须确保不间断供电;为此,必须采取两路电源供电,当任何一路电源失电后,应自动、迅速切换至另一路电源。
二级负荷:城市轨道交通车站照明、自动扶梯等用户,应确保连续供电,万一停电后会影响客运服务质量,但并不影响列车运行安全;设计时,一般采用二路进线电源,再分片分区供给。
三级负荷:城市轨道交通的商业用电、广告照明等用户,应确保其正常供电这些用户并直接不影响客运服务质量,其用电可根据电网负荷情况讲行调整
按用户负荷变化及用途可作以下分类:
①负荷变化不大的低压交直流负荷
此类负荷要求有很高的供电可靠性和良好的供电质量。如:变电站控制设备的低压交直流负荷。
②负荷变化大的直流供电
它们对供电、供电设备的可靠性要求高,用电量随客运的高峰低谷变化而变化。如:客运列车:它是城市轨道交通供电系统中的最主要负荷,而且是直流负荷。在夜间列车停运时,负荷为零。
③负荷变化大的交流供电
车站用户多为低压用户,如:车站电梯和自动扶梯、环控设备、照明、售检票系统、消防报警系统、给排水系统、通信、信号等。这些用户,在客运时段是用电高峰列车停运时段是用电低谷。而且必须向通信、信号专业设备提供24h不间断的连续供电
④夜间用电
停车场的车辆维修作业区等夜间用电用户。白天列车运行的时间段,由于绝大部分的电动列车都在正线运行,因此,列车检修用电是低谷,反之在夜间客运终止,回库列车的检修作业用电是高峰时段。
⑤非重要用户
车站商业等不直接影响运营质量的用户, 尽管其用电量较大,但这些用户的列车运营没有直接关系,我们将这些用户归类为非重要用户。
综上所述: 城市轨道交通供电系统,必须依据不同用电需求区别对待,即重要的一级负荷,二路电源供电,并能自动切换。二级负荷,也是二路电源进线分片分区供给。三级负荷一路电源供电在供电能力紧张,停止三级负荷供电,只有这样才能满足和保障用户的用电要求,实现城市轨道交通运营的正常。
6、城轨供电系统的供电制式
城轨供电系统的供电制式是指供电系统向电动车辆或电力机车供电所采用的方式,主要包括 电流制式、电压等级和馈电方式。
(1)电流制式
城市轨道交通的牵引供电系统几乎毫无例外地都采用 较低电压等级的直流电流供电制式。
采用直流制式的原因主要有以下几点:
1)由于直流制供电无电抗压降,因而比交流制供电的电压损失小;
2)电网的供电范围(距离)、电动车辆的功率都不大,均不需太高的供电电压;
3)城市轨道交通和地铁的供电线路都处在城市建筑群之间,供电电压不宜过高,以确保安全;
4)直流制供电的对象,即早期使用的直流牵引电动机和近期采用的变频调速异步牵引电动机均具有良好的起动和调速特性,可充分满足电动车辆牵引特性的要求。
(2)电压等级
世界各国城市轨道交通的供电电压均在 550~ 1500V之间,其中间档级很多,这是由各种不同交通形式、不同发展历史时期造成的。现国际电工委员会拟定的电压标准为: 600V、 750V、 1500V三种,后两种电压为推荐值。我国国标亦规定.为750V和1500V,不推荐600V电压等级。
(3)馈电方式
牵引网的馈电方式有架空接触网和接触轨两种方式。电压等级与馈电方式是牵引网供电制式的关键点,两者密切相关。对于一个具体的城市,电压等级与馈电方式的选择,应该结合起来,统一考虑。我国牵引网供电制式可以选择以下四种方式:直流1500V架 空接触网、直流1500V接触轨、直流750V架空接触网、直流750V接触轨。
列车受电普遍采用两种方式:
1、架空接触网供电 ,这个和高铁比较相似,地铁隧道上方架设刚性或弹性装置、悬挂接触网,车辆通过受电弓从接触线中获取电流,多采用1500伏电压。
此法安全系数高,但技术含量大,铺设难度大,费用高昂。广州、上海等城市的地铁线路用此法。
2、第三轨供电, 简单地说,就是从地上取电,供电不是列车轨道,而是与轨道平行的第三轨,通常是用较轻的工型钢。但也有例外(北京地铁采用60公斤/米的标准工型钢)。电压750V。
车辆通过集电装置与接触轨接触取电,接触轨外设有防护罩保障安全。根据接触面的位置不同,可分为上部授流、下部授流和侧部授流接触轨。
此法不太安全,但价格低廉,技术含量低,易于铺设。另外,英国伦敦采用的四轨供电,即在铁道中央在铺设一条零线轨,是三轨的变种。
建造较早的地铁基本上都是三轨供电。例如:北京、天津、莫斯科、平壤、基辅、东京(部分)、大阪(部分)等等
注:地铁采用以上哪种供电方式,要考虑城市特点、客流大小、列车编组、美观需求等各方面因素。
7、电力监控系统SCADA组成及功能介绍
电力监控系统SCADA:保证控制中心对主变电所、牵引变电所、降压变电所等供电设备运行状态监视、控制和数据采集。

(1)遥控功能
①选点式操作,即单控。调度员可根据站名、开关号以及动作状态进行选择操作。
②选站式操作,调度员通过对所控站名、动作状态的选择,按系统的运行方式发出指令,进行停送电操作。
③选线式操作,调度员对运行线名、动作状态进行选择,实现全线停送电操作。
(2)遥测功能
控制中心对各变电所的量值遥测。遥测的主要参数包括进线、母线、馈线的电压、电流、有功电度、无功电度、有功功率、无功功率及主变压器温度等。
(3)遥信功能
变电所的各种实时信息,包括断路器开关的位置、保护信号和预告信号,通过通信网络传输到控制中心,并显示在模拟屏上。
(4)其他功能
自检功能、显示功能、数据处理功能、打印功能、汉字功能、口令功能、培训功能。