(来源:技成培训网,作者:徐成爽,欢迎大家一起转发评论,如有不足之处,可在评论区补充!)
控制要求
用一个按钮控制一台电动机,按钮闭合时电动机正转8s、停止 8s、反转8s、停止8s,并循环。
IO分配表

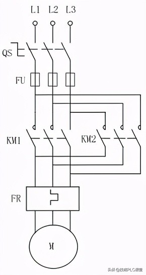
接线图
第一步:(PLC接线图)

第二步:(电机接线图)

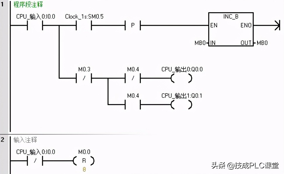
编写程序
第一步:(I0.0接点闭合,加1指令 INC_B, MBO对SM0.5的秒脉冲的上升沿进行加1,结果存放在MBO中)

演示效果


由二进制数的的特点可知,任意两个相邻位只有4种状态组合,即00、01、10、11。如表中的M0.2、M0.3。
设M0.4、M0.3=00时为正转,M0.4、M0.3=01 时为停止,M0.4、M0.3=10时为反转,M0.4、M0.3=11时为停止,则正转Q0.0和反转Q0.1的逻辑电路
M0.3、M0.4的每种状态持续8s,开关闭合时电动机正转8s、停止8s、反转8s、停止 8s,并循环。
以此类推,如每种状态持续16s,可将梯形图中的M0.3、M0.4改为M0.4、M0.5。