
断路器、接触器、中间继电器、热继电器、按钮、指示灯、万能转换开关和行程开关是电气控制回路中最常见的八种元件,下面以图文并茂的方式介绍常用电气元件的原理及应用,通过了解它们在电气回路中的作用来掌握这些元件平时的运行情况。
断路器

断路器文字符号为:QF
断路器图形符号为:

接触器
接触器由电磁机构和触头系统两部分组成,接触器最常见线圈电压有AC220V、AC380V和DC220V几种。
接触器电磁机构由线圈、动铁心(衔铁)和静铁心组成;接触器触头系统由主触头和辅助触头两部分组成,主触头用于通断主电路,辅助触头用于控制电路中。

接触器文字符号为:KM
接触器图形符号为:

热继电器
热继电器是利用电流通过元件所产生的热效应原理而反时限动作的继电器。

热继电器文字符号:FR
热继电器图形符号:

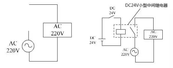
中间继电器
中间继电器的原理是将一个输入信号变成多个输出信号或将信号放大(即增大继电器触头容量)的继电器。其实质是电压继电器,但它的触头较多(可多达8对)、触头容量可达5-10A、动作灵敏。
当其他电器的触头对数不够时,可借助中间继电器来扩展他们的触头对数,也有通过中间继电器实现触电通电容量的扩展。


中间继电器文字符号:KA
中间继电器图形符号:

按钮
在实际应用中通常根据所需要的触头数量、使用的场合及颜色来选择按钮。常用的LA18、LA19、LA20等系列按钮,适用于AC500V、DC440V,额定电流5A,控制功率在AC300W、DC70W的控制回路中。

按钮文字符号:SB
按钮图形符号:

按钮颜色要求:
(1)“停止”按钮和“急停”按钮必须是红色。当按下红色按钮时必须使设备停止运行或断电。
(2)“启动”按钮的颜色是绿色。
(3)“启动”和“停止”交替动作的按钮必须是黑色、白色或灰色,不得使用红色和绿色按钮。
(4)“点动”的按钮必须是黑色。
(5)“复位”(如有保护继电器的复位按钮)必须是蓝色,当复位按钮同时还有停止作用时,则必须是红色。
指示灯
指示灯的作用:
(1)指示设备的运行或停止状态。
(2)监视控制电器的电源是否正常。
(3)利用红灯监控跳闸回路是否正常,用绿灯监控合闸回路是否正常。

行程开关文字符号为:HL
行程开关图形符号为:

转换开关
万能转化开关由操作机构、面板、手柄和数个触头座等部件组成。

万能转换开关文字符号为:SA
万能转换开关图形符号为:

各触头在手柄转到不同档位时的通断状态用黑点表示,有黑点的表示触头闭合,没有黑点的表示表示触头断开。
行程开关

行程开关文字符号为:SQ
行程开关图形符号为:

电机控制方式示意图
