1、NE555结构简介
NE555 (Timer IC)为8脚时基集成电路,是一种将模拟电路和数字电路巧妙结合在一起的组合集成电路。NE555是属于555系列的计时IC的其中的一种型号,555系列IC的接脚功能及运用都是相容的;
只是型号不同的因其价格不同其稳定度、省电、可产生的振荡频率也不大相同;555只需少数的电阻和电容,便可产生数位电路所需的各种不同频率之脉波讯号。
2、NE555集成块特点
①只需简单的电阻器、电容器,即可完成特定的振荡延时作用。其延时范围极广,可由几微秒至几小时之久。
它的操作电源范围极大,可与TTL,CMOS等逻辑电路配合,也就是它的输出电平及输入触发电平,均能与这些系列逻辑电路的高、低电平匹配。
其输出端的供给电流大,可直接推动多种自动控制的负载。
3、NE555引脚功能能图,

1脚:外接电源负端VSS或接地,一般情况下接地。 8脚:外接电源VCC,双极型时基电路VCC的范围是4.5 ~ 16V,CMOS型时基电路VCC的范围为3 ~ 18V。一般用5V。 3脚:输出端Vo 2脚:低触发端 当该端电压低于1/3Ucc时,输出高电平6脚:高触发端 当该端电压高于2/3Ucc时,输出低电平4脚:强制复位端。当此脚接低电平,则时基电路不工作,此时不论2脚6脚处于何电平,时基电路输出为“0”,该端不用时应接高电平。 5脚:为控制端。若此端外接电压,则可改变内部两个比较器的基准电压,当该端不用时,应将该端串入一只0.01μF电容接地,以防引入干扰。 7脚:放电端。该端与放电管集电极相连,用做定时器时电容的放电。

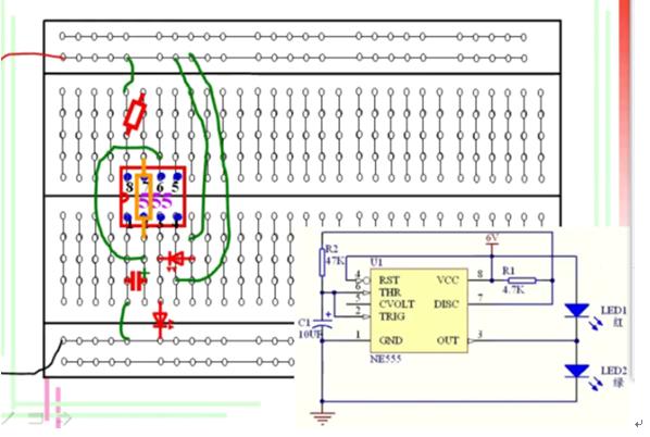
NE555交替闪烁灯


该电路图为双稳态电路,电路第一个暂稳态,输出为1,电容充电,电路转换第二个暂稳态,输出为0。
第二个暂稳态,输出为0,电容放电,电路转换第一个暂稳态,输出为1。
充电:Vcc-R1、R2-C1
放电CI-R2-555集成内部

