
小红花测评说:
“没有乳胶枕,简直没法睡个好觉了!”
乳胶枕走俏,一夜之间仿佛成了睡眠必备。
然而,市场营销套路多,你可能刷完了某宝上几百条用户评论,价格尺度从100多块放宽到1000多块,却依然没能分辨出哪款才是让人放心的乳胶枕。

短短两个月,花花收到粉丝们的乳胶枕测评诉求189条。
于是,乳胶枕测评项目启动——
测评品牌:
小米8h、网易严选、芬璐、大朴、睡眠博士
royal latex、诺依曼、必要、安典、纳曲
购买渠道:
各品牌网络平台官方店
测评目标:
选拔出优质优价的乳胶枕
通过两个多月的调查、研究、对比、试用、筛选、检测,花费了近两万元之后,
小红花测评现在告诉你,什么才是好的乳胶枕,它真的要那么贵吗?

好的乳胶枕有什么优点?
许多宣称说乳胶枕有十几点好处,其实,靠谱的只有三点:
1
强回弹,承托性好,保护颈椎:
头部重压的地方能压下去,颈部有支撑。且能迅速复原,不会压塌;


2
透气性好,保持干爽舒适:
数不清的气孔能够传导人体散发的热量和湿气;

▲透气孔图:不是模具钢针形成的大孔哦!
3
抑菌抗螨、抗过敏:
天然乳胶特有的橡树蛋白和乳胶香味,可以抑制细菌和过敏源,驱除螨虫。
好乳胶枕=好材料+好工艺
page
1
第一回合:好材料
>90%天然乳胶含量
零添加丁苯橡胶
好的乳胶枕原料来自于橡胶树割出来的天然乳胶。除制造过程需要添加少量的硫化剂、防晒剂等之外,其他90%以上应该都是天然乳胶。有品牌商宣称:
“使用100%天然乳胶”

因为要添加硫化剂、防晒剂,所以100%天然乳胶的乳胶枕不存在!
语文学得好的朋友请自行脑补“使用100%天然乳胶”和“100%使用天然乳胶”两句话的不同。
而市场上大部分的乳胶枕,会加入成本低很多的丁苯橡胶(多少看良心)。

合成丁苯橡胶的原料,可能含有被列为疑似致癌物的苯乙烯,具挥发性,氧化会分解出甲醛。
丁苯橡胶加在乳胶枕里会削弱天然乳胶回弹性、透气性、抑菌抗螨的功效,并有刺鼻的气味。
自测
1
闻
天然乳胶的香味,不应有任何刺鼻、不适的味道
2
Q弹
轻松按下、轻松弹起
材料测评小结:
十款样品中:
“纳曲”、“安典”有天然乳胶香味。
“大朴”、“网易严选”、“小米h6”乳胶味非常淡。
“睡眠博士”、“诺依曼”、“必要”、“芬璐”、“royal latex”五款有较强刺鼻异味。
只有“必要”在商品详情页承认:添加了16%合成橡胶。

▲必要产品详情页
page
2
第二回合: 好工艺
天然乳胶枕需要经过发泡工艺,分特拉雷(物理发泡)和邓禄普(化学发泡)两种工艺。
对比表:

特拉雷工艺乳胶枕、邓禄普工艺乳胶枕的对比图:

▲左侧特拉雷有大量气孔、右侧邓禄普基本无气孔

▲左侧特拉雷弹性好、右侧邓禄普弹性较弱
(5公斤饮用水下压实验)

▲特拉雷透气性强,吹风筒隔着乳胶枕也能吹动纸巾
可见:特拉雷工艺的乳胶枕,回弹性和透气性要优于邓禄普工艺乳胶枕,但成本也更高。
等等!为嘛那些品牌商宣称:
“泰国乳胶枕是最好的,使用最好的邓禄普工艺”?

泰国的天然乳胶是最好的,但加工水平远落后于国内,目前没有昂贵的特拉雷生产线,只使用便宜的邓禄普工艺生产线(国内也只有极少数厂家使用特拉雷工艺),更有甚者把国内生产的廉价化工橡胶枕整货柜地运到泰国,打上logo以泰国乳胶枕的名义充斥市场。
自测!!!信广告不如信自己,其实这两种工艺你完全可以自测!
1
看“注料口”
特拉雷发泡乳胶枕:没有“注料口”
邓禄普发泡乳胶枕:表面有圆形“注料口”痕迹


▲注料口图
2
看“气泡”
特拉雷发泡乳胶枕:千万个肉眼可见的气泡
邓禄普发泡乳胶枕:基本看不见气泡
3
触摸感受弹性
对比触摸一下,特拉雷物理发泡乳胶枕弹性远胜于邓禄普化学发泡乳胶枕。
工艺测评小结:
“大朴”、“必要”、“安典”、“纳曲”四款产品使用特拉雷物理发泡工艺。
其他六款均为邓禄普化学发泡工艺。
“芬璐” 宣称是物理发泡,但却有“注料口”(实际是化学发泡),而且故意把模具钢针形成的大孔,描述成气孔,误导消费者。

▲芬璐产品详情页
所以,
一款优质乳胶枕 = 好材料(90%以上天然乳胶、零添加丁苯橡胶)+ 好工艺(特拉雷物理发泡)
通过对十款样品,进行气味、弹性、气孔、注料口等对比筛选,最后符合“好工艺+好材料”特征的,只有“纳曲”、“安典”、“大朴”三款,(零售价格都是399元)。
故事并没有结束
有品牌商说:
“X百元以上才会有好的乳胶枕”

网络上不乏这类宣传,都是商家用来烘托高利润、高价格的工具。
通过背景调查小红花测评发现:
乳胶枕的品牌商很多,但基本自己都不生产;
而能生产好乳胶枕的厂家很少,以代工为主,自营品牌却不出名。
这就造成了中间环节多,品牌溢价高,零售价虚高不下!
上述三家入围品牌中,“大朴”、“纳曲”都是品牌商,不是生产商。
品牌并不著名的“安典”,却是真正的生产厂家。
我们全面地研究了“安典”,发现该厂家代工生产不少知名品牌的各种乳胶枕(特拉雷和邓禄普),如:梦洁、喜临门、大朴、富安娜等,是一家生产实力较雄厚的厂家。

小红花测评决定从生产源头,为消费者物色性价比更高的优质乳胶枕。
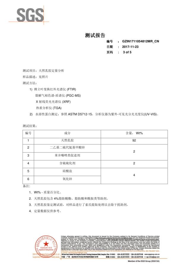
我们送检了“安典”这款特拉雷乳胶枕,检测报告如下:



成分解读一下:
1、天然乳胶:92%,相当高!
2、3、4、这三个都是硫化剂,使乳胶变成固体。一共4%的硫化剂是行业内很低的比例了。
5、硅酸盐:是土壤中的主要微量元素,是橡胶树从土壤中吸取并携带到乳胶中的,无害!
6、氧化锌:防晒剂,防止天然乳胶产品遇紫外线变色变脆。
经过与“安典”厂商沟通,它们非常愿意为“小红花测评”的粉丝专属供应一批天然乳胶含量>90%、特拉雷物理发泡工艺的特惠乳胶枕。
至此,花花才算圆满完成此次测评任务。
往期回顾:
水彩笔 /米粉/益生菌/猕猴桃/果泥/体温计 /
洗护用品/补钙产品 /安全座椅/地垫/
退热贴/鱼油/藻油儿童黏土/午睡枕
敬请关注“小红花测评”GZH,获取更多婴童产品对比测评内容。