剩余电流保护器适用于交流电压至AC400V,频率50HZ,额定电流至1250A及以下低压电网中,用来防止人身直接或间接电击(触电),线路或设备接地漏电或损坏,以及对过电流保护不能检测出的长期存在的接地故障可能引起的火灾危险。

安装注意事项
(1)剩余电流保护器安装时,应检查产品合格证、认证标志、试验装置,发现异常情况必须停止安装。
(2)剩余电流保护器的保护范围应是独立回路,不能与其他线路有电气上的连接。一台剩余电流保护器容量不够时,不能多台并联使用,应选用容量符合要求的剩余电流保护器。
(3)安装剩余电流保护器后,不能撤掉或降低对线路、设备的接地或接零保护要求及措施。
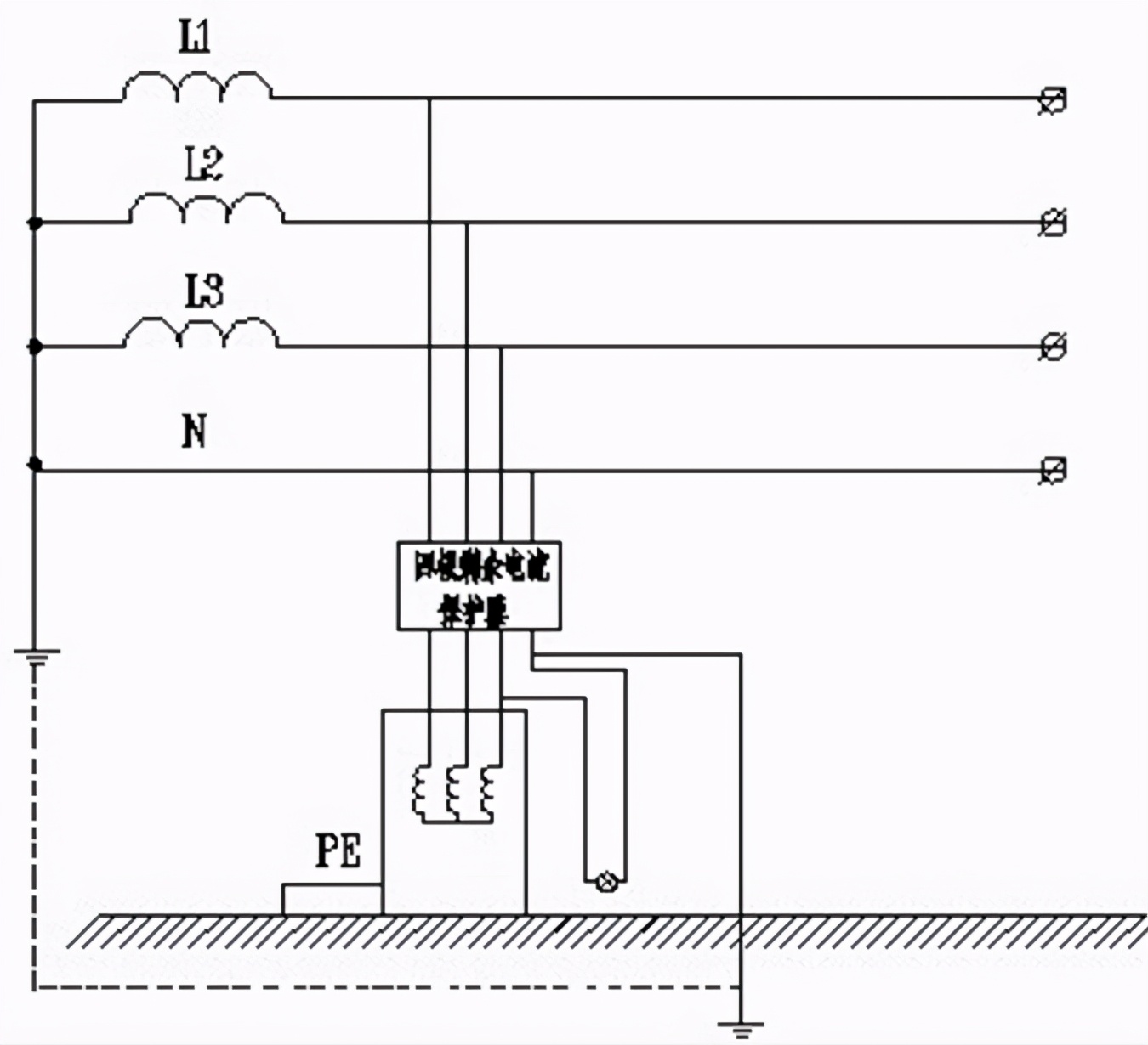
安装时应注意区分线路的工作零线和保护零线。工作零线应接入剩余电流保护器,并应穿过剩余电流保护器的零序电流互感器。(PE或PEN线严禁穿过剩余电流保护器中零序电流互感器磁回路)经过剩余电流保护器的工作零线不得作为保护零线,不得重复接地或接设备的外壳。
线路的保护零线不得接入剩余电流保护器,见图1。

图1
(4)零线不能重复接地。装用剩余电流保护器后,除了在配电变压器中性点处接地外,不能再在系统中将零线重复接地,见图2。

图2(错误接线)
负载侧零线接地引起的误动(N线重复接地引起误动作)
(5)保护支路应有各自的专用零线。分级保护或分支保护的每一分支线,必须有自己的专用零线。两相邻的分支路的零线不能相连,也不能任意就近支接。
(6)用电设备的接线不能交叉连接。用电设备应正确无误的连接同一个剩余电流保护器支线回路内,不能同时连接于两个保护支路回路。
(7)独立接地。安装剩余电流保护器的设备和不安装剩余电流保护器的设备不能共用一个接地装置。否则当不安装剩余电流保护器的设备绝缘破坏而带电时(>50V时),安装剩余电流保护器一侧设备对人体不能起到触电保护作用。
(8)普通开关的N线不能和剩余电流保护器的N线共用,见图3(错误接线) ,见图4(正确接线)。

图3(错误接线)

图4(正确接线)
(9)剩余电流保护器保护范围内的用电设备外露可导电部分应该接地。
剩余电流保护器保护范围内的用电设备外露可导电部分如果不接地,则接地故障电流需经人体形成回路,其值主要决定于人体和地面电阻,它可能在很大范围内变化。而剩余电流动作保护器的额定动作电流可在很大范围内选定。
即便能可靠动作,人体不可避免地将遭受一次电击,即使没有生命危险,也非上策。在环境温度高。人体内阻大等情况下,故障回路阻抗就大,接地故障电流就小。剩余电流保护器不能可靠而拒动。另外,如发生接地故障在人体触及外露可导电部分前,对地故障电压将持续存在,成为故障隐患。例如因对地放电产生电弧、电火花而引起火灾等。
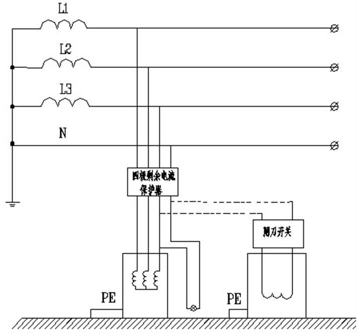
(10)既有三相不平衡负载又有单相负载应选用四极剩余电流断路器
在 TN-S TN-C-S供配电系统中,如果既有三相负载又有单相负载,就必须安装四极剩余电流保护器(具体应该安装剩余电流断路器)才能起到漏电保护作用。
如果在此供配电系统中安装三极四线剩余电流保护器,工作零线N通过剩余电流保护器零序电流互感器,但是没有通过剩余电流保护器的触头,而又有单相负载照明,当电动机一相绕组或通过剩余电流保护器输出端任何一相任何处对电动机外壳漏电时,人触及带电设备的外壳时,虽然剩余电流断路器动作,在0.1S内将电源切断,但是触电人并没有得到保护。原因是电动机瞬间断电,铁心中的剩磁在定子绕组中感应出感应电压,使旋转着的电动机作发电状态运行,将部分剩余机械能变为电能反馈到低压回路。
反馈电流经事故点外壳---人体----大地---PEN线---N---电灯---另外一相线形成回路。若安装四极剩余电流保护器,PEN线通过剩余电流保护器的主触头,在剩余电流保护器动作后,将上述回路切断,电动机中的剩余残压就不会在人体中产生电流。所以用于既有三相不平衡负载又有单相负载电路应选用四极或两极剩剩余电流保护器。
正确安装见图5(既有三相不平衡负载又有单相负载应选用四极剩余电流断路器),错误安装见图6。

图5 正确安装

图6 错误安装
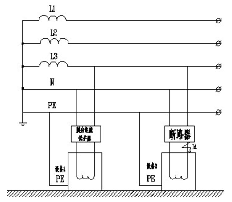
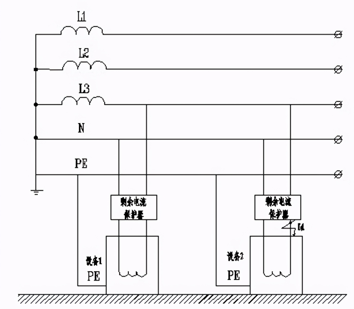
(11)在同一供配电系统中,需要做接地保护的设备都应安装剩余电流保护器。
在同一供配电系统中,需要做接地保护的设备都应安装剩余电流保护器。如果两个需要接地保护的设备,其中有一个设备未安装剩余电流保护器,那么当它发生接地故障时,若未带安装剩余电流保护器的保护器拒绝动作,此时,PE线上就有故障电流流过。导致两个设备均带有故障电压。
此时安装了安装剩余电流保护器保护的设备的剩余电流保护器不会动作。导致安装了安装剩余电流保护器保护的设备虽然安装了剩余电流保护器保护,但是其外壳仍然可能时间带电。
正确安装是:在每一个出线回路均应安装剩余电流保护器。错误安装见图7 ,正确安装见图8。

图7 错误安装

图8 正确安装
(12)安装剩余电流保护器注意避免旁边有大电流通过。
维护要点
(1)剩余电流保护器经安装检查无误,并操作试验按钮检查动作情况正常,方可投入使用。
(2)运行中的剩余电流保护器发生动作后,应根据动作的原因排除了故障,方能进行合闸操作。严禁带故障强行送电。
(3)使用者应掌剩余电流保护器的安装使用要求、保护范围、操作及定期检查的方法。使用者不得自行装拆、检修剩余电流保护器。
(4)对运行中的剩余电流保护器应进行定期检查,每月至少检查一次,并作好检查记录。检查内容包括外观检查、试验装置检查,接线检查,信号指示及按钮位置检查。
(5)检查剩余电流保护器时,应注意操作试验按钮的时间不能太长,次数不能太多,以免烧坏内部元件。
本文编自《电气技术》,标题为“剩余电流保护器分类、选用、安装、维护及常见故障解决”,作者为石继良、王志勇。