大家好,我是杰歌,今天我们讨论一下怎么样提高房车行车的充电量?要说到提高行车充电量,必须先了解汽车发电机的工作原理,我们都知道发电机工作原理是通过线圈切割磁力线来产生电流的,也就是说,我们常见的发电机里边,他都有磁铁,但是汽车发电机里边却没有磁铁,没有磁铁就不能形成磁场,那他是怎么样发电的呢?

汽车发电机结构
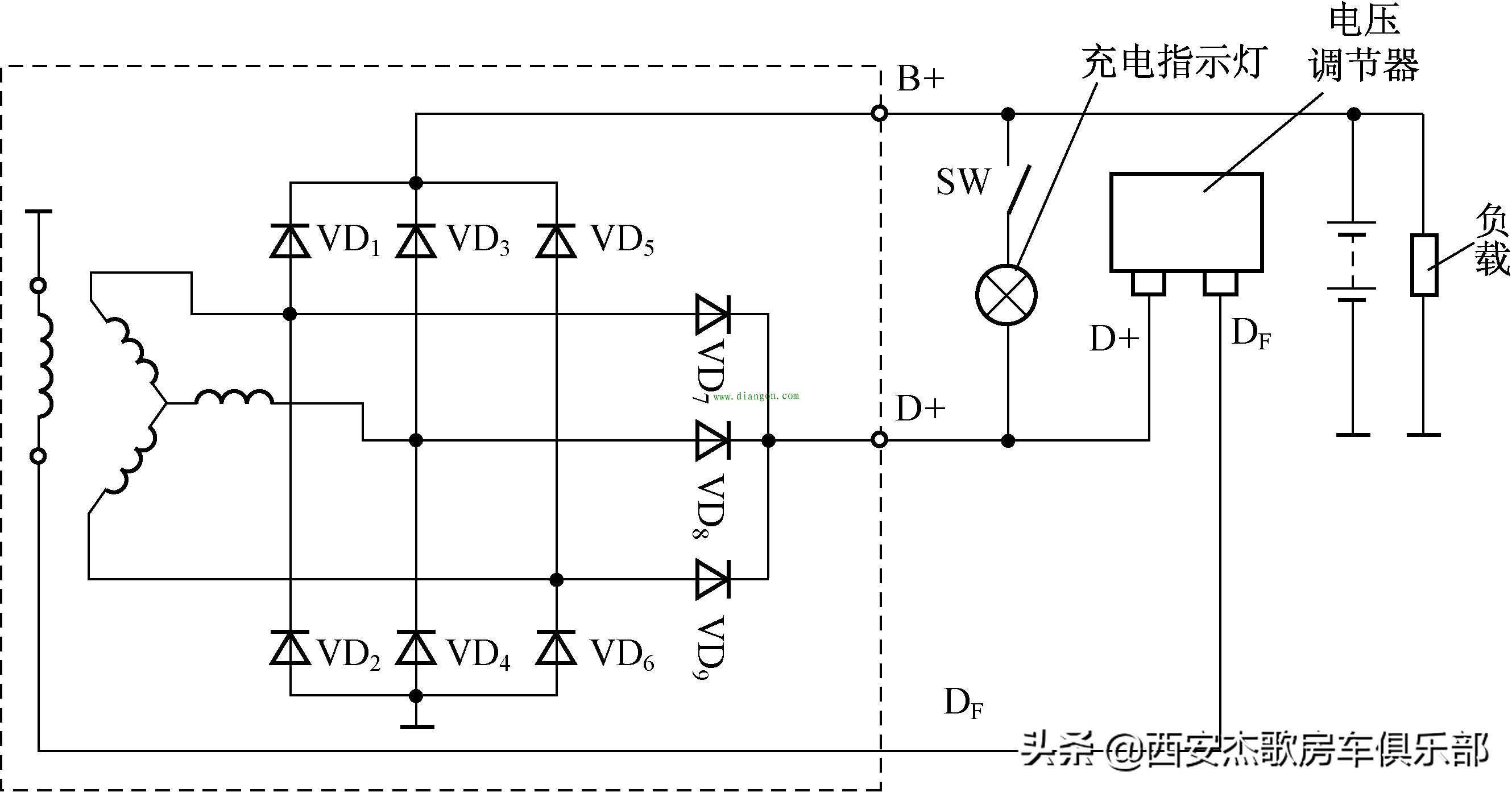
接下来我们就要了解一下发电机的分类,一类是永磁发电机,另外一类就是励磁发电机,永磁发电机就是我们常见的普通发电机,它内部是有磁铁的,他需要稳定的转速来获得稳定的电压,在汽车的发动机上,显然无法获取稳定的转速,从700转到几千转,波动幅度非常大,为了获取稳定的输出电压,所以励磁发电机就诞生了

励磁发电机之所以没有磁铁?是因为他的磁场是用电产生的电磁场,当直流电通过发电机的转子时,转子就会产生磁场,在发动机的高速旋转下,就会形成交变磁场,从而使定子上的线圈产生电流,经过整流输出,这样就可以发电了,为什么要用电产生磁场呢?因为我们可以通过一个控制模块来控制电流的大小,从而改变转子的磁场的大小,这样也就可以间接地控制输出稳定的电压,这个模块就叫做发电机调节器,以前的老发电机调节器都是外置的,可以单独更换,现在的调节器呢,基本上都成内置的了,所以调节器已坏,基本上就代表发电机坏了,调节器的主要作用就是无论你在什么样的转速下,能够保证发电机能够输出稳定的电压,那么,发电机输出多少电压属于正常的?

其实发电机输出13.7伏到14.5伏都属于正常的, 你的车啊,发电机输出电压在14伏以下,对于国家标准来讲,它是正常的,但对于房车行车充电来讲,它的充电量肯定偏小的,像我们绝大多数的汽油车,基本上都在14伏以下,无论你想什么办法,充电量始终提不上去,因为锂电池的标准充电电压是14.6伏,往往一些柴油车的发电机输出电压都比较高,像依维柯的就可以达到14.5左右,依维柯房车行车充电,基本上都在1000瓦以上,最高时可以达到1800瓦,这些数据都是我们实测来的。

既然发电机的参数不可调整,那么,我们又如何去提高行车充电呢?行车充电量小,主要原因还是发电机的输出电压偏低,所以我们要提高充电的电压,就可以提高充电量,我们就可以采用直流升压器,如果你的发电机输出电压在14伏以下,可以提升到14.6伏,就可以达到锂电池的标准充电电压,不要小看这零点几伏,我自己亲身实测充电量提高将近一倍,提高充电电流对我们房车出行补充电量是非常关键的。

提醒车友:如果不懂电路,切勿盲目自己动手改装电路,是很容易出问题的。
今天的节目就做到这里,欢迎大家点赞关注批评指正,下一期节目我们讨论电小二和改装锂电哪个更合算?