
SONY ICF-SW800发布于1990年,日本本土产,机身材质是铁灰色ABS, 外形比较圆滑有点类似飞利浦1875,但是要略小一些。单纯从功能看,该机属于中低端机, 只有最基本的调频和短波功能,不支持例如飞梭调谐,调谐指示,宽窄带调节,音调调节,远近程选择等常见功能,但是它最大的亮点或者创新之处是引入了插卡预存台调谐及触摸操作方式, 这在当时是绝无仅有的。 据我的经验,支持插卡预存台的机型除了索尼SW07和SW700之外, 后无来者。SW07的预存台是通过像手机SIM卡一样的电子存储卡,而SW700/800使用的是信用卡大小的卡片,内部没有芯片,下文会介绍它的工作原理。SW700是800的姊妹机型,外观一样,比较少见,只支持中短波, 而800则支持调频和短波,对于我来说 我觉得SW800更实用一些。

后背卡仓
主要特点
- 基于传统的模拟电路框架,数字锁相环控制调谐
- 随机配带4张卡:一张时钟卡用来设置时钟和定时开机时间;一张工厂预设频率卡(正反面分别预存了VOA和BBC的主要频率一共20个,不过当年的频率如今早已过期了);两张用户存储卡,可以由用户自定义存储频率,正反面各10个,也就是说可以存储40个电台。经过我亲测,其实出厂预设频率也是支持用户刷写覆盖的,也就是说三张卡一共可以存储60个频率。

卡正面

卡背面
多种调谐方式
- 插卡直接调谐: 出厂时将VOA, BBC的主流电台频率预存入机内的ROM,并将这些频率分配到存储分区的10个地址下,通过插入电台卡片指向对应的存储分区,用户就可以触摸屏幕数字键来选择该分区下不同的电台频率(相当于定频收音机)
- 数字频率直输: 用户可以切换到频率直输模式,直接输入自己已知的电台频率,这与常规数调机的操作一样
- 自由调谐: 通过上下箭头步进调谐, 调频0.1Mhz, 短波5Khz, 长按箭头会快速调谐,但不支持自动搜索调谐
- 用户预存台调谐: 无论插入的是哪张卡,用户都可以将常听频率存入机内ROM也就是覆盖卡上数字对应的地址,方便直接调取,这与常规收音机操作一致。写入的时候长按住红色write,听到哔哔声后同时按下数字键,频率就被存储了。
- 性能音色:性能与索尼其他便携机没有太大区别,调频中频比较宽,选择性一般但是声音非常好,短波灵敏度高底噪很低。77mm 0.5W喇叭,这枚喇叭几乎是索尼便携机型的标配,尤其是7600系列,声音清亮,听语音非常舒服。
- 调频和短波二次变频:调频覆盖64-108Mhz,短波 3.7-17.9Mhz, CXA1019M单芯片方案,短波二次变频,10.7mhz第一中频,450k二中频。
- 耗电极低,FM=26.7mA; SW=32mA,使用三节AA电池
电路分析


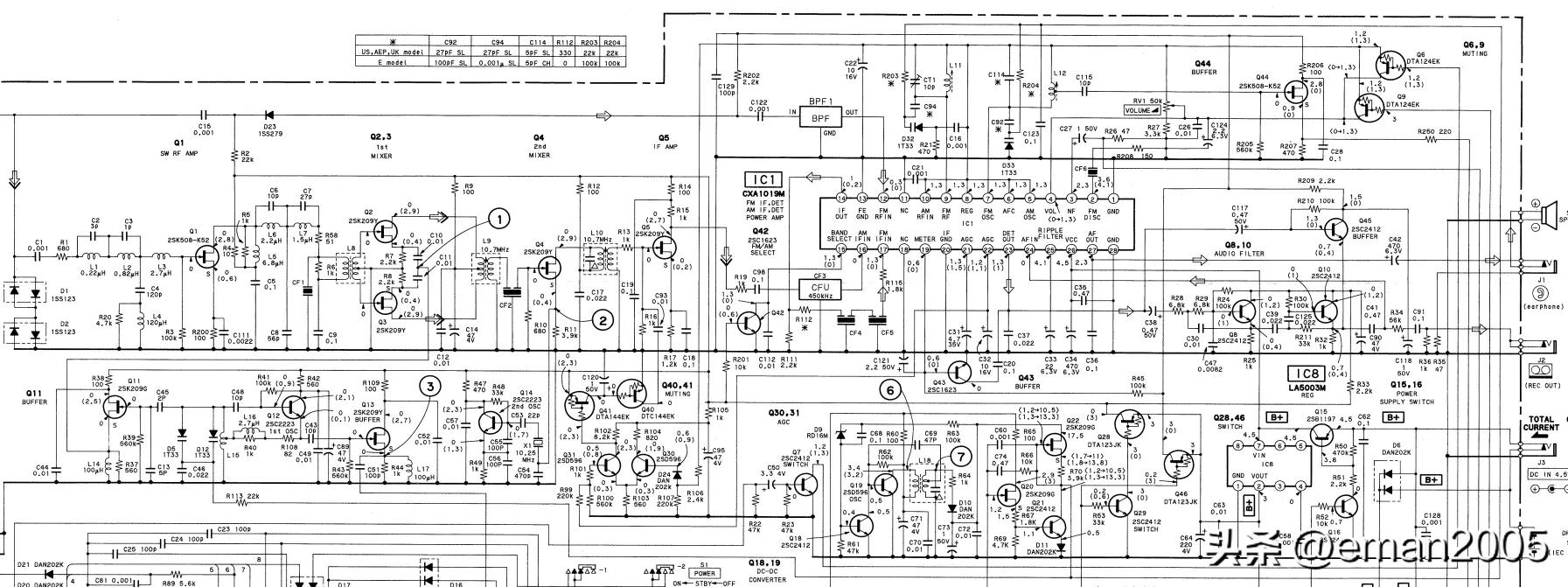
电原理图
该机是以索尼的自家的CXA1019M单芯片为核心,该芯片爱好者并不陌生,它功能齐全,包括了从高放到功放的所有功能,支持电子音量调节,而且耗电极低。调频部分,完全由芯片完成,天线信号经过带通滤波器后进入芯片进行高放混频中放鉴频器,中放使用了两只村田280k带宽的滤波器串联,鉴频器使用了陶瓷振子而不是LC,所以免调试还稳定几乎不会偏移。短波采用了二次变频设计,天线信号经过LC带通网络后进入场效应管2SK508高放,该高放级为宽带 固定增益不调谐不带AGC。第一变频级为双平衡混频,这也是索尼的常规电路,宽带高放使用平衡混频是必要的,它的电路对称性可以更好的隔离天线干扰和本振谐波进入中放级,为选频创造条件。第一中频为10.7Mhz,混频器入口除了有中周耦合 还有一只10.7Mhz的陷波器防止中频辐射进入变频级。第一本振由三极管振荡锁相环控制,两只场管缓冲分别进入本振和MCU。第二级变频由场管完成内差变频,二本振由晶振产生固定的10.25MHz,此处没有设计微调电容。二中频为450K,经过一级场管放大和村田滤波器后进入芯片16脚进行中放和检波。中放22脚为AGC,遇到强信号时候该脚电压下降,经过差分放大器放大引起预中放管G极输入信号强度衰减 防止阻塞。1019芯片自带单声道功放,在4.5V电压下,驱动0.5W喇叭是足够的,因此该机没有插入前置放大级或者使用独立的功放。在检波鉴频输出与音频放大输入间只插入了电子滤波器优化音质,同时驱动线路输出座作为录音电平。放大后的音频输出经过470u电容后驱动喇叭。
它的所谓存储卡里其实并没有芯片更没有感应线圈。“存储”的奥秘在于它的边缘有几个白色的色块,与机器卡槽内的4个红外传感器相对应,不同卡的色块排列位置不同从而实现了编码。这个红外传感器在一些磁带随身听上也有广泛使用,与齿轮上的黑白相间的图案配合用来监测收带轮的动作与转速,只是随身听用的传感器体积更小。透明的屏幕并非玻璃,它是有机薄膜材质 本质上一个电容矩阵,当触摸不同预设位置时通过该位置电容的改变,MCU便解码出对应的操作。
打理维修
该机与SW55 SW77等机同时期发布,都是用贴片电容工艺,所以漏液是普遍现象,难怪很多二手机都描述声音小甚至不收台。该机一共有18颗贴片电解电容需要更换(包括DCDC屏蔽盒内的一颗),容量为1uf,2.2uf,4.7uf,10uf,22uf,47uf,220uf。更换电容后几乎就可以满血复活,最多需要顺便调整一下短波通道的两个中周确保灵敏度最好。该机声音是典型的索尼风格,可以点击我的视频发布观看。


取下后盖

换电容前

电容漏液

去掉原来的电容

换电容后