SATA接口
固态硬盘开始流行于笔记本电脑上,使用SATA接口,尺寸与笔记本硬盘相同,为2.5英寸。
那个时候,如果台式机需要加装固态硬盘,需要使用硬盘架,将固态硬盘安装在硬盘架上,然后再安装与机箱的3.5英寸盘位上。

图中我们看到较窄的金手指,就是SATA接口,呈L型,防止插反。较长的金手指是电源接口,也是L型。
SATA接口的硬盘,俗称串口硬盘。所谓的串口,意味着数据传输是串行传输,相对于并行传输(多pin同时传输)而言。所以不可认为串口就是这个样子的,目前仍然有很多设备在使用的COM口,也叫串口哦。
SATA接口经历了1.0到3.0的演变,且SATA3.0在当前也有着被淘汰的味道了。

mSATA接口
由于SATA接口比较大,SATA协会后来开发了mSATA(mini-SATA)接口。


M.2接口
为追求更高的速度,Intel开发了新的M.2接口,开始用于超级本上。

M.2接口的固态硬盘有多种尺寸规范,比较流行的是2240、2260、2280和22110,22表示宽度22mm,后面的数字表示长度(mm)。
电脑上的接口通常设计为兼容多种尺寸,购买时需要留意。
M.2 NVMe
这一串字符,是不是已经刷爆电脑爱好者的眼球了?那么NVMe也是一种接口么?答案是No。
NVMe的全称是Non-Volatile Memory Express,是一种非易失性内存控制规范,也就是一种传输协议。
NVMe能够启动多个队列(或者叫通道),在固态硬盘和芯片之间传输数据,从而达到提高传输速度的目的。
下图就是一片M.2 NVMe 规范的金士顿固态硬盘。

图中PCIe又是啥意思呢?
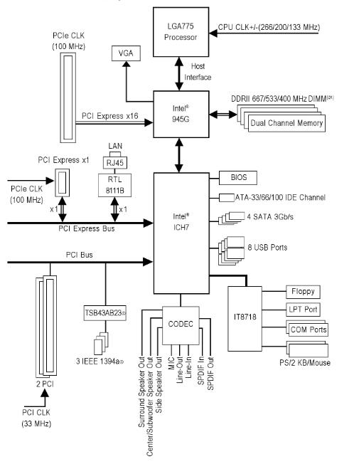
我们先来看一片老主板的设计图,这片主板芯片还是南北桥芯片分离的年代出生的,但不影响我们对关键知识的理解。

在图中,我们看到LGA775针封装规范的CPU插槽,英特尔945G的北桥芯片,以及英特尔ICH7的南桥芯片。我们还能看到PCI Express、SATA等用粗线条连接的地方,这种粗线条连接插槽和芯片组,我们称之为总线(BUS)。
也就是说,硬盘等与主板连接的接口,可以是SATA、PCIe、M.2等形式的接口,但从主板插槽到主板芯片之间,传输数据的总线可以是SATA或PCIe等。
基于这种理解,M.2接口有两种规范,一种是socket2,一种是socket3。前者支持SATA3和PCIe x2的总线接口,后者支持PCIe x4的总线接口。
为了进一步加深对接口协议理解,我们再举个例子。
大伙还记得电脑bios里面硬盘的一个设置项,可选择为AHCI或者ATA了吧?这是SATA接口出现的时候我们经常面临的选择(SATA接口取代IDE接口过度时期),实际意思就是,当你拿到一块SATA接口的硬盘时,可以选择使用AHCI传输协议或者是ATA传输协议。NVMe协议与此类似,只不过没有多余的选项而已。
再进一步可以这样说,M.2接口 NVMe协议的固态硬盘,主板内部可以通过PCIe x4总线与芯片组交换数据,其理论带宽可达到4GB/s。真正能否达到多大速度,取决于固态硬盘所采用的存储介质、主控等因素。
总之,M.2 NVMe的固态硬盘已成当下流行接口,极大提高电脑速度,买新电脑时一定认准哦。固态硬盘的速度,取决于采用什么存储介质、主控、接口。而且不同厂家在设计制造水平上的差异,也导致即便是相同的接口和存储介质,不同品牌之间、同品牌的不同档次之间,速度差异较大。蓝伏豚将努力地把这些复杂专业的内容,转换为简单直接的评分项,让大伙能够以一种简单的方式购买心仪的宝贝。