红外开关是靠感应来控制开启与关闭的,包括 人体感应开关、人体感应灯、 微波感应开关微、波感应灯、无线遥控开关、人体感应开关模块、高频收发模块、家居智能产品。
红外线发射开关原理图一:
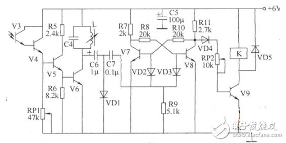
红外感应开关红外感应开关的主要器件为人体热释电红外传感器。人体热释电红外传感器:人体都有恒定的体温,一般在37度,所以会发出特定波长10UM左右的红外线,被动式红外探头就是探测人体发射的10UM左右的红外线而进行工作的。人体发射的10UM左右的红外线通过菲泥尔滤光片增强后聚集到红外感应源上。红外感应源通常采用热释电元件,这种元件在接收到人体红外辐射温度发生变化时就会失去电荷平衡,向外释放电荷,后续电路经检测处理后就能触发开关动作。当有人进入开关感应范围时,专用传感器探测到人体红外光谱的变化,开关自动接通负载,人不离开感应范围,开关将持续接通;
人离开后或在感应区域内无动作,开关延时(时间可调TIME5-120秒)自动关闭负载。红外感应开关感应角度120度,距离7-10米,延时时间可调。

红外线发射开关原理图二:
具有调试简便的红外遥控开关电路

红外接收控制器
调节RP1的阻值,可以改变红外光接收放大电路的灵敏度。调节RP2的阻值,可以改变继电器K动作的灵敏度。
元器件选择
R1~R11选用1/4W碳膜电阻器或金属膜电阻器。
RP1和RP2均选用膜式可变电阻器。
C1、C2和C7选用独石电容器或涤纶电容器;C3、C5和C6均选用耐压值为16V的铝电解电容器
;C4选用高频瓷介电容器。
L用φ0.12mm的漆包线在LHV10骨架上绕530匝后制成。
VD1选用2AP9型锗普通二极管;
VD2、VD3均选用1N4148型硅开关二极管;VD4选用1N4001型硅整流二极管。
VL选用HG401或HG505等型号的红外发光二极管。
V1、V2、V4~V8均选用S9013型硅NPN晶体管;
V3选用3DU5型光敏晶体管;
V9选用S8050或C8050、3DG8050型硅NPN晶体管。K选用JRX-13F型6V直流继电器。
红外线发射开关原理图三:
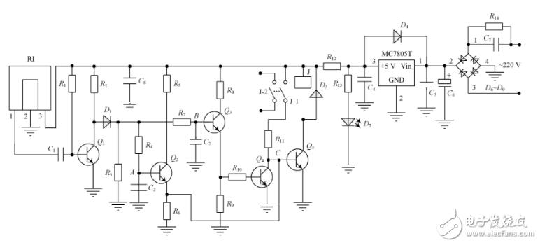
红外线遥控开关电路

红外遥控开关电路由红外接收头(实现红外接收、放大、整形)、信号延时形成电路、继电器控制电路和电源电路等组成。
红外线发射开关原理图四:
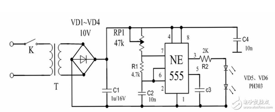
Lm567构成红外自发射自接收的闭环开关电路

该装置采用锁相环单音检测电路LM567构成自发射自接收的闭环控制形式。就是说,把LM567产生的方波电信号调制在红外线光信号上并发射出去,红外线光敏二极管接收该信号,并把其变为电信号,经放大,又被该LM567自身检测。这样,LM567自身的振荡频率与要接收的信号频率永远相同,即使由于某种原因使LM567的振荡频率发生了变化。在一定的频带宽度内,由于LM567只对与自身振荡频率非常接近的信号产生响应,而对其他频率的干扰信号不响应,所以,该装置具有可靠性高、抗干扰性强、安装调试简单的特点。该装置可应用于自动门、自动水龙头、防盗报警、危险区域误入报警、警戒区域侵入报警等控制。
红外线发射开关原理图五:
红外线反射式控制开关电路

红外线发射开关原理图六:
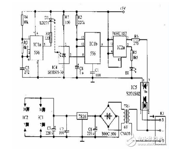
由074hc107构成的红外线反射式电灯开关电路
文章素材来自互联网