本文内容转载自《传感器与微系统》2017年第2期,版权归《传感器与微系统》编辑部所有。
王司东,徐德辉,熊斌,王岳鹏,刘华巍
中国科学院上海微系统与信息技术研究所
摘要:为了实现远距离红外目标的运动和静止状态的识别,设计了基于热电堆红外传感器的红外探测系统,系统包括梯析(GRIN)透镜、微系统(MEMS)热电堆传感器、信号调理电路、数据采集电路和识别算法。探测结果表明:在相同光路系统的情况下,探测系统实现了比热释电系统更远的探测距离,实现了动态目标和静态目标的识别,并基于探测目标温度、辐射面积的区别,实现了人、车辆和其他红外目标的分类识别,可为红外目标的探测识别提供一种新的解决方案。
关键词:热电堆传感器;红外探测;静态识别;分类识别
0 引言
红外探测技术凭借其环境适应性好、隐蔽性好、体积小等优点,广泛应用于红外侦查、防盗报警等领域。目前常用的红外探测技术主要有基于运动特征的方法、基于形状信息的方法、基于人体模型的方法等,采用红外成像设备系统是非常昂贵且计算复杂度高; 然而红外目标的入侵识别应用往往不需要由图像设备提供高分辨率,利用红外传感器对目标辐射特征识别来代替视频追踪,作为价格昂贵的热成像红外设备的替代品是可行的。
现有的红外探测系统大多是基于热释电红外传感器的运动特征识别,其探测系统只能实现红外目标的运动入侵识别,应用领域受到很大局限。
为了实现红外目标入侵探测和静态识别,本文设计了一种基于微系统(MEMS)热电堆红外传感器的红外探测系统,采用梯析(GRIN)透镜会聚目标辐射以提高有效探测距离,利用热电堆传感器探测目标红外辐射,对探测器信号进行小波分解和重构,滤除背景辐射带来的基线漂移,通过多阈值设定实现目标的分类识别。
1 热电堆红外探测器工作原理
热电堆探测器是一种可以对外界红外辐射产生响应的传感器,近10年来,由于微细加工技术的发展进步,MEMS热电堆红外传感器也取得了飞速发展。

一般而言,微机械热电堆红外探测器主要由红外吸收体,绝缘结构和热电堆组成(图1),热结区与红外吸收体相邻,其温度随红外吸收体变化而变化,冷结区与热结区通过绝缘结构隔离,其温度与环境温度保持一致。当红外吸收体吸收外界辐射时,热结区温度升高,而冷结区温度不变,导致热结与冷结温差增大,通过赛贝克效应,热电偶材料将温差转换为电压,故可以通过热电堆两端的输出电压测量外界红外辐射的大小。

图1 MEMS热电堆红外探测器组成结构
2 光学系统
红外辐射能量在大气中传输会存在衰减,GRIN透镜是一种非均匀介质透镜,用来配合热电堆传感器以提高接收灵敏度及扩大探测距离和范围。
GRIN透镜的参数如下:型号为GERMANIUM;焦距为41.2 mm;入瞳直径为21.035 mm;探测角度为4°;厚度为2.55 mm。

图2 GRIN透镜的视场仿真
3 信号调理电路
设计信号调理电路是为了在充分抑制噪声的前提下,实现红外信号的有效放大,同时保证最小的失真,电路设计的好坏对探测器性能的发挥起着关键性作用。设计一个放大调理电路,首先需要对输出信号进行分析,常用比探测率D* 描述探测器的综合性能,定义为

式中NEP为噪声功率密度,S和N为探测器的信号电压和噪声电压,PD为探测器靶面接收的辐射功率密度,A为探测器靶面面积,Δf为放大器带宽(它影响着系统中的噪声)。D*为一个综合反映探测信号、噪声及带宽的指标,D*越大,探测器性能越好。传感器的关键参数:噪声等效功率NEP为

比探测率(D*)为1.5 × 10cm

响应度R为182 V/W;
时间常数Τ为15 ms;
输出电阻R为100 kΩ。
首先确定输出信号的带宽,热电堆探测器输出信号的数学形式为

式中Vt为一定辐照度下探测器的瞬时输出电压,Vmax为一定辐照度下的探测器稳态响应电压,τ为时间常数。对式(3)进行傅里叶变换并取值衰减至10%处为信号带宽,得到探测器输出信号带宽为11 Hz。
其次需要确定探测器本地的噪声,即噪声等效电压。根据探测器的噪声等效功率为

和响应度182 V/W,得到噪声等效电压为

当明确了放大信号的基本特征后,方可进行电路设计,为了满足上述信号放大,选用运放AD8629作为前置放大器,电路实现框图如图3所示,前置放大电路用以对信号低噪声放大,低通滤波器用以限制噪声带宽并进行模/数转换之前的抗混叠滤波,后级放大用以对信号进行二级放大,从而有效利用模/数转换的满量程。

图3 信号调理电路框图
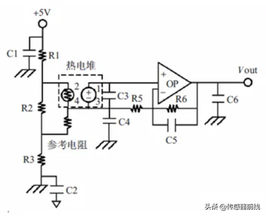
由于热电堆传感器信号微弱且内阻很大,同相比例运算电路具有较高的输入阻抗和很低的输出阻抗,增益不受信号源内阻的影响,不仅能够实现传感器的阻抗匹配,且可以实现传感器微弱信号的拾取。热电堆传感器输出信号受环境温度影响,导致偏置电压,影响目标的识别,采用热电阻作为补偿单元,消除环境温度带来的影响。
模拟低通滤波器的主要作用在于对高斯分布的广谱噪声进行限带滤波,为后级的模/数转换提供抗混叠滤波,为了尽可能减小信号失真,需要滤波器衰减陡度较大,所以采用二阶低通滤波器,截止频率设置为15.9 Hz。在滤波后,为了充分利用后级模/数转换器的满量程,需要进行二级放大,电路总的放大倍数为41 × 201 = 8241倍,热电堆信号由几个微伏量级信号被放大到几十毫伏量级。

图4 前置放大电路
4 信号采集和识别算法
信号采集电路实现框图如图5所示。

图5 信号采集实现框图
通过热电堆探测系统可以实现红外目标的波形采集,如图6所示。

图6 运动和静止信号
观察发现,目标进入探测区域,会产生一定频率的上升沿,目标如果一直存在于视场中,输出会一直保持在高电平,当目标离开探测区域时,会有一个一定频率的下降沿。理想情况下,传感器探测目标的输出应该是一个矩形信号,但是由于背景干扰的影响,传感器的输出存在基线漂移的干扰,如果直接采用阈值识别方法,将会产生很多由于基线漂移带来的误报,影响探测系统的有效识别距离。
针对基线漂移的特性,提出了小波分解与重构的处理方法,将探测器信号x(t)分解成若干本征模函数(intrinsicmode function,IMF)分量,信号x(t)可以表示成

若IMF分量不包含基线漂移的信息,则其均值应该为0,对含有基线成分的IMF 进行小波分解,将频率范围只覆盖基线频率的小波细节置零,然后小波重构获得新的IMF分量,最后进行信号重构就得到消除基线漂移的探测器信号。根据IMF分量的性质,若IMFi不包含基线信息,则其均值应该为0,即应该满足下式

结果如图7所示,线漂移基本上被滤除,通过识别算法可以实现目标运动和静止识别,识别算法如图8所示,识别结果如图7矩形波所示。

图7 小波处理结果与识别结果

图8 识别算法框图
5 系统测试结果分析
对探测系统进行室外测试实验,探测器与目标距离设置为10、20、30、40、50、60 m等,探测方向与目标运动方向垂直,人体目标速度保持在1 m/s,车辆速度保持在10 m/s,为了验证系统的普适性,本文选择了不同的车辆和人员来采集信息,在每一个距离点上各取100组实验数据,取其平均值为信号峰值电压。
从表1中可以看出:同一距离,人员和车辆的峰值电压区别很大,探测系统可以实现人体目标40 m距离的无误报探测,车辆目标的70 m无误报探测,且基于车辆和人体峰值电压的区别来进行分类识别是可行的。
表1探测器系统测试结果

6 结论
基于MEMS热电堆红外传感器的红外探测系统,采用GRIN透镜会聚目标辐射以提高有效探测距离,利用热电堆红外传感器探测目标红外辐射,不仅实现获取探测区域目标的运动入侵探测,且能够实现探测区域内目标的静态识别。实验结果表明: 该探测系统在野外测试条件下,人体目标可以实现40 m远距离探测,车辆可以实现70 m探测,为军事预警防御、智能小区监测等场所的人体以及车辆识别提供了一种低成本、远距离探测的方案。

基于MEMS的热电堆传感器