电能表介绍
电能表,是用来测量电能的仪表,又称电度表,火表,千瓦小时表。电能表按其使用的电路可分为直流电能表和交流电能表。其中,直流电能表是针对直流屏、太阳能供电、电信基站、地铁等应用场合而设计的,该系列仪表可测量直流系统中的电压、电流、功率、正向与反向电能。既可用于本地显示,又能与工控设备、计算机连接,组成测控系统。仪表可具有RS-485通讯接口,采用Modbus-RTU协议.直流电能表家用较少,因为主要用于测量电能,如果是进行一些小制作,需要显示电压电流,那就可以直接买电压表或电流表。下图是某款直流电能表应用的一些场合:

某直流电能表的一些使用场合

某款直流电能表表头的实物接线图
家庭应用更多的还是交流电能表,按其相线可分为单相电能表、三相三线电能表和三相四线电能表。下面是某款智能家用单相表的注解图:

电能表按照安装接线方式可分为:直接接人式和间接接入式(经互感器接入)。
单相电表的直接接入方式

单相表直接接入的接线方式又分为跳入式接线和顺入式接线,在对电度表进行接线之前,需要用 万用表 辨认电能表接线方式:
第一步 ,将万用表打在RX100档,测试万用表电阻档准确性,并进行调零操作;
第二步 ,将两表笔接触电度表1、2接线柱,如果阻值较小,近乎于零,则1、3是进线端,电能表为跳入式接线;如果测得的阻值较大,约为1000Ω,则1、2为进线端,电度表为顺入式接线;

单相表的接线盒一般有接线图,上图为直接接入 跳入式 接线,在接线盒从左到右有4个孔,进户相线经空气开关后接至电表的1孔,零线接第3孔;2孔线、4孔线分别为电源相线和零线的出线应接至负荷;外壳为金属的应接至接地端子。
互感器

上图中用到了互感器,为了便于初学者了解,我们这里先插入一段关于它们的内容,互感器又称为仪用变压器,是电流互感器和电压互感器的统称。能将高电压变成低电压、大电流变成小电流,用于量测或保护系统。其功能主要是将高电压或大电流按比例变换成标准低电压(100V)或标准小电流(5A或1A,均指额定值),以便实现测量仪表、保护设备及自动控制设备的标准化、小型化。所以,互感器还可用来隔开高电压系统,以保证人身和设备的安全。通过使用互感器可以扩大电能表的量程,减少了仪表制造规格。除 直接接入 式电能表外,电流二次回路均已5A为主,电压二次回路均已100v为主。
电流互感器

电流互感器接线
电流互感器上有4个脚和一个圆孔,圆孔是用来穿初级也就是你要检测的电流的导线的,四个脚有两个脚是次级输出脚,另两个脚是固定脚。可用万用表测量一下,有阻值的两脚是输出脚。

电流互感器实物
使用时先将要测的相线穿过互感器,方向是沿着电流的进线方向,对应互感器从P1到P2穿过,P1,P2互感器有标识。P1与SI为同极性端,P2与S2为同极性端,所以有两种情况:如果从P1进,S1端接地;如果从P2进,S2端接地。工作时,它的二次侧回路始终是闭合的,因此测量仪表和保护回路串联线圈的阻抗很小,电流互感器的工作状态接近短路。

电流互感器
电流互感器下部端子,一个接地,一个进入电流表。

看了上图,就可以理解电流互感器所谓的匝数了。
电压互感器
电压互感器是一种小型的降压变压器 ,主要由铁芯、一次绕组、二次绕组、接线端子和绝缘支持物等构成,一次绕组并接于电力系统一次回路中,其二次绕组并联接入了测量仪表、继电保护装置或自动装置的电压线圈,即负载为多个元件时,负载并联后接入二次绕组,且标准额定电压为100V 。由于电压互感器是把高电压变成低电压,所以它的主绕组的匝数较多,二次绕组的匝数较少。

一些电压互感器的外型
电压互感器的几种接线方式分别是:

一个单相电压互感器的接线:这种接线方式在三相线路上,只能测量某两相之间的线电压,用于连接电压表、频率表及电压继电器等。
两个单相电压互感器的V/V形接线:这种接线方式又称不完全星形接线,可以用来测量三个线电压,供仪表、继电器接于三相三线制电路的各个线电压。
三个单相电压互感器接成Yo/Yo:这种接线方式能满足仪表和继电保护装置选用相电压和线电压的要求。在一次绕组中点接地情况下,也可装用绝缘监察电压表。
一台三相五芯柱电压互感器接成Yo/Yo/ ▲(此处应该是开口三角形,只是找不到相应字符):这种接线方式在10kV中性点不接地系统中应用广泛,它既能测量线电压、相电压并能组成绝缘监察装置和供单相接地保护用。接成Yo形的二次绕组称为基本二次绕组,用来接仪表、继电器及绝缘监察电压表;接成(开口三角形)的二次绕组,称为辅助二次绕组,用来连接监察绝缘用的电压继电器。
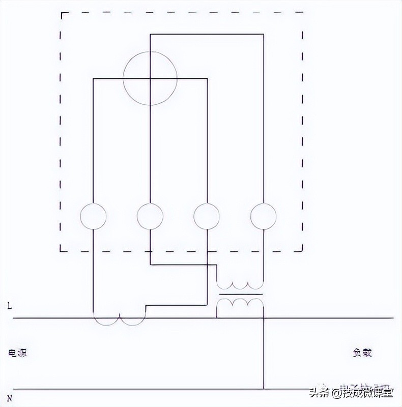
单相电表经互感器间接接入

上图所示的是单相电度表既使用电流互感器又使用电压互感器的接法。维修电工中级题库有这样一道题,简答题画出单相电度表经电流互感器和电压互感器接入电路接线图,答案如下:


上图是家用单相电能表的实物接线图。需要注意的是,接线是互感器的进线和出线不要接反,否则可能使电脑表转盘反转,接后可以测试一下,要求电能表转盘要按照其箭头所指示的方向转动。如下图:


上图是一个双向电能表和单相电能表的实物接线图。这里提到了双向表,两者有什么样的区别呢?双向计量电表电能表就是能够计量用电和发电的电能表。功率和电能都是有方向的,从用电的角度看,耗电的算为正功率或正电能,发电的算为负功率或负电能,该电表可以通过显示屏分别读出正向电量和反向电量并将电量数据存储起来。安装双向电表的原因是由于光伏发出的电存在不能全部被用户消耗的情况,而余下的电能则需要输给电网,电表需要计量一个数字;在光伏发电不能满足需求时则需要使用电网的电,这又需要计量另一个数字,普通单块电表不能达到这一要求,所以使用具有双向电表计量功能的智能电表。 简单说来,就是单相电度表是计量负载用电量;双向电度表是计量反馈到电网的电量。
三相电表接线




以上是某款三相电表的接线示意图,根据具体情况可以进行相应接线。

上图是三相四线的直接接入式实物接线图。

上图是三相实物接线的说明图,其实在电表上面都有关于端子的使用说明,我们根据需要按要求接线就可以,如下图所示:


高压电压互感器和电流互感器的接线图

某款三相电表端子接线说明
出租房电表接线
本文分享的内容只是方便大家学习或了解相关知识,至于电能表在实际生活中可能会相对较少,电力公司的专业人员操作的可能会相对较多,或者一些出租很多房间的房东,可能会对每个房间的长租户配置一块电表,便于合理收取电费。

如上图,房子的总线先过总表,从总表出来再接入各户的分表,总表以上是我们不要去动的,应该是违法的,总表以下,我们可以接入分表,并在分表下面安装空开,以控制分户的供电。现在有很多电子式的电能表专门供这种场景下使用,不仅接线方便,而且甚至支持手机app查电表用量,需要的可以直接去搜索。
声明:本文仅供学习交流分享,版权归原作者所有!优质内容贵在与大家共享,部分图文来源于网络,如有侵权请告知处理。
私信回复:1000,领1000张电气控制电路接线图!