本文由德力威尔王术平原创,转载、引用请注明出处,严禁抄袭和搬运。

目录

摘要
德力威尔王术平在本文中介绍了电容的基本特性、电容的主要作用以及电容的功能分类等电子基础知识,并以实际应用电路为案例,深入浅出地对耦合电容、去耦电容、旁路电容、滤波电容的作用与应用进行了详细分析和讲解,非常适合电子技术爱好者参考学习,帮助大家快速理解和掌握电容的相关基础知识和应用经验,极具实用价值。
前言
学习电子技术的朋友们,经常会在电路中看到许多的电容,在做电路分析时,总是无法正确理解其功能作用,甚至有时候被耦合电容、去耦电容、旁路电容、滤波电容等名称术语搞得稀里糊涂的。在本文中,德力威王术平就带大家一起来学习了解一下电容的基本特性、主要作用、功能分类、应用实例,帮助大家快速理解和掌握电容的相关基础知识和应用经验。
一. 电容器与电容的区别
电容器是一种能够储存电荷的电子元器件。
电容是电容器储存电荷能力的一种度量;表示在每单位电压作用下所储存的总电荷量,用符号C表示,单位是F。
而实际情况是,我们常常习惯性地把电容器简称为电容,这就与电容真正的定义相混淆。所以,我们一定要根据不同的表述语境来区别这两个“电容”的含义。比如:“这颗电容的电容是10uF。” 就应该被理解为:“这颗电容器的电容容量是10uF。”
在本文中,我们也将电容器简称为电容,请大家自行与真正的电容定义进行区分。
二. 电容的基本特性
电容具有如下基本特性:
①电容两端的电压不能突变;
②电容通交流,隔直流;
③电容通高频,阻低频;
④电容电压滞后于电流;
⑤电容刚通电瞬间,相当于短路;
⑥电容的容抗随信号频率升高而降低,随信号频率降低而升高。
二. 电容的主要作用
人们利用电容的基本特性,设计出了许多实际应用电路,实现了很多产品的功能,电容在电路中发挥的主要作用有:耦合、去耦(旁路)、滤波、储能、延时(定时)、降压、谐振、缓冲吸波(RC Snubber)、波形变化(积分、微分、整形)等(注意:有时候,同一个电路中的同一个电容,发挥的作用有多种)。
三. 电容的分类
按照电容在实际电路中发挥的主要作用以及人们的命名习惯,我们把电容分为耦合电容、去耦电容、旁路电容、滤波电容、储能电容、延时(定时)电容、降压电容、谐振电容、吸波电容、积分电容、微分电容等。
需要注意的是:
①连接在不同电路中的电容,有着不同的名字;
②连接在同一个电路中的同一个电容,其名字也不尽相同;
③在某个电路中的某个电容,其发挥的作用可能有多种,那么其名字也可能有多种叫法;
④不同国家地区的人,对电容的习惯叫法也不同。
总之,上述对这些电容的命名分类,主要依据电容在电路中发挥的主要作用以及人们的习惯叫法来分的,所以并不十分严格,我们也不必死扣各种电容的叫法,哪怕把电容的名字称呼错了,也无妨,只要知其原理、会应用即可。
四. 耦合电容(Coupling Capacitor)
4.1 耦合的含义
Coupling,译为连接、耦合。
耦合,在物理学中,指两个或两个以上的体系或运动形式之间通过各种相互作用而彼此影响。如在两个单摆中间连一根线,它们的振动就会发生耦合。

图1-1 光电耦合

图1-2 电磁耦合

图1-3 电场耦合
耦合,在电子学中,表示将能量从一个电路传输(传递)到另一个电路。如通过发光二极管可以把光能传递给光敏三极管(如图1-1)、通过一个电感可以把磁能传递给另一个电感(如图1-2)、通过一个电容可以把电能从电容的一端传递到电容的另一端(如图1-3),以上能量的传递,皆可称为耦合。
电容耦合:通过电容将交流信号的能量从一个电路传递到另一个电路。这是一种能量耦合方式,其他的能量耦合方式还有电感耦合、光耦耦合、导线耦合等耦合方式。
耦合电容:将交流信号的能量从一个电路传递到另一个电路的电容。
4.2 耦合电容的作用
利用电容通交流,隔直流;通高频,阻低频的基本特性,我们将电容串联在电路的前后级中间,那么,串联在前级电路与后级电路中间的耦合电容,可以将我们需要的交流信号从前级电路近似无衰减地耦合到后级电路,将我们不需要的直流信号进行去耦(隔断)。

式中,Xc为容抗,单位是Ω;π为圆周率;f为信号频率,单位HZ;C为电容容量,单位是F。
根据容抗公式(式1-1)可知,在信号频率f一定的情况下,电容取值越大,容抗越小,对信号的阻碍衰减就越小,耦合效果就越好;电容取值越小,容抗就越大,对信号的阻碍衰减就越大,耦合效果就越差。
如果在我们需要的交流信号(有用信号)中叠加了我们不需要的交流信号(噪声信号)时,参数得当的耦合电容,可以对低于有用信号频率的低频噪声进行阻碍衰减,降低干扰(无法消除);而对于高于有用信号频率的高频噪声,耦合电容无法对其进行有效阻碍和衰减;要想消除干扰,需要在耦合电容的前级电路或后级电路中加入适当的滤波电路(比如高通、低通以及带通等)。
4.3 耦合电容应用举例

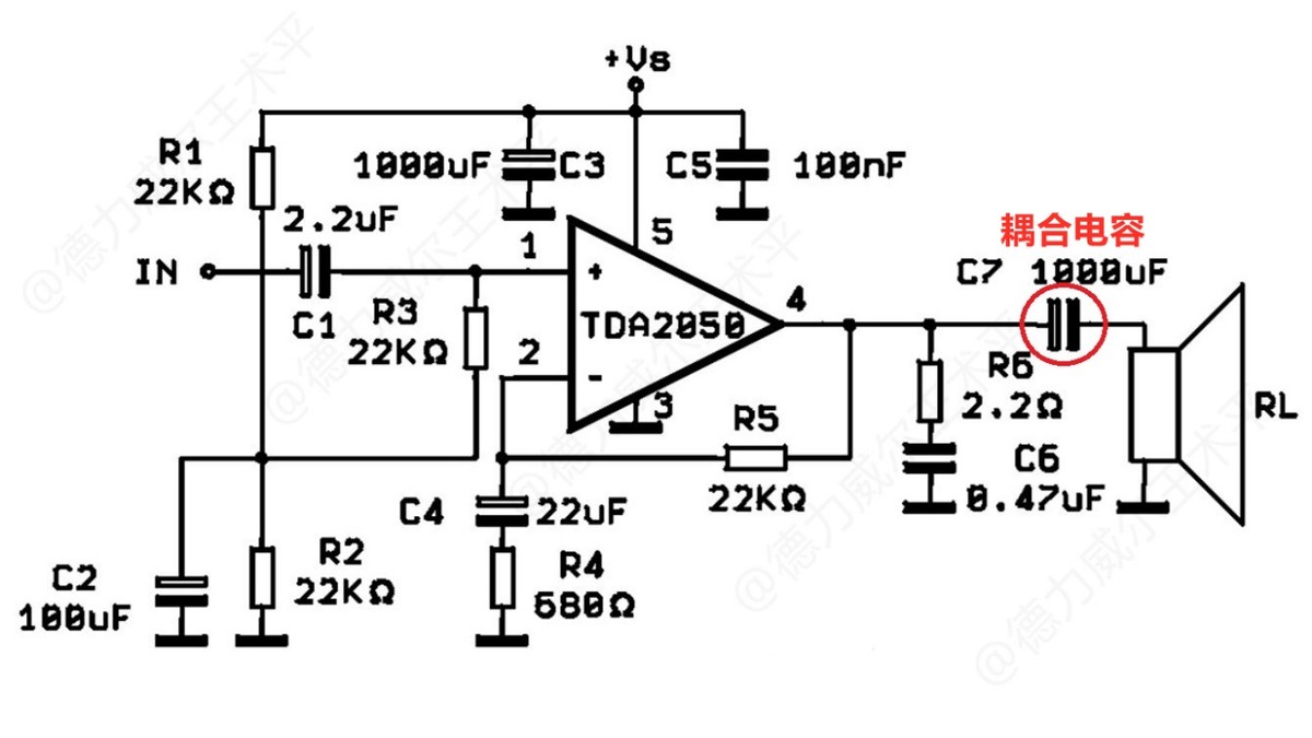
图1-4 音频功放输出电路中的耦合电容
在图1-4中,运放输出端为前级电路,扬声器为后级电路,电容C7串接在前后级之间,起到隔断偏置直流信号,耦合交流音频信号的目的。人耳能听到的声音频率在20Hz~20KHZ之间,根据式1-1,可计算出音频通过C7的阻抗为7.96Ω~0.008Ω。可见,音频信号频率越低,耦合电容阻抗就越高,衰减就越大;音频信号频率越高,耦合电容阻抗就越低,衰减就越小。
五. 旁路电容(Bypass Capacitor)与去耦电容(Decoupling Capacitor)
5.1 旁路与去耦的含义
Bypass,译为旁路、绕过、避开。
Decoupling,译为去耦、解耦、退耦。
旁路,在电子学中,表示提供一个比原来传输路径阻抗更低的新路径,让能量绕开原来的高阻抗路径,从新的低阻抗路径传输。
去耦,在电子学中,表示不让能量通过一个电路传递到另一个电路。
起旁路作用的电容我们称之为旁路电容,起去耦作用的电容我们称之为去耦电容。
5.2 旁路与去耦的异同
我们比较一下旁路和去耦的异同,相同点是:都表示阻止不期望的信号从一个电路传输到另一个电路。不同点是:旁路,有低阻抗的新路可走,就不走高阻抗的老路了,所以,不期望的信号另走他路了,阻断其向后级传输;去耦,老路阻抗无穷大,走不通,又无新路可走,不期望的信号被直接阻断。
其实旁路和去耦意思近似,都表示滤除不期望的信号。所以,很多国内外文献资料对旁路和去耦的概念没有严格区分,去耦和旁路的称谓可以互换,去耦可被称为旁路,旁路又可被称为去耦,随人们的习惯而已。因为它们的本质都是“不让能量通过一个电路传递到另一个电路”。
所以,人们出于习惯,有的把旁路电容称之为去耦电容,有的则把去耦电容称之为旁路电容。
有人是这样区分旁路和去耦的:“对于同一个电路来说,旁路(bypass)电容是把输入信号中的高频噪声作为滤除对象,把前级携带的高频杂波滤除,而去耦(decoupling,也称退耦)电容是把输出信号的干扰作为滤除对象。” 对于此种说法,不必采信,不然,会把你绕晕的。比如LDO芯片电源输入脚的电容我们习惯叫旁路电容,而单片机电源输入脚的电容我们习惯叫去耦电容;另外,同一个电容,有时候既能滤除前级输入的干扰,又能滤除后级反向输入的干扰,那该怎么叫?现在,你是不是觉得有点晕?笔者认为,既然要严格区分旁路和去耦的话,就按如下规则区分:直接阻断不期望的信号叫去耦,通过低阻抗路径滤除不期望的信号以达到阻断原来路径的目的叫旁路。
在本文中我们称旁路电容或去耦电容均可。
5.3 去耦(旁路)电容的作用

图1-5 去耦(旁路)电容
利用电容通交流,隔直流;通高频,阻低频的基本特性,我们将电容靠近后级电路并与之并联(如图1-5),那么,这个并联的电容,就是去耦(旁路)电容,其主要作用如下三点:
(1)旁路前级电路输入的高频交流信号(噪声),阻碍其传输到后级电路,让直流或低频信号通过,起到去耦噪声,滤除干扰的目的。
(2)旁路后级电路反向输出的高频交流噪声(电源和地噪声),阻碍其传输到前级电路,起到去耦电源和地噪声,滤除干扰的目的。其原理如下:
如果前级供电路径的ESR和ESL较大,当而后级负载电路用电电流变化的时间快和变化的幅值较大时,即△i/△t 结果越大时,前级供电路径的等效阻抗Z就越大,就无法满足后级负载的高频突变电流之用电需求,从而导致在负载的电源输入端产生轨道塌陷(电源噪声)以及在负载的地输出端产生地弹(地噪声),既造成负载本身无法正常工作,又使负载的电源噪声和地噪声通过后级电路反向传输到前级网络,给整个电路造成电磁干扰。
紧靠负载并与之并联的去耦电容,缩短了与负载电源和地之间的路径,减小了ESR和ESL,等效阻抗Z就随之减小,去耦电容存储的电荷就能实时满足负载的高频突变电流之需求,就不会产生电源噪声和地噪声,从而提高电源完整性,保证负载正常工作,并抑制电磁干扰。
(3)为后级电路储能稳压。当前级电路出现电压暂降、短时中断以及电压渐变时,由该电容上存储的电荷继续为后级电路供电,起到稳定电压的作用;另一方面,正是由于该电容具有储能的作用,才能满足后级电路的瞬时突变电流之用电需求,原理和上述第(2)条相同。
由此可见,去耦电容具有去耦、旁路及储能作用。
5.4 去耦(旁路)电容应用举例
5.4.1 三端电压调节器中的去耦(旁路)电容

图1-6 三端调节器中的去耦(旁路)电容
图1-6中的输入电容,我们习惯称之为旁路电容(也可叫去耦电容),既能滤除来自电源输入端的交流噪声,又能滤除来自芯片内部反向输出(倒灌)的电源噪声,同时也为芯片储能。
图1-6中的输出电容,我们习惯称之为滤波稳压电容(也可叫去耦电容),起到平滑输出纹波,稳定电压的作用,同时为后级电路存储能量,以满足后级电路的瞬时突变电流之用电需求。
5.4.2 音频功放电路中的去耦(旁路)电容

图1-7 音频功放电路中的去耦(旁路)电容
图1-7中的电容作用如下:
C1:习惯称之为交流耦合电容,又可称之为直流去耦电容;其其作用是通交流,隔直流;
C5、C3、C4、C6:习惯称之为旁路电容,又可称之为去耦电容。C5、C6 Bulk电容滤低频噪声,同时存储较多的能量;C3、C4小电容滤高频噪声,同时存储较少的能量。
C2:习惯称之为交流耦合电容,又可称之为直流去耦电容,形成交流负反馈电路,从而放大交流信号。
C7:RC Snubber电路中的缓冲吸收电容,用它来降低谐振频率,降低谐振Q值,降低振荡电压,起到稳定频率,抑止高频谐振,吸收瞬态尖峰电压的作用。
5.4.3 三极管放大电路中的旁路(去耦)电容

图1-9 三极管放大电路中的旁路(去耦)电容
图1-9中的CE为旁路电容,其隔直通交的基本特性起到了稳定直流工作点、提高交流放大增益的作用。
稳定直流工作点:直流静态工作电流从RE流过,形成负反馈,稳定直流工作点。如果温度升高,放大倍数β将增大,IC电流将增大,IE电流就增大,IE流经RE产生压降Ue增大,Ub不变,Ue升高,Ube减小,IC就减小,从而稳定IC;如果温度降低,放大倍数β减小,IC电流减小,IE电流就减小,IE流经RE产生压降Ue减小,Ub不变,Ue减小,Ube就增大,IC就增大,又稳定IC。直流放大倍数β=RC/RE,直流放大倍数受到了衰减,但稳定了工作电流。
提高交流放大增益:交流信号近乎无衰减通过CE到地,不会在RE上形成负反馈,所以IE不会受到衰减,从而提高了三极管的交流增益。
关于旁路电容CE得取值,使交流信号流过CE的感抗Xc小于等于电阻RE的1/10即可。
5.4.4 微处理器电源引脚上的去耦(旁路)电容

图1-9 手机基带芯片电源引脚去耦(旁路)电容群
图1-9红框中,由不同大小的电容组成了去耦电容群。大电容(Bulk Capacitor)主要起到滤低频噪声和储能作用;小电容主要起到滤高频噪声的作用,这个高频噪声也许是电源到芯片,更多的是芯片反向输出的电源噪声。不同大小容量的电容并联,可以滤除不同频率段的噪声,增加了滤波的带宽,另外,多个电容器并联,电容的ESL和ESR越并越小,高频滤波效果就越好。
设计去耦电容群,是手机、平板等大功率MPU电源供电设计的通用手法。
六. 滤波电容(Filter Capacitor)
6.1 滤波的含义
滤波,通俗来讲就是对波形进行过滤和选择。一个波形是由一种或多种频率成分构成的(由傅里叶级数展开可知),滤波就是去除其中某些频率成分,不让其通过,保留某些频率成分并让其通过。
在电源网络中的滤波电容我们习惯称之为滤波稳压电容,例如整流电压输出滤波、开关电源输出滤波、LDO调节器输出滤波等。
在信号网络中的滤波电容我们习惯称之为滤波选频电容,例如低通滤波、高通滤波、带通滤波、带阻滤波等。
6.2 滤波电容的应用举例
6.2.1 整流电路中的滤波稳压电容

图1-10 桥式整流电路中的滤波稳压电容
图1-10中的滤波电容,主要作用是将整流二极管输出的单向脉动直流电压进行平滑滤波,使电压更稳定,同时存储能量,以满足后级负载实时瞬态用电需求。
6.2.2 开关电源中的滤波稳压电容

图1-11 开关电源中的滤波稳压电容
图1-11中的滤波电容,主要作用如下三点:
①平滑电感输出的脉动直流电压,滤除纹波,使电压更稳定。
②为调节器提供一个稳定的Feedback回路,抑制反馈噪声,使调节器根据负载变化做出的调节响应更实时、更精准,使输出电压更加平稳、精准。
③存储能量,实时满足后级负载瞬态用电需求。
6.2.3 LDO电路中的滤波稳压电容

图1-12 LDO电路中的滤波稳压电容
图1-12中的输出电容就是滤波电容,其主要作用是平滑调节器输出纹波、滤除交流噪声、稳定电压,同时为后级电路存储能量,满足后级负载突变电流用电需求。LDO内部根据输出电压的变化实时动态调节输出,以满足负载用电需求,所以内部也会产生细小纹波,通过输出电容将其平滑、滤除,从而稳定电压。
6.2.4 音频功放电路中的滤波选频电容

图1-13 音频功放电路中的滤波选频电容
图1-13中的R1、C7组成低通滤波电路,滤除高频噪声,通过低频噪声;C4、R3组成高通滤波电路,滤除低频,通过高频;低通电路和高通电路组成一个带通电路。
6.2.5 手机射频功放电路中的滤波选频电容

图1-13 手机射频功放电路中的滤波选频电容
图1-13中红框里面是π型低通滤波电路,并联的电容就是滤波电容,其作用是,将右边输入的高频信号滤除,让低频信号通过π型滤波器进入左边的射频功放,实现滤波选频的功能。
图中π型滤波器的截止频率可以用如下公式计算:

式中,fc为截止频率,单位是HZ;π为圆周率;L为电感,单位是H;C为两个并联电容的和,单位是F。
在已知负载阻抗和截止频率的情况下,可以根据如下公式计算电感和电容的值:

式中,L为电感(如果是T型滤波器,L为两个电感的和),单位是H;Ro为输出阻抗,单位是Ω;π为圆周率;fc为截止频率,单位是Hz。

式中,C为电容(如果是π型滤波器,C为两个电容的和),单位是F;Ro为输出阻抗,单位是Ω;π为圆周率;fc为截止频率,单位是Hz。
结语
电容器是一种最常见的电子无源器件,在电路中应用非常广泛。本文仅对耦合电容、旁路电容、去耦电容及滤波电容做了详细介绍,供大家参考。
关于储能电容、延时(定时)电容、降压电容、谐振电容、缓冲吸波(RC Snubber)电容、波形变化(积分、微分、整形)电容等相关内容,德力威尔王术平将在后期的技术文章中陆续更新。
本文由德力威尔王术平原创,转载、引用请注明出处,严禁抄袭和搬运。