阅读完,如果觉得有用,那么点击"关注"和点赞是对作者的一种尊重和鼓励。版权所有,抄袭必究!
很多年前,我写了一本关于Pro/ENGINEER的实例教程《PRO/ENGINEER WILDFIRE 4.0完全实例解析》,以下内容为第10章的10.1节工程图案例——弹簧托盘工程图设计(入门案例)。想学好PROE或CREO的,可以参考本案例进行练习。有不懂,或者有更好案例提供的,可以关注并私信我,谢谢。
10.1 弹簧托盘工程图设计
该应用实例的实体模型——弹簧托盘如图10-1所示。

图10-1 弹簧托盘的实体模型
知识点:新建绘图文件、修改绘图比例、插入一般视图、设置剖视图、显示或拭除尺寸、修改文本样式、填写标题栏等。
具体的步骤如下:
步骤1:〖新建绘图(工程图)文件〗
1)在工具栏上单击"新建"按钮,弹出"新建"对话框。
2)如图10-2所示,在"类型"选项组中选择"绘图"单选项,在"名称"文本框中输入TSM_10_1;单击"使用缺省模板"复选项,以取消使用缺省模板;单击"确定"按钮。

图10-2 "新建"对话框
3)在出现的"新制图"对话框中,选择TSM_10_1.PRT为缺省模型。在"指定模板"选项组中选择"格式为空"选项;在"格式"选项组中,单击"浏览"按钮,选择附书光盘中的TSM_A3.FRM文件,如图10-3所示。

图10-3 "新制图"对话框
4)单击"确定"按钮,进入工程图设计模式,此时调用TSM_A3.FRM中的图框,如图10-4所示。

图10-4 图框
步骤2:〖修改绘图比例〗
1)在绘图区域的左下角双击"比例:1.000",如图10-5所示。

图10-5 双击要修改的项目
2)在如图所示的框中输入比例值为5,单击"接受"按钮。

图10-6 输入绘图比例
步骤3:〖插入一般视图〗
1)单击"创建一般视图"按钮,或者从菜单栏中选择"插入"→"绘图视图"→"一般"命令。
2)在图框中的合适位置,选择绘制视图的中心点,此时插入的视图和出现的"绘图视图"对话框如图10-7所示。

图10-7 插入视图
3)选择"视图显示"类别,接着在"显示线型"列表框中选择"无隐藏线"选项,其它选项缺省,单击"应用"按钮,如图10-8所示。

图10-8 设置以"无隐藏线"显示
4)选择"视图类型"类别,在"模型视图名"选项组的列表中选择"FRONT",单击"应用"按钮。
5)选择"剖面"类别,在"剖面选项"组中选择"2D截面",如图10-9所示,

图10-9 指定剖面选项
6)单击"将横截面添加到视图"按钮,弹出如图10-10所示的"剖截面创建"菜单。

图10-10 菜单管理器
7)选择"平面"→"单一"→"完成"选项。
8)输入剖截面的名称为A,单击"接受"按钮。
9)出现如图10-11所示的菜单,然后在层树上展开01_PRT_DEF_DTM_PLN,并在“在TSM_10_1.PRT中”分层中,单击方(FRONT),如图10-12所示。

图10-11 设置平面

图10-12 选择基准平面
10)单击"应用"按钮,如图10-13所示。

图10-13 设置剖面显示
11)在"绘图视图"对话框上,单击"关闭"按钮。
12)单击"基准平面开/关",从而设置不显示基准平面。此时的工程图如图10-14所示。

图10-14 插入的剖面图
步骤4:〖拭除剖面注释〗
1)在视图中单击注释"剖面 A-A",然后单击右键,从如图10-15所示的菜单中选择"拭除"选项。

图10-15 选择"拭除"命令
2)单击"重画当前视图"按钮。
步骤5:〖显示尺寸〗
1)单击"显示/拭除"按钮,打开"显示/拭除"对话框。
2)在对话框中,单击"显示"按钮;在"类型"选项组中选中"尺寸"按钮,如图10-16所示。

图10-16 指定显示尺寸
3)单击"层"按钮,将导航区切换到模型树的显示状态,如图10-17所示。

图10-17 模型树
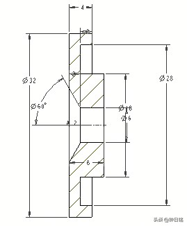
4)在导航区的模型树中,分别单击"旋转1"、"旋转2"和"旋转3"特征,那么此时在工程视图中显示(常称自动标注)出这三个特征的所有尺寸,如图10-18所示。

图10-18 显示尺寸
步骤6:〖显示轴线〗
1)在"显示/拭除"对话框上,选中"轴"按钮。
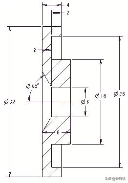
2)在模型树上,单击"旋转1"特征的节点,则在视图中显示出中心轴线,如图10-19所示。

图10-19 显示中心轴线
3)单击鼠标中键。
4)此时"显示/拭除"对话框如图10-20所示,即系统自动打开对话框上的"预览"选项卡,"选取移除"按钮处于被选中的状态。在本例中,没有要移除的项目等,故直接单击"接受全部"按钮。

图10-20 "预览"选项卡
5)单击"关闭"按钮,此时,工程视图如图10-21所示。

图10-21 显示尺寸和中心轴线
步骤7:〖调整相关尺寸的放置位置〗
选中要调整位置的尺寸,然后将其拖动到预定的合适位置,使图面更加简洁、美观,如图10-22所示。

图10-22 调整尺寸的位置
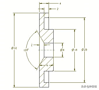
步骤8:〖反向箭头〗
1)在视图中选中如图10-23所示的尺寸,接着单击鼠标右键,并从出现的快捷菜单中选择"反向箭头"选项。

图10-23 反向箭头
2)同样的方法,选择视图中另一个数值为2的尺寸,单击鼠标右键,并从出现的快捷菜单中选择"反向箭头"选项。
对上述两处箭头进行反向设置后的效果,如图10-24所示。

图10-24 反向两处箭头后的视图
步骤9:〖拭除尺寸〗
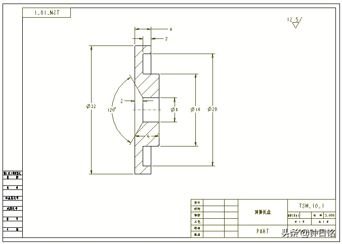
1)在视图中选择角度尺寸,接着右击,出现快捷菜单。
2)选择"拭除"选项。此时的视图如图10-25所示。图中并调整了一处数值为2的尺寸。

图10-25 拭除尺寸
步骤10:〖手动标注尺寸〗
1)单击"使用新参照创建标准尺寸,也称手动标注尺寸"按钮。
2)在出现的如图10-26所示的菜单中,选择"图元上"选项。

图10-26 指定依附类型
然后在视图中分别单击如图10-27所示的两条边。

图10-27 选择要标注角度尺寸的两参照线
3)在要放置该角度尺寸的位置处单击鼠标中键,创建的角度尺寸如图10-28所示。

图10-28 创建角度尺寸
4)在"依附类型"菜单中选择"返回"选项。
步骤11:〖填写标题栏〗
1)在如图10-29所示的位置处双击。

图10-29 双击要填写的单元格
2)在如图10-30所示的文本框中,输入"弹簧托盘"四个字,单击"接受"按钮。

图10-30 输入视图名称
填写好视图名称的标题栏如图10-31所示。

图10-31 填写视图名称
步骤12:〖插入粗糙度〗
1)从菜单栏中,选择"插入"→"表面光洁度"选项,打开如图10-32所示的"得到符号"对话框。

图10-32 "得到符号"对话框
2)选择"检索"选项,出现"打开"对话框,从machined文件夹中选择standard1.sym,如图10-33所示,单击"打开"按钮。

图10-33 选择用户符号文件
3)在出现的"实例依附"菜单(如图10-34所示)中,选择"无引线"选项。

图10-34 "实例依附"菜单
此时出现如图10-35所示的菜单,接受默认的"选出点"选项。

图10-35 "获得点"菜单
4)在图框图纸的右上角位置单击,以选择放置位置。
5)在如图10-36所示的文本框中输入12.5,单击"接受"按钮。

图10-36 指定粗糙度
6)在"获得点"菜单上选择"退出"选项,接着在"实例依附"菜单中选择"完成/返回"选项。
插入的粗糙度如图10-37所示。

图10-37 插入粗糙度
步骤13:〖修改文本高度〗
1)单击刚插入的粗糙度,然后对着其右击,出现如图10-38所示的快捷菜单,选择"文本样式"选项。

图10-38 选择"文本样式"选项
2)打开如图10-39所示的"文本样式"对话框,在"字符"选项组中将高度值设置为0.25。

图10-39 "文本样式"对话框
3)单击"应用"按钮。
4)单击"确定"按钮。
5)使用同样的方法,将标题栏中填写的视图名称"弹簧托盘"的文本高度修改为0.5。
最终修改好文本高度的工程视图如图10-40所示。

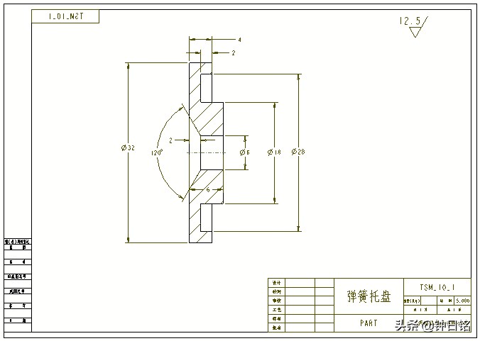
图10-40 完成的工程视图
说明:当常用工具栏上的"禁止使用鼠标移动绘图视图"按钮处于按下(下凹)状态时,绘图视图被锁定,不能使用鼠标来移动绘图视图;此时若要调整绘图视图的位置,可以单击"禁止使用鼠标移动绘图视图"按钮,然后使用鼠标来将绘图视图拖动到合适位置。
作者:钟日铭,桦意设计创始人,CAD类(包含Creo、Pro/ENGINEER、AutoCAD、UG NX、CAXA、Mastercam等)畅销书作者,"机械工业出版社60周年最具影响力作者"获奖者,"青云计划"得奖者,第19届中国专利优秀奖获奖者,喜欢设计。
作者编著有以下关于Proe/Creo的专业图书,有兴趣的可以单击以下京东链接进行购买,谢谢!
1)Pro/ENGINEER Wildfire5.0从入门到精通(第2版 附光盘):https://item.jd.com/10060297.html
2)Creo 4.0曲面造型设计从入门到精通:https://item.jd.com/12365339.html?dist=jd#crumb-wrap
3)Creo 4.0中文版完全自学手册(第2版):https://item.jd.com/12094477.html?dist=jd#crumb-wrap
4)Creo 4.0钣金件设计从入门到精通 第2版:
https://item.jd.com/12134641.html?dist=jd#crumb-wrap
5)CAD/CAM/CAE工程应用丛书-Creo 3.0从入门到精通:https://item.jd.com/11609360.html?dist=jd
6)Creo 3.0机械设计实例教程:https://item.jd.com/11684833.html?dist=jd
大家对设计和CAD学习及应用什么好的想法和建议,欢迎提出来跟我一起交流。谢谢。欢迎常来我的*今条头日**号看看。