
一、西普STR软启动器一台控制两台电动机线路
用一台软启动器控制两台电动机,并不是指同时开启两台电动机,而是开一台,另一台作备用。

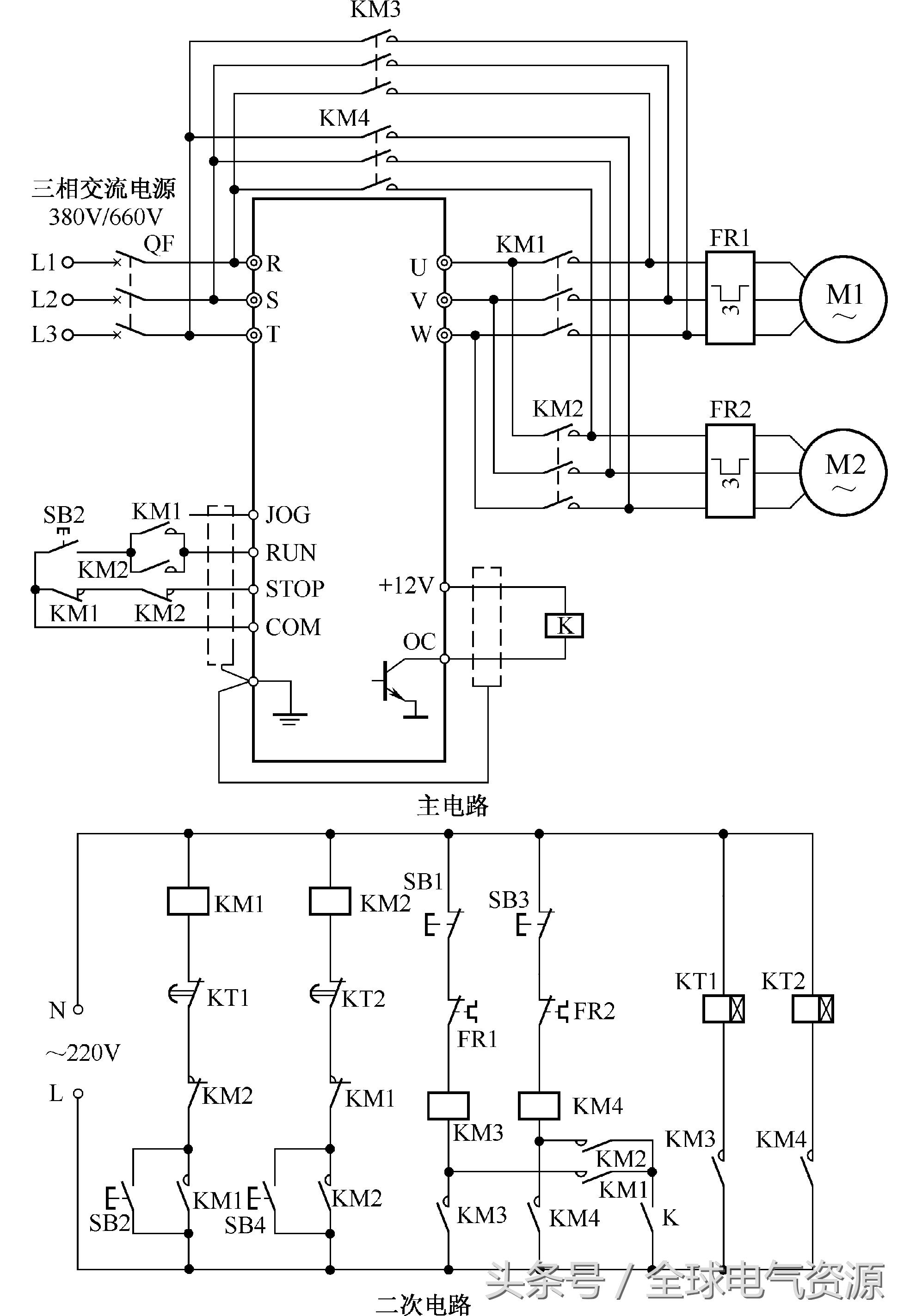
图1西普STR软启动器一台控制两台电动机线路
此例是电动机一开一备,这就需要在软启动器外另接一部控制线路(见图1,也叫二次电路)。S为切换开关,S往上,则KM1动作,为启动电动机M1做准备,指示灯HL1亮,HL2灭;往下则KM1不工作,KM2工作,指示灯HL2亮,HL1灭。西普STR软启动器一台控制两台电动机线路如图1所示。

图1西普STR软启动器一台控制两台电动机线路(续)
电动机工作之前,需根据需要切换开关S,然后在STR的操作键盘上按动RUN键启动电动机,按动STOP键则停止。JOG是点动按钮,可根据需要自行设置安装。
二、西普STR软启动器一台启动两台电动机线路
西普STR软启动器一台启动两台电动机线路如图2所示。先操作二次电路,让KM1吸合,为启动M1做好准备,然后按下启动按钮SB2。因为只有KM1吸合后,SB2才有效。在KM1吸合后,旁路接触器KM3吸合,时间继电器KT1开始延时,延时结束后,KT1常闭触点断开,切断KM1。至此,由旁路接触器KM3为M1供电,而STR软启动器已退出运行状态。用上述同样方法启动M2。按下二次电路中的SB1、SB3则M1、M2停止运行。

图2西普STR软启动器一台启动两台电动机线路
三、BCK箔式绕组磁控式电动机软启动器线路
BCK箔式绕组磁控式电动机软启动器是一种交流异步电动机软启动装置,可减轻电动机启动时对电网的冲击扰动,降低对电网容量的要求。它采用继电器、可编程序控制器(PLC)或单片机控制系统,实现对异步电动机启动过程和运行方式的手动与自动集中和就地控制,具有低耗节能、适应重载启动等优点。BCK箔式绕组磁控式电动机软启动器线路如图3所示。

图3 BCK箔式绕组磁控式电动机软启动器线路
BCK箔式绕组磁控式电动机软启动器与电子式软启动器的主要区别在于,用无反馈箔式绕组磁放大器(也称可控电抗器)取代晶闸管作为主线路执行单元。它实现了磁电器件对磁电设备(电动机)的控制,使两者的抗过载能力处于同一水平,大幅度地提高了整机的可靠性和启动成功率;变晶闸管的斩波调压为磁控限幅调压,输出电压波形为正弦波,有效地抑制了电压波形畸变和高次谐波对电网的污染,而且大大简化了整机结构;此外,主线路与控制线路之间只有磁路的联系而无线路的直接联系,只需要控制直流励磁的变化即可实现软启动的功能。
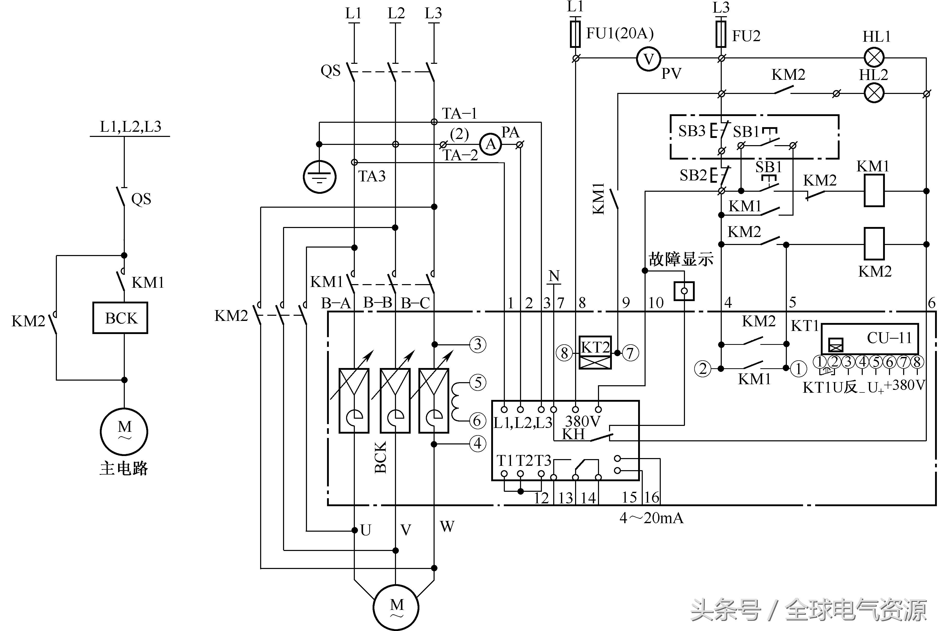
四、常熟CR1系列电动机软启动器带旁路接触器线路
CR1-30~CR1-450电动机软启动器线路如图4所示。图中QF为断路器;FU1为快速熔断器;KM1、KM2为交流接触器,其中KM2为旁路接触器;SB1为启动按钮,SB2为软停按钮,SB3为电动机急停按钮,SB4为控制电源复位按钮;HL1为电源指示灯,HL2为旁路指示灯,HL3为故障指示灯。
当合上断路器QF,HL1点亮,表明电源接通。按动SB1,KM1闭合,软启动器工作,电动机M软启动,转速逐渐上升。当M转速到达额定值时,KM2自动闭合,将软启动器内部的主线路(晶闸管)短接,从而使晶闸管等不致长期工作而发热损坏。工作完毕,按动SB2使KM2关断,软启动器实现M软停车(逐渐减速)。若是线路或M发生事故,按动SB3,M则紧急停止运转。在事故停止时,HL3点亮;M运转时HL2点亮。

图4常熟CR1系列电动机软启动器带旁路接触器线路
五、雷诺尔JJR5000系列智能型软启动器线路
JJR5000系列智能型软启动器的接线线路如图5所示。JJR5000系列智能型软启动器有以下特点:
①JJR5000系列智能型软启动器适用于交流380V(50Hz)、5.5~600kW各种负载的笼型电动机。
②3种启动方式:电压斜坡启动方式可得到最大的输出转矩,恒流软启动方式可得到最大的限制启动电流,重载启动方式可输出最大的启动转矩。
③停止方式包括电压斜坡软停止方式及自由停止方式。
④具有可编程延时启动方式、可编程连锁控制及可编程故障接点输出功能。
⑤对输入电源无相序要求。
⑥启动时间、停止时间均可编程修改。
⑦具有多种保护功能,对过电流、三相电流不平衡、过热、缺相、电动机过载等进行保护。

图5雷诺尔JJR5000系列智能型软启动器线路
★
来源于《电工实用线路300例》,作者:王兰君
版权归原作者所有,若有侵权,请联系删除
★
看完文章后,您可以:
1、分享到朋友圈,把正能量传递给更多的人!
2、关注微信公众号:全球电气资源(ID:qqdqzy888)或我们的官方网站(www.ourger.com)获取更多有用电气专业知识、图纸、计算软件及资讯。

猜你喜欢:
双控开关改其中一路为单控的接线和配对
电工福利:电器实物接线图,超全超实用!
六种建筑、楼房装修布线接线图
电流互感器和电表的接线方法
单相电动机正反转接线,给电工们补一课!