物理是初中阶段必学的一门学科,很多同学都对它感到头疼。特别是到了初三阶段,学习到欧姆定律这一块,就更加困扰了。欧姆定律是中考必考点,题型具有一定难度,在试卷中占分也是比较大的。如果在学习过程中不将其啃透,物理要想考高分就是一件很困难的事情。
接下来,徐老师就给大家讲解几道欧姆定律的经典题型。
建议收藏,反复查看!

欧姆定律诠释了
电流、电压、电阻三个物理量的定量关系
该实验分为两部分
一是电流与电压的关系
二是电流与电阻的关系。
本次主要探究I与R的关系。
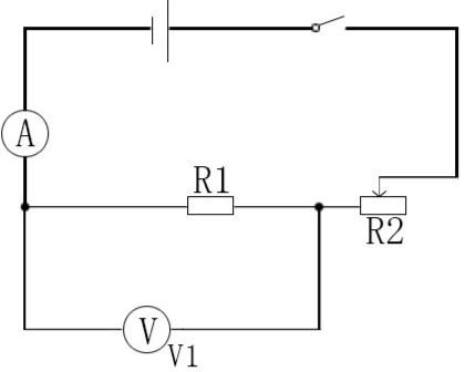
电路图

知识点
①图象


② 结论:当电压一定时,电流与电阻成反比。
解题思路
题中会准备多个阻值不同的定值电阻用于更换。
若更换阻值大的电阻时,
为了使定值电阻两端电压保持不变,
滑动变阻器发挥作用,往阻值大的地方调。
总结出换大调大的思想。
解题公式


解题模板
(1)为了完成整组实验,滑动变阻器至少为多少Ω ?
【根据调大换大的思想】


(2)预设电压值的取值范围
【定制电阻两端电压小,则滑动变阻器最大】
【定制电阻两端电压大,则滑动变阻器最小】
别忘了考虑电流、电压的安全






(3)电源电压的取值范围




例1 、为探究导体中的电流与电阻的关系,老师提供的器材有:电源(电压恒为3V),电流表、电压表和开关各一个,五个定值电阻(5Ω、10Ω、15Ω、20Ω、30Ω,50Ω),滑动变阻器(规格“20Ω,1A”),导线若干。

(1)请用笔画线代替导线,在图中把电路连接完整。
(2)实验中,器材完好,当移动滑动变阻器的滑片,电压表指针偏转正常,但电流表指针都几乎不偏转,无法读数,原因可能是
(3)电路连接无误后,闭合开关,小明先后将5Ω和10Ω的电阻分别接入电路,移动滑片P进行了二次实验,数据如图表格所示。小明紧接着再将20Ω的定值电阻替换10Ω的电阻后,直接读出电流表示数示为
(4)为了使实验能继续顺利进行,小明还可以使用的定值电阻有
(5)为了能使5个电阻都能得到实验数据,说出两个可操作的方案:
【解析】
(1)第一题很简单,答案在下面。
我们要注意的就是电压表“+”进“-”出;

(2)第二题答案是R断路
这一道题
可以考虑电流表示数为0时,
说明电路可能断路;
而电压表偏转正常说明内部发生断路。
(3)

(4)

(5)第一空:
应该选取最大阻值至少为25Ω的滑动变阻器;
第二空:
电压表控制的电压至少为2.14V;
根据前面所讲模板套用
第一空:

第二空:

【2017中考赏析】探究“通过电阻的电流与电阻的大小关系”时,我们一般需要先预设一个电压值,实验中保持电阻两端电压为预设值不变,现采用如图所示电路进行探究,器材:
学生电源(6V)、滑动变阻(20Ω,1A)、电流表、电压表、开关、三个定值电阻(5Ω、10Ω、20Ω)及导线若 干,以下说法正确的是( )

A.要获得3组实验数据,电压预设值范围可以为1.5V﹣5V
B.要获得3组实验数据,电压预设值范围可以为1V﹣4V
C.电压预设值越大,在获得3组实验数据过程中,滑动变阻器阻值调节范围越小
D.实验电压预设值为2V.要获得3组实验数据,要更换最大阻值为30Ω的滑动变阻器
由于解题过程过于复杂
用文字解释不清楚
解析过程请私信老师获取~(二维码和链接会被和谐掉)
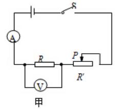
【每日一练】如图甲是某实验小组探究“电流与电阻关系”的电路图,使用的实验器材有:电压为6V的电源,电流表、电压表各一个,开关一个,5Ω、10Ω、15Ω、30Ω的定值电阻各一个,规格为“20Ω 1A”的滑动变阻器一个,导线若干。

探究电流与电阻的关系时,所测得的几组电流、电压值如表2所示:
表2:

①由于操作不当,导致一组数据存在错误,请判断第几次实验的数据存在错误,产生错误的原因是什么,正确的数据应该是什么
②纠正错误以后,该小组用30Ω的电阻替换15Ω的电阻进行了第4次实验,发现实验无法进行下去,为完成第4次实验,同学们提出了下列解决方案,其中正确的是
A.将电压表的量程换为0~15V
B.换成电压为12V的电源
C.更换最大阻值大于或等于30Ω的滑动变阻器
D.可将定值电阻两端的电压调为1.5V。
每日一练答案将在下期公布
今天的内容到这里就结束啦
更多难题解答持续更新,喜欢记得关注呦~
下期预告:
背诵有妙招,专治记不住!
13种高效背诵法,记忆力up up up!
感谢朝阳校区徐晓芸老师的投稿