
阅读文章前辛苦您点下“关注”,方便讨论和分享,为了回馈您的支持,我将每日更新优质内容。

文 |奇怪探索馆
编辑 |奇怪探索馆
引言
Al-Cu-Mn合金由于具有密度低、比强度高、价格低廉、工艺性能好等特点,同时具有良好的力学性能与耐蚀性能,是轻质结构材料的首选之一,在航空航天、汽车制造等领域得到广泛的应用。
目前全球绿色经济的发展要求和工业材料的工作环境越来越严格,传统Al-Cu-Mn合金的应用受到了一定程度的限制,因此, 提高Al-Cu-Mn合金的综合性能是亟待解决的问题。
对于铸造Al-Cu系合金而言,合金还需要具有较好的流动性,因此, 选择合适的元素控制析出相的特征是获得铝合金优良性能的关键。

WU等经系统地研究后发现微量Sc的添加促进了Al-Cu系合金中θ相(Al2Cu)的析出,添加Sc后的Al-Cu系合金力学性能得以提升。
MANDAL等研究Ag元素对Al-Cu系合金力学性能的影响,发现当Ag元素添加量为0.07%(质量分数)时,合金在具有较高的强度与硬度的同时也具有较好的延展性。
MENG等研究了V元素对Al-Cu-Mn合金组织、析出行为和力学性能的影响, 结果发现V的添加促进了α-Al基体中θ相(Al2Cu)的生长速度,同时延缓了T相(Al20Cu2Mn3)的析出,从而达到力学性能的优化。

SUN等发现 在Al-Cu系合金中添加Sc和Zr能抑制再结晶 ,细化晶粒,阻止Cu元素沿晶界偏析,增加晶界析出物间距,从而有效提升合金综合性能。
ZUO等在铸态AlSi-Cu-Ni合金中观察到条状和鱼骨状的δ-Al3CuNi相,鱼骨状δ-Al3CuNi相由许多独立的短棒组成,随着δ-Al3CuNi相数量的增加,合金的抗拉、屈服强度提高,综合性能得以提升,这对优化Al-Cu-Mn合金的成分和改善其性能具有重要意义。
本文沿此方向进一步深入探索,采用扫描电镜(SEM)和透射电镜(TEM)对不同Ni元素添加量的Al-Cu-Mn合金进行显微组织观察,通过硬度试验、拉伸力学试验及摩擦磨损试验对合金力学性能进行研究。

1、试验材料及方法
在Al-Cu系合金中, 随着Cu含量的增加,Al-Cu系合金的伸长率降低 ,超出最大固溶极限的铝中过量的Cu以金属间颗粒的形式在晶界析出,这些颗粒的尺寸和体积分数随Cu含量的增加而增大,从而影响合金的力学性能。
因此,Al-Cu系合金中的Cu含量最好在5.6%以下 ,Mn含量会对Al-Cu系合金力学性能产生一定程度的影响,合金的强度和硬度与Mn含量呈相同趋势变化,但韧性与Mn含量呈相反趋势变化。

当合金中Mn含量超过1.6%时,铸造合金中会形成粗大的Al6Mn析出相,对合金的力学性能产生消极影响。
本实验采用真空熔炼制备的铸造Al-Cu-Mn合金,所设计的合金化学成分:Cu为5.0%(质量分数,下同),Mn为0.6%,余量为Al,向Al-CuMn合金中分别添加0.1%、0.2%、0.3%、0.4%的Ni,并与未添加Ni的Al-Cu-Mn合金进行空白对照,制备出5组不同Ni含量的合金试样。
本实验所用合金的实际成分如表1所列。

硬度试验采用UH250型数显维氏硬度测试仪,每个试样测试5次,取平均值,拉伸试验采用MTS型万能拉伸试验机,拉伸试样厚度为3mm、标距长度为20mm,拉伸速率为2mm/min。
摩擦磨损试验采用MMU-5G材料端面高温摩擦磨损试验机,常温下采用销盘式进行实验,转速为60r/min,时间为10min,载荷为200N,摩擦磨损试样为边长为10mm的正方体。
然后使用电解双喷的制备方法,设置好电解液、电压、温度将样品减薄至出现足够薄区。

2、结果与讨论
2.1 硬度、拉伸性能
添加不同Ni含量的Al-5.0Cu-0.6Mn合金的力学性能如图1所示,从图1(a)中可以看出,未添加Ni的Al-5.0Cu-0.6Mn合金HV硬度值为85.7,当添加0.1%、0.2%、0.3%、0.4%(质量分数)Ni元素时,合金HV硬度值分别为98.3、113.9、126.4、104.5,随着Ni添加量的增加,合金硬度值呈现逐渐上升的趋势,当添加0.4%Ni时,合金硬度值反而下降。
由此可见, 由于Ni的添加,合金硬度发生显著变化 ,当Ni的添加量为0.3%时,合金HV硬度值为126.4,较其他含量制备的合金最高,其硬度值较为理想。

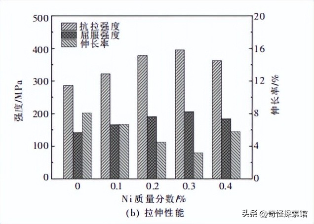
从图1(b)中可以看出,未添加Ni的Al-5.0Cu-0.6Mn合金抗拉强度、屈服强度和伸长率分别为286.9MPa、142.1MPa、8.1%, 随着Ni添加量的增加,合金抗拉强度、屈服强度值呈现先大幅度上升后略微下降的趋势,伸长率呈现先下降后上升的趋势。
当添加0.3%Ni时,合金的抗拉强度由286.9MPa增加到395.2MPa,增幅为27.4%;合金的屈服强度强度由142.1MPa增加到206.5MPa,增幅为31.1%;合金的伸长率由8.1%下降到3.2%,降幅为60.0%。

2.2 摩擦磨损性能
图2所示为不同Ni含量Al-5.0Cu-0.6Mn合金摩擦磨损试验过程中摩擦系数随时间变化的关系曲线。
如图2(a)所示,未添加Ni的Al-5.0Cu-0.6Mn合金的摩擦系数波动趋势较大,平均摩擦系数为0.25,如图2(b)—图2(e)所示,当添加0.1%、0.2%、0.3%、0.4%Ni时,合金平均系数值分别为0.16、0.13、0.12、0.14。
随着Ni添加量的增加,合金的摩擦系数随时间波动趋势减小,平均摩擦系数逐渐减小,但当添加0.4%Ni时,合金的摩擦系数波动趋势略微增大,平均摩擦系数反而增大。
由此可见,当Ni的添加量为0.3%时,合金的摩擦系数随时间变化虽偶尔出现波动,但总体上较其他含量制备的合金更平稳,此时合金在摩擦磨损试验过程中表现出相对较平稳的振幅与相对较低的摩擦系数,合金表面磨损程度较轻,耐磨性能较理想。

图3所示为不同Ni含量Al-5.0Cu-0.6Mn合金摩擦磨损的表面形貌,如图3(a)所示, 未添加Ni的Al-5.0Cu-0.6Mn合金的磨损表面有较深的磨损痕迹,合金表面磨损程度比较严重。
在摩擦磨损过程中,由于合金磨损表面上存在硬颗粒或粗糙峰,从而引起犁沟作用导致合金表面上留下沟槽,即在合金磨损表面上由于微观切削作用产生了沿摩擦方向的擦伤或沟痕。
从图3(b)、图3(c)可以看出,添加Ni元素后的合金磨损表面上的磨痕明显减轻,并出现波浪纹状磨损图案,合金摩擦磨损情况得到缓解。
当添加0.3%Ni时,如图3(d)所示,合金磨损表面仅出现一小部分波纹状磨损图案,其他大多数为平行于滑动方向的轻微磨痕,较明显的粗大磨痕基本消失且磨痕较为均匀,合金的耐磨性能较好。

对摩擦磨损试验后的合金试样进行三维轮廓表征,以便更清晰地观察试样表面的磨损程度和研究磨损机制,图4所示为不同Ni含量Al-5.0Cu-0.6Mn合金磨损表面的三维形貌,图4中 颜色趋近于红色的区域越多代表磨损量越小,颜色趋近于蓝色的区域越多代表磨损量越大。
如图4(a)所示,未添加Ni的Al-5.0Cu-0.6Mn合金磨损表面的三维形貌中绿色区域占主体部分,并出现部分蓝色区域,红色区域极少,此时合金磨损面积较大,磨痕深度较深,磨损量较大。
从图4(b)、图4(c)可以看出,当添加0.1%、0.2%Ni时,合金磨损表面的三维形貌中绿色区域依旧占主体部分,蓝色区域减少,红色区域略微增多,合金磨损表面的磨痕深度逐渐减小,磨损量逐渐减少,合金摩擦磨损情况得到改善。

2.3 显微组织
图5所示为添加不同Ni含量的Al-5.0Cu-0.6Mn合金的微观组织形貌,Al-Cu-Mn合金的析出顺序为:SSS(过饱和固溶体)→GP区→θ′′→θ′→θ(Al2Cu)。
当未添加Ni时,如图5(a)所示,合金中主要析出相为细针状θ相(Al2Cu),数量较多且分布均匀,相组成如图6(a)所示,此时合金基体力学性能较差,强度较低且易发生塑性变形。

在摩擦磨损实验中,对磨材料可以较深地压入基体,导致合金磨损表面的磨损深度及磨损量都有所增加 ,在滑动磨损试验条件下使得合金表面形成较深的磨损痕迹,呈现为如图3(a)所示的磨损形貌特点。
当添加0.1%Ni时,如图5(b)所示,合金中θ相数量减少,出现少量棒状T相(Al20Cu2Mn3),相组成如图6(b)所示。
对于Al-Cu系合金而言,棒状T相(Al20Cu2Mn3)是较常见的金属间化合物,随着Ni元素的添加,合金中同时出现富Ni相(Al3CuNi),电子衍射分析如图5(c)所示,呈块状分布。
如图5(c)、图5(d)所示,随着Ni添加量的增加,合金中棒状T相与细针状θ相的数量减少,同时Al3CuNi相的数量显著增加,此过程消耗了合金中大量的Cu溶质,从而降低了凝固铝合金溶液中Cu溶质的过饱和度,因此合金中棒状T相(Al20Cu2Mn3)析出量呈一定幅度降低。

如上述实验结果所示, 合金试样的硬度、强度与耐磨程度均随Ni添加量的增加而增加,这表明合金中形成的金属间化合物对力学性能强化有一定的作用 ,这与Al-Si-Cu-Ni合金的结果一致。
3、结论
通过添加Ni元素可有效改善Al-5.0Cu-0.6Mn合金的微观组织形貌,棒状T相与细针状θ相的数量减少,同时Al3CuNi相的数量显著增加,添加Ni元素后的合金组织致密,析出相分布情况良好。
添加Ni元素后的Al-5.0Cu-0.6Mn合金中形成的金属间化合物对耐磨性能强化有明显作用 ,合金磨损表面的磨痕深度显著降低,合金中Al3CuNi增强相颗粒可充分发挥其支撑作用以阻碍对受磨材料的磨损,合金耐磨性能明显改善。
随着Ni元素添加量的增加,合金力学性能得到提升, 通过添加Ni元素可制备综合性能优异的Al-5.0Cu-0.6Mn合金。
添加0.3%Ni元素的Al-5.0Cu-0.6Mn合金综合性能较理想,HV硬度、抗拉强度、摩擦磨损系数分别为126.4MPa、395.2MPa、0.12。
