《水利水电技术(中英文)》官网网址https://sjwj.cbpt.cnki.net
摘 要:
【目的】为了解决因常规浆材抗冲蚀能力较弱,地基处理工程中存在的松散介质、贯穿裂缝和宽大孔洞渗漏涌水等问题,研发了一种适用于动水堵漏的复合聚氨酯水泥砂浆(PCS浆材),研究其基本性能及影响因素。【方法】通过正交试验优选配比,开展动水堵漏试验,分析其抗冲蚀特性;进行典型渗漏灌浆堵漏实际应用模拟,论证不规则渗漏通道中的实际堵漏效果。【结果】结果显示:复合聚氨酯水泥砂浆黏度、密度、黏结强度均随聚固比显著减小;密度与黏结强度随水泥占比提升;随膨润土占比增加,黏结强度有先减后增趋势;浆材最优配比为,聚固比0.9∶1、水泥∶膨润土∶骨料的质量比为1.1∶0.5∶4.0;糙率0.007 5条件下,浆液留存率超过50%。【结论】结果表明:研发的复合聚氨酯水泥砂浆在不规则渗漏通道中发泡充分,填充效果显著;对不规则大流量渗水通道堵漏损耗小、操作便捷、可靠性高、成本低,与目前常用的LW+HW堵漏材料相比,单方造价节约30%~50%;实际工程应用时,应根据工程环境条件对初凝时间进行相应调整即可。
关键词:
聚氨酯;PCS浆材;正交试验;抗冲蚀性;
作者简介:
曾来衡(1974—),男,高级工程师,主要从事地基与基础处理与防渗研究。
*张贵金(1964—),男,教授,博士,主要从事基础防渗新技术与水利工程安全评价研究。
基金:
湖南省重大水利科技项目(湘水科计(2017)230-37,XSKJ 2018179-32);
引用:
曾来衡, 张熙, 胡铁桥, 等. 大流量渗水堵漏复合聚氨酯水泥砂浆[J]. 水利水电技术(中英文), 2023, 54(2): 170⁃ 178.
ZENG Laiheng, ZHANG Xi, HU Tieqiao, et al. Study on composite polyurethane cement mortar for plugging of seepage with large flowrate [J]. Water Resources and Hydropower Engineering, 2023, 54(2): 170⁃ 178.
0 引 言
在松散地层分布广泛的华东地区,和岩溶地质普遍存在的西南地区,建筑物不可避免地修筑在不良地质体上,因其复杂的水文地质环境,开挖时极易出现渗漏、突水突泥等动水破坏,成为地基处理过程中的痛点和难点。针对松散地层、岩溶等复杂地质条件下动水破坏问题,较典型的治理手段有:置换、排水固结、挤密和注浆填充等。其中,注浆填充方法因具有施工简便、对环境影响小和治理效果良好等优势而被广泛应用,而灌浆材料是影响注浆填充和堵漏效果的重要因素。
目前,地基处理工程常用的堵漏防渗、补强加固材料主要为水泥基浆材、土工合成材料和化学浆材。其中:水泥基浆材具有稳定性好、后期强度高的优点,但面对复杂水文地质条件下的动水渗漏破坏,易出现浆材被分散甚至被水流冲蚀等问题;而采用膜袋混凝土、土工织物和土工膜等土工合成材料,则难以适应不规则渗漏通道;采用适应渗漏通道能力强、固化速度快、发泡率高的单一化学浆材(如聚氨酯、水玻璃、丙烯酰胺等)进行灌浆堵漏,则浆液抗冲蚀性、固结体抗压强度有待提高,并且存在复漏等问题。考虑到化学浆材存在上述缺陷,但优点突出,可通过复合方式,利用聚氨酯固化速度快、发泡率高、弹性质地、可单液灌浆、施工简便等优点;辅料复合的方式弥补其强度低、抗冲蚀能力弱的缺点,在动水或一定水压条件的堵漏、止水中达到更好的处理效果。聚氨酯水泥复合材料研究发现其较混凝土抗拉强度更高;聚氨酯混凝土(PC)中粒径和聚固比的增加可降低PC孔隙率;此外,陈安重、袁敬强、邱红雷等针对抗分散能力、止水效果特性进行了研究,研发了快凝早强混合浆液、聚氨酯混凝土填缝止水材料等聚氨酯复合材料。总体而言,常规水泥基浆材、土工织物等堵漏材料面对动水堵漏,存在固化慢、抗冲蚀能力弱、适应不规则渗漏通道能力差等缺点。而聚氨酯及其改性材料虽然速凝、发泡等优点突出,但也存在抗分散能力差、高速水流或高水头压力条件下抗冲蚀性能及附着力低,固结体强度低,堵不住动水、复漏严重、承载力不足等问题;并且从经济性角度看,使用纯化学浆材进行动水堵漏成本高。因此,为克服上述常规灌浆材料缺点,研制更加经济环保的堵漏浆材非常必要。
针对大流量渗水堵漏的工程特点,为实现快速有效堵漏,需要快速固化、高留存率、抗冲蚀和便于施工的堵漏材料,要求浆材具有易发泡、速凝、收缩小、密度大、黏结强度高的特点,且配制简单、施工方便、造价低廉、环保。因此,选择常规聚氨酯为主材,添加其他低造价的辅料,开展复合浆材组分选配、配比优化、堵水效果论证、应用模拟等,得到一种价格低廉、抗冲蚀能力强、可靠性高的大流量渗水堵漏浆材。
1 复合聚氨酯水泥砂浆组分
选择聚氨酯为主材,通过添加不同含量的辅料以满足浆材性能。
1.1 速凝、发泡材料——聚氨酯
聚氨酯分为水溶性与油溶性两类,其中水溶性固化时间短,一般小于200 s, 固结体呈弹性,因此选用669水溶性聚氨酯进行试验,并提供不同种类、型号聚氨酯(如:LW、HW)进行对比,各型号聚氨酯性能指标如表1所列。

1.2 固化胶结材料——水泥
试验用水泥为P.O42.5普通硅酸盐水泥,水泥细度为通过80 μm方孔筛的筛余量小于5%,性能满足《通用硅酸盐水泥》(GBl75—2007)标准的有关要求。
1.3 增稠稳定材料——膨润土
试验用1 250目钠基膨润土,蒙脱石含量为85%~90%,粉末呈黄白色,小块体加水后体积可胀至2~3倍,水中呈悬浮状,水少时呈糊状。
1.4 增重抗冲材料——骨料
试验使用普通混凝土,常用骨料包括细砂、粗砂和碎石。细砂细度模数为2.2,含水量约5%、表观密度2.60 g/cm3,堆积密度1 600 kg/m3;粗砂细度模数为3.1,含水量2.5%~3.5%,表观密度2.58 g/cm3,堆积密度1 650 kg/m3;碎石最大粒径为16 mm, 表观密度2.64 g/cm3,堆积密度为1 550 kg/m3。各表观密度为骨料自然状态下单位体积干质量,通过排液法测得;堆积密度为自然堆积状态下单位体积质量,通过容量筒测定。采用质量比为细沙∶粗砂∶碎石=1∶2∶1的比例制备试验骨料。
2 复合浆材配比及基本性能
根据已有研究成果,聚固比(聚氨酯浆液与辅料固体总质量之比)、水泥、膨润土、骨料对浆材性能具有显著影响,故采用4因素3水平正交试验研究上述4种因素对PCS浆材黏度、密度、黏结强度的影响;水泥、膨润土、骨料质量份数分别为添加相应材料单位质量数(试验以1 kg为单位质量称取)。共计9组试验,因素与水平如表2所列。

参照《水利水电工程化学灌浆材料试验规程》(DL/T 5785—2019),对浆材黏度、密度与固结体黏结强度进行测试,正交试验测试过程如图1所示。表3为PCS浆材黏度、密度及相应固结体的黏结强度,可知各组黏度与黏结强度指标相较水溶性聚氨酯原料(见表1水溶性聚氨酯669)均有一定上下波动范围;而密度指标较水溶性聚氨酯原料呈现增加;黏度变化范围大于1 300 mPa·s, 密度与黏结强度变化范围分别在0.451 g/cm与0.18 MPa以内。

图1 正交试验指标测试

为进一步分析各因素对浆材物理力学性能的影响,采用正交分析方法确定各组分配比对浆液黏度、密度和固结体黏结强度指标的影响显著性和影响规律。
2.1 浆液黏度
黏度影响浆液可泵性和可灌性,也在一定程度上影响着稠度和抗冲蚀能力。各因素对浆液黏度的影响趋势如图2所示,极差分析如表4所列。因素A对浆液黏度影响较因素B、C、D更为显著,与浆液黏度呈非线性负相关,因素B与浆液黏度呈非线性正相关,因素C、D与浆液黏度呈线性正相关,各因素浆液黏度影响的主次顺序为:A>B>D>C。

图2 各影响因素对浆液黏度贡献效果

水溶性聚氨酯原料黏度小于500 mPa·s, 随聚固比增加,复合浆材被稀释,黏度降低;同时,由于原料黏度下线的存在,稀释作用越发轻微,出现非线性负相关。此外,由于膨润土、骨料等惰性固粒材料难溶于有机溶液,使浆液变稠,黏度增大。另外,由于黏度与水泥颗粒间作用力和颗粒与溶液作用力有关,当水泥增加,水泥颗粒间距离减小,颗粒逐渐在范德华力、静电引力等作用下发生团聚和相互依附,形成的絮凝结构,使黏度呈现非线性增长。
2.2 浆液密度
浆液密度为所有组分材料拌和后形成的成品浆材的密度,对动水条件抗冲能力和下沉、固化过程具有重要影响,密度过小浆液易悬浮于水中,在水动力作用下被携带或冲蚀。正交分析得到影响浆液密度的趋势如图3所示,极差分析如表5所列,因素A、B、C、D对浆液密度均产生显著影响,其中因素A、C与浆液密度呈负相关,因素B与浆液密度呈正相关,而因素D对浆液密度产生先增后减的影响趋势,各因素对PCS浆液密度影响显著性顺序为:A>C>B>D。

图3 各影响因素对浆液密度贡献效果

干燥条件下水泥密度通过李氏瓶测得,范围在1.4~1.6 g/cm3之间,大于聚氨酯密度1.1 g/cm3,随着水泥增加,密度相对增长。随聚固比增大,浆材被稀释,密度呈下降趋势。在膨润土发泡和吸附作用下,颗粒团聚并产生局部膨胀,致使浆液测量体积偏大,密度降低;另外,随着骨料占比的增加,固体颗粒在浆液中的分布趋于不均,密度达到最大值后呈现下降趋势。可见骨料占比并非越大越好,在一定范围内对浆液密度的增加具有更好的促进作用。
2.3 固结体黏结强度
固结体黏结强度决定着浆材在动水环境下的站位能力和填充渗漏通道的效果,且反应长期稳定性。因此,黏结强度应尽可能大,保证与边界的有效黏结,并抵抗长期的冲蚀破坏。试验测定固结体水下养护7 d黏结强度,通过正交分析,得出不同因素影响黏结强度的趋势如图4所示,极差分析如表6所列。各因素对PCS浆材黏结强度均有显著影响,其中因素A与黏结强度呈负相关,因素B与黏结强度为先增后减趋势,因素C、D均与黏结强度呈先减后增趋势,各因素对浆材黏结强度影响显著性主次顺序为:C>B>A>D。

图4 各影响因素对固结体黏结强度贡献效果

由于聚氨酯原料黏结强度小于0.18 MPa, 并且随聚固比增加,黏结界面过量的聚氨酯发泡影响充分胶结,黏结强度降低。当水泥重量份数在1.5范围内时,黏接界面水泥分布均匀、水化作用充分,黏结强度形成良好,随着水泥继续增加,界面间有效水化量减少,黏结强度呈现先增后减趋势。当膨润土重量份数在1.1以内时,膨润土中Na+降低水泥Ca2+的溶解性,使黏结强度减小;随着膨润土增加,其本身的黏结性逐渐发挥,浆材黏结强度出现增长,所以黏结强度随膨润土呈现先增后减趋势。由于骨料产生滑移作用和界面过度区的存在,当骨料重量份数在3.0~4.0范围内,以滑移作用占主导,黏结强度减小趋势;随骨料增加,胶结界面逐渐出现以聚氨酯、水泥为主的界面过渡区,黏结强度增加。
2.4 最优配比及性能
从浆材性能与应用等综合角度考虑,浆材最优配比主要依据浆材黏度、浆材与渗流通道边界的黏结强度,以及浆材密度等主要性能参数优选。黏度过高会影响灌浆施工操作,不利于浆材泵送,选择低黏度水平可提升灌浆施工操作性;在动水条件下又要求浆材与边界黏结强度高、密度大,有助于材料与边界的黏结,提升抗冲蚀能力。因此,在极差分析取单指标最优配比基础上,以黏度∶密度∶黏结强度=1∶1∶2的权重,通过加权平均方式,确定浆材最优配比为聚固比=0.9∶1、水泥∶膨润土∶骨料(质量比)=1.13∶0.5∶4.0。
比较PCS浆材、聚氨酯、水泥浆和黏土水泥浆基本性能指标,各项性能指标定义均与《水电水利工程化学灌浆材料试验规程》(DL/T 5785—2019)中一致(见表7)。PCS浆材比聚氨酯、水泥浆和黏土水泥浆黏度更大、密度更高,并且遇水凝胶速度快,抗压强度指标优异。黏度方面PCS浆材较聚氨酯、水泥浆、黏土水泥浆材更大,具有更高的黏度和更强的抗冲蚀能力,但施工泵送要求有所提高。密度与常规固粒浆材接近,大于聚氨酯等化学浆材。

另外,PCS浆材凝胶时间极小,并且具有一定发泡率和包水率,利用了聚氨酯速凝、发泡的优势,在大流量渗水通道堵漏应用时,可发泡快速填充渗漏通道,实现有效堵漏;膨润土有效抑制聚氨酯短时间收缩,提高了浆液和固结体稳定性等。黏结强度、抗拉强度增强效果不显著,但抗压强度可达6 MPa以上,充分发挥了水泥、骨料等辅料的特点。可优选为大流量渗水堵漏浆材。
3 动水堵漏效果试验
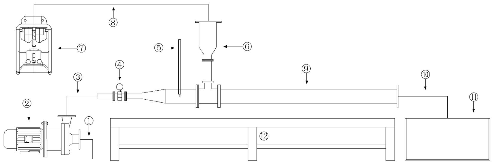
自制动水堵漏试验装置如图5、图6所示,装置主要包括装料漏斗、模拟堵漏段、进水流量计、测压管等部分。动水条件由进水管、水泵、送水管、流量计完成;灌浆过程通过装料漏斗等部件实现;测压管、模拟堵漏段直观反应堵漏效果。装置旨在完成浆材动水堵漏留存率的量化与堵漏填充效果的评价。装置中,装料漏斗上端直径为20 cm, 下端直径5 cm, 高0.5 m; 模拟堵漏段由糙率为0.007 5的有机玻璃组成,其直径为10 cm, 长2 m; 通过水泵提供和调节设计流速对应的流量(q=0~6.7 L/s)。此外,进水流量计主要用于记录动水流量;测压管用于观察水压力变化和堵漏后的泄压保护。

图5 动水堵漏试验装置设计简图
①—进水管;②—水泵; ③—送水管; ④—流量计; ⑤—测压管; ⑥—装料漏斗; ⑦—注浆泵;⑧—送浆管;⑨—模拟堵漏段; ⑩—尾水管;(11)—尾水收集箱;(12)—支撑架

图6 动水堵漏试验装置实物
动水堵漏试验流程包括:(1)开启水泵并调节至设计流量;(2)按照上述设计配比,配制10 kg浆材并在5 min内通过装料漏斗下料;(3)水流冲刷15 min后观察模拟堵漏段内浆材固结体界面线,并称取和记录留存浆材质量;(4)计算浆材留存率,并绘制留存率曲线,分析堵漏效果。
浆材留存率计算如下

式中,l为留存率;m0为灌入浆材质量,有m0=10 kg; m1为留存浆材质量;n为浆材包水量,PCS浆材包水量为0.38,聚氨酯包水量为28,黏土水泥浆包水量取0。
开展聚氨酯、黏土水泥浆(黏土原浆比重1.25 g·cm-3、黏土∶水泥=1∶1)和最佳配比PCS浆材三种堵漏浆材在不同流速,糙率0.007 5条件下的对照试验;因模拟堵漏段内流态为紊流,同时存在有压流与无压流,以平均流速为变量指标(平均流速=流量/堵漏段截面积,试验流道截面积=78.5 cm2,流量对应平均流速范围0~0.85 m/s);以留存率为主要测试指标。
不同流速条件下浆液留存率变化曲线如图7所示,流速0.85 m/s动水堵漏对照如图8所示。可见留存率变化趋势差异明显。PCS浆材留存效果优于黏土水泥浆和聚氨酯浆液。随流速增大至0.85 m/s时,聚氨酯浆液留存率接近于0%;黏土水泥浆留存率降至20%以下;PCS浆材留存率在50%以上,仍具有良好堵漏作用;随着流速的继续增加,PCS浆材留存率减小速率逐渐降低,并趋于40%基本稳定。应用于动水堵漏,PCS浆材具有比聚氨酯浆液、黏土水泥等浆材更加突出的抗冲蚀优势。

图7 PCS浆材留存率—流速曲线

图8 动水条件下PCS浆材堵漏对照试验
4 典型大流量渗水通道灌浆堵漏应用模拟
为进一步验证浆材在真实大流量渗水环境下的堵漏施工操作可行性和堵漏效果,进行应用模拟研究。
自制不规则渗漏通道模拟装置包括进水口、灌浆口、不规则渗漏通道、出水口4部分(见图9)。装置由混凝土内置不规则钢丝网筒浇筑而成;其中渗漏通道沿程长2.5 m, 直径不等,平均直径为10 cm, 糙率0.014,沿程曲折起伏,形状呈不规则分布,分布情况如图9虚线所示;通过水泵连接进水口提供恒定流量(q=24 m3/h),量筒测量出水口最终渗漏量用以评价堵漏效果。

图9 不规则渗漏通道
流程包括:(1)开启水泵接通水流;(2)按设计配制10 kg浆材,并在5 min内通过进料口灌入PCS浆材(见图10);(3)记录t=0 s、15 s、30 s、45 s、60 s、75 s、90 s时刻出水口流量变化情况;(4)分析PCS浆材堵漏效果。

图10 灌浆堵漏应用模拟
浆材灌入后15 s内,出水口流量受浆材体积影响略微增加;随后15~30 s, 出水口流量开始减小,浆材初步膨胀;30~45 s, 出水口流量急剧下降,材料充分反应填充通道主体部分;45 s后,进一步膨胀填充、固化,最终实现堵漏目的。出水口流量随时间变化曲线如图11所示。

图11 出水口流量时间变化曲线
不同时刻出水口流量变化情况如图12所示,浆材从t0时刻开始灌入。试验表明,在灌入PCS浆材15 s内,尾水浑浊,浆材流失较为明显;15~30 s, 尾水逐渐清澈,浆材流失减少,PCS浆材开始发泡固化;30~45 s, 尾水流量显著减小,PCS浆材少量流失,发泡程度进一步扩大;45 s以后,尾水流量极小,渗漏通道有效封堵,PCS浆材发泡固化基本完成。

图12 堵漏过程出水口流量变化
应用模拟说明,PCS浆材凝胶时间短、抗冲蚀能力较强,45 s内渗漏量便逐渐减少,堵漏效果良好;同时,PCS浆材在不规则渗漏通道中发泡充分,填充效果显著,对不规则大流量渗水通道堵漏损耗小、操作便捷、可靠性高,成本低,与目前常用的LW+HW堵漏材料相比,单方造价节约30%~50%。
5 结 论
(1)针对大流量渗水堵漏需要快速固化、高留存率、抗冲蚀和便于施工的堵漏材料,要求浆材具有易发泡、速凝、收缩小、密度大、黏结强度高的特点,且配制简单、施工方便、造价低廉、环保,确定复合聚氨酯水泥砂浆的组分主要有聚氨酯、膨润土、水泥、骨料。
(2)通过正交试验,确定了复合聚氨酯水泥砂浆的最佳配比,聚固比为0.9∶1、水泥∶膨润土∶骨料质量比为1.1∶0.5∶4.0。较传统聚氨酯浆材、水泥浆、黏土水泥浆具有更短的凝胶时间23 s, 更高的发泡率312%、大于6.5 MPa的抗压强度和大于1 000 mPa·s的黏度,以及适中的浆液密度1.565 g/cm3和黏结强度0.12 MPa。
(3)研制一套动水堵漏试验装置,开展堵漏试验,结果表明糙率0.007 5及大流速条件下,浆材留存率仍大于50%,具有良好抗冲蚀性能,可对动水进行有效堵漏。
(4)典型大流量渗水堵漏应用模拟表明,复合聚氨酯水泥砂浆的抗冲蚀能力强,快速实现大流量不规则渗水通道的堵漏,且可靠性高、经济环保。实际工程应用时,可根据渗漏点孔深等因素适当调整浆材配比,即调整初凝时间,满足泵送要求、降低浆材冲蚀损失。
水利水电技术(中英文)
水利部《水利水电技术(中英文)》杂志是中国水利水电行业的综合性技术期刊(月刊),为全国中文核心期刊,面向国内外公开发行。本刊以介绍我国水资源的开发、利用、治理、配置、节约和保护,以及水利水电工程的勘测、设计、施工、运行管理和科学研究等方面的技术经验为主,同时也报道国外的先进技术。期刊主要栏目有:水文水资源、水工建筑、工程施工、工程基础、水力学、机电技术、泥沙研究、水环境与水生态、运行管理、试验研究、工程地质、金属结构、水利经济、水利规划、防汛抗旱、建设管理、新能源、城市水利、农村水利、水土保持、水库移民、水利现代化、国际水利等。
