激光投线仪是利用激光光束直线性好、亮度高、作用距离远的特点而制造的一种 光机电一体化的仪器。其以激光发射器为光源,通过柱镜扩散光线形成稳定的红色或绿色水平线或垂直线。

激光投线仪在使用时必须置平,以保证投线精度,所以现有的投线仪设置有倾斜 过位报警装置,报警装置的工作原理为用两激光发射光扇面来标水平垂直线,十 字悬挂的摆体靠自重力实现平衡,在摆体的下部连接有报警弹簧,在报警弹簧的下方设置 一感应垫圈,当机器放在倾斜角小于设定值(如5度)的平面上时,报警弹簧与感应垫圈不 相接触;当机器放在倾斜角大于设定值的平面上时,摆体由于重力作用,报警 弹簧和感应垫圈相接触,加在摆体上的电压由3V变成0V。PCB组中单片机得到信号,控制 激光模组发出的激光线熄灭,

电池

6支激光管就是电路板极简单
外不
光

激光头支架

支架总成

摆体连接线

控制板

元件放大图

元件放大图

摆体下面有磁铁

关机时摆体状态

摆体里面有什么就不拆开看了,怕拆完就得陪别人一个新机

摆体悬挂图

TD6817芯片买回来了,不贵四毛八一个,但快递费要四块

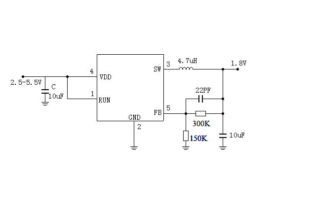
TD6817电路图

TD6817芯片安装完成图

插按键板测试已通电芯

连接激光管发光图
绿

绿色光线

按键面板
拆完修好这投线机感觉是台便宜货,应该一百元左右.但功能还是可以能投5线.