安科瑞 陈聪
1无线通讯水电双计小农水灌溉控制器概述
ADF500L水电双计小农水灌溉控制器可实现射频卡刷卡灌溉、用水计量、液位采集、箱 门状态监测、4G 无线通讯、LCD 显示、语音提示等功能于一体的农灌只能终端。 可广泛应用于节水控制、水资源信息监测等工程当中,其可靠性高具有高稳定性、 低功耗、掉电数据保存等优点。
适用于:小农水一般指小型农田水利工程。 小型农田水利工程简称小农水,主要是指为解决耕地灌溉和农村人畜饮水而修建的田间灌排工程、小型灌区、灌区抗旱水源工程、小型水库、塘坝、蓄水池、水窖、水井、引水工程和中小型泵站等规划。
2无线通讯水电双计小农水灌溉控制器型号说明

3 产品功能
电能计量:有功、无功电能计量
电量测量:U、I 、P、Q、S、PF、F 测量
LCD 显示:点阵式液晶显示
通讯:三路 RS485 接口(选配第四路 485 通讯),射频通讯,可刷卡支付,4G 无线通讯(可选)
可选GPS 定位:可以实现 GPS 定位设备的经度和纬度
可选模拟量测量:6 路测量模拟量,接传感器。电压型 0-6V, 电流型 4-20mA
可选复费率:可以按照时间计费和尖峰平谷电能统计
4 技术参数

5 外形尺寸

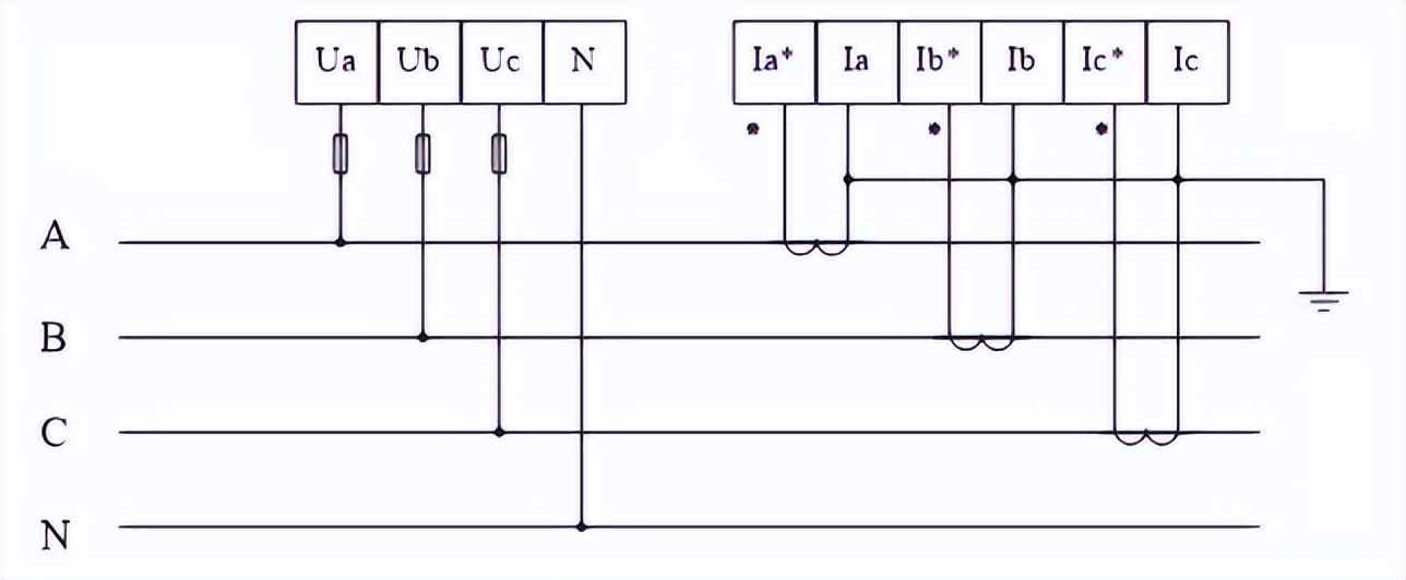
6 接线与安装
电压电流接线示意图

三相四线经互感器接入

三相三线经互感器接入