一、引出问题
如图1所示,想象一下,如果你是一位吊车司机,当吊机停好了,支腿也撑起来了,可是却发现其中一支腿老是往回缩。这可真是急死人呐!
出现故障该怎么办呢?废话,赶紧修呗,快到手的钞票还能让它飞了!

图1
我们都知道,吊机的支腿其实就是四个液压缸。要想解决上述问题,你需要着重了解下述两方面的知识:
- 支腿回路的系统原理图
- 液压缸的基础知识(相关内容在题为“液压缸的基础知识”一文中已阐述,下文不再赘述)
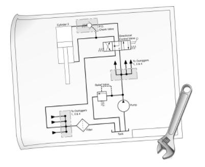
1.1、系统原理图
图2是该支腿的液压系统原理图,该回路非常简单,由一台齿轮泵给系统供油,通过溢流阀设定系统的压力,通过切换方向控制阀的通道来实现液压缸的伸出与回缩,最后油液经由回油过滤器回到油箱。

图2
二、解决问题
我们现在已经清楚了故障回路的原理图和液压缸的基础知识,让我们开始着重手解决这棘手的问题吧!
液压系统的故障诊断一般较为繁琐,我们主要分10个步骤,请耐心看完。
1、确定故障的根本原因
当你根据故障现象进行故障诊断时,你先要判断该故障是流量问题,还是压力问题,亦或是流动方向的问题。
- 流量问题:其故障现象可能表现为,液压缸的运动要么是太快了,要么是太慢了。
- 压力问题:其故障现象可能表现为,当液压缸承受很大负载时,活塞在未行至行程终点时就停止。
- 方向问题:其故障现象可能表现为,在一个方向上运动正常,在另一个方向上的运动出现了问题。
很显然,对于支腿回缩的问题,与速度无关;而且支腿也能成功伸出,因此也不是压力问题。剩下就是方向问题了。
2、仔细分析系统原理图

图3
请仔细研究图3中的液压系统理图,这是是故障诊断的关键。它可以提供给我们如下信息:
- 液压系统中的所有元器件,包括它们的编号,设定值等信息。
- 系统元器件之间的关系。
- 测试点的确切位置。
- 如何切断分支回路,以具备故障诊断条件。
3、确定出现问题的支回路
当系统非常复杂时,你需要先确定是哪条回路出现了问题,就比如四条支腿中只有一条支腿出现了问题,那你就把目标锁定在问题支腿所在的回路上。当然有些简单的液压系统,是完全可以省略这一步骤的。
4、查找可疑元器件
在步骤1中,我们已经确定了故障的主要原因是油液流动方向的问题。步骤3中,已经锁定了问题回路。因此,在这一步中,你可以缩小筛查范围,只需要将可能导致油液流动方向发生改变的元件列为可疑对象即可。
根据系统原理图,从液压泵往上开始对元件进行逐个筛查。
- 油泵和溢流阀:根据故障现象,4条支腿中只有1条支腿出现了故障。因此,故障点肯定在某一条支路上,而不是在主回路中。所以可疑排除泵和溢流阀的嫌疑。(除此之外,我们知道泵和溢流阀都不会改变油液的流动法向,同样可以排除它们的嫌疑)。
- 换向阀:换向阀会改变油液的流动方向,因此列为可疑对象。
- 液控单向阀:液控单向阀也会改变油液的流动方向,因此列为可疑对象。
- 液压缸:如果液压缸的活塞密封和有杆腔端盖处的密封出现泄漏,同样会引起油液流动方向的改变,因此列为可疑对象。
- 管路和接头:出问题的那个支腿的支路中的所有管道和接头发生泄漏的话,都会引起油液流动方向改变,因此均列为可疑对象。
- 油箱和过滤器:情况类似于油泵和溢流阀,它们均服务于整个系统,既然其余三条支腿都可正常工作,那么问题肯定不在它们身上,因此予以排除嫌疑。
最终,我们列出可疑清单,如下图4所示。

图4
5、决定检查顺序
在步骤4中,你已经列出了可疑对象,接下来就要着手检查了,那么该先检查哪个后检查哪个呢?
许多人会根据他们的主观判断,第一个检查他们最最怀疑的对象,但很多时候,这并不是一条高效的检修策略。
相反的,我们应该从最容易检修的元件开始,比如从那些不需要从回路中拆除就能进行检修的元件开始,比如管路、接头是否泄漏,过滤器是否堵塞等。
好了,下面按照检修的难易程度,重新排列一下元件检修顺序:
- 管路和接头
- 液压缸
- 液控单向阀
- 方向阀
6、观测实际的系统
上面都是纸上谈兵的工作,下面就要开始实操了。当你实际观测液压系统时,你很有可能继续发现新的可疑元件,同样也可能解除之前对某些元件的怀疑。
6.1、检查管路和接头
检查软管和接头处是否有泄漏,但是在系统有压力的情况下,一定戴上相关护具,且要注意以下几点:
- 不要随意折弯可疑的软管;
- 不要把你的手伸入错综复杂的管路中去寻找漏点;
- 不要拧动相关接头。
- 请与漏点保持一个安全距离。
n分钟以后,你已经检查完了所有的管路,发现并没有什么问题。OK,你可以解除对管路的怀疑了。让我们在清单中把管路和接头这一项划掉。如图5所示。

图5
6.2、检查油缸
根据支腿回缩的故障现象,我们可以判断,如果是液压缸出现了问题,那么就是端盖密封处有泄漏导致的问题。从图6可以看出,端盖密封处并无泄漏点,因此排除油缸的嫌疑。因此,我们可以在清单中把油缸这一项划掉。如图7所示。

图6

图7
6.3、检查液控单向阀
检查液控单向阀时,你需要提供一个相对安静的环境。先把发动机关掉,借助听诊器,监听液控单向阀的部位,看是否存在“嘶嘶嘶”的声音。
啊,真的有“嘶嘶嘶……”的声音哎!
我们都知道,在支腿伸出起支撑作用时,是不应该有流量流过单向阀的,但它确实发生了。因此,我们可以确定单向阀出现了故障,在清单中圈出来,如图8。

图8
既然找到了问题所在,接下来,我们可以着手维修工作了。
7、维修前的确认
动手之前,我们再快速浏览一下系统原理图(如图9),我们会发现该回路使用的是Y型中位机能的换向阀。该中位机能很容易使油缸无杆腔的油液通过单向阀流回油箱。
而我们在第六步的检查中,听到单向阀处发出的“嘶嘶嘶”声,这无疑是油液流动所发出的。

图9
8、维修或更换
动手操作的部分,这里就不赘述了,大家根据下图10,自行脑补一下。

图10
9、确认系统是否恢复正常
当更换好新的液控单向阀以后,接下来就需要花一点时间测试支腿是否能正常工作。图11是修好后的状态。

图11
10、查找故障原因
虽然支腿已经可以正常工作了,但是你的任务还没有完成哦!
你需要搞清楚液控单向阀为什么会出现故障呢?这对以后的故障诊断工作很有帮助。接下来,我们把旧的单向阀拆开来检查一下,图12是单向阀的剖面图。

图12
你会发现一些复合密封材料颗粒落在阀座上,阻碍了阀芯与阀座的接触。这种材料比较硬,肯定不是O型圈的碎粒,所以我们判断应该是活塞密封的一部分。因此,我们知道活塞密封已经出现了一定程度的损坏。如果这个液压缸升起的速度非常缓慢,那么就是时候更换活塞密封了。
好了,完成了上述工作,那咱们就走完了一套完整的故障诊断流程,有没有感觉学到很多东西呢!