昱灿-海川 SM5214 SOP-8 线性锂电充电 双灯主要应用领域: 锂电充电,电子类,充电器,引脚兼容型号: 4056
简介:
SM5214 是一款完整的采用恒定电流/恒定电压的单节锂电池线性充电器,并带有锂电池正负极反接保护功能,可以保护芯片和用户安全。
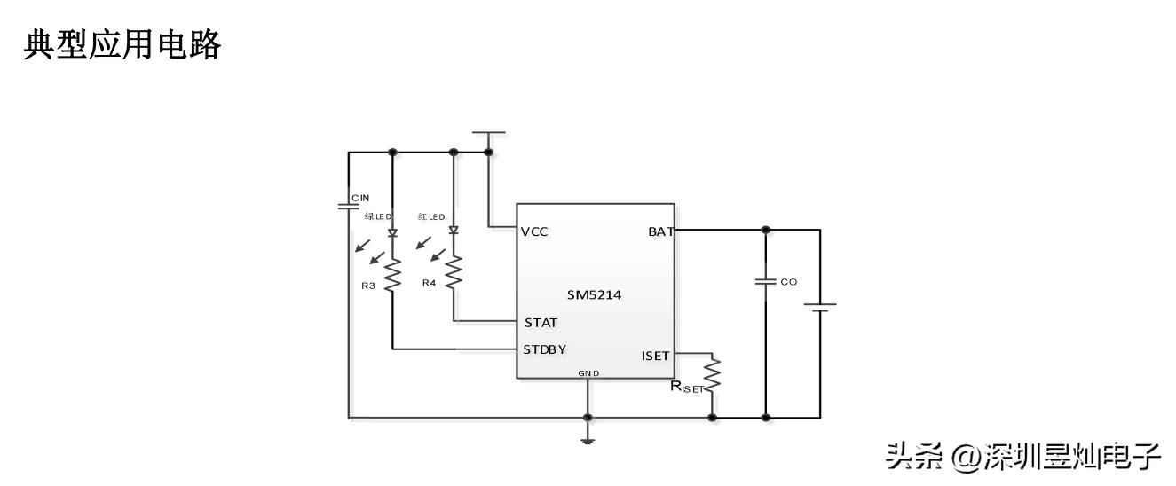
由于采用了内部 PMOSFET 架构,加上防倒充电路,所以不需要外部检测电阻和隔离二极管。热反馈可对充电电流进行调节,以便在大功率操作或高环境温度条件下对芯片温度加以限制。充电电压固定于 4.2V,而充电电流可通过一个电阻进行外部设置。
当充电电流在达到最终浮充电压之后降至设定值 1/10 时,SM5214 将自动终止充电循环。当输入电压(交流适配器或 USB 电源)被拿掉时,SM5214 自动进入一个低电流状态,将电池漏电流降至 0.25μA 以下。也可将 SM5214置于停机模式,从而将供电电流降至 25μA。SM5214 的其它特点包括充电电流*控器监**、欠压闭锁、自动再充电和一个用于指示充电结束和输入电压接入的状态引脚。
特性:
- 高达 800mA 的可编程充电电流
- 无需 MOSFET、检测电阻器或隔离二极管
- 恒定电流/恒定电压操作,并具有可在无过热,危险的情况下实现充电速率最大化的热调节功能
- 直接从 USB 端口给单节锂离子电池充电
- 精度达到±1%的 4.2V 预设充电电压
- 用于电池电量检测的充电电流*控器监**输出
- 自动再充电
- 充电输入电压过压保护
- 2.9V 涓流充电
- 软启动限制了浪涌电流
- C/10 充电终止;
- SOT23-6/DFN2*2-6 封装
- 18V PIN 脚耐压
应用范围:
- 移动电话、PDA、MP3 *放播**器
- 充电座
- 蓝牙应用
- 其他手持设备




