
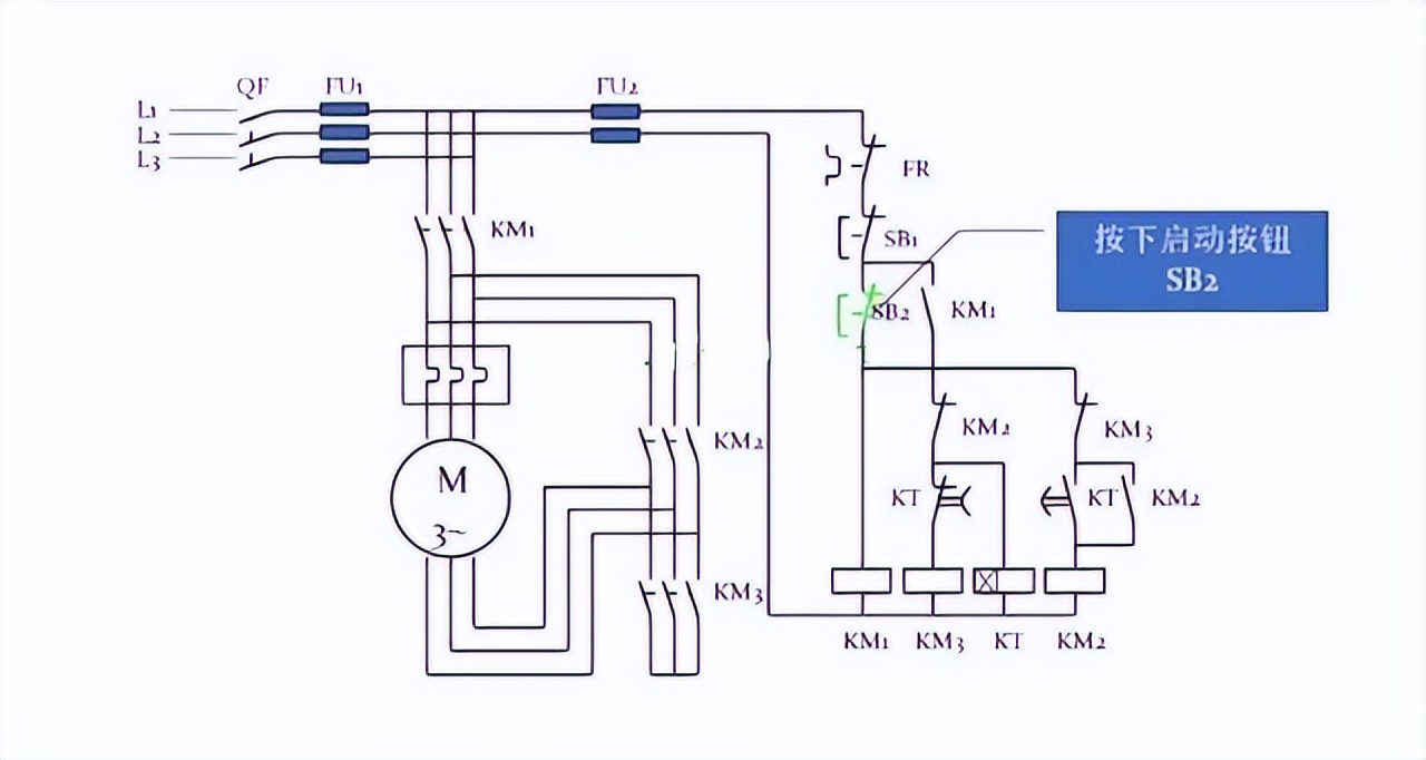
星三角降压启动的原理
启动时先用Y型接法电路,使得电机加载电压为220V,这样减少系统负荷防止过载,电机启动后,改成三角型接法电路,使得电压为380V,进行正常运转,这样有效保护电机以及电路系统,防止电流过载,不容易烧毁。

星三角降压启动的简介
当负载对电动机启动力矩无严格要求又要限制电动机启动电流,电机满足380V/Δ接线条件,电机正常运行时定子绕组接成三角形才能采用星三角启动方法。
降压启动的定义
电机启动电流近似与定子的电压成正比,因此要采用降低定子电压的办法来限制启动电流,即为降压启动又称减压启动,对于因直接启动冲击电流过大而无法承受的场合,通常采用减压启动,此时,启动转矩下降,启动电流也下降,只适合必须减小启动电流,又对启动转矩要求不高的场合。

星三角降压启动的特征
降压启动是以牺牲功率为代价来换取降低启动电流来实现的,所以不能一概而以电机功率的大小来确定是否需采用降压启动,还得看是什么样的负载,一般在需要启动时负载轻运行时负载重尚可采用降压启动。
星三角降压启动的优点
星三角降压启动的结构简单、价格便宜、可靠性高等优点被广泛应用,但在启动过程中起动电流较大,所以容量大的电动机必须采取一定的方式启动,星一三角形换接启动就是一种简单方便的降压启动方式,星三角起动可通过手动和自动操作控制方式实现。

降压启动的应用
在实际使用过程中,发现需降压启动的电机从11KW开始就有需要的,如风机、在启动时11KW电流在7-9倍左右,按正常配置的热继电器根本启动不了,热继电器配大了又起不了保护电机的作用,所以建议用降压启动,而在一些启动负荷较小的电机上,由于电机到达恒速时间短,启动时电流冲击影响较小,所以在3KW左右的电机,选用1.5倍额定电流的断路器直接启动,长期工作一点问题都没有。