
液压与气压传动是以有压流体(压力油或压缩空气)为工作介质,来实现各种机械的传动和自动控制的传动形式。小编将以图文形式介绍液压和气压工作原理,64个动态图让你了解传动原理。

液压与气动传动的研究对象
液压传动传递动力大,运动平稳,但由于液体粘性大,在流动过程中阻力损失大,因而不宜作远距离传动和控制;而气压传动由于空气的可压缩性大,且工作压力低(通常在1.0MPa以下),所以传递动力不大,运动也不如液压传动平稳,但空气粘性小,传递过程中阻力小、速度快、反应灵敏,因而气压传动能用于远距离的传动和控制。

液压与气动传动的工作原理

图1-1
液压传动的工作原理:
如图1-1是液压千斤顶的工作原理图。提起手柄→小活塞上移→小活塞下端油腔容积增大(形成局部真空)→单向阀4打开→经吸油管5从油箱12中吸油;
压下手柄→小活塞下移→小活塞下腔压力升高→单向阀4关闭,单向阀7打开→下腔的油液经管道6、单向阀7输入油缸9的下腔→迫使大活塞8上移→顶起重物。再提手柄吸油时→单向阀7自动关闭→油液不能倒流→保证了重物不会自行下落。不断地往复扳动手柄,就能不断地把油液压入举升缸下腔,使重物逐渐地升起。如打开截止阀11→举升缸下腔的油液经管道10、截止阀11流回油箱→重物就向下移动。这就是液压千斤顶的工作原理。

由上述分析可知,液压传动是依靠密封容积的变化来传递运动,依靠油液内部的压力来传递动力的,液压传动装置实质上就是一种能量转换装置,它先将机械能转换为便于输送的液压能,然后又将液压能转换为机械能,以驱动工作机构完成各种要求动作。
气压传动工作原理
气压传动工作原理和液压传动基本相同,也是能量转换的过程,不同之处在于工作介质是空气,而不是液压油,下面以气动剪切机为例说明。

(a)工作原理图

(b)符号简图
图1-2 气动剪切机
1空气压缩机;2后冷却器;3分水排水器;4储气罐;5空气过滤器;6减压阀;7油雾器;8行程阀;9换向阀;10气缸;11工料。

上图为气动剪切机的工作原理,空气压缩机1(产生的压缩空气)→经后冷却器2→经分水排水器3→经储气罐4→经分水滤水器5→经减压阀6→经油雾器7→再经换向阀9(部分气体经节流通路进入换向阀9的下腔→上腔弹簧压缩,换向阀9阀芯位于上端;大部分压缩空气经换向阀9后进入气缸10的上腔,而气缸的下腔经换向阀与大气相通,故气缸活塞处于最下端位置。)
(上料装置把工料11送入剪切机并达到规定位置)工料压下行程阀8→换向阀9阀芯下腔压缩空气经行程阀8排入大气,在弹簧的推动下,换向阀9阀芯向下运动至下端→压缩空气经换向阀9后进入气缸的下腔,上腔经换向阀9与大气相通→气缸活塞向上运动,带动剪刀上行剪断工料。工料剪下后→行程阀8脱开→行程阀8阀芯在弹簧下复位、出路堵死→换向阀9阀芯上移→气缸活塞向下运动(恢复到剪断前的状态,完成一个剪切循环,并进入下一次剪料的开始阶段。)

上述分析可知,气压传动的工作原理就是能量转换,气动剪切机: 原动机提供的机械能→经空气压缩机为空气的压力能→再经管道及控制元件进入气缸→再将空气压力能→为机械能做功而切断工料。

64个液压与气动动图大全
1.背压回路

2.直动溢流阀

3.比例远调压力回路

4.齿轮泵

5.变量泵回路

6.叶片式液压马达

7.冲液阀回路

8.普通单向阀

9.串联同步回路

10.液控单向阀

11.电磁泄荷回路

12.先导溢流阀

13.低压溢流阀

14.分流阀同步回路

15.二位二通换向阀

16.换向回路1

17.换向回路2

18.二位四通换向阀

19.节流阀出口节流回路

20.三位四通换向阀

21.节流阀旁路旁路节流调速回路

22.三位五通换向阀

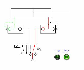
23.单级调压回路

24.机动换向阀

25.手动换向阀

26.无级减压回路

27.平衡回路

28.液动换向阀

29.减压阀

30.减压回路

31.水冷却器

32.增速缸快速回路

33.液压缸差动连接快速回路

34.调速阀并联的速度换接回路

35.调速阀串联的速度换接回路

36.电磁溢流回路

37.进油调速回路

38.节流阀进油调速回路

39.节流阀进油调速回路

40.蓄能器油缸回路

41.气缸快速往复运动回路

42.三压回路

43.双泵回路

44.双压调压回路

45.行程阀控制顺序动作回路

46.行程开关和电磁阀控制顺序动作回路

47.双作用增压缸的增压回路

48.液压泵保压回路

49.锁紧回路

50.蓄能器保压回路

51.中位泄荷回路

52.单作用增压缸增压回路

53.远程调压回路

54.典型机床回路

55.典型机床回路2

56.快进工进回路

57.用行程阀的速度换接回路

58.调速阀串联的二次进给速度换接回路

59.调速阀并联的二次进给速度换接回路

60.调速阀并联的二次进给速度换接回路2

61.行程阀控制的快慢速换接回路

62.行程控制制动式换向回路

63.行程开关和电磁换向阀控制的顺序运动回路

64.行程开关控制的快慢速换接回路


文章来源:传动网,如有侵权,请联系删除,谢谢!