关注“ PLC发烧友 ”,一起涨知识!
回复: 西门子全套 ,领西门子系列资料包!
PLC初学者 建议学习步骤:
1:如果没有电工方面的基础,我们应该从认识硬件及它的工作原理,接线开始;比如中间继电器、接触器、断路器、正反转电路、自锁电路、互锁电路等!
2:如果有电工基础可以找些PLC相关的视频,比我们自己看书走马观花要实在;现在很多网站视频都非常的详细
3:熟悉编程软件的基本使用,如上*载下**程序、PLC运行/停止模式在软件上如何切换操作等
4:继续熟悉编程软件和仿真软件的使用,自己编写程序,*载下**至仿真器模拟仿真,根据案例学习
5:然后学习继电器 ,定时器,计数器,逻辑指令、传送指令、四则运算等指令
6:认识各种传感器及NPN 和PNP传感器的区别,各种接近开关,电磁阀,电机及其相关原理和知识
7:买一台PLC当做学习机;同时电脑也是必不可少的
8:学习高速计数、模拟量、运动控制、通信、HMI的画面编辑(初学阶段也可暂时不学)
9:仿照一些案例可以自己做实操,不断去尝试。
10:强化自己的开关量练习,喷泉程序、一键启停、控制方式选择、延时启停、顺启逆停等程序
以上10点搞定,你已经超越了PLC初学者了,应该可以自己搞一些小的项目案子了
对于PLC的使用已经入门的进阶者来说,接下来就需要对PLC的各种应用功能进行学习了,在实际的生产设备中经常会用到伺服、步进,变频器,触摸屏等设备组合使用,要能够熟悉的对这些设备进行组合使用,我们需要对PLC的过程控制、定位控制,通信控制等各种功能进行学习,如果有条件话,建议自己也可以组装一套学习机箱的设备,箱子里面可以放PLC、伺服、模拟量、步进电机等等的设备。把设备都买回家,然后自己组装,自己做实操演练使用。对于学习PLC有非常大的帮助
下面我们分享几个小案例程序供大家参考学习
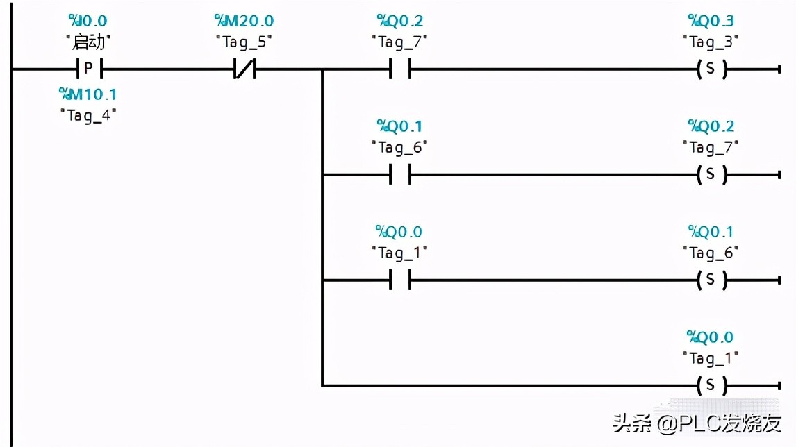
控制要求一
一个按钮控制4个灯的启停,一个急停按钮,要求:每按一次按钮,亮一个灯,再按一次亮两个,再按一次亮三个,最后一次四个全部亮,全部亮后此时按一次按钮,熄灭最后一个亮的灯,再按一次灭第三个,直到第一个熄灭后,又可以再重新启动第一个灯,一直循环周而复始,如果按下急停,所有的灯熄灭
本案例采用S7-1200系列PLC编写,程序参考如下:



控制要求二
一台电机既可点动控制,也可长动控制,两种控制方式之间要有互锁


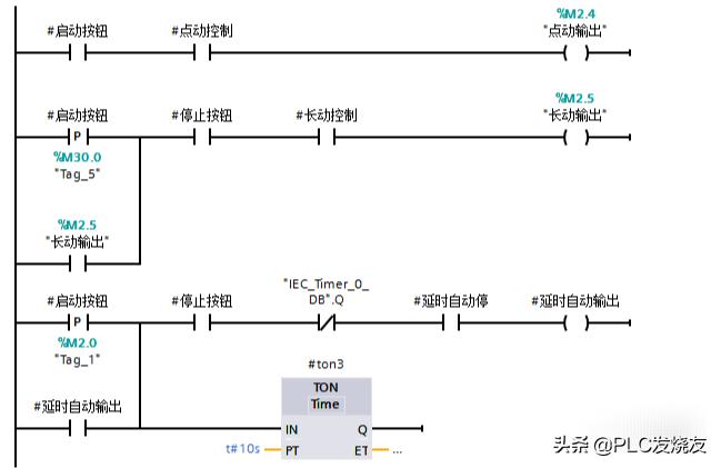
控制要求三
控制方式选择一个启动按钮,按一下时电机可点动控制,按5S是为长动控制,按10S时为启动后延时自动停止;一个模式选择开关、一个启动按钮、一个点动按钮、一个急停按钮、一个输出点Q 切换方式时,输出Q点必须停止



控制要求四
控制电机的启动并监视电机的运行时间,按下启动按钮,电机运行,按下停止按钮,电机停止,在停止按钮为NO时,,按下测试按钮可测试,电机是否正常运行

作者:技成-眭相建,未经授权不得转载!