弹簧储能起动机是什么:赋予柴油机手摇机械储能起动功能的装置。将人力多次转动的机械能量,以弹簧作为介质储存起来,一次性的释放,从而起动较大的发动机。是“黑启动”或“瘫船启动”的最佳启动解决方案。多用于军事,抢险,消防等应急工况(通常称为:机械储能起动装置、手摇起动机、弹簧马达、机械起动机,弹簧起动机等)。
储能起动机是一种新型、可靠的节能环保型柴油机起动装置。它采用纯机械式结构,除人力外,它不需借助于其它能源来完成工作过程。它其他起动方式的不同之处,是它不需要配置多种其它的辅助设备,如蓄电池、连接电缆,或储气罐、液压储能器、阀及管道等等,维护十分简单。该储能马达结构紧凑、操作安全、节约能源、无环境污染,使用成本低廉,适用性强。一般工业用

机械储能起动装置
途中,作为备用机或者能力适宜时取代其它的起动系统,可用在发电机组、矿用机械、船用机械、建筑机械、农用和排灌机械等主机上面。作为备用机的储能马达还

弹簧马达
可以与电马达一起装在柴油机上(需可装双马达的飞轮壳)。另外,还有一些特殊环境为避免产生火花,也需要安全可靠的手摇起动方式,如煤矿、海上石油钻探、某些化工品生产厂、*队军**等等。储能起动机能量的储存和释放是以弹簧为介质的,是用较为可靠的碟形弹簧为储能介质的起动机,它可以适应中型、重型,甚至大马力柴油机起动的需要。[1]
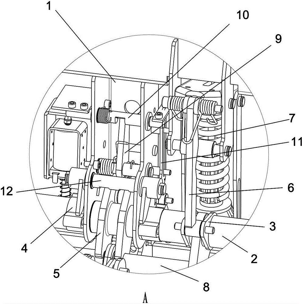
手摇碟形弹簧储能的起动机总成由四大部分(机构)组成,即盘动机构、储能机构、释放机构和离合机构。是典型的碟形弹簧储能马达的基本结构示意图。
盘动机构是人力输入机构,主要零件有盘动轴和传动齿轮付。它是将人力做功转换为弹簧势能的必经之路。其作用之一是决定人力盘动需要的盘动空间和角度,使操作便捷舒适;其次它改变输入转矩的旋向,使旋转的轴线符合碟形弹簧储能的主轴轴线方向;第三个作用就是限制盘动轴的反转;第四个作用是对主轴径向的支承和轴向的止推。




弹簧储能起动机
工作原理
储能机构是起动机的主要机构,主要零件有碟形弹簧和主轴,它们和与其配合的零件一起,实现以下几个功能,一是将前述人力输入转矩转换成轴向力,这个力压缩碟形弹簧组,将能量储存起来;二是将弹簧势能转换成通过主轴输出的转矩,形成带动柴油机旋转的动力。
弹簧起动安装在机组上
释放机构是起动机的操纵机构,主要零件有提升杆总成和释放杆工作链。操作者通过提升杆和释放杆实现两项操作。操作提升杆的目的是让释放机构处于准备储能的状态,在这个状态下,主轴的旋转将被限制,以便实现弹簧的储能。操作释放杆的目的是当储能过程完成,柴油机需要起动的时候,解除主轴旋转的限制,同时完成碟形弹簧释能、主轴输出转矩,带动飞轮驱动齿轮旋转的柴油机起动过程。离合机构是使起动机和发动机的运动相结合和脱开的机构,主要零件是飞轮驱动齿轮,它借助于起动机主轴上的螺旋槽,产生轴向移动,当需要起动柴油机的时候,主轴的旋转推动它向飞轮方向运动,实现和飞轮齿圈的啮合;反之,当起动机工作完成,柴油机开始主动旋转时,柴油机飞轮带动飞轮驱动齿轮的旋转,同时使其沿轴线反向移动,脱开齿轮的啮合。



配套康明斯用的弹簧马达
储能起动机的操作简便。当柴油机需要起动的时候,先确保柴油机供油系统的柴油供给正常,拉动起动机的提升杆,使释放机构处于储能准备状态,用盘动手柄按规定的方向转动起动机盘动轴数圈,达到所需的储能状态,然后按指示的方向推动释放杆,即可完成柴油机的起动。