专题(1)欧姆定律计算题
类型1:动态电路计算
1.如图甲,一种测量温度的电路。已知:电源电压为6V,Rt是热敏电阻,阻值随温度变化的图象如图乙,电流表采用“0~0.3 A”的量程.
(1)当环境温度是40℃时,电流表的示数为0.2A,求:此时Rt两端的电压、R0的阻值;
(2)该电路能测量的最高温度是多少?

解:(1)由图像,当温度是40℃时,Rt=25Ω,Ut=IRt=0.2A×25Ω=5V
U0=U-Ut=6V-5V=1V,R0===5Ω
(2)电流表量程“0~0.3A”,最大电流0.3A,此时,最小总电阻:R小===20Ω
所以,Rt小=R小-R0=20Ω-5Ω=15Ω,由图乙知,对应的最高温度为90 ℃.
2.如图,电源电压可调,小灯泡上标有“6V 0.5A”的字样(不考虑温度对电阻的影响),电流表的量程为0~0.6A,电压表量程为0~3V,滑动变阻器规格为“20Ω 1A”.
(1)电源电压调至6V,闭合开关S1和S2,移动滑片,使小灯泡正常发光,电流表示数为0.6A,求:电压表示数、R0阻值。
(2)电源电压调至8V,断开开关S1、闭合开关S2,为了保证电路安全,求滑动变阻器的阻值变化范围.

解:(1)闭合开关S1和S2,灯泡L与滑动变阻器R串联,灯泡正常发光时,电压表示数:UR=U-UL=6V-6V=0V
此时,IL=0.5A,所以,I0=I-IL=0.6A-0.5A=0.1A,由I=可得,R0的阻值:R0===60Ω
(2)RL===12Ω
断开开关S1,闭合开关S2,灯泡L与滑动变阻器R串联,因电源电压U′>UL,
所以,灯泡正常发光时,电路中的电流最大,即I大=0.5 A,
此时电路中的总电阻:R总===16Ω,滑变阻值:R小=R总-RL=16Ω-12Ω=4Ω
当电压表的示数UR大=3V时,滑变阻值最大,此时,UL′=U′-UR大=8V-3V=5V
电路中的电流:I小====A,所以:R大===7.2Ω
所以,滑动变阻器的阻值变化范围为4~7.2 Ω.
类型2:分类讨论计算
3.如图1,定值电阻R1=30Ω,闭合开关时,整个电路正常工作,两电流表指针在同一位置,示数如图2。求:
(1)电源电压U是多少?
(2)通过定值电阻R2的电流是多少?
(3)现用一个未知阻值的定值电阻Rx替换R1或R2,替换后只有一个电流表示数发生了变化,请判断Rx替换的是R1还是R2.
(4)替换后,电流表示数减少了0.3 A,求:未知电阻Rx的阻值.

解:(1)根据图2得I1=0.3A,I总=1.5A,U1=I1R1=0.3A×30Ω=9V,电源电压U=U1=9V
(2)I2=I总-I1=1.5 A-0.3 A=1.2 A
(3)未知电阻Rx替换的是R2
(4)由题意:I′总=I总-0.3 A=1.A-0.3A=1.2A,则Ix=I′总-I1=1.2A-0.3A=0.9A,Rx===10Ω
4.如图甲,电阻R1=20Ω,滑动变阻器R2上标有“50Ω 2A”的字样,当滑片移至a端时,闭合开关,电流表的示数为0.3 A。
(1)求电源电压U;
(2)若将一只电压表并联接入该电路(A和B)、(B和C)、(A和C)中的某一部分两端,调节的滑片,使电压表的指针指在图乙位置,请指出电压表所有可能连接的位置,并求出滑动变阻器R2对应的电阻值.

解:(1)U=U1=I1R1=0.3A×20Ω=6V
(2)电源电压为6 V,电压表只能选用小量程,其示数应为2V,则电压表不能接在AC间。
当电压表并联在AB两端时,U1′=2 V,则U滑=U-U1′=6V-2V=4V
根据串联分压规律:=,即= 解得:R滑=40Ω
当电压表并联在BC两端时,U滑′=2 V,则U1″=U-U滑′=6V-2V=4V,
根据串联分压规律:=,即:=,解得:R滑′=10Ω
综上可知,电压表可接在AB间,此时变阻器连入的电阻为40Ω。
电压表可接在BC间,此时变阻器连入的电阻为10Ω。
专题(2):电路故障分析
|
1、(2017·哈尔滨)如图 ,闭合开关,调节滑片,L1变亮,L2始终不亮。 可能原因是( C ) A.滑变断路 B.滑变短路 C.灯L2短路 D.灯L2断路 |
|
|
2.(2018·南京)如图,闭合开关,电路正常工作。过一会儿,其中一个灯泡突然熄灭,一个电表示数增大,另一个电表示数几乎为零。 原因可能是( B ) A.甲灯短路 B.乙灯短路 C.甲灯断路 D.乙灯断路 |
|
|
3.(2018·长沙)如图,闭合开关,两灯都不亮。 用电压表测得:Uab=0,Ubc=0,Ucd=6V,Uad=6V。 则故障可能为( C ) A.L1断路 B.L1短路 C.L2断路 D.L2短路 |
|
|
4.(2017·宜宾)如图,闭合开关,两灯均不亮,原因是其中一个灯坏了,下面哪些方法能够检测出坏灯泡( ACD )(多选) A.用一根导线分别与两个灯泡并联 B.用一个电流表分别串联在图中的a、b、c三点 C.用一个电压表分别与两个灯泡并联 D.用一个小灯泡分别与两个灯泡并联 |
|
|
5.(2016·遵义)如图,闭合开关,两灯均不亮。用一根导线分别连接到ab,bc,cd,ac两点,两灯均不亮,用导线连接到bd两点时,灯L1发光,L2不发光,则电路的故障是( B ) A.灯L1与开关S均开路 B.灯L2与开关S均开路 C.灯L1与开关S均短路 D.灯L2与开关S均短路 |
|
专题(3)电学实验题
类型1:探究串并联电路的电流电压规律
1、(2018·济宁)用如图电路,探究并联电路中的电流关系.
|
电流表的测量对象 |
电流表的示数I/A |
|
L1所在的支路 |
0.30 |
|
L2所在的支路 |
0.20 |
|
干路 |
0.50 |

(1)闭合开关,发现L1亮,而L2不亮.小易认为L2不亮的原因是L2短路,你认为他的判断是________(填“正确”或“错误”)的.
(2)小易将电路中开关右侧的导线与电流表“0.6”接线柱相连的那一端改接到“-”接线柱上,其他都不动,这样连接的目的是测________(填“干路”或“L2”)的电流,请评价其可行性并说明理由:
________________________________________________________________________.
(3)小易将实验数据记录在下表中.分析表中数据.可得出的结论是:________________________________________________________________________.
(4)根据上表信息,若灯泡L1的电阻大小为10 Ω,则电路的总电阻为________Ω.
答案:(1)错误 (2)L2 不可行,因为电流表的正负接线柱接反了
(3)并联电路中干路电流等于各支路电流的和 (4)6
2、用如图电路,探究串联电路的电压特点:
|
实验序号 |
U1/V |
U2/V |
U/V |
|
1 |
2.3 |
0.7 |
3.0 |
|
2 |
2.0 |
1.0 |
3.0 |
|
3 |
1.7 |
1.3 |
3.0 |

(1)实验中应选择规格________(填“相同”或“不相同”)的灯泡.
(2)分析实验数据,可得到串联电路的电压特点是_________________(用公式表示).
(3)进行多次实验的主要目的是________________(填“寻找普遍规律”或“减小实验误差”).
答案:(1)不相同 (2)U=U1+U2 (3)寻找普遍规律
类型2:探究影响导体电阻大小的因素
1、如图,探究影响导体电阻大小因素,导线a、b、c粗细相同,b、d粗细不同; a、b、d长度相同。

(1)该实验是通过观察________的示数间接比较导线电阻的大小.
(2)选用导线a、b分别接入电路中,是为了探究电阻大小跟导体的________有关.
(3)选用导线b、c分别接入电路中,是为了探究电阻大小跟导体的________有关.
(4)选用导线________分别接入电路中,是为了探究电阻大小跟导体的横截面积有关.
(5)导体的电阻大小除了与上述因素有关外,还可能跟________有关.
答案:(1)电流表 (2)材料 (3)长度 (4)b、d (5)温度
类型3:探究电流与电压、电阻的关系,测小灯泡的额定功率
1、(2018·咸宁)朵朵和同学们在做电学实验过程中:


(1)为完成“探究电流与电压的关系”的实验,朵朵依次对实验电路进行了三次改进,如图甲、乙、丙。由图甲改进为图乙是为保证实验过程中________这一因素不变;由图乙改进为图丙是因为使用滑动变阻器既能保护电路,又能通过调节使电阻R两端的电压________(填“改变”或“保持不变”).
(2)请用笔画线代替导线,帮助朵朵按电路图丙将图丁中实物电路连接完整.
(3)朵朵连完电路,闭合开关后,发现两个电表的指针总在晃动.请分析造成这一现象的原因:电路存在________.
(4)在继续用图丁的实物电路探究“电流与电阻的关系”时,朵朵先将5Ω电阻接入电路,调节滑动变阻器,使电压表的示数为2 V,记下电流值;再将5Ω电阻换成10Ω电阻,她下一步操作是:将滑动变阻器的滑片向________(填“A”或“B”)端移动.

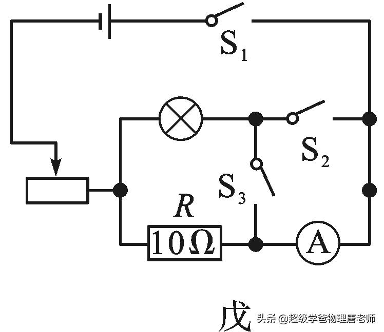
(5)完成上述探究活动后,想测量一只额定电压为2V小灯泡的额定功率,但发现电压表被别的同学拿走了,于是她借助一个10Ω的电阻,设计了如图戊的电路,也测出了小灯泡的额定功率.具体操作如下:
①只闭合开关S1、S2,调节滑动变阻器,使电流表的示数为________A时,小灯泡恰好正常发光;
②只闭合开关S1、S3,保持滑动变阻器滑片的位置不变,读出电流表示数为I.
③P灯=____________(用已知量和测量值表示,数值要求带单位).
答案:(1)电阻,改变 (2)如图 (3)接触不良 (4)B
(5)①0.2 ③ 2V×(I-0.2 A)

2、(2018·重庆)在探究“通过导体中的电流与电阻的关系”实验中,电源电压恒为10V。已有的5个定值电阻的阻值分别为20Ω、30Ω、40Ω、50Ω、60Ω.

(1)如图甲,用笔画线代替导线,将图乙所示的实物电路连接完整.(导线不交叉)
(2)闭合开关前,滑动变阻器的滑片应移至最________(填“左”或“右”)端.闭合开关后,发现电流表针指针不偏转,电压表指针有明显偏转,原因可能是电阻R________(填“短路”或“断路”).
(3)在实验中,先接入20Ω的电阻,调节滑动变阻器的滑片P至某一位置时,观察到电流表、电压表指针位置如图丙、丁所示,则电流表示数为________A,电压表示数为________V,接下来用30Ω代替20 Ω的电阻做实验时,应将滑动变阻器的滑片P从上一位置向________(填“左”或“右”)滑动.


(4)为了完成实验探究,依次将剩下的3个定值电阻,分别接入图乙的电路中,替换前一次接入的定值电阻,调节滑动变阻器的滑片P至合适位置,再读出电流表的示数,计算出每次接入的定值电阻R的倒数,以电阻的倒数为横坐标,电流I为纵坐标,在坐标系中描点并作出I-图象,如图戊。
由图象可初步得出结论:在电压一定时,导体中的电流跟导体电阻的倒数成________比;
由此进一步得出结论:在电压一定时,导体中的电流跟导体的电阻成________比.
(5)上述实验中所选滑动变阻器的最大阻值至少为________Ω.
答案:(1)如图 (2)右,断路 (3)0.4,8,右 (4)正,反 (5)15

类型4:伏安法测电阻
1、(2018·长春)如图甲,测量额定电压为2.5 V的小灯泡正常发光时的电阻。
(1)要用电压表测量小灯泡两端的电压,电路中有一处导线连接错误,请在错误的导线上打“×”,并用笔画线代替导线将电路连接正确.

(2)实验过程中,当电压表示数为2.1 V时,电流表示数如图乙,为使小灯泡正常发光,应将滑动变阻器的滑片向________移动。
(3)当电压表示数为2.5 V时电流表的指针在图乙指针的位置上偏转了一个小格,则灯丝的电阻约为________Ω(结果保留一位小数).
答案:(1)如图 (2)右 (3)7.8

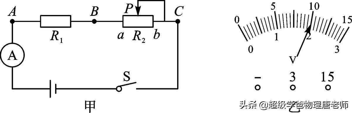
2、(2018·河南)如图甲,测量未知电阻Rx的阻值,阻值大约为5Ω.



(1)请你根据电路图,用笔画线代替导线,在图乙中完成实验电路的连接.
(2)闭合开关前,应将滑动变阻器的滑片置于________(填“A”或“B”)端.
(3)闭合开关,发现电压表和电流表均无示数.小芳利用另一个完好的电压表进行检测,把电压表分别接在a、b之间和b、c之间,电压表均有示数;接在a、c之间,电压表无示数.如果电路连接完好,只有一个元件有故障,该故障是__________________________________________________________________.
(4)排除故障后,调节滑动变阻器,记录多组数据,画出了待测电阻Rx的I-U图象,如图丙。由图象可得Rx=________Ω。(保留整数)
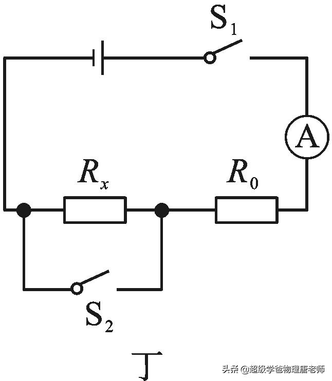
(5)小芳又设计了一种方案,也测出了Rx的阻值.如图丁,R0为阻值已知的定值电阻,电源电压未知且恒定不变.测量步骤如下:
①当开关______________时,电流表读数为I1;
②当开关S1、S2都闭合时,电流表读数为I2;
③待测电阻Rx=________.(用已知和测出的物理量符号表示)
答案:(1)如图 (2)B (3)滑动变阻器断路 (4)4 (5)①S1闭合、S2断开 ③

类型5:测小灯泡的额定功率

1、(2017·济宁)小可将电源、开关、导线、滑动变阻器、电流表和电压表接入电路,用“伏安法”测额定电压为2.5 V小灯泡的功率.

(1)请在图1方框内画出实验电路图.
(2)小可根据实验数据绘制了小灯泡的U-I图象,如图2甲所示.观察图象,发现AB部分为线段,BC部分为曲线。为便于分析,将线段AB延长作出图线,如图2乙所示.比较甲、乙两图线,发现两图线间的距离随着电流的增大而增大,说明__________________________________________________.
(3)根据图象中B点对应的电压和电流值,计算小灯泡的电阻R=________Ω。
当电压为2.5 V时,根据甲图线计算小灯泡的功率P甲=________W。
根据乙图线计算小灯泡的功率P乙=________W。
(4)请结合以上分析和计算,解释白炽灯泡烧坏往往发生在开灯瞬间的原因:___________________________________________________________________________________________________.
答案:(1)如图 (2)温度越高,灯丝电阻越大 (3)5,0.625,1.25
(4)开灯时,灯丝的温度低,电阻相对较小,根据电功率公式P=可知,此时的功率较大,灯丝瞬间产生热量较高,灯丝易烧断

类型6:探究电流通过导体产生的热量与哪些因素有关
1、(2018·河北)如图1,探究“电流通过导体产生的热量与电流的关系”,相同烧瓶内装满了煤油.


(1)烧瓶中装入的煤油是________(填“导体”或“绝缘体”).
(2)请根据实物电路,在虚线框图2内画出对应的电路图.
(3)选用的两电阻丝R1与R2的阻值应________,通过R1的电流________通过R2的电流.
(4)通电一段时间后,乙烧瓶中玻璃管内液面上升的高度较大,说明:________________________________________________________________________.
(5)用如图3装置,进一步探究“电流通过导体产生的热量与电流的关系”,经多次实验测量,收集实验数据,绘制了烧瓶中玻璃管内液面上升的高度h与电流的关系图象,根据焦耳定律可知,图4中能正确反映h-I关系的是________.

(6)用Q=I2Rt可以算电流通过任何用电器产生的热量,能用Q=UIt计算电流通过任何用电器产生的热量吗?请用实例说明原因.
________________________________________________________________________________________________________________________________________________________________________________________________.
答案:(1)绝缘体 (2)如图 (3)相等,小于
(4)在电阻和通电时间相等时,电流越大产生的热量越多
(5)A
(6)不能,含有电动机的电路(电风扇),电流做的功W大部分转化为机械能,只有一小部分转换化内能Q,此时W=UIt>Q.





