电压互感器在三相电路中常用的接线方式有四种,分别是:
1.一个单相电压互感器的接线
2.两个单相电压互感器的V/V形接线
3.三个单相电压互感器接成Y0/Y0
4.一台三相五芯柱电压互感器接成Y0/Y0/Δ(开口三角形)
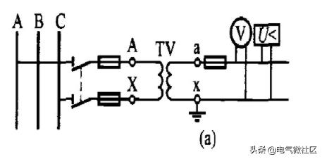
一个单相电压互感器的接线,用于对称的三相电路,二次侧可接仪表和继电器,如图:

这种接法是最简单的,但只能测一相电压,互感器的二次侧要求接地即可。
两个单相电压互感器的V/V形接线,可测量线电压,但不能测相电压,它广泛应用在20kV以下中性点不接地或经消弧线图接地的电网中。如图:

V/V接法原理图

V/V接法3D示意图

V/V连接的两个电压互感器二次侧两个开口端之间的电压与其一次侧的两个开口端电压存在对应的相量关系。也就是说,二次侧两个开口端及公共端之间的电压也同样满足电源三相电压的关系。
因此,虽然“B相无电压”(未施加任何电压),输出端的电量仍然是三相电量。左图是正确接线,从相量图看三相平衡;右图是错误接线,从相量图看三相不平衡。
三个单相电压互感器接成YN/YN形,如下图。可供给要求测量线电压的仪表和继电器,以及要求供给相电压的绝缘监察电压表。

Y/Y接法原理图

Y/Y接法3D示意图

三个单相电压互感器接成Y0/Y0形,可供给要求测量线电压的仪表和继电器,以及要求供给相电压的绝缘监察电压表。
一台三相五芯柱电压互感器接成YN/YN/Δ(开口三角形),如图所示。接成Y0形的二次线圈供电给仪表、继电器及绝缘监察电压表等。辅助二次线圈接成开口三角形,供电给绝缘监察电压继电器。当三相系统正常工作时,三相电压平衡,开口三角形两端电压为零。当某一相接地时,开口三角形两端出现零序电压,使绝缘监察电压继电器动作,发出信号。

综上,电压互感器的接法不是孤立不变的,他应该根据用户的实际需求,成本,使用功能等因素综合考虑,如果只要用到计量或是提供操作电源,那就用VV接法即可。但要有绝缘监视等功能,那或许就要用到YN/YN/Δ(开口三角形)接法了。
电流互感器不完全星型接法:

电流互感器不完全星型接法原理图

电流互感器不完全星型接法3D示意图
电流互感器星型接法

星型接法原理图(适用10kV以上)

星型接法原理图(适用400V)

星型接法3D示意图(400V)
电能表接线示意图

三相三线电能表组合接线示意图

三相四线电能表组合接线示意图

- 注:以上仅供大家学习交流讨论。