玛雅maya44声卡怎么调试 (maya 44声卡使用教程)

玛雅may44声卡怎么安装,玛雅may44声卡支持win10吗

“MAYA44 V3”专业录音声卡(录音棚首选,带有话筒放大器和幻象电源)

4进4出24bit/96KHZ音频介面

maya44v3是高指标的多轨数位硬碟录音的完全解决方案。maya44v3具有令人难以置信的强大和丰富的功能特性。凭藉强大的使用功能和合理的价位,maya44v3使刚刚涉足电脑数位音频制作的初学者、使用pc音频系统的dj和专业音乐制作人满意。

随著电脑技术的普及和广泛应用,数位音频系统已成为了音乐制作行业的主流趋势。配合maya44v3,你可以轻松组建属於自己的dtmp(桌面音乐制作)系统。maya44v3将成为你的dtmp系统的核心,并提供给你专业录音室等级的音质效果。maya44v3同时也是帮助你步入专业数位音频制作领域的良师益友。

maya44v3继承了老maya44的全部优点。改进了的ad/da转换全部提升到了真正的24bit/96khz,强化了内部混音器(directwire虚拟连线)功能,并对软体控制介面进行了最佳化,电平表的读取也更加精确。全新的maya44v3提供了对mi/odi/o子卡扩展的支援,来增加额外的数位输入及midi介面。maya44v3同时具备120mw的超强耳机放大及稳定的ice控制器晶片设计。maya44v3是现今桌面音乐制作系统中最为超值的数位音频介面。

特性

1.类比4进4出介面

2.24bit/96khz的ad转换及da转换

3.全双工的录音及*放播**

4.s/pdif同轴及光线数位输出

5.零延迟的硬体输入直接监听

6.内置4通道内部数位混音器

7.带+12v幻象供电的麦克风前置放大

8.125mw 320hm的耳机放大

9.包含支援asio/mme/wdm/gsif/directwire 3,0的e-wdm驱动程式

10.可另购mi/odi/o子卡来增加数位音频及midi介面

E-WDM驱动程式和DirectWIRE

audiotrak的e-wdm驱动程式

全面的驱动程式相容特性,支援所有的专业音乐制作软体

当今的软体驱动程式技术限制音频卡只能通过microsoft的wdm驱动程式来将音频流传输到音频硬体进行处理。而e-wdm驱动程式的出现,打破了以microsonwdm驱动程式为中心的限制。e-wdm驱动程式可以良好地支配cpu的强大资源来即时将虚拟声音及效果提供给音频流。e-wdm驱动程式提供给maya44v3全面的驱动程式相容特性(包括支援wdm、asio2.0、gsif等驱动程式),并可以极低的延迟表现在专业音乐软体中运行工作。

audiotrak的directwire特性

可录制任何音频源,在没有音频线连接的情况下分配数位音频流audiotrak的directwire是一种新的驱动程式技术。在使用各种音频驱动程式(如wdm、asio、gsif、mme等)录音和处理时,这种技术可以在软体内部传输音频资料。directwire能同时发送音频流,还能无资料损失的即时从一个软体到另一个软体进行录音。而全新的directwire3.0更是可将外部信号输入源和内部软体信号音频流同时录入到另外一个软体当中。

专业数位录音——DTMP

maya44v3采用e-wdm驱动程式模型,来提供出众的资料处理表现以及更广泛的相容特性。e-wdm驱动程式将多轨数位硬碟录音工作发挥到最佳状态。maya44v3相容各种流行的音乐制作软体,包括有cakewalk/sonar、cubase、nuendo、logic,还有控制软体如sound forge及wavelab等。同时maya44 v3相容多种取样软体,像kontakt、sampletank、giga、logicaudio、exs24,halion等,以及相容虚拟乐器软体,reason、reaktor等。

硬体安装

系统推荐

maya44v3不仅是简单的一个数位音频介面,还是一个能够以高性能处理音频的高解析度数位音频设备。虽然maya44v3可以运行在低性能处理器的系统中,但系统配置对maya44v3的性能有关键性影响。我们推荐高配置的系统。

系统要求

1.intel pentiumⅲ处理器或同等级amd cpu

2.相容intel及via主板晶片组

3.最低256mb记忆体

4.一个空闲的pci插槽

5.微软windows98se/me/2000/xp作业系统

6.支援udma66/100硬碟,最低转速5400rpm

7.主动式喇叭或配备功放的被动式喇叭

准备安装硬体

maya44v3pci卡和电脑中的其他零件一样都很容易被电击损坏。你应该使用防静电装置来移掉自身的静电从而防止对卡带来静电损坏。

maya 44v3被装在一个防静电塑胶袋中来防止静电损坏,在安装卡之前请不要打开这个包装袋,并按以下步骤进行安装作业。

1.关掉电脑并拔掉电脑电源线。

玛雅may44声卡怎么安装,玛雅may44声卡支持win10吗

2.按照电脑使用说明书打开机箱盖。确定有一个空间的pci插槽用于安装maya44v3。

玛雅may44声卡怎么安装,玛雅may44声卡支持win10吗

3.为防止静电对电脑部件可能带来的损坏,请触摸电脑外壳或触地的东西。我们建议您使用防静电装置如防静电护腕。

4.当您取用maya44v3卡时,请接触标示部位或者卡的边缘。不要握住板面或碰触元件。

安装PCI卡

1.在主板上找到一个空间的pci插槽。

玛雅may44声卡怎么安装,玛雅may44声卡支持win10吗

pci插槽在哪?大多数电脑有三种类型的插槽。pci插槽是最普通的一种,能用于不同的设备,包抱音效卡和圆形卡。

通常,pci插槽为白色。agp插槽只用于圆形卡,为褐色。

玛雅may44声卡怎么安装,玛雅may44声卡支持win10吗

2.如果pci插槽后有挡板,卸下螺丝拆下它或者用起子撬开它。

3.将maya44 v3插入pci插槽,并紧推直到牢固,然后装上螺丝,旋紧。

玛雅may44声卡怎么安装,玛雅may44声卡支持win10吗

4.装上机箱盖。

MI/ODI/O子卡(另售)

mi/odi/o子卡不包含在maya44v3包装内,它是另外单独购买的。

mi/odi/o提供一个同轴输入输出、一个光纤数位输入和16个midi输入输出通道。

mi/odi/o用作maya44v3系列音频卡的子卡。它易於安装,而且不需电源或安装驱动程式,不涉及irq中断设置。

通过增加s/pdif进/出供电和midi介面,mi/odi/o使你从maya44 v3获得更多的功能。按下图将mi/odi/o连接在maya44 a3上。

一切就绪!

玛雅may44声卡怎么安装,玛雅may44声卡支持win10吗

安装驱动程式

当安装了maya44v3的硬体後,还要安装maya44v3驱动程式。本手册描述了windowsxp平台上驱动程式软体的安装步骤。在windows 98se、windowsme、windows2000andxp平台下的安装步骤有一些差别。

在安装驱动程式软体之前,先放入在安装过程中可能用到的windows光碟。采用新晶片的主板可通过主机板或晶片制造商提供的修补程式不断更新主机板驱动程式。

windows xp系统中的安装

从本公司网站(www.mediatek.com.tw)*载下**最新版本的maya44v3驱动程式。

最新驱动程式版本更正错误,具有更新的特性。

1.启动电脑。windows将会自动侦测出新安装的硬体并出现“寻找新增硬体精灵”视窗。

玛雅may44声卡怎么安装,玛雅may44声卡支持win10吗

2.选择“从清单或特定位置安装(进阶)”并点击“下一步”。

3.在光碟机中放入maya44v3驱动程式光碟。

4.选择“在这些位置上搜索最好驱动程式(s)”,再选择“搜索时包括这个位置”,点击“浏览”按钮将maya44v3驱动程式文件夹指定到cd光碟机。

玛雅may44声卡怎么安装,玛雅may44声卡支持win10吗

若从*载下**的更新驱动程式进行安装,请指定所*载下**驱动程式文件的位置。

5.点击包含maya44v3驱动程式的文件夹,点击“ok”以及“下一步” 。

6.在windows 2000和xp系统中安装,可台绘出现资讯“没有通过windows标志测试,以确认它与windowsxp的相容性”。实际上,驱动程式已经由audiotrak完全测试验证了,使用十分安全。您可以忽略这个资讯,选择“继续安装”,安装将继续进行直到驱动程式被复制到您的电脑上。

玛雅may44声卡怎么安装,玛雅may44声卡支持win10吗

7.安装程式将驱动程式复制到电脑中。

8.当安装完成後,点击“完成”。

玛雅may44声卡怎么安装,玛雅may44声卡支持win10吗

9.“寻找新增硬体精灵”视窗将再次出现,继续安装附加的maya44v3驱动程式。这个过程与第一个安装的步骤相同。

10.当第二个驱动程式安装完成後,在桌面的左下角会出现一条提示资讯“安装完毕,可以使用硬体”。

11.重新启动电脑完成安装。

为了确认maya44v3驱动程式已经安装,点击桌面左下角的“开始”功能表,选择设定]控制面台。点击系统打开系统内容视窗。点击此视窗中的硬体标签,在“装置管理员”部分点击装置管理员按钮。maya44v3驱动程式应在“音效、视讯及游戏控制器”部分的列表中,所以点击“+”展开这一部分。

玛雅may44声卡怎么安装,玛雅may44声卡支持win10吗

maya44v3驱动程式安装完成。

WINDOWS音频驱动程式属性

要检查windows是否已经正确识别maya44v3并选择它为预设的音频设备,点击桌面左下角的“开始”功能表,选择“设定]控制台”。点击“声音及音讯装置”打开“声音及音讯装置内容”窗口。选择“音讯”标签。

maya44v3驱动程式在“音效*放播**”和“录音”的列表中

玛雅may44声卡怎么安装,玛雅may44声卡支持win10吗

由於maya44v3控制介面具有所有的输入输出调音控制介面,一些进阶属性按钮变灰(不可用)。控制介面的一些特性替代了原有的windows预设的调音台。这不意味著您不能使用进阶选项。maya44v3控制介面包含所有的音频特性。有些特性与基本的调音台控制一致。

MAYA44 V3的介面

玛雅may44声卡怎么安装,玛雅may44声卡支持win10吗

2.类比线路输入3/4介面(立体声输入)

3.类比线路输出1/2介面(立体声输出)

4.类比线路输出3/4介面(立体声输出)

5.同轴数位输出介面

6.光纤数位输出介面

7.mi/odi/o子卡介面

maya44v3的输出埠使用立体声2x单声道y形线。如下图所示,maya44v3输入埠使用立体trs插孔,与连的接调音台和外部设备需要2个单声道插孔分别作为左右声道。立体(trs)接头端的tip与左(白色)进/出埠连接。ring连接到右(红色)进/出埠。sleeve与两通道的地线相连。

玛雅may44声卡怎么安装,玛雅may44声卡支持win10吗

外部设备基本连接

1.类比输入(1-4)获得信号输入到maya44v3和电脑。可以连接一般cd*放播**器、md和其他类比音频源来收听和录音。也可以连接音源、取样机和合成器录制它们的输出。

玛雅may44声卡怎么安装,玛雅may44声卡支持win10吗

2.麦克风输入(类比输入1&2)用来连接一个麦克风。也可以连接动圈麦克风或需要幻象供电的电容麦克风。你可以录入声音或者乐器如吉他、贝斯和钢琴。

玛雅may44声卡怎么安装,玛雅may44声卡支持win10吗

3.类比输出埠(1-4)有两种不同的模式。

1)使用4输出埠

这种情况下,类比输出1-4作为音频*放播**设备的输出。你可以在软体或windows多媒体特性中设置它们。当使用混音台或多通道录音设备时,常使用这种模式的多输出。你可以在多轨录音软体如cubase~cakewalk中使用它们。

***下图中黑色箭头表示此模式的连接方式。

2)输出1和2作为两通道主监听模式/使用耳机

当你没有混音台或想得到2通道缩混和主输出时,可以使用这种模式。

输出1和2成为maya44v3的立体声主输出。它的优点是通过输出1和2可以监听maya44v3的所有输入和输出。同时,输出3/4作为耳机监听输出。在控制介面上选择耳机钮,你就可以使用耳机监听输出1/2。

***下图中黑白色箭头表示此模式的连接方式。

玛雅may44声卡怎么安装,玛雅may44声卡支持win10吗

4.数位输出(同轴,光纤)可以将音频输出、mp3档案或音频档案直接录制到md、dat或cd答录机。你可以连接s/pdif相容设备如md、dat或cd录音机,以最小的信号损失传送音频资料。

玛雅may44声卡怎么安装,玛雅may44声卡支持win10吗

maya44 v3没有s/pdif同轴和光线数位输入介面。但是你可以购买mi/odi/o子卡,如下所示。

玛雅may44声卡怎么安装,玛雅may44声卡支持win10吗

MAYA44 V3控制

maya44 v3控制介面是maya44 v3的控制中心。通过控制介面就可以就必通过一系列的功能表而调整输入和输出。

安装maya44 v3硬体和驱动程式后,控制介面图示就会出现在任务栏中。点击图示进入控制介面。

玛雅may44声卡怎么安装,玛雅may44声卡支持win10吗

控制介面功能表

关闭maya44 v3控制介面视窗,并不是关闭maya44 v3。你可以随时点击任务栏中的控制介面图示启动控制介面。

玛雅may44声卡怎么安装,玛雅may44声卡支持win10吗

设定功能表

1.滑鼠滚轮

使用滑鼠滚轮调整音量。滚动比例等级从1到8。

2.延迟

调整maya44v3的延迟时间(通常也指缓冲区大小)。选择的缓冲区值越小,延迟时间就越短。对软体合成器和精确适时录音选择小缓冲区,效果非常理想。

同时,延迟时间也受系统性能的限制。在录音时,选择64-152的缓冲区值。对pentim 4系统,选择128或256的缓冲区。大小为48、1024和2048的缓冲区用於特殊的环境。大小为48的缓冲区专门为非常快速和可信赖的asio驱动程式工作环境预留。

3.恢复系统预设值

将控制介面重置为初始的预设设定。

4.永远置於最顶

控制介面总显示在所有打开视窗的上面。这样更易於操作maya44 v3和同时工作的其他音乐软体。

5.连动模式

同时锁住左右音量调整杆。

directwire3.0

(後面将作详细描述)

输入介面

1.mic,line 1/2

在输入l/2选择线级输入或麦克风输入。选择後,灯变蓝。

2.mic phantom+12v

点击此按钮,将为输入1/2的电容麦克风提供+12v的幻象供电 (当使用动圈麦克风时,此按钮应不亮,表示没有为麦克风提供幻象供电。对动圈麦克风提供幻象供电将损坏麦克风。)

玛雅may44声卡怎么安装,玛雅may44声卡支持win10吗

3.mon

点击此按钮,选择监听音源。

4.ana,dig

当连接了mi/odi/o子卡时,你可以在输入3/4选择类比输入和数位输入。否则,自动设定为类比输入。 (当通过输入3/4监听数位输入时,经过da转换器的数位信号与波形输出不能混合。)

5.调整杆

对於每一个音源显示和改变输入电平。可以通过滑鼠、滑鼠滚轮和方向键设定电平。最高电平为+12db(400%),需要进行调整。参考电平在-3db和-6db之间。

通过点击db指示器设置静音和取消静音。

输出介面

通过电平调整杆和电平表调整和监听每个音频通道的输出电平。在输出3/4的电平调整杆上点击耳机图示,输出埠3/4将转换为耳机插孔。maya44v3将提供一个高传真耳机放大器功能。

1.line 1/2与3/4

分别代表输出埠1/2和3/4

2.mix

通过选择此按钮,将类比输出1/2和3/4混合在一起,并通过输出线路1/2输出。换句话说,你可以通过类比输出1/2得到通道1/2和3/4的混合输出。

玛雅may44声卡怎么安装,玛雅may44声卡支持win10吗

maya44v3相当於自身内置混音台。一些只能使用windows预设混音台的录音软体可能与maya44v3不相容。

3.hp

选择此按钮可以使耳机在输出线路3/4输出。

4.调整杆

显示和改变每个音源的输出电平。可以通过滑鼠、滑鼠滚轮和方向键设定电平。通过点击db指示器对输出设置静音和取消静音。

5.master

显示和改变最终输出的电平。可以通过滑鼠、滑鼠滚轮和方向键设定电平。通过点击db指示器对输出设置静音和取消静音。

数位输入/输出、时脉和取样频率

maya44v3支援数位输入肠出。但,maya44v3只有同轴和光纤数位输出。你需要另外购买“mfodi/o”子卡支援数位输入。

1.s/r

为maya44v3选择取样频率。绿灯指示出当前的取样频率omaya44v3支援22,24,32,44.1,48,88,96(khz)的取样频率。选择a(自动模式)可以自动与音频源的取样频率相匹配(红灯亮)。关掉自动设置可以人工设定取样频率(红灯灭)。

玛雅may44声卡怎么安装,玛雅may44声卡支持win10吗

2.m.clk

选择主要数位时脉源。

int:选择maya44v3的内部时脉,它作为主时脉。当只使用一个maya44 v3或者另一设备被设置为从设备时,必须选择这种模式。

ext:选择数位时脉或来自外部设备的音频资料作为时脉源。外部设备将作为主设备。maya44 v3将作为从设备运作。

3.dig.in

opt/cox:当连接了mi/odi/o子卡(另售)时,使maya44v3~zopt(光纤)和cox(同轴)数位输入源之间转换。

maya44v3支援cdda(cd数位音频)技术。当cd-rom光碟机支援cdda技术时,通过wdm驱动程式可以从cd-rom光碟机*放播**cd数位音频。请参考你的cd-rom光碟机用户手册。

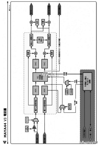
电路图

玛雅may44声卡怎么安装,玛雅may44声卡支持win10吗

在软体中的设置

*本节讲述了一些流行软体的基本配置实例。详细内容请参阅这些软体的使用手册。

Steinberg Cubase SX

运行cubase sx,找到device-]device setup-]vst multitrack,选择“asio 2.0-maya44 v3”作为asio设备。此时点击asio控制介面还不能工作。需要按下“apply”按钮来改变设定。

玛雅may44声卡怎么安装,玛雅may44声卡支持win10吗

在cubase中,逻辑输入0/1是maya44 v3的输入1/2(同样,输入2/3是maya44 v3的输入3/4)

Logic Audio

执行logic audio,找audio-]audio hardware & drivers。点击audio driver2,按照下图所示改变设置。

玛雅may44声卡怎么安装,玛雅may44声卡支持win10吗

Cakewalk SONAR

对于可以支援wdm和asio的sonar,必须完成以下几步。执行sonar,找到options-]audio…。

1.wdm/ks模式-如下图所示改变input/output drivers设置。

玛雅may44声卡怎么安装,玛雅may44声卡支持win10吗

输入和输出驱动程式必须互相匹配。更改设置后,重新启动sonar。

2.asio模式

*sonar 2.x以上版本支援asio模式。对于maya44 v3,这两种模式向您推荐asio模式。

首先,在音频选项的下拉功能表中,为driver mode选择asio。如下图所示。然后重新启动sonar。

玛雅may44声卡怎么安装,玛雅may44声卡支持win10吗

第二步,如下图所示改变input/ouput drivers设置。

玛雅may44声卡怎么安装,玛雅may44声卡支持win10吗

启用sonar的软体输入监听会引入回路。在处理sonar的软体输入监听之前,您必须先关~maya44v3输入监听或使其静音。

Steinberg Nuendo

运行nuendo,找到device-]device setup-]vst multitrack。 此时点击asio控制面板将无效。必须确保在改变设置後点击“apply”按钮。

玛雅may44声卡怎么安装,玛雅may44声卡支持win10吗

对nuendo 2.x及以後的版本选择输入3/4。

找到device-]devicesetup-]vst connections功能表。点击input标签。

点击add bus,选择输入埠。

在nuendo中,软体的逻辑输入1/2是maya44v3的输入1/2(同样,输入3/4是maya44v3的输入3/4)。

TASCAM GigaStudio

执行gigastudio,选择左边的setting。

玛雅may44声卡怎么安装,玛雅may44声卡支持win10吗

在右边选择“maya44 v3-gsif1”作为硬体。还要根据音序器匹配sample rate和bit depth。

玛雅may44声卡怎么安装,玛雅may44声卡支持win10吗

Sound Forge

执行sound forge,找到options-]preference-]wave标签。在playback和record设备中选择“maya44 v3 ch12”。

玛雅may44声卡怎么安装,玛雅may44声卡支持win10吗

VEGAS & VEGAS Video

运行vegas,找到options-]preference-]audio device标签。在audio device type中选择你想要的预设立体声、前置音箱和后置音箱。

玛雅may44声卡怎么安装,玛雅may44声卡支持win10吗

ACID

执行acid,找到options-]preference-]audio标签。在audio device type中选择你想要的预设立体声、前置音箱和后置音箱。

玛雅may44声卡怎么安装,玛雅may44声卡支持win10吗

Samplitude

执行samplitude,找到options-]system。为asio setup部分的asio device和clock选择“asio 2.0-maya44v3”和“maya44 v3 clock” 。

如果设置正确,你将在最上面看到”asio 2.0-maya44v3(1+2)”and“asio2.0-maya44 v3(3+4)”,如图中所示。

玛雅may44声卡怎么安装,玛雅may44声卡支持win10吗

Wave Lab

运行wave lab,找到options-]preference-]audio card。

选择“mme-mdm 1-maya44 v3 ch12”或“asio 2.-maya44 v3”。

玛雅may44声卡怎么安装,玛雅may44声卡支持win10吗

玛雅may44声卡怎么安装,玛雅may44声卡支持win10吗

什么是DirectWIRE?

directwire是100%纯虚拟数位连接线!

directwire是由audiotra拨明的驱动程式技术。通过使用audiotrak独有的e-wdm音频midi驱动程式,这种技术在软体内部发送音频流。

配合irectwlre,一个应用软体能够录制与它同时运行的其他软体的音频输出,无需外部连接线并且没有任何资料损失。

从mp3、线上广播等通过directwlre传送资料,directwire可以容易地切断任何音频流。

directwire 3.0都带来了什么新的功能?

在窗口最左端的input栏中,四个输入分别代表maya44v3音频卡上的4个输入埠。这就允许外部输入信号(如线级输入、麦克风、s/pdif数位信号)和内部的软体信号音频流可以同时传输到另外一个软体当中。而之前的1.0或2.0版的directwire,在当两个软体进行虚拟连线连接後,相应的通道被占用,外部输入信号就无法同时在此通道进行输入,而directwire 3.0解决了这个问题。例如,这样就允许用户同时将自己的人声和软体中的伴奏音乐同时录入到另外一个软体当中。

DirectWIRE 3.0介面

点击maya44v3控制介面上的directwire,会出现directwire 3.0介面视窗。

如下图所示:

玛雅may44声卡怎么安装,玛雅may44声卡支持win10吗

1.每一行的数位代表输入或输出埠。

2.列代表各个驱动程式的输入和输出(开和关) 。

3.当拖拉滑鼠时,从一点到另一点描画虚拟电线。

input部分代表maya44v3音频卡上的4个输入埠,可以是任何信号输入源:

如:如线级输入、麦克风、s/pdif数位信号等

mme部分代表普通的软体的输入输出:

如:winamp、wavelab(非asio模式)、cakewalk、cooledit、vegas、samplitude等等。

wdm部分代表支援multi-mme驱动程式模型的软体的输入输出:

如:sonar、powerdvd、windvd等等。

asio部分代表asio驱动程式模型的软体的输入输出。

如:cubase、logic、reason、nuendo、sonar、samplitude等等。

gsif部分代表gsif应用软体,如gigastudio。

*一些软体支援多驱动程式模式。

DirectWIRE 3.0应用实例

例1:把winamp(mme)的信号录入到wavelab(mme)中

玛雅may44声卡怎么安装,玛雅may44声卡支持win10吗

例2:把winamp(mme)的信号录入到sonar(wdm)中

玛雅may44声卡怎么安装,玛雅may44声卡支持win10吗

例3:把winamp(mme)的信号录入到cubase、logic、nuendo(asio)中

玛雅may44声卡怎么安装,玛雅may44声卡支持win10吗

例4:把gigastudio(gsif)的信号录入到sonar(wdm)中

玛雅may44声卡怎么安装,玛雅may44声卡支持win10吗

例5:把gigastudio(gsip)的信号录入到cubase(asio)中

玛雅may44声卡怎么安装,玛雅may44声卡支持win10吗

例6:把外部麦克风信号(input)和gigastudio(gsip)的信号同时录入到cubase

(asio)中

玛雅may44声卡怎么安装,玛雅may44声卡支持win10吗

技术指标

[类比音频部分]

1.类比输入

1)介面类型:4通道类比输入

a.1/4”(55mm)trs(立体)介面(线路输入1,2)带有麦克风输入

b.1/4”(55mm)trs(立体)介面(线路输入3,4)

2)峰值电平:0dbfs@+6dbv

3)增益调节范围:-35.5db~+12db(1.5db为增加单位)

4)阻抗:10kohm,2kohm(当幻象供电打开时)

2.类比输出

1)介面类型:4通道类比线路输出1/4”(55mm)trs(立体)介面x2(线路输出1,2,3

,4)

2)峰值电平:+6dbv@0dbfs

3)衰减范围:-48db~+6db(1db为增加单位)

4)阻抗:100hm(线路输出1,2),00hm(线路输出3,4,耳机输出)

3.话筒前置放大

1)峰值电平:0dbfs@8mv

2)增益调整范围:可提升+42db,-35.5db~+12db(1.5db为增加单位)

3)+12v幻象供电

4.耳机放大

1)载入阻抗范围:32-600 ohm(最佳表现)

2)输出供电:每通道125mw@32ohm

[数位音频部分]

5.取样频率支援:22,32,44.1,48,88.2,96(khz)

6.a/d转换,d/a转换*

)a/d信噪比:90db(a-加权,0db增益)@fs=8khz

2)d/a信噪比:100db(a-加权,0db增益)@fs=48nlz

3)a/d增益程式化增益:-48db~+6b(1db为增加单位)

7.数位输出

1)介面类型:镀金rca介面,光纤介面

2)格式:iec-0958(s/pdif)

3)采样频率:22,32,44.1,48,88.2,96(khz)

4)转换解析度:24bit

8.ni/odi/o子卡(选购)*

1)16通道midi输入输出介面

2)同轴输入输出-iec958(s/pdif)

3)光纤输入-iec-958(s/pdif)

(*mi/odi/o子卡需要另外单独购买.)

(以上技术资料依据电路元件供应商所提供的技术资料为参考,所有的特性及指标如有变更,恕不另行通知)