电压互感器:Potential transformer 简称PT,在新国标也叫Transformer voltage是将一次侧的高电压按比例变为适合仪表或继电器使用的额定电压为100V的变换设备。电磁式电压互感器的工作原理和变压器相同。 也简称TV。
一、电压互感器符号

左图中两个圈代表一个初级绕组、一个次级绕组;右图中三个圈代表一个初级绕组、二个次级绕组; 更多个圈的则最上面一个圈是初级绕组,其它均为次级绕组。上图中两个图例均表示单相电压互感器。

三相电压互感器符号与单相电压互感器符号类似,区别在于线端增加三条表示三相的线端。
二、电压互感二次绕组的配置
双线圈:一个主二次绕组:保护、测量、计量公用
一个轴助二次绕组
三线圈:两个主二次绕组:计量专用一组,保护测量公用一组
一个辅助二次绕组
四线圈:三个主二次绕组,一个轴助二次绕组
计量专用一组,因为220KV设备保护要求双重化,两套保护要求分别用不同的PT二次绕组,因此,两套保护各用一组,测量和保护公用。
各绕组的精度不一样,计量回路绕组精度高,计量回路专用一绕组减少了二次负载,提高了电能表的计量精度,保护和测量对电压精度要求不高,因此可以公用精度不太高的二次绕组。
三、电压互感器的接线方式
电压互感器在电力系统中要测量的电压有线电压、相电压、相对地电压和单相接地时出现的零序电压。为了测取这些电压,电压互感器就有了不同的接线方式,最常见的有以下几种,如图所示:
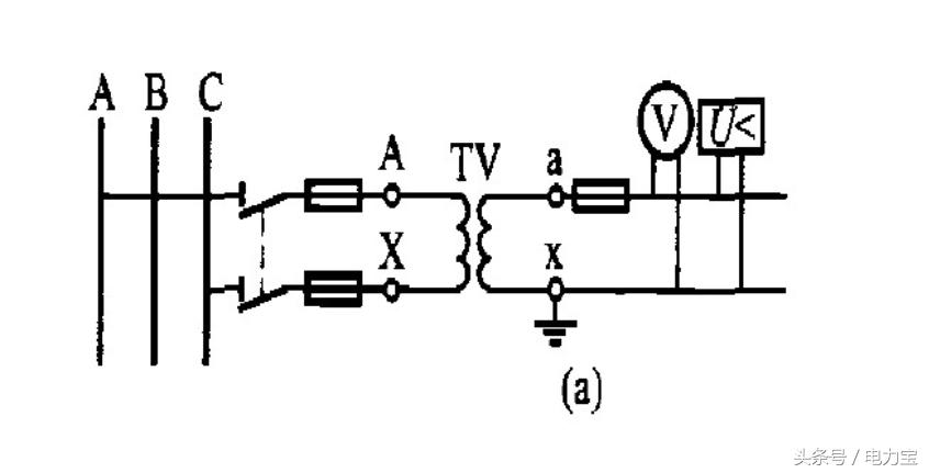
1.单相电压互感器接线
如图(a)所示为一只单相电压互感器接线,可用于测量35kV及以下中性点不直接接地系统的线电压或110kV以上中性点直接接地系统的相对地电压。


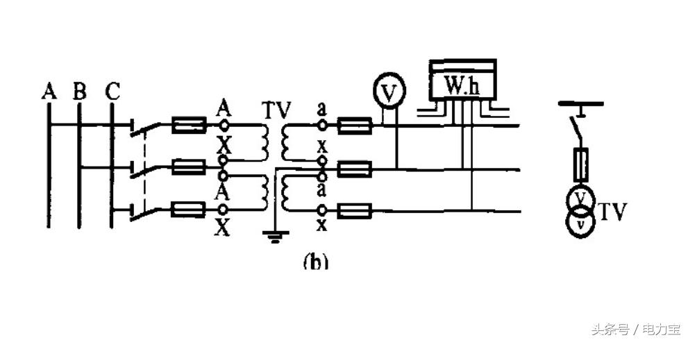
2.电压互感器的V,V接法
如图(b)所示,V,V接法就是将两台全绝缘单相电压互感器的高低压绕组分别接于相与相间构成不完全三角形。其一次绕组不能接地,二次绕组接地,这种接法广泛用于中性点不接地或经消弧线圈接地的35kV及以下的高压三相系统中,特别是10kV的三相系统中。V,V接法不仅能节省一台电压互感器,还能满足三相表计所需要的线电压。这种接线方法的缺点是不能测量相电压,不能接入监视系统绝缘状况的电压表。

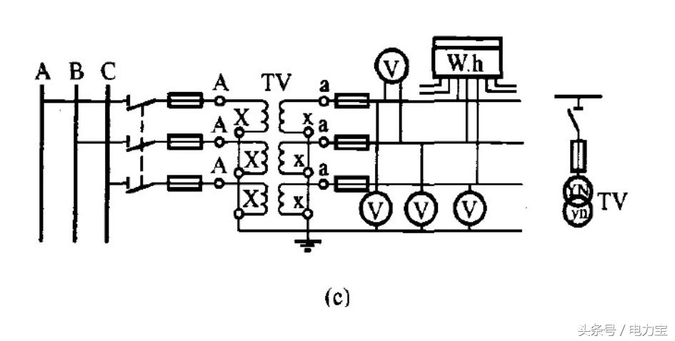
3.电压互感器的Y,yn接法
如图(c)所示。这种接法是用三台单相电压互感器构成一台三相电压互感器,也可以用一台三铁芯柱式三相电压互感器,将其高低压绕组分别接成星形。Y,yn接法多用于小电流接地的高压三相系统, 可以测量线电压,这种接线方法的缺点是:
①当三相负载不平衡时,会引起较大的误差;
②当一次高压侧有单相接地故障时,它的高压侧中性点不允许接地,否则,可能烧坏互感器,故而高压侧中性点无引出线,也就不能测量对地电压。

4.电压互感器的YN,yn△接法
如图(d)所示。这种接法常用三台单相电压互感器构成三相电压互感器组,主要用于大电流接地系统中。YN,yn△接法其主二次绕组既可测量线电压,又可测量相对地电压,轴助绕组二次绕组接成开口三角形供给单相接地保护使用。
当YN,yn△接法用于小接地电流系统时,通常都采用三相五柱式的电压互感器,如图所示。其一次绕组和主二次绕组接成星形,并且中性点接地,辅助二次绕组接成开口三角形。故三相五柱式的电压互感器可以测量线电压和相对地电压,辅助二次绕组可以接入交流电网绝缘监视用的继电器和信号指示器,以实现单相接地的继电保护。


四、电压互感器使用的注意事项
1.电压互感器在投入运行前要按照规程规定的项目进行试验检查。例如,测极性、连接组别、摇绝缘、核相序等。
2.电压互感器的接线应保证其正确性,一次绕组和被测电路并联二次绕组应和所接的测量仪表、继电保护装置或自动装置的电压线圈并联,同时要注意极性的正确性。
3.接在电压互感器二次侧负荷的容量应合适,接在电压互感器二次侧的负荷不应超过其额定容量,否则,会使互感器的误差增大,难以达到测量的正确性。
4. 电压互感器二次侧不允许短路。由于电压互感器内阻抗很小,若二次回路短路时,会出现很大的电流,将损坏二次设备甚至危及人身安全。电压互感器可以在二次侧装设熔断器以保护其自身不因二次侧短路而损坏,在可能得情况下,一侧也应装设熔断器以保护高压电网不因互感器高压绕组或引线故障危及一次系统的安全。
5.为了确保人在接触测量仪表和继电器时的安全,电压互感器二次绕组必须有一点接地。因为接地后,当一次和二次绕组问间的绝缘损坏时,可以防止仪表和继电器出现高电压危及人身安全。
五、电压二次回路反措要求
1、电压二次回路只能有一点接地,经控制室零相小母线(N600连通的几组电压互感器二次回路,只应在控制室将N600一点接地,各电压互感器二次中性点在开关场的接地点应断开。
2、为保证可靠接地,各电压互感器的中性线不得接有可能断开的断路器或接触器。
3、已在控制室一点接地的电压互感器二次绕组,如认为必要,可已在开关场将二次绕组中性点经放电间隙或氧化锌阀片接地。
4、来自电压互感器及其二次回路的4根开关场引入线和互感器三次回路的2(3)根开关场引入线必须分开,不得公用。
六、电压互感器二次电压异常处理
运行中电压互感器可能会发生二次电压异常,比如电压输出三相不平衡、空开及二次保险熔丝熔断等。异常原因:
1、互感器本身有问题,通过二次电压切换后,将互感器二次负载转移,在PT端子箱处PT二次回路断开,检查PT二次输出电压。
2、PT二次公共回路及负载有问题,在上述正常情况下,没有发现异常,说明问题有可能在二次回路及二次负载上,可以通过倒闸操作将有问题的一段PT二次回路腾空。
3、若在操作某一分路的过程中,电压恢复正常,则说明问题在该二次负载上;二次负载全部转移后,电压异常仍然不能消失,说明问题在二次回路上,需要保护人员逐级断开二次回路进行查找回路异常。