S7-1200CPU 的接线
CPU 电源接线端
S7-1200的CPU有两供电类型,一种使用 DC24V直流供电,一种使用AC120/240V交流供电,对于直流供电与交流供电在 CPU 的接线端字和名称标识不同,而下图所示,L1和N表示交流电源接线端子,L+和 M 表示直流电源接线端子,接线时务必确认CPU的供电电源类型,选择正确的电源接入,电源类型选择错误可能损坏 CPU。


1 24 VDC 传感器电源
2 对于漏型输入将负载连接到“-”端(如图示);对于源型输入将负载连接到“+”端
数字量输入接线
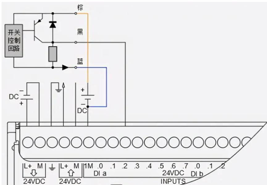
在 PLC 的数字量输入接线中,常接的电气元件有开关、按钮等这类无源的信号,也有接近开关,光电开关,磁感应开关等这种有源的信号,所谓有源信号指的是一些电子元件开关,这类开关在使用时,除了需要工作电源外还需要控制电源,因此称为有源信号。
数字量输入

数字量输出

对于漏型输入将“-”连接到“M”
对于源型输入将“+”连接到“M”。
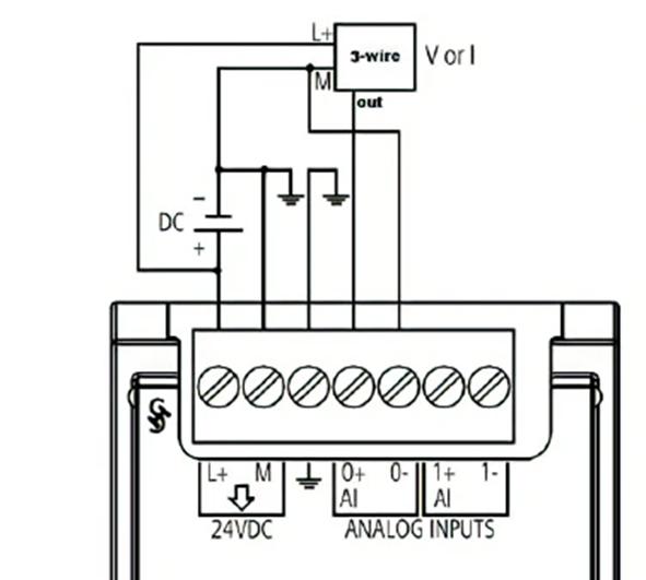
模拟量输入

模拟量输出

传感器连接方式
4 线制传感器

3线制传感器

2线制传感器

如图 PNP型传感器与西门子1200PLC(CPU 1214 DC/DC/DC)接法输出信号(黑色线)是高电平,需要接PLC的输入端子,棕色线接电源的正极,蓝色线接电源的负极,这实际上就是 漏型接法 。,

对于NPN型输出的接近开关,由于其输出的信号为低电平,所以也只能采用源型接法接入到PLC的输入端。如下图所示:

总结
1 NPN型传感器,信号线和负极连在一起,信号输出为低电平,此时要求PLC的公共端接正极,才能保证形成回路。
2 PNP型传感器,信号线与正极连载一起,信号线输出为高电平,此时要求PLC公共端接负极,才能保证形成回路。
3 NPN型传感器,对于三菱的PLC来说是漏型接法,对于西门子的PLC来说是源型接法
4 PNP型传感器,对于三菱的PLC来说是源型接法,对于西门子的PLC来说是漏型接法
- NPN型传感器在PLC选型时,三菱的要选择支持漏型的PLC或者同时支持源型漏型的PLC;西门子的PLC要选择支持源型的PLC或者同时支持源型漏型的PLC。
- PNP型传感器在PLC选型时,三菱的要选择支持源型的PLC或者同时支持源型漏型的PLC;西门子的PLC要选择支持漏型的PLC或者同时支持源型漏型的PLC。
CB1241 RS485 信号板(安装在CPU机本体上)

3号针脚--RS485信号 B(+) ;8号针脚--RS485信号A(-);5号针脚--接屏蔽等电位点
CB1241 RS232 通讯模块

2号针脚--RS232 信号输入接收。3号针脚--RS232 信号输出发送。 5--接地等电位
CB1241 RS485/422

RS422 接线方法: 2号与9号针脚 -- RS422 发送信号。 3号与8号针脚 -- RS422 接收信号;SHELL接屏蔽等电位点 。
RS485 接线方法:3号针脚--RS485信号 B(+) ;8号针脚--RS485信号A(-) 1号针脚-电位点。