.尺寸标注的基本规定
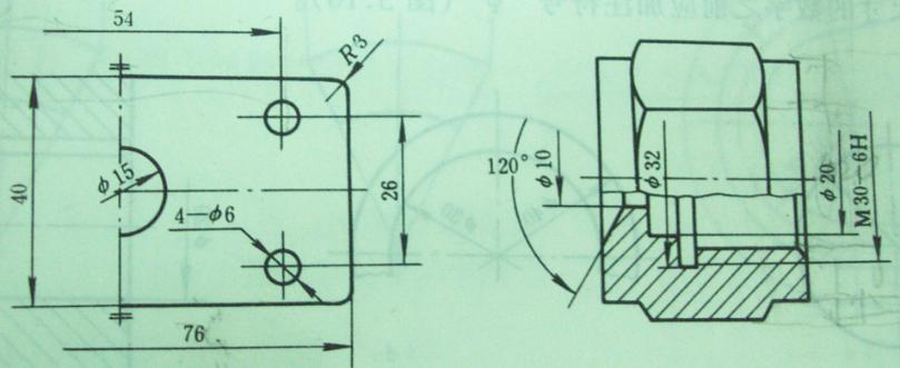
1).尺寸线及尺寸界线
(1)尺寸线及尺寸界线均以细实线画出。
(2)线性尺寸的尺寸线应平行于表示其长度(或距离)的线段。
(3)图纸的轮廓线﹑中心线或它们的延长线﹐可以用作尺寸界线﹐但不能用作尺寸线。

(4)尺寸界线一般应与尺寸线垂直﹐当尺寸界线过于贴近轮廓线时允许将其倾斜偏出,光滑过渡处﹐需用细实线将轮廓线延长﹐从其交点引出尺寸界线。

(5)尺寸线的终端为箭头﹐线性标注终端也可为斜线﹐但尺寸线与界线必须垂直﹐同一张图只能采用一种形式。

(6)对于未完整表示的要素﹐可仅在尺寸线的一端画出箭头﹐但尺寸线应超过该要素的中心线或断裂处。

7)常见标注符号﹕7)常见标注符号﹕
