以下是电流互感器的几种接线方法:

一台互感器接线,主要用于测量对称三相电路中线路上的电流。

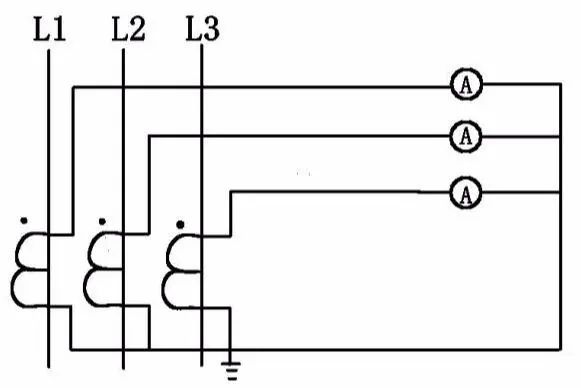
三台互感器星形接线方法,可测量对称和不对称三相电路(包括三相四线)中线路上的电流。

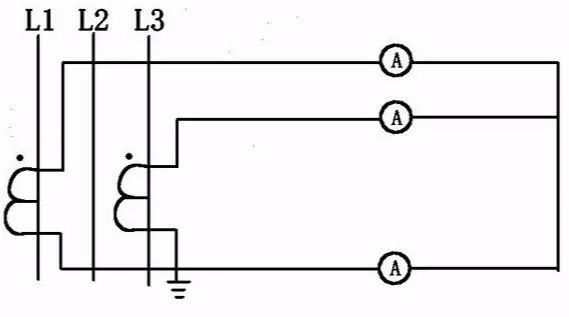
两台互感器V形接线方法,测量对称和不对称三相三线电路中线路上的电流。

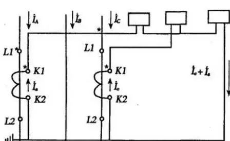
两台互感器电流差接线法,用于线路、电机、并联电容器的继电保护接线,灵敏度较高。


















以下是电流互感器的几种接线方法:

一台互感器接线,主要用于测量对称三相电路中线路上的电流。

三台互感器星形接线方法,可测量对称和不对称三相电路(包括三相四线)中线路上的电流。

两台互感器V形接线方法,测量对称和不对称三相三线电路中线路上的电流。

两台互感器电流差接线法,用于线路、电机、并联电容器的继电保护接线,灵敏度较高。

















