电表是日常使用的计量电器,是缴纳电费的重要凭证,在家用当中常用单相电表,在工业中常用三相电表。
单相电表
单相电表常用额定电流有10、20、40、60、80、100A,根据需要选择相应的额定电流。

单相电表

单相电表接线
单相电表接线是我们常说的1、3进,2、4出。1、3接口接输入电源,2、4接口接输出电源。
当负载用电量大,通过导线的额定电流超过电表的额定电流时,1.可以更换成额定电流更大的电表。2.可以在电表上加装电流互感器。单相电表加装电流互感器,电流互感器有电流变比,倍率有75/5A、100/5A。
使用75/5的电流互感器,线路电流不得超过75A,使用100/5A的电流互感器,线路电流不得超过100A。
接线时火线直接穿过电流互感器的中心接入到家中总开关的上端,通常火线由P1端进,P2端出,不需要经过电表。电流互感器S1、S2端子接入电表的1、2接线端子。零线3进4出。
接电流互感器的实际度数=电表度数×互感器电流比。75/5的倍率为15,100/5的倍率为20。

缠绕三圈的电流互感器接线
当使用电流互感器的电表,电流互感器倍率很高,而实际的线路电流很低时,火线可以穿过电流互感器中心位置时可以多缠绕几圈,当缠绕三圈时,电流互感器检测电流为实际电流的三倍,使电表计量度数更加准确,其他接线不变。
实际度数=电表度数×电流互感器电流比÷缠绕圈数
电流互感器不容许出现断路,电流互感器工作状态为短路状态,当电流互感器出现断路现象时会产生高压发生危害,所以电流互感器的一端必须接地,通常S2端子接地。
使用单相电压电流超过100A以上,基本上都要改改成三相电压用电。单相电表在日常使用中很少采用电流互感器,电流互感器通常使用在三相电表中。
三相电表
三相电表分为直通式与外接电流互感器式。
直通式三相电表

DTS606电表
直通式电表上3×220/380表示三相四线相电压220,线电压380V。
3X30(100)A是1倍的电表,3表示三相电压,30表示稳定工作电流,100表示最大工作电流。
电表的下方为直通式电表的接线图。

直通式电表接线图

电表接线示意图
直通式电表上一共有7个接线端子,1接A相火线进,3为A相火线出。4接B相火线进,6接B相火线出。7接C相火线进,9接C相火线出。在零线引出一根电线接入10端子,或者零线的进出都接入10号端子。
三相电压线路电流低于100A才能使用直通式三相电表,高于100A以上需要使用可以外接电流互感器三相电表,直通式三相电表不可以外接电流互感器。
接互感器式三相电表

接电流互感器式三相电表
直通式电表上3×220/380表示三相四线相电压220,线电压380V。
3×1.5(6)A,3为三相电压,1.5为稳定工作电流,6为最大工作电流,直接通过的电流比较小,必须外接电流互感器才能使用。
电流互感器

电流互感器
电流互感器有P1、P2正反面,S1、S2为输出电流接线端子。电流互感器有电流比,常用的有100/5、200/5、300/5、400/5、600/5、800/5。
使用200/5A的电流互感器,线路最大电流不得超过200A,使用600/5A的的电流互感器线路最大电流不得超过600A。选择电流互感器变比应根据实际线路电流。

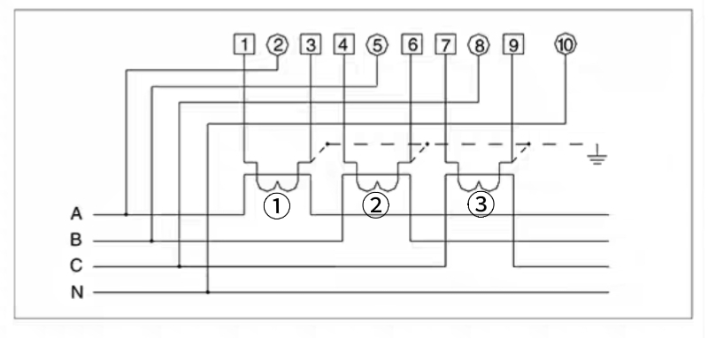
电表端子接线

电表接线图
三相电表外接三个电流互感器,火线从P1穿进P2出,三个电流互感器必须统一朝向,否则电表不准或者反转。火线穿过电流互感器为1匝,不得缠绕。
A相火线穿过①电流互感器,电流互感器S1接电表1号端子,电流互感器S2接电表3号端子,2号端子接入A相火线电压。
B相火线穿过②电流互感器,电流互感器S1接电表4号端子,电流互感器S2接电表6号端子,电表5号端子接入B相火线电压。
C相火线穿过③电流互感器,电流互感器S1接电表7号端子,电流互感器S2接电表9号端子,电表8号端子接入C相火线电压。
在电源零线上引出一根线接入电表10号端子
接电流互感器的电表,实际度数=电表度数×电流互感器电流比。
电流互感器工作在短路状态,电流互感器不容许断路,三个电流互感器S2端都必须接地。当知道电流互感器S2端接地,并不会影响电表度数时,接线时三个电流互感器S2端可以不接入电表,3个S2端子连接在一起接地,同样电表的3、6、9接线端子可以连接在一起接地,这种方式也是可行的。