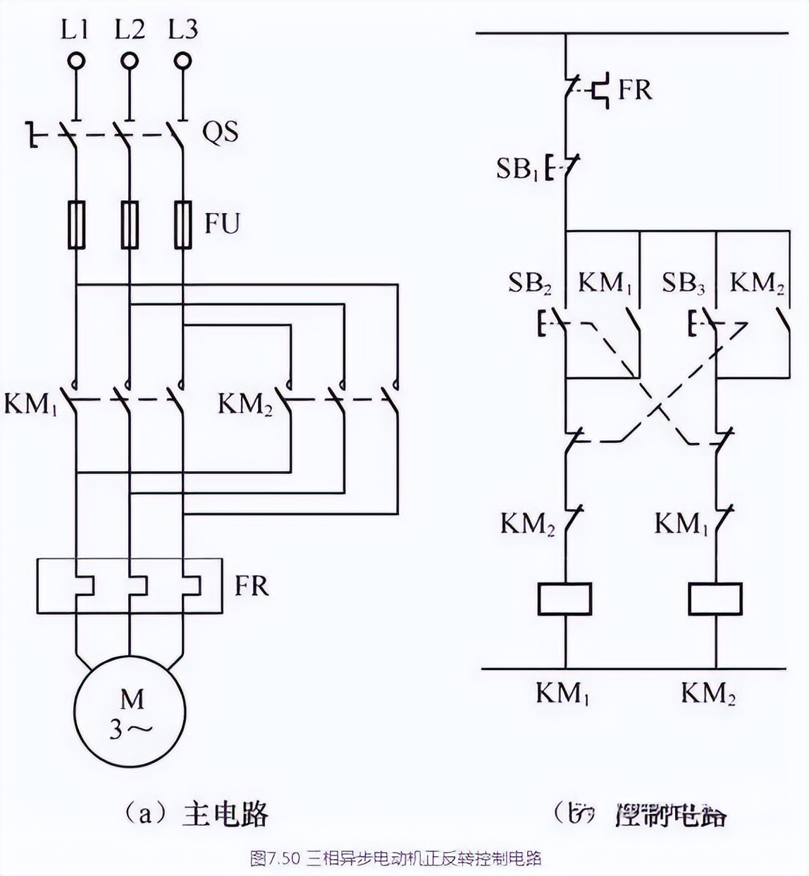
电工控制线路经常会用到三把“锁”图,分别是自锁、互锁和联锁图。自锁、互锁和联锁图在电工控制线路中扮演着重要角色。这些图形符号帮助工程师们设计出更加安全和可靠的电气系统。
一、自锁
自锁图是一种常用的电气控制线路图示法。它表示一个设备或系统可以通过自身操作来控制其它设备或系统的运行状态。例如,自锁开关可以通过自身状态来控制灯泡或电机的开关状态。在自锁图中,使用一个圆圈表示设备本身,而使用箭头表示信号流动方向。

(此处已添加小程序,请到*今条头日**客户端查看)
二、互锁
互锁图是一种用于描述两个或多个设备之间相互作用关系的控制线路示意图。例如,当一个门打开时,另一个门必须保持关闭状态。在互锁图中,使用两个圆圈表示两个不同的设备,并使用一条直线连接它们以表示相互作用关系。

三、联锁
联锁图是一种用于描述多个设备之间相互作用关系的控制线路示意图。它通常用于描述复杂的生产流程或机器运行过程中各部分之间的协调与配合关系。在联锁图中,使用多个圆圈表示不同的设备,并使用直线和箭头连接它们以表示相互作用关系。

(此处已添加小程序,请到*今条头日**客户端查看)
以上三种图形符号在电气工程中非常重要。在设计控制线路时,应该根据具体的应用场景选择适合的图形符号,并确保符号的设计符合相关标准和规范。同时,在维护和修理电气系统时,也需要对这些图形符号进行正确的识别和解读,以确保系统运行安全可靠。