上期答案参考:
1.解:(1)该车行驶的速度:v=s/t=50km/0.5h=100km/h;
车的重力:G=mg=1.6×103kg×10N/kg=1.6×104N,
车受到的阻力:f=1/8×G=1/8×1.6×104N=2×103N,
因为车匀速行驶,所以牵引力F=f=2×103N,
牵引力做功:W=Fs=2×103N×50×103m=1×108J,
(2)由ρ=m/V
得消耗燃油的质量:m=ρV=0.8×103kg/m3×5×10-3m3=4kg,
燃油完全燃烧放出的热量:Q放=mq=4kg×4.6×107J/kg=1.84×108J,
(3)若该车改用电动力,提供的牵引力仍然为2×103N,
电动车每行驶100km做的功为:W有用=Fs=2×103N×100×103m=2×108J;
消耗电能W=100kW•h=100×3.6×106J=3.6×108J,
此过程的效率η=W有用/W×100%=2×108J/3.6×108J×100%=55.6%.
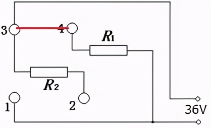
2.解:(1)由题知,按下B按钮就是2挡,只连接1、2如图所示:
电路中只有电阻丝R2单独工作,此时电路的功率PB=216W,
由P=U2/R得:R2=U2/PB=(36V)2/216W=6Ω;
按下C按钮就是3挡,只连接3、4,如图所示:
电路中只有电阻丝R1单独工作,此时电路的功率PC=108W,
由P=U2/R得:R1=U2/PC=(36V)2/108W=12Ω;
(2)1挡,按下A按钮,连接1、2和3、4,此时电路的功率PA=324W=0.324kW,
用5h消耗的电能:W1=PAt=0.324kW×5h=1.62kW•h;
4挡,按下D按钮,只连接2、4,此时电路的功率PA=72W=0.072kW,
用5h消耗的电能:W2=PDt=0.072kW×5h=0.36kW•h;
一天共消耗电能:W=W1+W2=1.62kW•h+0.36kW•h=1.98kW•h=1.98度.


3.解:(1)由图甲可知,R与R0串联,电压表V测R两端的电压;
当*磅地**表的示数达到最大值30t,滑片位于变阻器R的最下端,变阻器全部接入电路,
由图乙可知,当*磅地**表的示数达到最大值30t时,电压表示数即R两端电压UR=6V,R0两端电压:U0=U总-UR=12V-6V=6V,
串联电路电流处处相等,则电路中的电流:I=U0/R0=6V/40Ω=0.15A;
(2)车对地面的压力:F=G=mg=30×103kg×10N/kg=3×105N;
车对地面的压强:p=F/S=3×105N/2m2=1.5×105Pa;
(3)超载造成的危害很多,如:①巨大的压强易使路面变形,从而大大缩短公路的使用寿命;②超载汽车质量过大,惯性就越大,不易操纵,容易发生交通事故等.
1.储水式电热水器具有安全、热效率高等优点,深受人们的喜爱.如图所示是其铭牌,当热水器中按额定容量储满15℃的水时,请计算:
(1)将水加热到设定的最高温度时水吸收的热量.
(2)热水器正常工作,将水加热到设定的最高温度所需的时间.[水的比热容c=4.2×103J/(kg•℃)].

2.如图所示,灯L标有“2.5V 1.25W”字样,R1=15Ω,滑动变阻器R2最大阻值为10Ω,当开关S1闭合,S2S3断开,滑片P滑至左端时,灯L恰好正常发光。试求:⑴ 灯L正常发光时的电阻。⑵ 电源电压。
⑶ 当S1S2S3都闭合,且滑动变阻器的滑片P滑到中点时,电流表的示数和此时电路消耗的总功率。

3.如图甲所示,正方体石料在钢丝绳拉力作用下,从水面上方以恒定不变的速度缓慢下降,直至没入水中.图乙是钢丝绳拉力F随时间t变化的图象.(g取10N/kg,ρ水=1.0×103kg/m3).求:
(1)石料全部没入水中时受到的浮力.
(2)石料的体积.
(3)石料浸没后钢丝绳拉力的功率.

答案见下期