1. 常规功能模块

△ ECU的功能模块
① 电源: 向ECU内的各模块提供稳定的电压(5V、3V等),且与发动机舱的12V电池连接;也可用于AD转换器的标准电压,可实现较高精度。
② 输入缓冲器: 将数字输入信号转换为可输入至微控制器的信号级(信号电平)。
③ AD转换器: 将模拟输入信号转换为可输入至微控制器的数字值。
④ 微控制器: 通过各种输入信号算出控制量并输出。
⑤ EEPROM: 即带电可擦可编程只读存储器(Electronically Erasableand Programmable Read Only Memory),即使发动机停止后电源不再供电,也能存储应记忆数据的存储器。
⑥ 输出驱动器: 依据微控制器的输出信号,转换为执行器可驱动的信号形态,或者增幅电压。
⑦ 通信驱动器/接收器: 通信驱动器是将微控制器的输出数据转换为满足通信协议的通信信号;通信接收器是将其他ECU发送的信号转换为可输入至微控制器的信号级。
2. 输入/输出
ECU作为与外部通信的接口,为了通过微控制器运算实现符合实际状态的最佳控制,需要检测外部状态的输入手段及实际控制驱动的输出手段。近年来为了满足多种ECU之间密切协同控制,在ECU中还设置了通信手段。

车载ECU模块图
输入电路、输出电路、通信电路的接口方法的代表示例如下。
01
输入接口
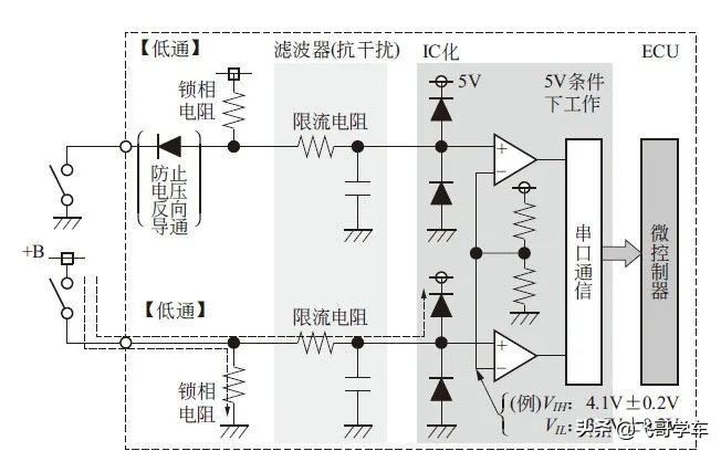
下图为通过用户进行开关操作等将ON/OFF状态输入至微控制器的电路示例。

ON/OFF输入
开关打开时,通过锁相电阻确定输入电压。在电磁干扰大等使用环境恶劣的车载ECU中,需要设置合理的滤波电路等,以防电磁干扰。其次,通过在微控制器中预装软件等,也可防止电磁干扰导致的异常工作。
车载环境下,存在不同电压(蓄电池电压、ECU内部电源的电压)混合输入的情况,需要对这些电源电压进行分离处理。ECU还需要控制许多ON/OFF信号的输入,有的会组合多种输入信号,通过串口通信输入至微控制器。因此,将这些控制功能集合于IC(集成电路)中,实现ECU体积小型化。
下图为发动机冷却水温度、驾驶者对节气门进行的操作等将“程度”状态输入至微控制器的示例。

模拟输入
锁相电阻的作用是确定传感器的输入电压,在传感器断开时也能确定输入电压,从而检测出异常状态。在ECU中,锁相电阻具有检测车辆异常状态并向驾驶者发出警告的重要功能。
通过AD转换器,模拟输入被转换为可通过微控制器操作的数字信号。近年来,随着控制系统的精密化发展,逐步采用转换性能(转换速度及转换精度)更高的AF转换器。
02
输出接口
下图为通过进入发动机的燃油喷射脉冲(由微控制器控制运算确定)使驱动喷油器通电的电路示例。

输出接口
03
通信接口
下图为将与其他ECU进行数据交换的通信总线的通信信号输入微控制器中,通过微控制器输出CAN(ControllerAreaNetwork,控制器局域网络)的通信电路示例。

CAN通信电路
3. 微控制器
01
功能

微控制器的基本构成
车载ECU中的微控制器虽然是用于车载,但其基本构成与普通的微控制器相同。
为了应对近年来的法规制度,ROM(ReadOnlyMemory,只读存储器)逐渐改变为闪存类型,可更改ROM内以模块单位记忆的内容。
时序控制器是与时间及时刻相关的控制装置。设定时刻与内部时序(计时器的数值)一致时,具有使既定输出改变的匹配功能、记忆外部信号的边缘输入时刻的捕获功能。匹配功能用于确定喷油信号输出正时等。捕捉功能与中断控制器配合,用于检测发动机转速信号输出等。
通信接口是与ECU内部的输入/输出扩展IC及其他ECU进行通信的装置。近年,为了应对车内LAN(LocalAreaNetwork,局域网),内置CAN功能的微控制器逐渐增多。
02
性能
为了应对各种法规对微控制器的增加及强化等要求,其ROM容量呈几何系数增加。今后这种趋势还会继续,相应的精细化、高速化要求也会不断提高。作为法规中高速化要求的应对措施,微控制器的种类也有所变化,从8bit变为16bit,之后升级为32bit等。随着ROM开发速度的加快,要求更多种类的ROM能够快速投放到市场中,从MASKROM到OTP(One Time Programming,一次编程)ROM,之后升级为闪存。
4. 软件

△ 软件的结构
5. ECU及控制器的搭载位置

△ 常见ECU的构成(防水型)
ECU根据在车辆内搭载的位置不同,其实际采用的形态也各种各样。ECU的结构设计需要与其搭载环境相对应。
汽车刚开始电子化时,由于电子元件承受热、湿度、振动等恶劣环境的能力较弱,所以将ECU搭载于环境条件较好的车室内。之后,随着包括电路板在内的电子元件的可靠性及安装技术的提升,ECU开始逐步搭载于环境条件较恶劣的发动机舱内,有些甚至直接安装在发动机上。从设计层面考虑,ECU的硬件必须能够适于安装在车辆的任何位置,也就是“自由搭载”的概念。
另外,ECU、传感器及执行器之间需要使用线束进行电气连接,如果这些相互连接的线束能够尽可能缩短,将会带来以下益处:
① 材料费用减少,线束成本降低。
② 铜的使用量减少,为车辆轻量化做出贡献。
③ 可减小线束的电压,减轻供电负荷。
④ 在指定信号频率的条件下,不易受到线束阻抗导致的感应噪声的影响,且不易产生噪声。
因此,有的变速器ECU搭载于变速器附近或内置于变速器。而且,控制发动机的相关电子产品直接安装于发动机上的情况逐渐增多。点火器直接搭载于火花塞孔上,可以尽量缩短高压线束的长度,减少点火噪声。相反,汽油直喷发动机中驱动喷油器的EDU(ElectricDriverUnit)不但电流大,而且工作速度受到线束阻抗的制约。因此,为了尽可能缩短线束长度,ECU的搭载位置要选择在发动机舱内且接近发动机。

△ ECU的搭载位置及形态

△ 不同搭载位置的ECU示例
end