大华高速公路高清解决方案

目 录
第一章 概述 3
第二章 设计原则 4
2.1 设计依据 4
2.2 设计原则 6
第三章 需求分析 8
第四章 系统总体设计 9
4.1 系统总体架构 10
4.1.1 收费站监控系统 11
4.1.2 隧道监控系统 14
4.1.3 外场监控系统 18
4.1.4 路段监控中心 34
4.1.5 省监控中心 35
第五章 综合管理平台 36
5.1 总体架构 36
5.2 平台特色 38
5.2.1 动态集群 38
5.2.2 负载均衡 38
5.2.3 双机热备 38
5.3 基础应用功能 39
5.3.1 实时监视 39
5.3.2 录像回放 40
5.3.3 录像管理 42
5.3.4 云台管理 42
5.3.5 告警联动 42
5.3.6 电视墙管理 43
5.3.7 预案管理 43
5.3.8 分级检索 44
5.3.9 书签标注 44
5.3.10 语音屏蔽 45
5.3.11 平台级联 45
5.3.12 GIS功能 45
5.4 智能化应用 45
5.4.1 视频切片标注 45
5.4.2 区间测速 47
5.4.3 交通事件检测系统 49
5.4.4 智能运维管理系统 57
第六章 解决方案特性 64
6.1 高清化应用 64
6.2 可靠的传输系统 64
6.3 满足高速的全天候监控需求 64
6.4 智能化的应用 64
6.5 完善的设备管理能力 64
6.6 存储系统的高可靠性 65
第七章 重点产品推荐 66
7.1 高清抓拍摄像机 66
7.2 6寸高清1080P网络高速球机 67
7.3 200万高清防暴半球摄像机 69
7.4 高清(200万像素)室内红外半球网络摄像机 70
7.5 高清同轴ICR日夜型超宽动态枪式摄像机 72
7.6 高清同轴ICR同步对焦半球摄像机 74
7.7 高清激光重载云台 75
7.8 高清解码器 78
7.9 视频综合平台 79
7.10 管理平台 83
第八章 设备清单 85
第一章 概述
随着全球人口高速增长和流动,高速公路成为人们出行的重要途径之一,在人员和物资的跨区域流动中承当日益重要的作用。高速公路监控系统作为高速公路实现安全、高效、节能及环保运行的重要手段,主要负责数据、视频、路况的信息采集、处理和存储,提供交通信息资源。为高速公路快速、安全、舒适、高效提供了保障。
高速公路监控系统的作用是对高速公路网实现实时监控和交通控制。在现有的道路和环境条件下,通过对采集的信息进行实时分析、处理和预测,采取有效的交通控制手段,预防可能发生的交通事件、事故和阻塞;当出现突发*交性**通事故或道路环境变化而导致交通阻塞时,通过系统及时发现并采取有效措施进行缓解和排除,以防止对路网交通产生更大的影响,进而提高路网运行的利用效率和安全性。
高速公路监控系统按照业务划分一般分为收费监控和道路监控系统和隧道监控。收费监控系统主要是对收费站的车道、收费广场、收费亭的收费情况,对收费车道通过的车辆类型、收费员的操作过程以及收费过程中的突发事件和特殊事件进行观察和记录,实施有效的监督。道路监控系统主要是对高速公路干线、互通立交、隧道等高速公路重点路段进行监视,掌握高速公路交通状况,及时发现交通阻塞路段、违章车辆,及时给予引导,保证高速公路的安全通畅。
本文旨在提供一套通用、先进、安全可靠、完善的高速公路监控方案,为高速公路视频监控建设提供参考。
第二章 设计原则
2.1 设计依据
根据项目的要求和国家有关法规的要求,依据、参考的相关规范包括:
- 安防视频监控系统设计方面
- 《中华人民共和国公安部行业标准》(GA70-94)
- 《视频安防监控系统技术要求》(GA/T367-2001)
- 《民用闭路监视电视系统工程技术规范》(GB50198-94)
- 《工业电视系统工程设计规范》(GBJ115-87)
- 《安全防范系统通用图形符号》(GA/T75-2000)
- 《公路车辆智能监测记录系统通用技术条件》(GA/T497-2009)
- 《道路交通安全违法行为图像取证技术规范》(GA/T 832—2009)
- 《机动车号牌图像自动识别技术规范》(GA/T833-2009)
- 《机动车测速仪》(GBT21255-2007)
- 《公安交通指挥系统工程建设通用程序和要求》(GA/T651-2006)
- 《公安交通管理外场设备基础施工通用要求》(GA/T652-2006)
- 《闯红灯自动记录系统通用技术条件》GA/T496-2009
- 《防盗报警中心控制台》 GB/T16572—1996
- 《报警系统环境试验》 GB15211—1994
- 《建筑及建筑群综合布线工程设计规范》 (GB/T50311-2000)
- 公安部《警用地理信息系统系列标准规范》
- 《公路交通安全设施设计技术规范》(JTJ 074-2003)
- 《全国道路交通管理信息数据库规范》(GA329.3第3部分)
- 2012年交通运输部第3号公告,《高速公路监控技术要求》、《高速公路通信技术要求》、《公路网运行监测与服务暂行监控技术要求》
- 《高速公路隧道监控系统模式》(GBT 18567-2010)
- 《高速公路监控设施通信规程_第1部分:通用规程》(JTT 606.1-2004)
- 《高速公路监控设施通信规程 第2部分:环形线圈车辆检测器》(JTT 606.2-2004)
- 《高速公路监控设施通信规程 第3部分:LED可变信息标志》(JTT 606.3-2004)
- 视频监控图像质量方面
- 《电视视频通道测试方法》(GB3659-83)
- 《彩色电视图像质量主观评价方法》(GB7401-1987)
- 安防视频监控系统安全设计方面
- 《信息安全技术信息系统安全等级保护基本要求》 GB/T22239-2008
- 《信息安全技术信息系统安全等级保护定级指南》 GB/T22240-2008
- 《信息技术安全技术信息安全管理体系要求》 GB/T22080-2008
- 《信息安全技术网络基础安全技术要求》 GB/T20270-2006
- 《信息安全技术信息系统通用安全技术要求》 GB/T20271-2006
- 《信息安全技术操作系统安全技术要求》 GB/T20272-2006
- 《信息安全技术数据库管理系统安全技术要求》 GB/T20273-2006
- 《信息安全技术终端计算机系统安全等级技术要求》 GA/T671-2006
- 《信息安全技术信息系统安全管理要求》 GB/T20269-2006
- 《信息安全技术信息系统安全工程管理要求》 GB/T20282-2006
- 《涉及国家秘密的信息系统分级保护技术要求》 BMB 17-2006
- 《涉及国家秘密的信息系统分级保护管理规范》 BMB20-2007
- 《涉及国家秘密的信息系统分级保护方案设计指南》BMB23-2008
- 《关于进一步加强公安信息通信网日常安全管理工作机制建设的通知》公信通传发[2008]10
- 《关于公安信息通信网边界接入平台建设有关问题的通知》 公信通传发[2008]296号
- 安防视频监控系统工程建设方面
- 《安全防范工程程序与要求》(GA/T75-94)
- 《安全防范工程技术规范》(GB 50348-2004)
- 《电子计算机机房设计规范》(GB50174-93)
- 《建筑物防雷设计规范》(GB50057-94)
- 《建筑物电子信息系统防雷技术规范》(GB50343-2004)
- 《安全防范系统雷电浪涌防护技术要求》(GA/T670-2006)
- 《民用建筑电气设计规范》(JGJ/T16-92)
- 视频系统工程验收方面
- 《公安交通电视监视系统验收规范》(GA/T509)
- 《安全防范系统验收规则》(GA308/2001)
- 《中国电气装置安装工程施工及验收规范》(GBJ232-90.92)
- 《建筑与建筑群综合布线系统工程验收规范》 (GB/T50312-2000)
2.2 设计原则
- 标准化
视频监控系统就是要实现在光纤上的图像传输和共享。本方案采用的产品均遵循视频协议和传输标准的要求。
- 可扩展性
由于用户以后的需求会不断发展,监控数量将随之扩大,只要增加前端设备和升级软件不用添加其他附加设备,以保证用户的投资。
- 为了适宜未来系统扩展的要求,系统在满足现有功能的基础上预留足够的设备容纳性以便系统扩充之用。系统中控制部件(软、硬件)采用集中式结构、嵌入式等技术措施,可以方便灵活的进行扩充,充分保证系统在将来的适应性。
- 灵活的组网方式,方便被监控点的增加。
- 几个视频监控系统可以作为子系统组成更大的视频监控系统,可按多级组网的方式,形成大规模的监控网络,高一级监控中心能管理和监控低一级监控中心的运行。
- 易用性
软件使用界面良好,用户安装相应软件(客户端控件)后就可进行实现监控,完全智能控制,不用单独设置。
- 系统可以很方便进行在线升级,保证用户投资。系统采用的程序,包括:服务器程序和客户端程序,均为客户提供升级服务。
- 可调节图像质量与带宽占用,系统采用H264硬件编解码,可以根据用户需求调节帧数、分辨率、图像质量等。带宽和码流均可调
- 多种图像浏览方式,包括单画面、四画面、九画面、十六画面多种浏览方式。
- 可靠性
- 具有设计独到的视频流量管理功能,保证传输通畅。
- 实行操作权限管理,保证统一、规范管理。
- 系统具备智能运维功能,在出现故障后系统能在第一时间发送报警信息并通过短信或邮件抄送给指定人员
- 系统设备的平均无故障工作时间MTBF>10000小时。
- 分布式由于每一个设备均以分散的方式安装于远端的摄像机端,即使单个设备发生了故障也仅仅是影响到这个设备,而不至于影响整个系统
- 完善性
- 具有强大的视频、音频和数据告警功能,当某台摄像机发生移动侦测报警时,系统可实时启动录像,或驱动云台前往预置位实时监视;当发生报警时,能把联动报警的信号进行接入,识别报警。
- 功能完善的录像管理体系,系统可选用手动、移动侦测、报警、定时录像四种录像方式;提供指定周期的滚动删除功能,有效防止存储空间耗尽。同时可提供分布式网络存储功能;
- 系统具备完善的控制功能,系统设权限管理,对不同级别的用户给予不同的权限,有效防止越权操作;
- 良好的硬件平台
系统硬件平台为嵌入式设计,高实现高度一体化、高度工程化,便于施工、安装、调试。
第三章 需求分析
高速公路视频监控系统组建包括对收费亭、车道和广场的监控,以及道路沿线和隧道的监控,在统一规划、统一管理的基础上,以光纤专线为传输介质,前端采用数字+模拟,存储采用本地存储+中心存储等模式来实现,要求达到统一的监控,对收费站、道路沿线和隧道进行24小时实时音视频监控与录像。要求作到集中监控、集中管理,可以在内部网络铺盖的任何地点查看、控制任何一个监控点,随意调用监控画面,要求画面清晰连贯。
1) 实现对重点区域的视频监控,以各监控点为基本单元,各级基于数字化网络视频技术实现多级联网监控;
2) 视频监控覆盖到收费亭和车道的监控需求的地方,对其进行24小时实时视频监控,特殊区域还可以进行实时音视频监控;
3) 在监控中心可以远程控制各个监控点的摄像机云台,实现变焦、变光圈、聚焦的控制,达到更大范围、更佳效果的监控;
4) 在网络计算机上能够实时接收前端传统报警装置传送的报警信息,实时反应出报警点即时的音视频情况;
5) 能够对所有视频信号进行长时间的音视频录像,网络上的计算机能够随时调看录像资料;
6) 具备完善的安全级别控制,实现完善的安全策略管理;
7) 收费亭跟监控中心实现双向对讲;
8) 能够接入原有的安防监控系统等系统,实现更加灵活应用;
9) 支持在视频监控中心将所有视频图像输出到电视墙显示,具备视频矩阵功能,支持大容量的系统扩容;
10) 支持对车辆进行区间测速和点测速。
11) 在图像的覆盖范围内,能够进行交通参数的检测及各种交通事件、事故的自动检测,包括车辆事故、高速停车、行人时间、车辆逆行、交通拥堵、车辆慢行、抛洒物,烟气和火灾检测等,同时还能检测并输出道路流量、平均速度和占有率等报表。
12) 由于高速公路线路维修困难,故高速公路网络需要做链路冗余保护。
第四章 系统总体设计
系统具有开放性,平台软件的接口便于与其他应用系统的连接,并提供完整的二次开发工具及使用说明(如:SDK及API函数说明);系统平台设置完善的用户权限、访问控制策略,严格的权限管理机制。可以对用户上限、最大浏览路数、录像空间上限、单点预录空间、同时预录点数、音频呼叫并发路数等进行限制。能兼容其它品牌设备及音视频格式、数据流编码标准等。解码支持采用*放播**插件进行文件回放,支持“暴风影音”等主流*放播**器。
服务器、存储、网络设备、监控设备、安全设备、软件系统均采用行业中具有较高知名度的品牌。系统具有高可用性,关键设备有冗余,存储、服务器等重要设备有热备功能。
本系统应用软件、模块功能较多。为此应用软件中的任一模块更新、加载时不影响其他业务运转和服务;接口应用程序具备自我监控能力、能通过可灵活配置的告警方式向维护人员发出故障告警。
整个平台系统采取通用设备加专利软件产品的模式进行部署,以利平台扩展、移植和调整。系统支持Linux、Windows、Mac等操作系统,可跨平台运行。
4.1 系统总体架构

整个系统采用省中心、分中心、基层监控单元三层管理结构。收费站、隧道的设备通过千兆自愈环网接入到各自的管理站进行管理。外场通过千兆自愈环网直接接入到监控分中心。监控分中心可通过SDH/MSTP传输网接入到省监控中心。
4.1.1 收费站监控系统

收费站监控系统主要对高速公路的收费站出入口广场、收费亭、车道进行连续24小时全天监控。
监视模式
本项目收费系统采用片区收费中心集中管理的模式。因此,收费站监控系统也相应采用片区收费集中监控的模式。各收费站的收费图像及数据均上传至收费管理站。
监视规模
为了实时的、全面的监督和管理收费工具,本项目采用“入、出口收费车道监视+入、出口收费亭监视+收费广场监控+财务室监视+票务监视+机房监控”的监视规模。
4.1.1.1 前端设计
出、入口收费车道各安装1台高清卡口摄像机,用于车辆图像抓拍和车道监视,该摄像机可以出两路流,一路是图像及车牌信息流,提供给收费系统软件,进行存储;另一路通过网络接入收费管理站的NVR,进行实时图像的存储。
出、入口收费亭内安装1台高清网络半球摄像机,用于监视收费人员工作情况。
收费出、入广场各安装1台高清网络智能高速球机,可以方便地监视到收费广场的全貌,并可根据需要追踪违章车辆,该图像上传至收费管理站的NVR进行存储。
在收费管理站的财务室安装1只高清半球摄像机,用以监视值班、财务人员的操作情况;票务室安装1只高清半球摄像机,用以监视票务人员的操作情况;管理站机房安装1只高清半球摄像机,对进入机房的人员操作情况进行监视。
4.1.1.2 收费管理站设计

收费管理站作为重要的图像数据汇聚点,需要采用高可靠性的设备。因此,在本项目中收费管理站将采用大华ATCA电信运营级进行设备的综合管理平台M60作为核心设备,并配置管理平台DH-DSS7016、DH-NVR6000、客户端及拼接大屏来组成收费管理站监控系统,实现对汇聚过来的各收费站图像进行集中控制、报警联动、远程对讲、上墙显示等应用。
在本设计中,作为核心设备视频综合平台M60具有强大的性能:
- 通过主控板上的光纤接口与各收费亭的光纤设备组成光纤自愈环网。
- 同时主控板的8个电口实现了网桥和路由功能,可以作为管理站的数据汇聚和交换核心设备。
- 通过解码板可实现视频图像的上墙显示功能,并具有大屏拼接控制器的视频任意组合、混合显示、漫游功能。
在管理站配置的DH-NVR6000作为各收费车道、收费亭、广场和管理站财务室、票务室、机房的摄像机图像存储设备,具有32路高清视频(1080P)接入,并具有强大的视频转发能力和解码能力。在本项目中,对NVR6000的4个千兆电口做了网桥功能,可以实现数据的交换功能,其中3个电口接入管理站的3路高清图像,另一电口接入M60,与M60、平台和客户端进行数据交互,实现录像资料的回放等操作。
另在管理站配置了大华的嵌入式管理平台DH-DSS7016,对管理站接入的视频图像进行统一管理,实现实时图像预览、录像回放、报警联动等操作。
4.1.1.3 对讲、广播系统
各收费亭安装1路拾音器和1只音箱,接入收费亭的高清网络半球摄像机的音频输入口和音频输出口,通过网络与收费管理站实现远程对讲的功能。收费管理站的客户端也可以对各收费亭进行广播。
4.1.1.4 紧急报警系统
紧急报警系统用于收费员在遇到紧急情况时向收费管理站发出报警信号。在各收费亭内的安装脚踏紧急报警器,接入车道高清卡口摄像机的报警输入端口,当各车道有突发事件发生时,收费人员可通过脚踏报警设备,向管理站值班人员进行报警,方便管理站及时进行突发事件的处理,减少突发事件造成的影响,有效的进行事态控制。
4.1.1.5 传输网络
为了保证图像数据传输的可靠性,在收费站监控系统采用了光纤自愈环网。在保证可靠性的同时,为了能节省网络建设的投入成本,大华公司通过自身的技术实力,在前端设备和中心综合平台上植入了RSTP协议,并实现了综合平台的路由功能,使得在实现环网的基础上,节省了网络建设的成本。
该组网模式有如下优点:
- 降低了视频存储对网络带宽的需求;
- 降低了通信系统故障对视频存储系统的影响;
- 降低了监控分中心网络故障对视频存储系统的影响;
4.1.2 隧道监控系统

隧道监控系统采用对隧道全路段进行完全的可视性监视。在正常的运行期间用以掌握交通状况,采集交通信息,便于为交通控制提供必要的依据;在发生交通事故或火灾等意外情况时有以确认,并发出相应的报警信息,采取相应的救援及事故处理等一系统活动,充分发挥隧道实时监控的功能。
4.1.2.1. 前端设计
在隧道外摄像机设置在距隧道入、出口100~250m处1台高清网络智能球机。如隧道一侧的入、出口相距较远或设置1台摄像机很难无盲区监视,可以增加设置摄像机。
隧道内摄像机应从距入口(以隧道洞口顶部为基准)2.0~5.0m处采用100~200m的布置间距,实现无盲区监控。隧道内摄像机布置宜考虑有效监视紧急电话、紧急停车带、人行横洞、车行横洞等(车行横洞可采用带云台摄像机或球型摄像机)。
隧道内如有风机房、配电房,应设置摄像机监视。
4.1.2.2 车辆检测器设计
4.1.2.2.1 设置原则
交通事件检测器应在隧道入、出口内外布设。隧道内在横洞前后设置。隧道内交通事件检测器布置间距以2~4个固定摄像机的布设长度为宜。交通量大、货车比例高的隧道其布置间距宜偏小;交通量小的隧道其布置间距可适当增大或二期设置。
4.1.2.2.2 功能介绍
1) 车辆检测功能。当车辆存在于线圈检测区域时,车辆检测器会持续输出检测信号,并支持AB逻辑检测。所有检测信号持续时间由存在时间设置而定;
2) 可同时外接四个检测线圈,各线圈轮询工作;
3) 检测输出形式可选。当车辆检测器检测到车辆经过时,用户可选择输出信号的形式。可选的形式有:高电平输出(需定制)、低电平输出(需定制)、干触点输出或者RS485通讯方式输出;
4) 故障输出。当外部未接线圈或线圈出现短路、开路等故障时,车辆检测器会以点亮LED灯的形式告警。待故障消除后,会自行恢复;
5) 工作参数可调。车辆检测器对应的振荡频率、灵敏度及存在时间等参数可调;
6) 人机界面。车辆检测器每通道均带有检测指示灯和故障指示灯。当车检器检测到车辆时,对应通道的检测指示灯会亮。当有故障时,对应通道的故障灯会亮;
7) 通讯接口采用RS485形式,对应通讯的波特率可调。通过RS485通讯,车辆检测器将线圈状态、车辆通过信息、通过时间等内容外发。
8)利用平台与车辆检测器的数据进行运算,可对交通量、平均车速、占有率等参数进行检测,通过运算可得出交通拥挤、阻塞、事故或车辆故障,并可进行报警。
4.1.2.2.3 布置说明
- 车检器安装
DH-ITACD-004B车辆检器为独立盒式检测器,并非完全密封。建议用户尽可能安装在防湿防尘的环境中。
- 线圈安装
车辆检测器良好的工作性能,与连接在其上的线圈各种参数有很大关系。线圈的材料选择、正确的安装、几何尺寸以及匝数、馈线长度等参数均会影响车检器的工作性能。 ITACD-004A/B车辆检测器的电感量自调谐范围较宽,因此能够适应较宽范围的感应线圈电感量(包括馈线部分),馈线长度最长可支持500米,方便在实际工程当中使用。
- 线圈材料及尺寸
线圈线(或馈线)一般要求用绝缘导线,通常使用PVC绝缘线。PVC绝缘线使用较长时间后,容易出现气孔,进而影响车检器工作的稳定性。在有条件的情况下,推荐使用聚乙烯AWG16~22多芯高温保护套线。 线圈通常采用长方形的方式安装,并且长边处在行车方向的垂直位置,边的距离推荐为1米间距。线圈的长度取决于车道的宽度,线圈距车道的边沿至少保持0.3米的间距。实际应用中,可按情况对形状和尺寸进行灵活调整,一般线圈周长最大可达30米,最小可为5米。当线圈周长超过10米时通常绕两圈,当线圈周长在6-10米之间时,通常绕三圈,而当线圈周长小于6米时,线圈应绕四圈。
- 线圈间距
当线圈间距较近时,容易产生相互间的串扰。车辆检测器已采用先进的线圈轮询检测技术,基本已解决了线圈间的串扰问题,实际应用时各个线圈间的安装间距无特别要求。在多台车检器使用的应用场合,必须确保检测器的线圈间没有串扰。此时线圈间的两边平行间距应至少大于2米,当它们不在同一平面内时,这一间距可减到1米。
- 馈线
线圈与车辆检测器距离较近时,线圈线与馈线可用同一根无接头线连接。在距离较远的应用情况下,推荐使用带铝屏蔽网或铜屏蔽网的电缆或铠装电缆。不可使用多芯电缆且使用过程中剩余线用于传输其他信号。
- 切槽
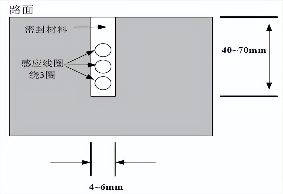
切槽操作应采用专用切槽机完成,一般切槽宽度为4~6mm,深度为40mm~70mm。切槽时,应保证槽内最上层电缆距离地面间距为30mm以上。角边线槽应采用45º角切割,以保护线圈。切完后,清理完切割产生的碎渣,尽量保证槽底平整。
- 线圈的安装
- 确认路面安装位置,画线确认切槽大小、形状及线圈尺寸;
- 按8.2.3节方式完成切槽;
- 在切好的槽内按自下而上的方式逐层排线并压紧,直至完成所需的总匝数。这个电感线圈的电缆(含矩形线圈和馈线部分)应无接头;
- 从线圈连接到车辆检测器的馈线须双绞后连接,建议每米绞合20次以上;
- 馈线通过其他设备下时应预埋过管并用塑料管送入车检器机箱;
- 填缝。为防止线圈在有车经过时出现抖动等现象,切槽缝隙应与道路成为一体。对线槽的封口一般用热熔沥青、密封胶或环氧树脂,保证线圈线缆完全密封,内部无气泡。为更好的延长线圈的寿命,推荐将所有线圈线缆完全密封在树脂中。不过线槽或线缆较湿时不能采用这种方法。
安装平面示意图:

安装截面示意图:

4.1.2.3 隧道管理站设计

在隧道管理站设备管理平台DH-DSS7016、存储设备DH-NVR6000、网络键盘DH-NKB3000、高清解码器DH-NVS0904DH、拼接大屏和客户端。
由管理平台DH-DSS7016对接入隧道管理站的前端设备进行统一的管理,并控制高清解码器的上墙显示。存储设备DH-NVR6000对接入隧道管理站的前端视频设备进行图像数据的存储。网络控制键盘可以对接入的前端视频进行切换上墙操作。
4.1.2.4 传输网络
各隧道摄像机通过网络接入就近的光交换机,各隧道光交换机组成光纤自愈网接入到隧道管理站部署的NVR存储设备,并部署平台进行管理,通过解码器进行上墙显示。
4.1.3 外场监控系统

4.1.3.1 前端设计
以“点、线、面整体布放”为原则,实现对路况的全面监控,每公里设置一个高清监控点,实施高速全程覆盖。每一个监控点使用12米高的立杆,安装高清夜视一体化重载云台,可360度旋转,实现30倍光学变倍,16倍数字变焦,实时查看互通区及重点路段的车辆情况。整个监控系统能做到既能看到道路的实时状态,也能清晰看清细节。为现场应急指挥、特殊事件处理提供更有效的数据。

4.1.3.2 事件检测设计
对于高速公路重点路段、事故多发路段需要通过智能分析来进行事件检测,快速发现高速公路上的违法事件,保证公路高速的安全运行。因此可以通过事件检测设备来进行事件的检测。

我们将整个系统将分为二级,第一级为外场的设备,主要是由摄像机组成,摄像机采集的高清网络视频信号,通过网络传输到分中心。传输到分中心的数字信号直接提供给事件检测服务器进行处理,处理完后数据传给后台事件检测管理终端进行显示。
4.1.3.2.1 事件检测系统功能
实时检测来自(云台、镜头可变即遥控的)彩色或黑白摄像机(含球型摄像机)以及固定摄像机(彩色或黑白)的图像信号。
视频图像无需设置:只要将视频图像接入本系统,不需要任何软件设置,即可自动进行事件、事故检测,即插即用。
系统在交通监控的情况下,能实时自动检测的事件、事故包括:车辆拥堵、车辆停驶、交通事故等。
画面检测:只要在摄像机的图像画面范围内,发生的交通事件和事故,系统都能检测到。
系统具有即变焦即检测功能:对于遥控摄像机,画面拉近或推远后,系统可以自动学习适应新的背景画面,2—3分钟后立即自动进行事件、事故检测。
对于遥控摄像机,如果摄像机角度发生变化,系统可以自动学习,适应新的背景画面。2—3分钟后立即自动进行事件、事故的检测。
输入视频信号切换后,系统可以自动学习、适应新的背景。2—3分钟后立即自动进行事件、事故的检测。
全天候检测功能:不管昼、夜、雨、雪、雾,在各种气候条件下,只要人眼能看见车辆的移动,即使在道路没有照明的情况下,只要车辆有正常的前灯、尾灯照明,即可毫无障碍的检测事件、事故。
系统自动记录事件、事故发生之前和之后的图像,前后不少于3分钟。所记录的视频序列标记与报警信息相关。
高清视频通过网络高速传输,存储到中心集中存储设备上。
前端摄像机采集的高清视频图像可以直接存到存储设备中,可实现实时调用。
可支持事件录像、报警录像、实时录像等录像功能。
视频可以检测如下故障:视频信号丢失、系统设备故障、网络通讯故障。系统具有自诊断和报警功能。
4.1.3.2.2 事件检测系统原理
事件视频检测系统,是通过视频图像采集处理来自动实时检测交通事件、事故的一种新技术。它取自固定或摄像机(即云台镜头可变,如快球)采集的高清视频图像。
事件视频检测系统,是采用多目标识别与跟踪的高科技技术。即对于视频图像画面中出现的所有车辆(目标)进行锁定、跟踪。同时,对于所有车辆分别进行矢量轨迹描述。通过对矢量轨迹的分析,即可得出机动车(目标)的运动状态,同时也就得出了路面的状态数据。如:是否有异常停车、车辆的运动速度、是否有车辆逆向行驶,是否有人横穿马路、丢弃物、平均车速、车流量、车间距、车道占有率等。
事件视频检测系统实时采集视频图像,将对视频图像进行数字化二进制处理。视频图像对黑白、彩色信号均可处理。从数字化图像中分析出路面(目标应有的矢量轨迹图)和车辆(目标)状况,高速公路事件视频检测系统自适应学习的过程,大概需要2—3分钟的时间。

4.1.3.2.3 违章停车
在选定视频通道中按实际需要绘制一个检测区域,当有运动目标在监测区域内的存在时间超过了设定的最短持续时间时,就触发智能报警;目标护法一次报警后,如果在报警间隔时间内还逗留在区域内,则会再次报警,支持检测的目标物体有“人”和“车辆”。

4.1.3.2.4 车辆逆行
在选定视频通道中按实际需要绘制检测区域,然后在检测区域内绘制方向线,该方向线为允许运动的方向。当物体运动方向方向与设定的允许运动方向的夹角在设定角度范围内,在认为是逆行,从而产生智能报警。检测的目标物体支持“人”和“车辆”,触发报警的位置可以是监测区域中心、左端中心、顶端中心、右端中心、底端中心。

4.1.3.2.5 行人异常行为
该技术用于检测监控区域内疑似抢劫或犯罪后逃窜的高危行为。技术实现主要有两种。一类实现仍然基于前景物体检测,根据前景物体的运动路线来估计其速度,超过一定的数值就报警。这种速度估值的精度较低,而且无法克服摄像机近大远小的问题;同时,无法区分行人和自行车上的人,实用性不高。第二类实现采用特征运动模式分析技术,用模式识别的方法对于场景各部分可能出现的运动模式和运动速度进行学习,不但可以侦测出异常加速,对于罪犯逃窜时翻越栏杆、矮墙等平时出现机率很低的行为,也能够识别。
应用前提
场景中运动人员以步行为主,摄像机俯视角度不低于30度,俯视角度较小时,应提高架设高度避免人之间的严重遮挡。

4.1.3.2.6 交通事故及遗留物报警
在选定视频通道中按实际需要绘制一个检测区域,对于物品遗留,当监控场景中有丢弃目标超过设定的时间时会触发报警;对于物品搬移,当监控场景中有目标被搬移超过设定的时间会触发报警。对于智能报警的触发条件,可以设置最短持续时间,及触发报警时目标的停留时间或搬移时间。

4.1.3.2.7 占用应急车道报警
在高清视频监控系统中,图像对应的应急车道区域进行布防。当车辆占用应急车道时即可进行报警。防止在事故发生时救援车辆由于应急车道被占用无法快速的到达事故地点进行救援。

4.1.3.2.8 视频车流量统计功能
可以通过高清视频的智能算法对过往车辆的行驶方向及数量进行智能统计。

4.1.3.3 信息发布系统
大华多媒体信息发布系统采用国际领先的网络和互动技术推出“总部集控管理,终端*放播**互动”的智能多媒体信息发布系统,助力用户构建组合LCD、LED、触摸屏、拼接墙等的统一数字标牌管理平台。系统采用独有的全B/S架构,用户只需登录管理端Web 页面即可快速完成节目制作、发布、审批、终端管理、设置和远程监控、维护等操作。

4.1.3.3.1 系统组成
信息发布系统主要用中心管理端设备(硬件和软件)和现场*放播**设备(*放播**器和显示屏)组成。
中心管理端硬件设备: 架设在中心管理机房,安装中心管理端软件及扩展应用。一般小型应用规模(500个终端以内),部署一台中心管理服务器即可,减少用户投资。注:对于中大型应用规模(500个终端以上)应用,可根据实际情况,部署管理端子功能应用服务器(集群)及二级分发服务器。
中心管理端软件: 用于节目制作、发布、审核管理、终端监控及维护、*放播**日程管理、系统权限设置等功能。
*放播**终端硬件:架设在终端点位,可由分体机(*放播**机+显示设备)和一体机(集成一体化设备)等终端设备组成。典型终端型号规格如下。
分体机方式(*放播**机+显示设备)
|
项 目 |
描 述(具体规格可能会有差异) |
|
|
CPU/内存/硬盘/网卡 |
标准*放播**机【EBB08】: 1.6GHz主频/1GB/16GB SSD或160G硬盘/10M/1000M网卡 全高清*放播**机【EBB09】: 双核1.8GHz主频/2GB/32GB SSD或320G硬盘/10M/1000M网卡 |
|
|
电源 |
220V输入、12V输出 |
|
|
I/O接口 |
1个VGA(720P高清输出) 1个HDMI输出(1080P全高清输出,需选购全高清*放播**机配置) 1个RJ45网线口(可选配内置WiFi),一组音频输入输出 5个USB接口 |
|
|
功耗 |
无风扇全铝机身散热、低功耗工业设计 |
|
|
外观尺寸及标注 |
||
190(L)×150(W)×25(H)mm 标准*放播**机【EBB08】 |
183(L)×123(W)×29(H)mm 全高清*放播**机【EBB09】 |
|
终端*放播**机 LCD/PDP/LED等显示终端 |
||
4.1.3.3.2 系统功能
中心管理软件,可编辑文字、图片,将编辑好的文字、图片发送到指定的*放播**器上,进行*放播**显示。
在高速公路应用上,中心事件检测设备检测出哪个路段有拥堵、事故发生时,可以将事件信息发送到路段前的LED显示屏上,以提醒行车人员注意或绕道行驶。
4.1.3.3.3显示屏的硬件、软件特性
显示屏硬件特性
●适应环境要求
环境温度:-20℃~+60℃的环境下连续正常工作。
环境温度:小于95%环境下,内部不结露、且能正常工作。
屏体具有防水、防潮、防盐雾、防腐蚀、防霉变等防护功能。
屏体具有防风、防尘、防工业干扰、抗震、阻燃等防护功能。
屏体具有防电磁干扰、防雷击等防护功能。
电器运行方面具有过流、短路、断路、过压、欠压等保护措施。
●发光管部件
红色 LED 采用美国生产铝、铟、镓、磷(ALInGap)四元素超高亮度管芯(AVAGO-T档)发光二极管,纯绿色与纯兰色LED 采用日本日亚(NICHIA)公司生产的氮化钾全进口超高亮度发光二极管。LED 的平均无故障时间MTBF≥50000 小时。
- 高亮度
我们选用高质量原装芯片做为发光部件,不仅具有很高的色纯度、高亮度、长寿命,而且有很大的视角,水平方向≥110°,垂直方向≥40°。
- 高色纯度
为更好还原图像的色彩,作为显示要素的发光管应具有很高的色纯度,红色发光管峰值波长为625nm;绿色发光管峰值波长为525nm。
- 寿命长
相对初期亮度来说一般把寿命亮度下降到50%的这一时间来定义寿命。LED显示屏可保证温度在-200C~+600C、湿度在10%~95%条件下寿命为120000小时以上。
●画面设计
- 高亮度
要提高单位面积的亮度,得到亮画面的方法是采用高亮度的LED。用定量表示面亮度的cd/m2单位进行定义。
室外屏的亮度系数必须如下:才能在阳光照耀下清晰可见;
10000cd/m2
亮度与单位面积的LED的数量成正比。但是,LED的同亮度级以同电流为先决条件。亮度与电流成正比,但是寿命却与电流的平方成反比。电流增加2倍,亮度也增加2倍,而寿命却缩短为1/4。
- 高对比度
为了能够清晰地显示出亮度均一的文字图像,具有识别周围环境亮度与发光光源点(LED)之间的明暗是非常必要的。
发光时的亮度(发光亮度)
对比度的定义= 不发光时的亮度(反射亮度)
定量表示图像的好坏一般都用对比度做为指标。
不发光时的亮度与周围亮度,以及反射光对周围光线亮度形成正比例,而对比度则成反比例。所以要有随着环境亮度的变化自动调节显示屏显示亮度的功能。一般来说周围环境亮度为50000LX时,对比度必要值应该在150以上。
- 可视角宽广
为了使光适度的扩散,正面亮度和侧面亮度的比率一定要小,这样才能从显示屏的正面或侧面看到画面。一般把正面亮度值的50%(半值角度)定为侧面可视角的极限值。
侧面的亮度
≥0.5(半值角度的定义)
正面亮度(最大亮度)
从以上的计算可以得出(0.5)半值角度越大可视角度就越大。
为了扩大可视角度,一般都把芯片封装成发光管做成扇形或心形。具有同一光能的LED在扩散光时与它的扩散面积(可视角度)成反比,而且亮度会变低。为确保同样的亮度必须把可视角扩大2倍,这样就需要4倍的光能。
水平110度,垂直50度的可视角是大型室外显示屏系统必须具备的条件。
- 清晰的再现影像
能否再现清晰的影像,与单位时间的画面数有很大关系。为了再现清晰流畅影像必须每秒传送60幅以上的画面,画面的切换必须为全画面同时切换,而非扫描方式。
- 画面亮度均一性好
由于画面是由几万个像素而构成,所以控制像素之间的亮度差就是一个很重要的问题。考虑到人的视觉与听觉具有同样的对数性这一特点为,维持画面亮度的均一性(普通电视机在80%以上)应很必要了,对于高品质国LED显示系统相邻像素间亮度均一性应达90%以上。
均一性= 相邻最暗像素的亮度 /相邻最亮像素的亮≥0.9
●关键技术
- 恒流源技术
目前,LED显示屏的驱动方式有两种:一种为恒压方式,另一种为恒流方式,恒压驱动方式用于LED驱动存在较大的缺陷,众所周知,LED是一种电流器件,由于LED的管压降存在离散性,用恒压驱动易造成LED发光亮度的不一致,另外由于电流的不一致性,将导致主波长的变化,引起色度的不一致,容易造成“马赛克现象”,同时影响显示屏的使用寿命。
针对恒压驱动的缺点,近年来,国际上一些著名的IC生产制造厂家,推出了具有恒定输出电流控制功能的逻辑功率驱动IC,它具有较多的集成度,自身有驱动能力,还具有恒流输出功能,而且恒流的大小还能根据需要进行设定和调整,从而确保了LED显示屏亮度、色度一致性的要求,较好地改善了显示图像的画质,从根本上克服了“马赛克现象”。经过几年的工程应用实践,对于此类恒流器件进行一些完善。使各LED驱动电流的差值降到最低。
- 马赛克处理技术
为避免产生马赛克现象,采用发光模组为同一品牌、同一型号、同一档次的LED。选择产量投入很大的公司封装。
- 对比度处理
对比度是图像显示的一种重要指标,对比度不足会使图像暗淡,无层次感,对比度过高又会使图像过于生硬,为达到最佳的观看效果,利用大规模图形处理芯片对视频信号的幅度进行动态的调整,使显示效果达到最佳状态。
在对视频信号对比度动态调整的同时,我们也对显示屏体进行了如下处理以提高显示屏的自身对比度。
采用高亮度的发光二极管。
表面进行黑化处理,采用黑色的罩壳,选择低反光系数的设计形状。封装采用亚光黑色硅胶。
- 亮度调节
为了保证在不同光强环境下的观看效果,我们可采用手动或自动方式对显示屏进行多级亮度调整,以达到最佳的观看效果。
- 同步换帧技术
为了满足显示屏显示信息在摄像机、照像机的拍摄重放过程中具有很好的效果,我们在显示屏中运用了锁相环技术,保证了显示屏的同步换帧和同步刷新。
- 运动补偿
传统的视频信号都是隔行扫描的,而在现在LED显示屏中采用的是逐行信号,在隔行转逐行的过程中,如不进行运动补偿,则图像会出现锯齿、拉毛或图像模糊,分辩率降低的现象,影响观看效果。
我们利用帧预测技术,借助于专用芯片完成了视频图像的运动补偿,以达到最好的显示效果。
- 高速图像刷新技术
我们采用的分散式控制方式,可使显示屏具有极高的刷新频240HZ,可满足人眼长时间观看而不疲劳的要求。
- 降 噪
显示屏的亮度和显示面积是普通电视机等显示设备的数倍,如不对噪声处理,视频信号中的噪声在显示屏中会非常的明显,采用大规模可编程集成电路,开发了具有递归和在中值滤波功能的LED控制系统,更好地改善了视频图象的观赏效果。
- 适合的LEDγ变换
来自计算机和电视的信号,为了修正CRT显像管的非线性特性(γ特性),对信号进行了γ预校正,如果将这样的信号原封不动地呈现到LED显示屏上,就会造成对比度低,模糊的图像,这是因为LED不具备CRT的γ特性。
因此我们采用了在通常γ校正(γ=2.6)的基础上再加一阶段适合LED的γ校正的方法,根据LED的发光、亮度特性和LED的安置环境,在系统中将校正系数制表,由此可以实现信号的线性化,从而提高图像自身的对比度和清晰度。
- 高性能的控制机制
支持PAL、NTSC、SECAM制式的接入,采用统一视频处理技术,保证所有制式图像显示效果的最佳性,对RGB信号无级缩放,以满足适合的显示尺寸。
支持实时亮度、色度调节,外置亮度传感器手动/自动64级以上亮度具有65536级灰度显示能力,能实现每色非线性1024级灰度,具有10亿色以上的表现能力。支持亮度均一性校正,采用制表方式实现像素亮度一致性校正,可实现相邻像素间亮度差在10%以内。
- 系统报警自检技术
控制系统自检功能包括以下几部分:温度检测、电源检测、传输检测。
- 温度检测
温度传感器检测当前显示屏内的环境温度,转换成电信号后,送温度控制单片处理,并根据风扇和空调是否启动的预设值来控制风扇供电的继电器进行动作。
- 电源检测
将开关电源输出电压与基准工作电压进行比较,比较结果送电源检测系统单片机进行处理。当输出电压低于基准电压时,视为电源发生故障,将故障报告上传至中心上位机供工作人员查询。
- 传输检测
控制计算机周期性向*放播**计算机发送握手数据A,*放播**计算机接收到握手数据后,向控制计算机回送握手数据B,如果通信线路出现故障,*放播**计算机收不到握手数据A,则将通信设备自动复位,控制计算机收不到握手数据B,发出报警信号,提示工作人员检修。
- 优良的象素封装技术
采用硅胶加一定比例的,使硅胶与罩、LED和印制电路板的粘模组罩壳采用聚碳酸脂加一定比例的,以提高罩壳的硬度、韧度和抗老化能力。模组中的PCB采用单板设计方式,以提高模组的可靠性。
- 显示屏配电技术
本系统为复杂的大型电子系统,元器件多、功耗大。为保证系统的可靠运行和安全拟采用高性能的开关电源,对大屏采用保护接地、防静电接地、屏蔽接地多种等多种接地措施。
电 源:三相五线供电方式,220V开关电源供电,其在电压波动±10%下 工作。显示系统开关电源质量优,转换效率高。
专用地线:接地电阻〈10Ω
4.1.3.3.4 立杆、基础和框架(包括散热设备和外观装饰)
显示屏整体承载按抗12级台风和8级以上地震标准设计,能够承受风压力106kg/m2 [(914.72+0.1)×(3.2+0.1)×106=5184.01kg]。屏体自重为60Kg/平方米。
显示屏框架为钢架结构件,采用国家标准材料。从显示屏的结构牢固、可视距离、美观程度等方面考虑而设计。
综合考虑后,我们设计12.16平方米的交通诱导屏采用“F”型立杆。效果图如下:


4.1.4 路段监控中心
路段监控中心负责各收费站、隧道、外场码流的汇聚、存储和各种业务应用。中心监控由网络键盘、IPSAN存储设备、转码服务器、视频综合平台、大屏、软件综合管理平台服务器、设备接入网关、运维服务器、交通检测服务器等设备组成,对外提供综合服务,以达到集中监控和集中管理的目的。
软件综合管理平台是整个监控中心的核心系统,提供视频转发、存储、查询、上墙显示、回放、告警管理、智能检测等全部业务应用,通过该系统监控人员可随时掌握各路段的情况,为道路的正常运行提供必要的信息支持。
4.1.5 省监控中心

省监控中心能够对所有的路段进行控制。能够调用和控制所有路段的图像。在省指挥中心,考虑到与第三方系统的兼容性,我们设置了转码服务器,平台接入网关,并配置了双视频平台进行双机热备。能够完成第三方设备以及平台的接入外,还能保证系统的稳定运行。
第五章 综合管理平台
综合管理平台是整个系统的灵魂。因此我们选用具有针对垂直管理的多级组织机构开发的分布式集中监控系统平台软件,该远程监控综合管理平台实现了监控系统数字化、网络化、集成化和智能化:平台软件处理具有多样性和关联性的信息类型,包括音视频信息/控制信息/报警信息等,通过数字化和网络化监控设备IPC/NVR/DVR/DVS对现场场景设备、报警设备、设备进行全面监测控制和管理,完成系统设备和功能的软件集成化和处理手段的智能化。
综合管理平台实现了集中监视监测,集中事件报警,通过IP网络的集中管理、集中存储、集中的用户验证、系统流服务以及C/S模式访问与B/S模式访问的统一,基于远程监控综合管理平台可以构建不同规模的多级联网的监控系统。
综合管理平台采用先进的体系结构和硬软件实现技术:体系结构采用C/S结构和B/S结构统一的流服务和流访问机制,既保持C/S结构的功能强大特点,又发挥B/S结构集中服务/访问方便/多层结构的特点。使软件功能更强大,测试更细致容易,系统更稳定安全,规模更弹性,扩展和定制集成更快捷。可以快速定制成为行业用户的实际系统,满足不断增长和变化的系统需求。
5.1 总体架构
作为整合交通管理基础设施、网络与计算机、交通管理信息应用系统的综合信息管理平台,其总体框架应该包括设备接入层、转发存储层、中间件层、业务应用层、用户界面层五个层次,如下所示:
智能接入

平台系统架构
设备接入层:主要负责与外场设备、中心系统进行数据交互;完成采集图片/数据的入库存储、数据协议转换、数据预处理及控制信息发送功能;
转发存储层:主要负责业务数据以及录像文件的存储和管理,负责实时视频图像的转发和历史图像的存储,数据库软件采用ORACLE, 采用RAID5磁盘阵列作为存储介质,采用负载均衡的策略将转发、存储、比对、查询任务分配到多台服务器上。
中间件层:是支撑业务应用中间件服务层,主要负责数据检索引擎、数据共享服务和GIS访问等功能;
业务应用层:是基于中间件层之上进行的各种业务处理、运算和管理服务层,包括实时监控、录像追踪、报警、信息导入、GIS应用、查询统计、报警联动、系统对时等业务处理功能,同时提供丰富的系统配置管理功能;
用户界面层:提供友好、易用的人机交互界面。
5.2 平台特色
5.2.1 动态集群
系统关键服务器均支持动态集群技术。当用户需要扩容时,只需要将新的服务加入配置,无需重启系统即可动态生效,扩展系统能力。系统支持动态增加相同的服务,先天具备容错能力。某台服务器因为硬件故障死机,有其它服务器可以接替工作,保证系统不间断运行。
5.2.2 负载均衡
视频监控系统承载的压力主要来源于多用户的同时并发视频流申请或者中心集中存储,分布式部署的流媒体转发服务的性能和有效分配机制成为衡量平台性能的重要指标。视频监控系统本身就是一个负责均衡集群,中心管理服务集成了负责均衡算法,通过不定时的收集集群内的每个节点的运行参数,如网络带宽、转发路数、CPU性能、内存、磁盘IO等,可以有效管理和分配网络流量,使每个流媒体转发节点尽可能的平均分摊网络负载。同时,当某一流媒体转发节点出现故障时,中心管理服务器会主动把流量切换到其他节点中,而用户不需要为此等待非常长的时间和代价。
负载均衡集群,提供了一种相对廉价的方式增加集群转发带宽和网络吞吐量,同时,流媒体转发节点的增减也相对变的简单,系统更加稳定。
5.2.3 双机热备
系统中的业务管理服务器为单服务器,使双机热备技术保证不间断运行。可选择会话复制或不复制。另外系统中的WEB服务器和数据库可以使用数据库本身的备份技术或第三方软件进行热备,保证系统运行。
5.3 基础应用功能
5.3.1 实时监视
- 摄像头列表可按管辖部门、街道、监控对象类别、功能等属性自定义分组,一个摄像头可划分到多个组;
- 支持信道名模糊检索和定位功能,支持拼音首字母检索和定位功能;
- 支持前端按钮视频报警并进行双向语音对讲功能,可在各级监控中心之间实现双向语音对讲功能作为系统的扩展应用;
- 支持在单屏且满屏时可以对前端设备进行PTZ控制;支持直接在监控图像上进行PTZ控制;支持框选放大球机控制功能,特别适用于全屏监控;可实现对所有前端设备进行平滑、流畅、无明显延时PTZ控制;
- 支持鼠标、电脑键盘和模拟键盘等多种操作设备;
- 与前端设备关联,支持鼠标点击居中,框选或滚轮操作时摄像机镜头可拉近或推远;摄像机转动角度的大小和镜头推拉的快慢可以通过操作界面上的按钮或数字或滑动条等方式进行调节;
- 支持实时视频屏幕抓拍、识别,所抓拍的文件命名包含监控点和时间并保存在用户指定的数据库目录中,使视频图像数据可根据内容检索;
- 支持语音喊话功能;
- 摄像头列表图标具有显示不同状态功能,如是否在线、是否有视频等;
- 具有云台预置位查询、跳转功能;
- 同时能够查看标清视频、高清视频等。
- 支持多种分屏、单屏、全屏显示切换,可1/4/6/8/9/13/16/20/15/36/全频等画面分割;
- 支持对所有设备和选看设备进行顺序轮巡与分组轮巡,轮巡时间可设;即实现分组定义、组内轮巡、分组轮巡、组合轮巡、手动轮巡及自动轮巡


- 支持前端设备网络故障提示和恢复后自动重连;
- 支持显示单个和多个实时监控图像的实时码流数据;
- 支持视频模式切换、本地录像、视频抓图、矩阵输出等功能;
5.3.2 录像回放
支持录像检索功能,支持常规回放、分段回放、事件回放与即时回放功能,支持单画面、多画面回放,支持预览时的即时回放功能,支持多路同步回放功能。
监控系统的建设除了实时报警,防患未然外,还有一个重大的作用就是事发后有据可查,因此,录像的检索、连续流畅、多功能*放播**也是平台的一个很重要的功能。提供方便的录像检索、查询手段,可根据时间、地点和报警类型等信息检索并回放图像,回放时可实现*放播**、快放、慢放、单帧放、拖曳、暂停等功能。
大华综合监控管理平台软件就录像回放功能,详细功能描述如下:
- 可以随意回放设备存储录像,或者平台存储的录像,也可以同时回放这两种不同来源的录像;
- 录像检索方式采用进度条直接点击定位的方式,不需要像传统的录像定位那样需要选择开始的时、分、秒及结束的时、分、秒等,整个检索操作过程大为简化,将易用性大大提高;
- 可以最多支持4路不同的录像同时回放;可把多路通道选入到多路回放列表中,同时进行录像查询和回放;录像回放时*放播**速度可以调整,可以2、4、6、8、16和1/2、1/4、1/6、1/8、1/16等倍速*放播**,可以快进、慢进、单帧前进;*放播**速度可以通过进度条、时间点等进行控制。
- 支持录像*载下**到本地的功能,可以选择按照时间*载下**或者按照文件*载下**。按照时间*载下**即精确到秒的录像*载下**,多适用于重点录像段的精确*载下**;按照文件*载下**,则将录像按照在存储介质上的打包大小*载下**,适用于录像批量*载下**。支持*载下**文件自动命名;
- 用不同的颜色标注不同类型的录像,突出重点录像,一目了然整体的录像情况,减少搜索。支持全部\普通录像\外部报警\移动侦测\视频丢失\视频遮挡;
- 录像进度条可以按照时间显示,也可以按照百分比显示;
- 录像支持音量大小调节及静音选择;
- 按照需求跨文件连续*放播**;
- 支持暂停/*放播**、停止、2/4/8倍速快放、1/2,1/4,1/8倍速慢放、逐帧*放播**、*放播**下一个文件、*放播**过程中抓图、*放播**录像就地保存;可做*放播**器使用,*放播**本地文件。
- 可以从实时图像监控快速切换到同一监控点的录像回放界面;也可先进入录像回放界面再选择监控点。
- 支持录像查询的操作界面上有明显的特征显示该监控点在某时段有无录像;支持目前主流品牌的DVR的录像查询。
- 支持连续的录像回放,无论录像的后台存储形式是以文件块还是数据形式或其他形式,在录像回放界面都可以一次性在同一*放播**通道内完成*放播**。
- 录像回放时可进行截屏抓拍,所抓拍的文件命名包含监控点名称和时间并保存在用户指定的目录中。
5.3.3 录像管理
能够实现录像功能,支持计划录像、事件关联录像、手动录像;支持录像服务器断电数据自动修复。支持前端设备录像、中心录像、报警录像及本地录像的查询,并进行回放和*载下**,支持对某段录像增加标签并快速定位标签回放。
- 录像标记:*载下**到本地的录像在回放时可以添加标注点,可以通过标注标题、标注内容、标注时间等进行精确的查询和模糊查询,可以从查询中直接观看已标注的录像。
- 录像剪辑*载下**:可以对录像进行剪辑*载下**,任何一段连续时间的录像都可以根据用户需求*载下**保存一个或者多个文件,所保存的文件命名包含监控点名称和时间,并保存在用户指定的目录中,支持多个录像文件的合并。
- 支持对不同通道录像回放同时*载下**、同时多路*载下**、某段录像*载下**过程中可以方便地增加其他*载下**内容,*载下**过程可以人为停止,*载下**录像的保存目录预设为上一次*载下**操作时的保存目录并可更改。
- 可以对用户选择的录像进行格式转换,可支持转换成AVI媒体文件格式。
5.3.4 云台管理
视频监控时需要镜头定时复位、控制云台方向、调用预置点、控制镜头巡航、抢占云台控制权、图像3D放大;支持网络键盘接入,能够通过键盘控制图像切换和对摄像机的控制。支持一定级别用户对云台监控图像进行锁定;
支持高级别用户对低级别用户的图像解锁和操作抢断,抢断操作自动完成,抢断后的释放可以是高级用户通过简单的操作完成;抢断时低级别用户能收到明显提示;
同等级的用户可以相互对某个球机的控制权进行抢夺;
5.3.5 告警联动
告警提供布控移动侦测、布控信号量、布控遮挡、过滤告警信息,告警时可以查看相应的处置预案、处理告警信息、记录告警日志、确认告警。系统应支持多种报警联动策略,联动方式有:客户端联动(视频图像、声光显示、信息叠加,语音对讲)、云台联动、通道录像、报警输出联动、EMAIL通知、短信发送等方式;支持报警手动确认并插入确认备注。当同时产生多组报警时系统将依报警优先级和发生的事件顺序,自动换页至报警发生画面供操作人员确认,以迅速排除故障。当发生报警时,联动切换摄像机画面,并记录下当时现场的情况。告警信息源与视频源之间的对应关系可由配置文件方便地修改,所有告警信息存储可按时间、地点查询,并回放对应的录像。
5.3.6 电视墙管理
大屏设备是当前系统建设不可或缺的部分,主要布置在监控中心,遇到特殊情况的时候,能够方便做应急指挥,具有显示形象、清晰、切换方便等的作用。
视频综合管理平台具有较强的兼容性,可通过SDK或协议的方式将原有电视墙管理软件进行融合,实现视频图像在电视墙上自由组合和拼接,在上墙时能保证解码设备输出的视频图像与电脑监控画面同步无延时,图像完整无变形,色彩无明显偏差。
系统VMS服务是沟通平台和电视解码设备的桥梁,系统经过视频管理将视频命令发送给VMS后,在VMS的后端可以连接SNVD以及NVD等解码设备,最终将数据输出显示到电视墙。在选择用NVD解码上墙时,可以根据系统或者解码器设备的负载情况,自由地选择视频是直连上墙还是转发上墙。直连是由解码器直接申请前端数据,显示到电视墙上;而转发,则是由中心平台将数据转发给解码器,通过解码器上墙。
5.3.7 预案管理
- 系统支持多种方式建立预案,通过电子地图,可以一目了然的了解各种应急事件的情况,并且根据预案做出相应的联动策略和应急指挥。
- 系统支持用户通过输入点位、拖曳点位、在电子地图上框选点位等方式建立预案,并支持以预案的方式对相应的视频切换、浏览方案进行保存;
- 系统能按照既定的预案自动的实现事件的调用和相关视频的存储、建档;
视频预案功能提供监控图像的预案库,根据不同的需要设计不同的监控预案,能够直接控制到各个监控点的预置位和监控时间。并提供比较直观的功能显示和屏幕操作。
综合监控管理平台软件系统可以提供声、光、电、视频放大、视频切换、视频预案、云台预置点、视频上墙等8种以上的联动策略,同时针对不同的报警可以设置时间、场景等的预规划响应。真正起到疑情防范的作用;视频预案提供监控图像的预案库,可根据不同的需要设计不同的监控预案,能够直接控制到各个监控点的预置位和监控时间。并提供比较直观的功能显示和屏幕操作。视频预案主要描述哪些摄像头在哪些窗口显示及轮循策略等。设备巡检支持以下两种巡检方式:
1)常规巡检:
常规巡检支持用户自定义配置监控点位与窗口关系,用户可以设置预案停留时间,每个监控任务中可以包含多个监控计划,各监控计划按设定时间轮询切换。
2)智能巡检:
智能巡检功能支持用户设置重要标志信息,如探头位置(通道、站点、停车场)等,系统可以根据用户选择条件自动生成预案;从而减少用户手动配置预案的工作量。
5.3.8 分级检索
默认监控点位列表排列方式为树状结构,并可按地域、单位、街道等分级检索。除缺省的树状列表结构,系统支持用户通过拖曳点位、框选点位等方式生成新的树状列表并加以标签、排序存储,实现不同用户的个性化需求。监控设备树支持多种形式展现,可以按照组织结构、监控点位、最近浏览、我的收藏夹等多种方式进行。可以按照设备所属进行组织和构建设备树。同时,设备树支持模糊查询、也支持GIS地图的地物搜索。
5.3.9 书签标注
- 系统可以存放大量非结构化数据。除缺省的树状列表结构,系统支持用户通过拖曳点位、框选点位等方式生成新的树状列表并加以标签存储,实现不同用户的个性化需求;
- 能够对实时视频、历史视频以及报警检测过程中触发的视频进行书签标注(包括对整合社会图像资源的书签标注),并描述相关信息。视频共享平台具有对所标注的视频图像信息进行检索的能力
5.3.10 语音屏蔽
在某些特定的情况下,宜能支持对部分用户屏蔽语音信号,即部分用户仅能看到图像,无法听到声音;在用户权限管理中,可以对前端设备的视频和音频权限做单独的颗粒化区分,某些用户无法进行音频信号的接收和*放播**。
5.3.11 平台级联
支持通过GB/T 28181-2011联网标准实现与上级视频联网平台的级联;支持通过GB/T28181-2011标准接入第三方平台,实现目录推送、视频预览、视频查询、视频回放、云台控制等功能
5.3.12 GIS功能
支持与GIS系统的集成,提供标准的接口,支持电子地图上报警点、监控点、外部设备的标示以及自定义标示,支持图标闪烁,支持通过GIS系统实现对前端视频监控图像的浏览与查看;GIS地图上展示镜头分布、快速搜索视频资源与定位、查看过车信息、显示监控设备的各种状态、运行、统计信息,支持图表和地图结合方式的各类信息统计和分析,提供范围图、直方图、饼图、等级符号图、点密度图等多种专题图,为指挥中心管理人员的决策提供依据。
5.4 智能化应用
5.4.1 视频切片标注
视频切片标注是视频综合管理系统的一项实用功能,用户在实时视频浏览,或者录像回放的时候,通过视频标签对特定时刻的视频内容进行文本信息标注,并在联网平台中进行标注信息的检索、共享和管理,便于用户快速从海量视频和录像资料中找到相关的信息。
1、实时视频标签
实时视频浏览时,用户发现可疑事件、或重要线索,可以通过实时视频标签功能,就当前时间点上的视频标注一个视频标签。
实时视频标签以抓图的形式进行保存,用户在抓图画面输入视频标签文字内容后,将图片数据和标签信息保存到系统,方便日后对视频图片信息查询与检索。

2、历史视频标签
历史视频浏览时,用户可以随时标注一个视频标签,当用户发起视频标注时,回放画面中止,用户输入标签文本内容并确定后,回放画面继续*放播**。


5.4.2 区间测速
区间测速系统是基于先进的车辆抓拍技术、车辆牌照自动识别技术、网络通讯技术,来实现的一种新型的超速违法取证系统。该系统通过计算车辆通过路段平均速度的方式来判断是否超速,有效解决了单点测速的易躲避性,更有效地控制超速与减少超速等违法行为的发生。通过安装在高速公路上的车辆自动抓拍系统,连续不断地捕获车辆图片、识别和记录多个断面上实时通过的车辆信息,包括车辆号牌、通过时间、车辆全景图片、各断面点速度等,将这些信息通过网络上传至中心处理平台,比对同一车辆在同方向两个断面的通行时间,再根据两个断面间的距离来计算该车辆通过此路段的平均速度,最后根据平均速度判断是否超速。
如存在超速行为则自动将违章车辆的数据及图片等相关信息通过后台管理平台进行声光报警,并可根据需要以短信的形式发送给附近和现场的值勤交警,或将信息发布在高速公路显示屏上,以对违章车辆进行及时告知和警示更多的车辆。系统处理得到的所有违章车辆及相关图片将作为违章信息源提供给违章系统作进一步处理。
区间测速系统包括前端抓拍部分和中心管理部分。前端抓拍部分主要完成车辆检测、图片抓拍、网络传输等。中心管理部分主要完成车辆的车牌识别及对比、平均速度计算、违章图片的形成、数据加密验证以及对数据的综合应用。
视频综合管理中对于区间测速包括以下功能:
- 卡口功能
系统每个抓拍单点可以对每一辆经过此点的车辆进行抓拍,图片通过网路传输到中心管理平台进行存储,相关部门则可以通过客户端对图片进行查询。
- 车牌自动识别功能
车牌自动识别功能是区间测速系统的重要部分,区间测速的实现依靠优秀的车牌识别系统,只有在车牌识别准确率高的前提下,区间测速才有好的效果。
- 单点测速功能
此系统能够实现每个抓拍单点的测速,检测方式的不同也决定了测速方式的不同。线圈检测方式,采用双线圈或者三线圈来测速;雷达采用微波测速,测速精度相对较高;而视频检测采用视频方式测速。
- 区间测速功能
在中心平台软件上可以通过区间段和车牌检索,实现车辆通过某个区间段平均速度的计算,并可检索关联车辆通过两个测速记录点的照片和通过时刻的点速度。
- 布控报警功能
当通过某个单点的车辆与用户事先输入的被盗抢车辆或交通肇事逃逸等车辆的牌照号码及车型等信息特征相符合时,系统在现场可以立即以声光进行报警,提醒值班人员有可疑车辆通过;同时系统将报警信息传输到监控中心,与110或122系统结合进行抓逃。报警信息中包括车牌号码、车速、车型、车辆通过时间、车辆图片等。具备与交警或公安数据中心进行数据交换的功能,并可实时将报警车辆的有关信息上传。
- 流量统计功能
系统可根据需要,按时段、车型、车道、方向进行查询,并进行流量统计(包括流量图、流量表、流量曲线图),具备出具日报表、周报表、月报表、年报表等功能。

系统原理图

区间测速起点

区间测速终点
5.4.3 交通事件检测系统
交通事件自动检测系统是利用安装在(高速)道路和隧道内的摄像机采集的视频图像作为输入,通过对视频图像的处理分析,在图像的覆盖范围内,能够进行交通参数的检测及各种交通事件、事故的自动检测,包括车辆事故,车辆停驶、交通拥堵、车辆慢行、车辆遗弃物,烟气和火灾检测等多种类型的交通事件检测和交通流量参数分析上报展示-并具有检测参数配置管理,报警事件及录像管理,报警和交通车流量情况地图展示等功能;
5.4.3.1 功能特点
本交通事件检测系统方案的主要功能有:
交通事件检测功能上报功能:
采用枪机对检测区域内的道路情况进行监控,对发现的交通事件进行检测,并记录录像整个事件过程;相机安装高度一般是9米,检测距离为<=150米(高速公路场景下,1080P);D1视频分辨率下,检测距离<=100米。
系统支持夜间红外检测模式/激光模式;
对于带云台的摄像机,在云台操作过程中,不支持交通事件的检测,在摄像机位置复位后,视频交通事件检测功能自动恢复;
高速公路道路场景示意图
系统现阶段可以支持的交通事件类型:
支持的事件类型:停止事件、行人事件、逆行事件、抛洒物事件、慢行事件、拥堵事件、烟雾\火灾事件、超速事件;
系统支持的交通流量参数类型:
流量、平均速度、占有率
当检测到交通事件时,检测器能够自动将报警和相关视频通道的图片上报交通事件检测平台,平台可对报警进行类型划分和优先级控制,并设置告警的显示刷新策略;
检测器会定时(具体周期可根据项目要求来设置)上传交通参数,平台会分门别类进行存储,供系统和用户统计分析检测断面和流量使用。
事件录像功能
对于上述类型的交通事件,交通事件检测系统会对发生的事件自动进行录像记录,记录事件发生前和事件发生后的录像;前后记录时间的长短可以根据用户的需求进行设置;
当检测到以上交通事件时,中心的交通事件检测服务器会将检测到的事件上报给平台,并同时在交通事件检测服务器端启动录像,在录像文件完成后,会及时上传事件联动录像文件保存到平台;
采用智能盒方式,则交通事件检测系统支持从大华视频综合平台获取事件的联动录像进行保存;
平台具有完整的事件录像数据库管理功能,事件录像保存时间可设置,默认保存30天;


支持多样的前端类型和组网方式
交通事件检测支持服务器和智能盒两种硬件模式。
交通事件检测服务器-通常放置在中心机房,具有相对较大的本地存储硬盘空间,可以暂存较长时间的事件联动录像;
交通事件检测智能盒-通常根据现场组网的具体要求,就近部署在高速公路前端,进行前端事件分析,可以进一步节省网络传输带宽,提高处理效率;同时智能盒也可以根据项目的需求放置在中心机房进行中心分析;
智能盒由于硬件的限制,需要交通事件检测平台从视频综合平台获取交通事件的关联录像进行保存和管理。
查询和报表统计功能
交通事件查询和导出 - 指定时间、区域、事件类型的交通事件查询和导出,包括误报事件查询;
交通事件统计和报表导出功能 - 指定时间、区域、事件类型的交通事件统计和报表导出,包括误报事件统计,包括事件处理清除统计(事件处理率,操作员确认时间,事件恢复平均时间);
交通流查询统计和报表功能 - 指定区域、时间、类型、车道的交通流量查询统计和报表导出,交通流支持实时查询功能;
地图显示功能(可选功能模块)
地图显示事件点位位置-具有以地图形式显示整条道路的交通状况,发生交通事件事故时能够快速确定其发生的位置。
地图板显示显示交通情况-系统应具有以地图道路形式显示每个检测断面内和整条道路的交通通行状态;
地图功能属于可选功能模块,需要第三方地图厂商的产品支持,会产生额外的地图采购费用;
设备监控状态维护功能
支持设备和通道的健康状态报警-当视频信号丢失、视频异常状态(视频遮挡、丢失、和相机的移动侦查);服务器网络断连、视频处理器错误、网络通讯故障时,系统能够进行自检测,并将故障进行告警上报到交通事件检测平台进行展示;
检测指标
根据GB/T28789-2012标准,在“隧道内测试环境照度不小于50lx,外场测试环境照度不小于2000lx,能见度情况良好的情况下”,有以下检测性能指标:
|
交通流检测功能(实际测试环境中指标会存在偏差) |
车流量 |
>95% |
|
平均速度 |
>90% |
|
|
平均占有率 |
>90% |
|
|
交通事件检测功能(实际测试环境中指标会存在偏差) |
拥堵事件 |
≥95% |
|
逆行事件 |
≥95% |
|
|
停车事件 |
≥95% |
|
|
行人事件 |
≥95% |
|
|
抛洒物事件 |
≥90% |
|
|
慢行事件 |
≥90% |
|
|
超速检测 |
≥90% |
|
|
烟雾检测 |
≥80% |
|
|
误报率 |
≤1次/天/摄像机 |
5.4.3.2 方案架构
对于交通事件检测,提供两种典型的方案:
- 基于交通事件检测智能盒的前端部署方式;
- 基于交通事件检测服务器的中心方式;
5.4.3.2.1 中心检测方式
中心方式方案拓扑图

中心方式方案拓扑说明:
交通事件检测系统
- 交通事件检测器:
交通事件检测服务器-DH-IVS-T7000(通用服务器)
- 负责获取前端视频的数字信号(1台服务器支持可以4路高清1080p数字输入)进行分析,当检测到交通事件时,检测服务器负责将产生的报警和相关的事件图片发送给交通事件检测平台;
- 检测服务器检测到交通事件的同时,会启动事件发生前后的录像,并将事件的录像文件上传到交通事件检测平台;
- 交通事件检测服务器支持从视频综合平台(DSS平台)中获取视频流进行分析(默认方式);
- 交通事件检测服务器支持直接从设备取流进行分析;
- 将检测到的交通流量参数上传给交通事件检测平台;
交通事件检测服务器-DH-IVS-T3001(智能盒模式)
- 除服务器,在中心也可以采用智能盒方式的交通事件检测器DH-IVS-T3001进行事件检测,T3001智能盒支持1路高清视频的分析检测;
- 智能盒方式由于受硬件限制,对于事件联动录像功能的支持-由交通事件检测平台从智能盒实时收到交通事件报警后,会实时的从DSS视频综合平台获取报警时间点前后各1分钟(可设置)的视频录像(此方式要求视频综合平台对所有通道的视频进行全录像),并进行保存管理;
- 交通事件检测管理平台:
- 支持从视频综合平台获取设备树信息,对检测器的视频通道来源进行配置;
- 对交通事件检测器的检测参数进行智能配置,智能配置过程中,交通事件检测平台客户端可提供通道的实时画面协助进行维护人员进行智能配置;
- 负责对检测服务器上报的交通事件进行展现和管理,对交通流量参数进行统计分析和展现;
- 提供交通事件的报表和统计功能;
- 集中存储检测结果,包括:报警记录、报警图片和联动视频序列;
- 报警图片和联动视频支持外接IPSAN进行存储扩容;
- 简单设备健康状态管理;
- 提供对外的报警查询接口,视频综合平台根据策略从交通事件检测平台获取报警,进行上墙等进一步操作;
- 支持实时从检测器获取交通事件录像保存,或者实时从大华视频综合平台获取交通事件录像进行保存;
- 工作站客户端 :
- 使用web登录页面,进行日常报警监控查看和管理操作;
- 用户在客户端上,可以对重要的报警记录和录像进行导出操作;
视频监控平台:
视频综合平台,负责根据交通事件检测系统的请求,将实时的视频转发给交通事件检测系统进行视频分析检测;
支持根据交通事件检测平台的请求,将交通事件相关的事件录像回传给交通事件检测平台进行存储和管理;
支持根据客户具体需求,在大华视频综合平台上进行手动/计划录像;
支持从交通事件检测器获取视频流进行录像存储,并在回放界面展示智能规则;
支持从交通事件检测平台通过接口获取交通事件报警进行联动视频上墙;
支持视频通道实时监控;
前端视频光环网:
在前端视频光环网中,高清数字云台枪机通过光电转换器,连接到光环网路中,并和中心机房的视频综合平台相连通。
采用光环网组网可以有效的提高网络的可靠性,当某一处光链路断连时,系统可立即切换到另一段光链路上,保证业务的高可用性;
5.4.3.2.2 前端检测方式
前端方式方案拓扑图
前端方式方案特点:
使用前端方式,主要是使用IVS-T3001智能盒在前端就近进行事件分析。
IVS-T3001智能盒支持1路标清模拟信号的直接接入分析,智能盒在分析视频的同时可以对视频画面进行编码输出;
IVS-T3001智能盒支持1路高清数字信号的接入分析;
通常隧道和外场会分开进行组网,因此在拓扑图中分开进行体现;
前端方式方案的特点和优势:
1.)对于模拟标清,就近分析,不需要再进行编码-解码过车,提高分析效率和事件检测实时性;另外智能盒同时具有编码输出功能,不需要再部署编码设备;
2.)对于高清数字视频,不需要再在平台除取流,可以节省中心视频平台的转发压力和带宽压力,同时可以可以提高事件检测的实时效率;
5.4.3.3交通事件检测系统平台功能
交通事件检测平台是交通事件检测系统的管理平台,负责对交通事件检测业务进行相关的展示和管理配置。
用户可以在大华交通事件检测平台上:
- 可以对报警记录,包括报警图片和报警录像进行管理,支持导出事件和录像;
- 支持从检测器获取事件录像,或者从大华视频综合平台获取事件录像,将获取到的事件录像在交通事件检测系统内做统一的保存和管理;
- 在平台上对前端服务器上报的交通事件报警进行查看和处理操作;
- 能够对交通事件按照规定条件如时间、区域(点位)、事件类型等进行查询;
- 系统检测到事件事故后,能够自动报警且对警报进行优先分级以避免对同一事件进行多次或重复报警。
- 能够指定时间、区域、事件类型的交通事件统计和报表导出,包括误报事件统计,包括事件处理清除统计(事件处理率,操作员确认时间,事件恢复平均时间)
- 指定区域、时间、类型、车道的交通流量查询统计和报表导出,交通流支持实时查询功能;
- 支持在地图上查看交通事件报警地点和检测断面和通道的交通流量情况(统计时间可设置)-可选模块;
- 对事件检测服务器分析的视频源进行配置,若检测器从平台取流,则平台支持从视频综合平台中获取设备树,进行源视频通道的配置;
- 可以设定在平台上对每个检测通道的智能参数进行基于视频画面的规则配置;
- 设置事件报警录像的策略和交通事件上报、展示和处理策略;
- 支持设备和通道的健康状态报警-当视频信号丢失、视频异常状态(视频遮挡、丢失、和相机的移动侦查);服务器网络断连、视频处理器错误、网络通讯故障时,系统能够进行自检测,并将故障进行告警上报到交通事件检测平台进行展示;
- 支持用户权限管理和设备管理,在管理员端的设备树中展示检测器和视频通道;在操作员端看到视频通道即可;
方案总体优势
大华交通事件检测系统方案具有以下优势和特点:
1.支持丰富的交通事件检测类型以及交通流参数检测类型,客户可根据实际业务场景进行选择和配置;
2.具有中心组网(服务器or智能盒)和前端组网(智能盒)两种检测部署方案,方便客户根据实际组网和项目需求进行选择部署;
3.管理平台具有强大的交通事件管理和展现功能,并可在GIS地图上实时了解整体高速路段的情况,作出分析判研;
4.系统支持前端检测服务器事件录像方式和后端视频平台事件录像两种方式,交通事件检测系统具有事件录像存储和管理功能;
5.系统高可用性-系统检测器采用高可靠嵌入式设计(电信级),并具有交通事件断网续传功能,方案支持采用光环网方式来保证传输网络的高可用性;
5.4.4 智能运维管理系统
智能运维管理系统作为安防监控系统的运维解决方案,为客户提供运营监控、故障定位、扩容等功能。智能运维管理系统通过管理系统内的视频设备(数字硬盘录像机、网络摄像机、网络硬盘录像机、网络视频服务器等)、DSS服务(CMS、DMS、MTS、SS等)和网络设备(路由器、交换机),提供运行信息的收集统计、设备录像巡检等功能。
5.4.4.1 系统架构
运维平台从业务实现角度看,分别是由四个子系统:运维web子系统、NMS服务子系统,报表子系统,IVS-V组成。
运维web子系统:完成业务集成。实现设备管理,设备导入,设备健康状态展现,统计报表,报警处理,视频诊断结果展示,设备录像业务展示,系统管理。用户使用浏览器访问该子系统。
NMS服务子系统:设备管理用于连接编码器、网络设备;接收、解析、保存、上报报警;巡检采集设备配置和设备状态;支持从平台导入设备。
报表子系统:用于生成统计图表。
IVS-V:配置诊断任务和诊断计划,执行视频诊断,上报诊断结果。
系统功能
5.4.4.2.1 设备管理
“设备管理”提供管理和查询所有设备(编码器、网络设备、矩阵设备和智能设备)详细信息的功能。您可以根据“设备编码”、“在线状态”、“设备种类”等过滤条件,查询具体设备的详细信息。

- 支持设备在线状态查看、配置信息查看;
- 组织树联动查看设备列表、统计信息;
- 支持设备的新增、删除、修改;
- 支持条件查询;
- 设备添加后,系统自动采集配置状态;
5.4.4.2.2 报警管理
智能运维管理系统提供报警管理功能,能接收和存储被管理设备的报警信息。您可以在运维系统上对存储的报警信息进行处理和转发。报警管理包括实时报警和历史报警。

- 接收设备报警并展现;
- 设备报警自动保存,并支持条件查询;
- 支持报警导出;
5.4.4.2.3 统计分析
智能运维管理系统提供统计分析功能,对设备的健康状态、视频质量以及硬盘状态进行分析统计。
- 设备健康诊断
- 通过分析设备的“在离线状态”、“视频状态”和“硬盘状态”的统计信息,诊断设备的健康状态。

|
统计图 |
说明 |
|
设备在离线统计图 |
提供设备在线、离线等状态的比例信息。 |
|
设备视频状态比例统计图 |
提供设备视频丢失、视频遮挡、视频正常等状态的比例信息。 |
|
设备硬盘故障统计图 |
提供设备硬盘正常、硬盘故障等状态的比例信息。 |
|
设备硬盘容量统计图 |
提供设备硬盘满、硬盘空余等状态的比例信息。 |
- 可以统计不同设备(编码器、网络设备、矩阵设备和智能设备)的健康状态。“设备列表”提供设备健康状态的查询、显示和导出功能;

- 视频诊断
- “视频质量诊断”按照视频的异常类型(视频抖动、视频丢失、视频遮挡、视频冻结、清晰度、亮度、对比度、偏色、噪声、条纹和场景变化)统计视频质量结果;

- 可根据视频异常类型、关键字(通道名称等)、设备诊断的显示结果等过滤条件,查询具体的诊断信息;
- 可导出视频诊断结果到后缀为“.csv”的文件中;

- 硬盘状态
- “硬盘健康诊断”界面按照硬盘类型(读写驱动器、只读驱动器、备份驱动器或媒体驱动器、冗余驱动器、快照驱动器)和硬盘状态(硬盘故障、硬盘正常)统计硬盘健康结果

- 可根据关键字(设备编码)、设备编码、硬盘类型、硬盘状态等过滤条件,查询具体的诊断信息;
- 可导出硬盘状态诊断结果到后缀为“.csv”的文件中;

5.4.4.2.4 业务管理
“业务管理”提供设备录像功能;
“设备录像”根据录像的“开始时间”、“结束时间”等过滤条件,查询对应的设备录像状态、录像的完整率等。

- 支持设备录像自动采集和展示;
- 录像状态、进度以及录像配置查询;
- 支持组织数联动查询,以及条件查询;
第六章 解决方案特性
大华高速公路解决方案是针对高速行业特点而量身定制的整体解决方案,满足了高速公路机管理单位对高速公路的管理要求,及提升了整个高速公路的服务能力。
6.1 高清化应用
全系统采用高清摄像机对高速公路进行全面监控,解决高速长期使用模拟摄像机,造成的看不清的问题,为后续的智能化应用打下了坚实的基础。
6.2 可靠的传输系统
创新性的将光环网技术溶入到了摄像机、编码器、视频综合平台上,可以通过监控设备快速方便的组成可靠的光纤自愈环网,保证图像数据长距离传输的可靠性,同时也降低了建设成本,提高了施工的便利。
6.3 满足高速的全天候监控需求
在外场使用了带电子透雾、宽动态功能的激光夜视一体机,夜视距离可达500米(1000米可选),满足高速公路外场全天候监控的需求。
6.4 智能化的应用
通过对视频图像的处理分析,在图像的覆盖范围内,能够进行交通参数的检测及各种交通事件、事故的自动检测,包括车辆事故、车辆停驶、交通拥堵、车辆慢行、车辆抛洒物等;可以快速发现高速公路的事故,及时处理,保证高速公路的通畅。
6.5 完善的设备管理能力
作为安防监控系统的运维解决方案,为客户提供运营监控、故障定位、扩容等功能。智能运维管理系统通过管理系统内的视频设备(数字硬盘录像机、网络摄像机、网络硬盘录像机、网络视频服务器等)、DSS服务(CMS、DMS、MTS、SS等)和网络设备(路由器、交换机),提供运行信息的收集统计、设备录像巡检等功能。可以快速发现系统存在的问题,并及时解决,保证系统的稳定运行。
6.6 存储系统的高可靠性
视频存储采用视频直存技术,由前端设备直接存储到视频存储设备中,视频流不通过中间服务器,减少了中间节点故障。
并采用如下技术实现设备间的冗余,任何一个网络实体发生故障时,都能有另外一个对等的实体接替工作,使系统能够继续提供服务。
N+M备份
大华股份视频存储设备集群冗余备份功能简称为N+M功能(N工作机数、M为备用机数),实现了工作机备用机设备之间的录像冗余。
工作的视频直存设备(EVS)与备份EVS的中心调度服务(DCS)连接,平常连接到一个DCS上。当有工作EVS出现宕机时,备份EVS会自动替换该工作EVS,自动进行前端设备录像接管。同时,剩余的EVS会自动注册到另外一台备份EVS上的DCS。工作机器故障排除正常工作后,备用机器自动回传宕机期间的录像到工作机器,最大程度保证了用户录像数据的完整性。并且不同的工作EVS和备份EVS可以放置在不同的地域,以实现异地容灾备份。
断点续传
视频断点续传是一项针对摄像机网络容错的功能。前端设备配有小容量的前端存储,如SD卡。当网络出现故障时,视频录像可临时存储到前端存储;待网络恢复,能够将暂存在前端存储中的监控录像同步补录进后端存储系统中,并支持断点续传。以便保证录像的连贯性。
配合视频运维平台,实现摄像机断线报警。及时安排维修人员进行网络恢复,保证录像无丢失。
第七章 重点产品推荐
7.1 高清抓拍摄像机

产品概述
应用于出入口抓拍记录、停车场区域诱导反向寻车系统、收费站卡口系统
- 内置车牌识别功能
- 内置LED灯珠实现夜间车牌补光
- 支持光圈自动控制功能
- 支持多种触发抓拍
- 支持SD卡存贮
- 提供SDK,方便系统集成与开发
技术参数
|
参数/型号 |
ITC102-GVRB3A |
|
|
基本参数 |
CCD像素分辨率 |
100万,1280(H)×720(V) |
|
传感器类型及尺寸 |
Sony 1/3英寸 CCD |
|
|
图像压缩方式 |
JPEG |
|
|
高清视频格式 |
标准H.264 high profile 5.0 |
|
|
高清视频分辨率 |
1280*720 |
|
|
摄像机的快门速度 |
手动/自动(区间可调,1/25~1/100000) |
|
|
图像预处理(ISP) |
Smear抑制 |
支持 |
|
边缘增强 |
支持 |
|
|
坏点校正 |
支持 |
|
|
自动曝光(AE) |
支持(全自动/自定义区间自动/自定义) |
|
|
自动白平衡(AWB) |
支持(全自动/色温区间自动/自定义色温) |
|
|
全息双快门 |
支持(图片和视频所有ISP参数) |
|
|
日夜模式切换 |
支持(图片和视频所有ISP参数) |
|
|
特殊功能 |
SD卡存储功能 |
支持,可支持4G、8G、16G |
|
远程控制功能 |
可通过Web方式远程配置、控制 |
|
|
OSD信息叠加功能 |
支持,可定义时间、地点、方向、车道号等 |
|
|
智能车牌识别功能 |
支持智能车牌识别功能 |
|
|
图像防篡改功能 |
支持,视频/图片具备水印及校验功能 |
|
|
工作环境 |
工作电源 |
AC220V |
|
电源同步功能 |
支持 |
|
|
平均功耗 |
<30W |
|
|
使用湿度 |
10%-90% |
|
|
使用温度 |
-30℃~ +70℃ |
|
|
规格尺寸(mm) |
404mm × 164mm × 132mm |
|
7.2 6寸高清1080P网络高速球机

产品特点:
- 超级宽动态效果,加上图像降噪功能,完美的白天/夜晚图像展现
- 电子图像防抖动功能,适应多种使用环境
- 采用TI达芬奇系列高性能DSP,最高支持1920*1080/30fps的视频输出
- 采用新一代弱耦合结构,性能更稳定
- 防水快装接头,密闭防水,安装更快速
- 卡扣结构,防掉落设计,安装更方便
- 中英文OSD菜单及操作提示功能,用户界面更友好,功能更强大
- 独特的三维定位功能,捕捉目标更方便、精准、快捷
- 多种网络监控方式相结合(手机、WEB、客户端),使用更方便
- 灵活的网络扩展能力,适应各种网络平台监控系统
- SD卡本地存储,解决网络异常状态的监控存储问题
技术参数
|
参数/型号 |
DH-SD6582C-HN |
|
摄像机 |
|
|
图像传感器 |
1/2.8" SONY CMOS |
|
总像素 |
约248万像素 |
|
水平解析度 |
≥1000TVL |
|
视频制式 |
P:1920*1080(25fps),1280*720(25fps),1280*720(50fps)N:1920*1080(30fps),1280*720(25fps),1280*720(60fps) |
|
最低照度 |
彩色:0.05Lux@F1.6黑白:0.005Lux@F1.6 |
|
增益控制 |
自动/手动 |
|
信噪比 |
大于55dB |
|
白平衡 |
自动/手动 |
|
宽动态 |
128倍 |
|
数字降噪 |
支持 |
|
图像稳定 |
支持 |
|
电子快门 |
1/1 - 1/30000s |
|
数字变倍 |
16x |
|
隐私保护 |
开/关(同一画面可设置8块隐私区域,共可设置24块隐私区域) |
|
日夜模式 |
自动(Pro.AER+/AER)/手动 |
|
镜头 |
|
|
焦距 |
4.3mm - 129mm |
|
光学倍率 |
30倍 |
|
光圈值 |
F1.6 - 5.0 |
|
视场角 |
65.1°- 2.34° |
|
功能 |
|
|
旋转范围 |
水平:0°~360°连续旋转 垂直:-2°~90° 自动翻转180°后连续监视 |
|
旋转速度 |
键控:水平0.1°~300°/秒;垂直0.1°~250°/秒 预置点:水平400°/秒; 垂直300°/秒 |
|
预置点 |
255个 |
|
自动模式 |
支持8条自动巡航、5条自动巡迹、5条自动线扫 |
|
云台功能 |
支持空闲动作,支持三维定位,支持人性化的焦距/速度自动匹配功能 |
|
视频压缩 |
H.264/M-JPEG |
|
音频压缩 |
G.711/PCM |
|
语音对讲 |
支持 |
|
网络协议 |
TCP/IP,HTTP,DDNS,DHCP,NTP,PPPoE,FTP,SMTP,RTSP,RTP |
|
多码流 |
支持 |
|
SD卡 |
支持 |
|
用户管理 |
最大支持6个用户,多级用户权限管理 |
|
故障检测 |
网络断开检测,IP冲突检测,编码器状态检测,存储卡状态检测,存储空间检测 |
|
输入/输出 |
|
|
模拟视频输出 |
1.0Vpp/75Ω,NTSC或PAL,BNC接口 |
|
网络接口 |
1路10/100BaseT以太网,RJ45接口 |
|
报警接口 |
2路输入/1路输出(标配)7路输入/2路输出(选配),报警时可联动预置点/自动巡航/自动巡迹/开关量输出 |
|
控制接口 |
RS485,支持云台控制和在线升级 |
|
一般规范 |
|
|
电源 |
AC 24V/2.2A(±10%) |
|
功耗 |
15W /40W(室外加热器开启) |
|
工作环境 |
温度-40~60℃;湿度<90% |
|
防护等级 |
IP66,4000V防雷、防浪涌和防突波保护,符合GB/T17626.5 4级标准 |
|
产品尺寸 |
Φ211.9(mm)×322.1(mm) |
|
重量 |
5kg |
|
可选支架 |
DH-69FB;DH-65FD |
7.3 200万高清防暴半球摄像机

产品概述
|
||
|
||
|
||
|
||
|
||
|
||
|
||
|
||
|
||
|
||
|
||
|
||
技术参数
|
型号 |
DH-IPC-HDB4200CP |
|
参数 |
|
|
图像传感器 |
1/2.8" CMOS |
|
像素数 |
1920(H)*1080(V) |
|
日夜功能 |
支持电子彩转黑 |
|
镜头接口 |
M12接口,2.8mm、3.6mm、6mm镜头可选 |
|
标配镜头视场角 |
110.2º、87.8°、53.6° |
|
照度 |
0.05Lux/F1.2 |
|
增益控制 |
手动/自动 |
|
白平衡 |
手动/自动 |
|
电磁快门 |
手动/自动(区间可调,1/3~1/100000) |
|
视频压缩标准 |
H.264/ H.264H/MJPEG |
|
最大视频分辨率 |
主码流 1280*960,辅码流 704*576主码流 1280*960,辅码流 704*480 |
|
视频帧率 |
主码流(1280*960@25fps) 辅码流(704*576@25fps)主码流(1280*960@30fps) 辅码流(704*480@30fps) |
|
视频码率 |
16Kbps-8Mbps ,码率可调,也可自定义 |
|
有线网络 |
具备1路有线以太网接口, 10/100 Base-T Ethernet |
|
网络协议 |
标准HTTP、TCP/IP、ARP、IGMP、ICMP、RTSP、RTP、UDP、RTCP、SMTP、FTP、DHCP、DNS、DDNS、PPPOE、UPNP、NTP、Bonjour、SNMP |
|
接入协议 |
标配ONVIF,GB28181,PSIA可定制 |
|
供电 |
支持DC12V/POE(802.3af)供电 |
|
功耗 |
<3W |
|
工作环境 |
工作温度-20℃~+60℃,工作湿度≤95% |
|
外形尺寸 |
¢110 x 54mm |
|
整机重量 |
250g(不含包装盒) |
|
安装方式 |
吸顶装、壁装 |
7.4 高清(200万像素)室内红外半球网络摄像机

产品概述
- 采用TI达芬奇系列高性能DSP
- 采用标准H.264 视频压缩技术,压缩比高,码流控制准确、稳定
- 采用高性能1080P(1920*1080) CMOS图像传感器,图像清晰度高
- 支持双码流,ACF(活动帧率控制),支持*机监手**控
- 支持数字水印加密,防止数据被篡改
- 支持I/O报警
- 支持丰富的网络协议
- 支持micro SD卡存储
- 支持ICR滤光片切换功能,实现昼夜监控
- 支持DC12V/POE供电
- 采用三轴旋转结构,工程应用更灵活
- 最大红外监控距离20米
- 支持无SD卡、SD卡空间不足、SD卡出错、网络断开、IP冲突、移动检测、视频遮挡智能报警
技术参数
|
型号 参数 |
DH-IPC-HDW3200P |
DH-IPC-HDW3200N |
|
主处理器 |
TI达芬奇系列高性能DSP |
|
|
图像传感器 |
1/2.8英寸CMOS |
|
|
像素数 |
1920(H)*1080(V) |
|
|
日夜功能 |
支持IR-CUT电磁式切换 |
|
|
镜头参数 |
φ14接口,3.3~12mm/F1.4 |
|
|
标配镜头视场角 |
水平: 79.3°~29.8° |
|
|
照度 |
0.05Lux/F1.4(彩色模式),0Lux(红外灯开启) |
|
|
增益控制 |
手动/自动 |
|
|
白平衡 |
手动/自动 |
|
|
电子快门 |
手动/自动(区间可调,1/3~1/10000) |
手动/自动(区间可调,1/4~1/10000) |
|
视频压缩标准 |
H.264/MJPEG/JPEG |
|
|
最大视频分辨率 |
主码流 1920*1080 ,辅码流 704*576 |
主码流 1920*1080 ,辅码流 704*480 |
|
视频帧率 |
主码流(1920*1080@25fps)、辅码流(704*576@25fps) |
主码流(1920*1080@30fps)、辅码流(704*576@30fps) |
|
视频码率 |
48k~8Mbps码率可调,也可自定义 |
|
|
音频压缩标准 |
G.711a/G.711u/PCM |
|
|
音频码率 |
64kbps/128kbps |
|
|
音频输入 |
1路, RCA LINE IN(需另配线缆) |
|
|
音频输出 |
1路, RCA LINE OUT(需另配线缆) |
|
|
报警接口 |
1路输入,1路输出(开关量)(需另配线缆) |
|
|
网络接口 |
1路10/100M以太网,RJ45接口 |
|
|
网络协议 |
HTTP,TCP,ARP,RTSP,RTP,UDP,RTCP,SMTP,FTP,DHCP,DNS,DDNS,PPPOE,IPv4/v6,SNMP,QoS,UPnP,NTP |
|
|
接入协议 |
标配ONVIF,PSIA可定制 |
|
|
本地存储 |
支持micro SD卡 |
|
|
供电 |
支持DC12V/PoE |
|
|
功耗 |
≤7W |
|
|
工作环境 |
工作温度-10℃~+50℃,工作湿度≤90% |
|
|
外形尺寸 |
φ140*112 |
|
|
整机重量 |
750g |
|
|
安装方式 |
吸顶装、壁装 |
|
7.5 高清同轴ICR日夜型超宽动态枪式摄像机

产品特点:
采用高性能CMOS图像传感器,具备百万像素的清晰度。
支持高清视频、音频、控制信号同轴传输。 HDCVI模拟接口,支持普通75-3类同轴线无损传输长达500米;
支持普通75-3类同轴线无损传输长达500米以上。 实时传输,无时延;
支持HDCVI高清和标清切换输出。
高速率、长距离、实时传输。
可通过同轴视控功能由符合HDCVI规范的DVR进行控制。
支持OSD菜单调整参数。
支持3D降噪,优越的低照度性能。 支持红外灯,照射距离20~30m;
支持ICR切换,实现昼夜监控。 支持3D降噪,优越的低照度性能
支持4块区域动态检测、8块区域隐私区域屏蔽、10级中心区域数字放大功能。
支持宽动态、防闪烁、图像调整、图像镜像。
产品参数
|
参数/型号 |
DH-HAC-HF3101 |
|
|
图像传感器 |
1/3" 1.3 Mega Pixels CMOS |
|
|
信号系统 |
PAL |
|
|
传感器有效像素 |
1280(H)×960(V) |
|
|
最低照度 |
彩色:0.01Lux@(F1.2,AGC ON) 黑白:0.001Lux@(F1.2,AGC ON) |
|
|
电子快门 |
支持慢快门,1/3s~1/100,000s |
|
|
视频标准 |
遵循HDCVI和CVBS标准 |
|
|
视频帧率 |
1280×720@25fps;1280×720@30fps |
|
|
日夜转换 |
ICR机械式自动切换 |
|
|
镜头接口 |
C/CS |
|
|
自动光圈 |
DC驱动 |
|
|
宽动态范围 |
120dB |
|
|
降噪 |
支持2D、3D降噪 |
|
|
视频输出 |
1路 HDCVI高清/CVBS标清模拟输出(可切换) |
|
|
OSD菜单控制 |
支持 |
|
|
工作温度和湿度 |
﹣30℃~﹢60℃,湿度小于95%(无凝结) |
|
|
最大传输距离 |
75-3类同轴线传输长达500米以上 |
|
|
电源 |
AC24V±10%/DC12V±10% |
|
|
功耗 |
小于15W |
|
|
尺寸(mm) |
|
|
|
重量 |
650g |
|
|
安装方式 |
支持多种安装方式(护罩、支架选配) |
7.6 高清同轴ICR同步对焦半球摄像机

产品特点:
采用高性能CMOS图像传感器,具备百万像素的清晰度;
支持高清视频、控制信号同轴传输; HDCVI模拟接口,支持普通75-3类同轴线无损传输长达500米;
支持普通75-3类同轴线无损传输长达500米以上; 实时传输,无时延;
支持HDCVI高清和标清视频切换输出;
高速率、长距离、实时传输;
可通过同轴视控功能由符合HDCVI规范的DVR进行控制;
支持OSD菜单调整参数;
支持3D降噪,优越的低照度性能; 支持红外灯,照射距离20~30m;
支持ICR切换,实现昼夜监控; 支持3D降噪,优越的低照度性能
支持智能红外功能(仅DH-HAC-HDW3103支持)。 支持隐私遮挡及图像数字放大;
产品参数
|
参数/型号 |
DH-HAC-HD3103 |
DH-HAC-HDW3103 |
|
图像传感器 |
1/3" 1.3 Mega Pixels CMOS |
|
|
信号系统 |
PAL |
|
|
传感器有效像素 |
1280(H)×960(V) |
|
|
最低照度 |
彩色:0.01Lux@(F1.2,AGC ON) 黑白:0.001Lux@(F1.2,AGC ON) |
0.01Lux@(F1.2,AGC ON),0 Lux with IR |
|
电子快门 |
4/25s~1/45,000s |
|
|
镜头接口 |
Φ14 |
|
|
镜头类型 |
2.8-8mm同步对焦镜头 |
|
|
视频标准 |
遵循HDCVI和CVBS标准 |
|
|
视频帧率 |
1280×720@25 fps;1280×720@30fps;1280×720@50fps;1280×720@60fps |
|
|
日夜转换 |
ICR机械式自动切换 |
|
|
视频输出 |
1路HDCVI高清/CVBS标清模拟输出(可切换) |
|
|
降噪 |
支持2D、3D降噪 |
|
|
OSD菜单控制 |
支持 |
|
|
最大红外距离 |
不支持 |
20米 |
|
最大传输距离 |
75-3类同轴线传输长达500米以上 |
|
|
工作温度和湿度 |
﹣30℃~﹢60℃,湿度小于95%(无凝结) |
|
|
电源 |
DC12V±10% |
|
|
功耗 |
小于15W |
|
|
尺寸(mm) |
Φ140.3×112.7 |
|
|
重量 |
小于2000g |
|
|
安装方式 |
壁装、顶装 |
|
7.7 高清激光重载云台

产品概述
- 采用SONY高性能1/2.8"英寸200万CMOS图像传感器,低照度环境的完美展现 。
- 30倍光学变倍,16倍数字变倍,总变倍率达到480倍。
- 超级宽动态效果,加上图像降噪功能,完美的白天/夜晚图像展现。
- 采用TI达芬奇系列高性能DSP,最高支持1920*1080/30fps的视频输出。
- 内置激光补光,补光距离大于500米(可选)。
- WEB菜单操作,用户界面更友好,功能更强大。
- 独特的三维定位功能,捕捉目标更方便、精准、快捷。
- 多种网络监控方式相结合(手机、WEB、客户端),使用更方便。
- 灵活的网络扩展能力,适应各种网络平台监控系统 。
技术参数
|
参数/型号 |
DH-PTZ6182C-LRX-N |
|
摄像机 |
|
|
图像传感器 |
1/2.8" CMOS |
|
有效像素 |
1920*1080 |
|
水平解析度 |
1000TVL(彩色)/1200TVL(黑色) |
|
视频制式 |
PAL/NTSC |
|
最低照度 |
彩色:0.05Lux @ (F1.6,AGC ON)黑白:0.005Lux @(F1.6,AGC ON) |
|
增益控制 |
自动/手动 |
|
白平衡 |
自动/手动/跟踪/室外/室内/室外自动/钠灯自动/钠灯 |
|
数字变倍 |
16倍 |
|
强光抑制 |
支持 |
|
电子透雾 |
支持 |
|
背光补偿 |
开/关 |
|
电子快门 |
1/1 ~ 1/30000 |
|
光圈控制 |
手动/自动 |
|
宽动态 |
支持 |
|
数字降噪 |
支持 |
|
信噪比 |
大于50dB(AGC Off,Weight ON) |
|
画面翻转 |
支持 |
|
曝光补偿 |
支持 |
|
日夜模式 |
自动/手动 |
|
镜头 |
|
|
焦距 |
f=4.3to129mm |
|
光学倍率 |
30倍 |
|
光圈值 |
F1.6 to F5.0 |
|
视场角 |
水平:65.1~2.34 |
|
功能 |
|
|
WEB菜单 |
支持 |
|
旋转范围 |
水平:0° ~360°连续旋转 垂直:-90° ~40° |
|
手动控制速度 |
水平:0.01°—20°/秒 垂直:0.01°—12°/秒 |
|
预置点速度 |
水平:0.01°—20°/秒 垂直:0.01°—12°/秒 |
|
预置点 |
255个 |
|
自动模式 |
预置点/自动巡航/自动巡迹/自动线扫 |
|
自动巡航 |
8条,每条可添加32个预置点 |
|
自动巡迹 |
5条 |
|
自动线扫 |
4条 |
|
三维定位 |
支持 |
|
云台手动限位 |
支持 |
|
空闲动作 |
支持 |
|
长焦限速 |
人性化的焦距/速度自动匹配功能 |
|
定位精度 |
±0.02度 |
|
预置位精度自动校准 |
支持 |
|
雨刷功能 |
支持 |
|
远程镜头复位 |
支持 |
|
远程云台复位 |
支持 |
|
485数据 |
双向传输 |
|
报警(可选) |
2路输入/1路输出(报警联动), 报警时可联动预置点/自动巡航/自动巡迹/开关量输出 |
|
系统资源 |
同时支持实时网络监视、本地录像和远程操作 |
|
用户接口 |
WEB、DSS、PSS等远程操作界面 |
|
视频分辨率 |
主码流(1920*1080),辅码流(D1) |
|
本地存储 |
SD卡,支持热插拔 |
|
断电记忆 |
支持 |
|
系统状态 |
SD卡状态信息, 码流统计, 日志记录, 软件版本, 在线用户. |
|
音频压缩标准 |
G.711A/G.711Mu/PCM |
|
网络协议 |
支持HTTP,TCP/IP,UDP,DNS,DDNS,PPPOE等协议 |
|
视频压缩标准 |
H.264/H.264B/H.264H/MJPEG |
|
激光 |
|
|
激光距离 |
大于500米 |
|
输入/输出 |
|
|
模拟视频输出 |
1.0Vpp/75Ω,NTSC或PAL,BNC接口 |
|
音频输入(可选) |
1路, 3.5mm JACK MIC IN |
|
音频输出(可选) |
1路, 3.5mm JACK SPEAK OUT |
|
报警接口(可选) |
2路输入,1路输出(开关量) |
|
通讯接口 |
1路10M/100M自适应以太网,RJ45接口1路RS485接口 |
|
高清护罩 |
|
|
外壳材料 |
主体铝合金 |
|
防护等级 |
IP66,抗雷击浪涌 GB/T17626.5-2008 |
|
一般规范 |
|
|
最大旋转半径 |
300mm |
|
最大载重 |
25Kg |
|
供电(可选) |
AC220V或AC24V /DC24V双电源输入 |
|
功耗 |
<100W |
|
工作环境 |
温度-30~65℃; 湿度<90% |
|
产品尺寸 |
525x274x556.5mm |
|
重量 |
20kg |
7.8 高清解码器

产品概述
- 支持9组HDMI/VGA接口,可接9块液晶屏;
- 支持48个D1(2Mbps)或者44个960H(2.5Mbps,其中第1个屏12个,第2-9个屏每个屏4个)解码上墙显示。
- 支持9路1080p(每个屏各1个)或者33路720p(前八个屏各4个,第九个屏1个)。
- 支持8路500w或者8路300w(前八个屏各1个,非实时)
- 支持2x2,2x3,3x2,2x4,4x2,3x3等模式的融合拼接功能
- 支持自适应千M网络;
- 支持OnVIF和GB/T28181协议;
- 标准1.5U机箱,美观大方
技术参数
|
设备型号 |
NVS0904DH |
|
主处理器 |
高性能工业级嵌入式微控制器 |
|
操作系统 |
嵌入式LINUX |
|
输入设备 |
前面板按键,键盘控制 |
|
快捷功能 |
无 |
|
视频标准 |
MPEG4/H.264/MJPEG |
|
音频标准 |
PCM/G711 |
|
解码显示分辨率 |
QCIF/CIF/2CIF/HD1/D1/960H/720P/1080P/300W/500W |
|
视频帧率 |
PAL:1~25帧/秒 ,NTSC:1~30帧/秒 |
|
码流类型 |
复合流、视频流 |
|
视频输出路数 |
9路 |
|
视频输出接口 |
VGA、HDMI输出 |
|
音频输出路数 |
9路 |
|
音频输出接口 |
HDMI、DB15辫子线BNC |
|
通讯接口 |
1个RJ45 10M/ 100M/1000M自适应以太网口;1个RS232口;1个标准RS485接口 |
|
语音对讲路数 |
1路 |
|
语音对讲接口 |
3.5mm jack口,输入接口:3.5mm接口(电平2.0V Line in/50mV Mic in,输入阻抗10K);输出接口:3.5mm接口(电平2.0V ,输出阻抗16Ω) |
|
报警输入 |
4路 |
|
报警输出 |
4路继电器输出(30VDC 1A,125VAC 0.5A联动输出) |
|
电源 |
AC100-240V,50 Hz~60Hz |
|
功耗 |
≤70W |
|
工作温度 |
-10℃~+55℃ |
|
工作湿度 |
10%~95% 86kpa~106kpa |
|
尺寸(mm) |
440X408X70 |
|
重量 |
4.5kg~4.8kg |
7.9 视频综合平台

产品概述
硬件结构:
- 标准19”的12U机架设计,电信运营级机箱系统;
- 插卡式模块设计,可根据市场需求灵活配置;
- 业务卡支持热插拔,可方便进行维护;
- 支持直流/交流电源,适应于机房等应用环境。
视频编解码:
- 支持320路D1或160路HD信号编码(满配)
- 支持1280路D1或320路HD信号解码(满配)
矩阵切换:
- 支持模拟,数字视频信号的输入和矩阵输出;
- 支持标清,高清视频信号的矩阵切换和输出;
- 支持模拟视频后无压缩编码输出;
- 支持网络键盘,客户端等控制切换
网络功能:
- 支持8个千兆带宽网络接口和8个光纤口(二选一),用于矩阵的控制,视频实时预览,和网络集中存储;
- 支持TCP/IP协议,支持RTP/RTSP/RTCP/TCP/UDP/DHCP/PPPoE等网络协议。
- 支持智能分析以及报警信号输入和输出,支持报警联动
- 支持远程控制模拟,数字视频切换上墙
- 支持远程重启,远程升级和恢复默认设置等操作
- 支持用户权限管理
技术参数
|
系统参数 |
设备型号 |
DH-M60 |
|
|
主处理器 |
64位四核处理器 |
||
|
操作系统 |
嵌入式LINUX |
||
|
总线 |
PCI-E总线 |
||
|
卡槽 |
11个(1个中央主控板槽位,10个视音频业务板槽位) |
||
|
系统配置 |
主机箱 |
2个电源,主控板,PCI-E总线背板,智能温控风扇 |
|
|
视频输入卡 |
最大支持10块 |
||
|
视频输出卡 |
最大支持10块 |
||
|
报警卡 |
可选配 |
||
|
智能分析卡 |
可选配 |
||
|
光纤级联卡 |
可选配 |
||
|
视频编码输入 |
DH-VEC3204FB-M60(模拟视频) |
视频输入接口 |
BNC (1.0VP-P,阻抗:75Ω) |
|
信号制式 |
PAL/NTSC自适应 |
||
|
编码格式 |
H.264/MPEG4 |
||
|
编码能力 |
单板32路D1 |
||
|
音频输入接口 |
单板32路,DB26接口(2.0Vp-p,阻抗:1KΩ) |
||
|
低速数据接口 |
2路RS485接口,支持主流球机云台协议 |
||
|
DH-VEC0804HS-M60(HD-SDI高清视频) |
视频输入接口 |
BNC(1.0VP-P,阻抗:75Ω) |
|
|
编码格式 |
H.264/MPEG4 |
||
|
编码能力 |
单板8路1080P |
||
|
音频输入接口 |
单板8路,DB26接口(2.0Vp-p,阻抗:1KΩ) |
||
|
低速数据接口 |
2路RS485接口,支持主流球机云台协议 |
||
|
DH-VEC0804HD-M60 |
视频输入接口 |
DVI-I接口 |
|
|
(DVI/VGA高清视频) |
编码格式 |
H.264/MPEG4 |
|
|
编码能力 |
单板8路1080P,支持1080P/720P/UXGA/ |
||
|
SXGA+ /SXGA/XGA/SVGA/VGA分辨率,支持VGA、YPbPr逐行分量信号,支持RGBHV以及SOG信号 |
|||
|
音频输入接口 |
单板8路,DB26接口(2.0Vp-p,阻抗:1KΩ) |
||
|
低速数据接口 |
2路RS485接口,支持主流球机云台协议 |
||
|
DH-VEC0804HF-M60(光纤视频) |
光模块 |
SFP光模块 |
|
|
光纤接口 |
LC接口 |
||
|
编码格式 |
H.264/MPEG4 |
||
|
编码能力 |
单板8路1080P/UXGA/720P/D1 |
||
|
音频输入接口 |
单板8路,DB26接口(2.0Vp-p,阻抗:1KΩ) |
||
|
低速数据接口 |
2路RS485接口,支持主流球机云台协议 |
||
|
网络视频 |
编码标准 |
H.264/MPEG4/ONVIF/PISA |
|
|
传输协议 |
TCP/UDP/RTP/RTSP/RTCP |
||
|
接入设备 |
IPC,DVR,NVS,NVR |
||
|
视频分辨率 |
1080P/UXGA/720P/D1/HD1/2CIF/CIF/QCIF |
||
|
视频解码输出 |
DH-VDC1204B-M60(BNC接口) |
解码能力 |
单板支持48路D1解码 |
|
视频输出接口 |
12路BNC接口 |
||
|
音频输出接口 |
DB15接口, 12路line out |
||
|
画面分割 |
1/4画面分割 |
||
|
低速数据接口 |
2路RS485接口,支持主流球机云台协议 |
||
|
DH-VDC0804V-M60(VGA接口) |
解码能力 |
单板支持32路1080P/32路720P/128路D1解码 |
|
|
视频输出接口 |
8路VGA接口 |
||
|
音频输出接口 |
DB15接口, 8路line out |
||
|
画面分割 |
1/4/9/16画面分割 |
||
|
低速数据接口 |
2路RS485接口,支持主流球机云台协议 |
||
|
DH-VDC0804D-M60(DVI接口) |
解码能力 |
单板支持32路1080P/32路720P/128路D1解码 |
|
|
视频输出接口 |
8路DVI接口 |
||
|
音频输出接口 |
DB15接口, 8路line out |
||
|
画面分割 |
1/4/9/16画面分割 |
||
|
低速数据接口 |
2路RS485接口,支持主流球机云台协议 |
||
|
DH-VDC0804H-M60(HDMI接口) |
解码能力 |
单板支持32路1080P/32路720P/128路D1解码 |
|
|
视频输出接口 |
8路HDMI接口 |
||
|
音频输出接口 |
DB15接口, 8路line out |
||
|
画面分割 |
1/4/9/16画面分割 |
||
|
低速数据接口 |
2路RS485接口,支持主流球机云台协议 |
||
|
智能分析/报警信号 |
DH-VFC3204IO-M60 DH-VFC1604IO-M60 DH-VFC0804IO-M60 |
智能分析路数 |
支持8/16/32路智能分析 |
|
视频分辨率 |
1080P/UXGA/720P/D1/HD1/CIF/QCIF |
||
|
分析能力 |
支持绊线穿越检测,区域入侵检测,围栏跨越检测,徘徊、滞留检测,物品遗留检测,物品搬动检测,快速移动检测,快速奔跑检测,人员聚集检测,停车检测等智能分析功能,并支持联动报警输入输出功能 |
||
|
报警信号输入输出(可选) |
支持64路报警输入,可扩展320路报警输入 1. 支持16路报警输出联动,工业接线端子 2. 支持PTZ云台控制,每个接口支持8个云台控制3. 可外接485报警盒,实现报警输入/输出信号扩展 |
||
|
系统级联 |
DH-VFC0804JF-M60 |
光模块 |
SFP光模块 |
|
接口 |
LC接口 |
||
|
级联能力 |
可传输16路高清/64路标清,支持以太网和RS485透传;支持RSTP环网协议 |
||
|
矩阵交换能力 |
矩阵交换 |
视频源 |
模拟摄相机,数字摄相机,IPC,DVR,NVS,NVR等视频源接入 |
|
IP高清矩阵交换 |
满配支持1280路D1接入,支持320路1080P解码,支持80路1080P,160路720P,320路D1网络视频矩阵交换。 |
||
|
非压缩高清视频矩阵交换 |
最大支持64路输入48路交换输出 |
||
|
非压缩标清视频矩阵交换 |
256路输入24路输出 |
||
|
大屏融合控制 |
解码卡大屏拼接 |
拼接能力 |
满配支持80块大屏拼接 |
|
大屏功能 |
支持拼接缩放/视频融合/漫游/开窗/层叠 |
||
|
输入源 |
高清和标清,数字和模拟视频任意组合,混合显示 |
||
|
输出接口 |
HDMI/DVI/VGA/BNC |
||
|
控制方式 |
本机支持外接显示器与鼠标,自带操作界面,同时支持PC客户端或网络键盘。 |
||
|
主控接口 |
通讯接口 |
8个RJ45接口,支持1000M网, 8个SFP光模块接口,(网口和光纤口不能同时使用,两者只能二选一。) |
|
|
串口 |
1个标准RS-232接口,用于参数配置,设备维护,透明通道 |
||
|
USB接口 |
4个USB2.0接口,前面板和后面板各两个 |
||
|
其他参数 |
电源 |
直流电源:DC48V 47-63Hz 交流电源: 100~120V AC,200~240V AC |
|
|
功耗 |
≤800W |
||
|
工作温度 |
0℃-+50℃ |
||
|
工作湿度 |
10%-90% 86kpa-106kpa |
||
|
尺寸(mm) |
19英寸12U机箱 482.6mm(宽)*496mm(深) *532.6mm (高) |
||
|
重量 |
≤40Kg (满配) |
||
7.10 管理平台

产品概述
- 适用于各种公众安全防范需求的场所,如大型的超市、商场、学校、社区等;
- 重点突出视频监控功能,配合设计多种异常情况报警;
- 设计重易用性和便捷性,满足通用化和非专业人士的使用需求;
- 嵌入式操作系统,稳定高效,自带15存储盘位,扩展方便;
- 系统带自动维护功能,减少系统维护开销;
- 支持电子地图,支持BaiduMap和SuperMap;
技术参数
|
系统 |
CPU类型 |
4核 CPU |
|
操作系统 |
嵌入式LINUX系统 |
|
|
机箱 |
1.2mm加厚热镀锌钢板;高精度铝合金滑道;自主专利的抽拉式硬盘架 |
|
|
内存 |
支持DDRIII 800/1066/1333MHz;标配4G内存,最高支持16G |
|
|
本地系统设置 |
系统配置,包括系统时间设置,平台服务运行参数配置 |
|
|
显示接口 |
液晶屏 |
显示系统信息,状态。包括:系统时间,系统硬件信息,平台服务运行状态等 |
|
VGA |
VGA接口一个 |
|
|
数据管理 |
硬盘个数 |
16个SATA0、SATA1标准硬盘(3T) |
|
硬盘模式 |
单盘 |
|
|
网络接口 |
网口个数 |
4个100/1000Mbps 以太网口 |
|
网口特性 |
双网口负载均衡绑定,或两个独立千兆网口 |
|
|
数据接口 |
USB接口 |
提供4个USB2.0接口 |
|
串口 |
RS232接口一个 |
|
|
外部扩展接口 |
eSATA接口 |
|
|
其他 |
硬盘休眠 |
支持无工作状态硬盘休眠。能正常唤醒; |
|
热备盘 |
支持全局热备盘,支持多块热备盘; |
|
|
故障报警 |
支持邮件、蜂鸣、SDK等方式进行故障报警; |
|
|
电源、背板、主板、连接方式 |
通过背板做主要通道,将前端硬盘、后端主板和电源采用接插件方式连接,尽量避免采用线缆连接方式 |
|
|
机箱尺寸 |
新开发机箱,支持大部分标准19U机架 |
|
|
电源 |
100V~240V, 47~63Hz, 支持热插拔 |
|
|
功耗 |
10W~200W(含硬盘) |
|
|
工作温度 |
0℃~50℃ |
|
|
工作湿度 |
5%~90%(非凝露) |
|
|
整机尺寸 |
526mm×485mm×135mm |
|
|
二次开发 |
提供SDK等接口; |
获取完整版文档请添加关注并私信沟通!




