
本期知网小编给大家带来的机械知识干货《泵车液压系统的主要元件和工作原理》,需要*载下**本文电子稿学习的知友,请点击小编头像,私信回复“液压”
液压基础知识大全,图文详解,很直观
液压与气动技术,300页PPT超全图文详解(可*载下**)
1.1 液压泵和液压马达

1.1.1 柱塞泵和马达

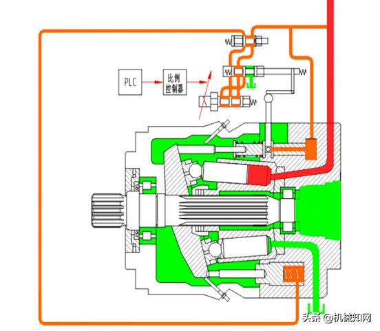
1.1.2 A11VO柱塞泵
控制方式为电比例、恒功率加压力切断。

1.1.2A11VO主油泵零件

1.1.2 A11VO主油泵控制液路图

1.1.2 A11VO主油泵控制原理图

1.1.3A11VO主油泵控制原理图

1.1.4 K5V川崎主油泵

川崎精机油泵的主体结构
1.1.4 K5V川崎主油泵

川崎精机油泵原理
1.1.4 K5V川崎主油泵

川崎精机油泵原理

从以上的原理分析可以得出三种控制方式的优先级排序:
1、压力切断控制(最高优先级)
2、恒功率控制
3、电比例正流量控制(最低优先级)

川崎精机油泵的外形


回转部件

滑靴与柱塞组件

缸体

柱塞组件

斜盘
川崎精机油泵关键压力点

因川崎油泵引起的常见故障
1、泵送次数比工艺规定的下限还少一两次:电比例阀出口压力不够,斜盘没有打到最大。检查减压阀出口压力和电比例阀电流(电压)。
2、大排量泵车泵送次数比工艺规定的少了1/3以上:①减压阀P、DR口接反,减压阀没有出口压力②双泵中有一个泵电比例阀没电。
3、切断压力调不上: ① 操作有误,使用退活塞工况来调切断压力,此时控制器将油泵排量限制小了,应使用主缸点动憋压来调切断压力②电比例阀出口压力不够,斜盘没有打到最大。
4、切断压力调不下:最小排量设定过大,调小最小排量设定螺钉。
5、主系统失压或油泵有异常噪音:检查液压油滤芯,如有铜粉,则主油泵损坏
6、零排量时泵送速度仍很快: ①0%排量时电比例阀出口压力仍很高②流量控制特性不对,将流量控制特性螺钉拧入。③最小排量设定过大④调斜盘的大柱塞卡住
K5V200SH与力士乐A11VLO190油泵参数比较

川崎泵与力士乐泵的几点区别


川崎泵与力士乐泵的几点区别
川崎泵与力士乐泵的几点区别
电比例控制电压 :川崎泵12V/力士乐泵24V
控制阀油源:川崎泵从减压阀取/力士乐泵从蓄能器取
功率调整方法 :川崎泵双螺钉/力士乐单螺钉
壳体压力要求:川崎<0.25MPa/力士乐<0.2MPa
为了控制泄油压力,有的川崎泵泄油不能接入散热器,否则将引起噪音及容积效率下降。
1.1.5 泵车臂架系统用A7VO柱塞泵

控制方式为恒功率、负载敏感加压力切断
1.1.6 A7VO臂架泵控制原理图

1.1.9 林德HPR55变量臂架泵


1.1.9 林德HPR55变量臂架泵


1.2 齿轮泵和马达

1.3 单向阀
单向阀 :只允许油液朝一个方向流动,不能反向流动

1.3.1 液控单向阀组成的液压锁

双向液压锁

双向液压锁组成锁紧回路
1.4.1 换向阀操纵方式
1、手动换向阀
2、机动换向阀
3、电磁换向阀
4、液动换向阀
5、电液动换向阀

插装阀:又叫逻辑阀或开关阀,具有功率损失小、重量轻、体积小、冲击小、稳定性好、通油能力大等特点,和其它先导阀可实现多种控制功能。

1.6 插装式溢流阀

1.7 压差信号阀


1.7.1 压差信号阀工作原理

1.8 臂架平衡阀

1.8.1 臂架平衡阀阀芯结构

1.8.2 臂架平衡阀阀芯受力图
