咱们很久没看过 “老破小”的改造案例 了,今天就提上日程。
来吧!展示~
案例所在位置是 成都的核心地段 ,屋主两人是即将要结婚的准夫妻,两人是典型的90后性格,各自都有喜欢的爱好,比如女生爱摄影,男生爱玩游戏。
两人在“兴趣”上也舍得投入 ,加上,房子是作为 两人结婚过渡期使用的 ,后期主要为了 出租 。

图 设计师手拍图
在综合考虑了各种因素后,你会发现 这个案例很反传统, 可以说是 当代年轻人生活的真实写照 ,我家也有点这意思。
表现在几个点:
没有传统意义上的客厅;多余卧室不做次卧;如厕得“专人专区”
光脚在家冲;仪式感也不能少·····
but,实现这些并不容易。毕竟, 它也有老破小都有的通病 ,比如电线老化、墙皮掉落,但最扯的是,改造前他家室内最低点的阳台和最高点的玄关, 竟然有10cm高度差???
我带着满脑子的问号?才晓得这个案例真正的难点:
实现“反传统、融入兴趣等”是设计师的能力问题, 效果能不能真正落地才是真难点。
那么, 第一步
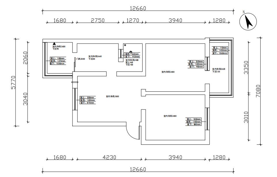
户型图上见分晓
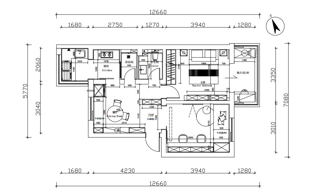
上面是改造前的户型图,下面是改造后的户型图

改造前

改造后
户型图是施工的参考依据。
老房子的问题二就是满屋承重墙 ,想通过拆改实现二次规划几乎是不可能的,不动结构,就剩下重新梳理“功能区”了。
设计师干了啥?
1.通过定制柜划分功能区。
· 用定制柜充当隔断 ,同时弥补没有玄关的尴尬;
· 沿墙通过 “L型定制柜和卡座”的结合 ,实现客餐区;
· 还是定制柜做 超长的书桌 ,游戏、工作两不误;
2. 巧妙借墙实现“干湿分离且独立”。
· 不动原有的承重墙,向厨房借1米, 砌筑半墙 ,置入“玻璃砖” 扩充卫生间 ,同时拥有了真正独立隐私的“淋浴区”和“如厕 区”;
· 将生活阳台纳入厨房 ,面积不变,采光更好了;
3. 抬高最低点的 “主卧阳台”做成地台 ,纳入主卧区域,同时也是咖啡区、化妆区、猫咪的晒太阳区等等,仪式感有了。
4. 10cm高度差的问题 ,简单来说就是挖全屋地面直到楼板层,继续找平—铺地暖——再找平。 最后一步找平、抬高需要师傅很专业的技术。
这一趴因为没有过程,很难一句话说清楚,但狮子家也遇到过这个问题,可以去 B站(Blibli)翻下他的第一期 ,温故下。
这是最后完成的平面布局图
▼

喜屋设计
户型:2室1厅1卫
项目位置:成都
使用面积:50㎡(建筑面积:63㎡)
项目花费:20w (定制柜4.1w,其中卡座花费7000元,硬装拆改7w;其余为软装、家电、中央空调等)
常住人口:男女屋主两人+一只猫咪
装修毫无头绪?不知道从何下手?收好这些干货,保准装修不翻车!
住范儿6年科普干货的精华,不方便出门不如在家先做做功课:准备阶段→设计阶段→装修全程→水电阶段→验收阶段→产品选购(建材、卫浴洁具、家具软装、家电)→《新家养成攻略》,装修再也不怕没头绪。
还有一些装修过程中都会用到的清单,比如装修流程清单、预算清单、采购清单、装修材料品牌与价格清单等等。
家庭装修流程及时间节点一览表新房装修采购清单装修材料品牌与价格清单装修采购清单(住范儿2022)装修工程预算清单装修预算清单表(含半包预算)装修主材购买、进场清单
⭕️私❤小范儿:0接触,一键都带走。












01
玄关、餐厅融为一体
这是设计师看房子前随手拍的(下图)。
一进门就是个 大客厅,什么也没有 ,但能清晰的看到这房子的原始户型和结构, 卫生间的墙体是30cm厚的承重墙 。
墙面发黑发黄、乱走水电线、灯具老旧·····

改造前
这是改造后一进门的场景。
靠门这面墙做整排的定制柜,其中 三分之一用做玄关,剩下三分之二用“定制柜+成品餐边柜”组成了餐厅区域 。
玄关部分 也是很普通的做法“吊柜+地柜”,中间镂空大约35cm用来放出门的钥匙等小件,上下吊柜的区域都用来放鞋子。
入户门直接打开看到的这面定制柜,和墙面三分之一共同组成了玄关区域,这部分主要用做长衣区、短衣区的收纳。
同时充当了隔断的作用。不会像改造前一样,一开门,整个房间就暴露再视野中,没有隐私。

餐厅 是我个人在这个案例中最喜欢的空间。
它有趣的地方在于, 用定制柜+成品柜+卡座,配上传统的中国式“圆桌” ,实现了整个区域的协调统一。
可以参考的点之一是 ,就像嵌入式家电一样, 将成品餐边柜融入到定制柜里, 不论是花色还是收纳的功能上,都不输单独的定制柜。

这其中很大的一个原因是, 现在的成品餐边柜做的很成熟 ,一个 好的餐边柜能=小家电存储区+碗碟柜+悬挂区 ,兼容三个功能;


下面预留出25cm的高度扫地机器人也能轻松进入,不存在卫生死角,所以在越来越多的家庭里很受欢迎。
如果原木选的好,同时定制柜也能有这个花色,那颜值方面也完全ok。
屋主就是先看中了这个餐边柜 ,才和设计师沟通做的定制柜,完成餐厅这个想法的。

当然, 存在一点小Bug, 比如 侧面看起来 , 餐边柜下方的脚和定制柜无法在一起平面上, 不注意的话容易绊脚。
因为成品餐边柜设计考虑承重、颜值的原因,虽然是细脚,好看,但因为脚是斜着下来的,和“竖直90度”的定制柜无法完全重合,做不到在一个平面上。
除非定制柜下方也能做到和细脚一个倾斜度 ,当然这个成本就变高了。
考虑到好的 实木餐边柜, 比如黑胡桃木、樱桃木,根据选配功能,普遍在3000~8000左右,还是比较划算的,尤其对于喜欢实木质感的人来说。
屋主家这款餐边柜是二黑木作的 樱桃木,圆桌、两把实木椅子都是。

餐边柜的 侧边靠窗位置 ,设计师 用定制柜+卡座组合 ,形成了一个小的窗边角落。
卡座下方可以弥补餐边柜带来的收纳不足问题,上面直接落坐,刚好弥补了“圆桌”椅子的功能。

朋友来家时, 最多可容纳3~6人围坐聊天 ,喝喝咖啡,旁边就是从厨房外置出来的冰箱,拿东西也很方便。
完全能当客厅用, 我觉得反而更好用了。

对比最初设计师出的效果图 ,还原度也很高,基本没有差别,就是软装上稍微不同。

效果图
02
将生活阳台融入厨房

原来的厨房和卫生间是连着的,卫生间需要从厨房进入,更扯的是,直对厨房。
厨房墙面通铺小白砖,很复古,但用久了的缝隙是真黑;侧面开了个窗,其实就是用来传菜的,但没用好。
厨房尽头是生活阳台,也属于厨房,这点改造后也没有变。


改造后的厨房 ,位置没太大变化,就是面积变小了,主要原因还是 借给了淋浴区1m宽 , 同时改变了原有卫生间的门朝向。
如下图,拱门进去是淋浴区,左边移门是厨房。

效果图
冰箱外置 后,是很多小厨房的解决方案。
设计师将冰箱放在厨房与餐厅的必经之路,从哪儿拿东西都很方便,也就是两步的事情。
推开移门,就进入了厨房。
为了方便厨房里的人和餐厅的人能相互交流,设计师专门 在移门做了透明玻璃 ,虽然没有“开窗传菜”那么方便,但胜在安全了。

图 源屋主自摄
推开移门后,因为 彻底打通了生活阳台 ,厨房的采光也变得很好, 借给淋浴区的玻璃砖半墙 ,既有颜值,还能借光,同时解决了“小暗卫”的问题。
真实人家的案例里,也有这么用的,我现场看过,确实很不错。

图 源于屋主自摄
为了更好的区分空间, 餐厅、走廊、卧室等都通铺了人字拼的地板 ,但 厨房 为了方便打理,同时搭配风格,就 用了复古小花砖 ,是成都当地的品牌。
搭配 松下这款白色的洗碗机 ,颜值是一点不逊色。

开门往里走,沿着洗碗机这面墙,分别是洗—炒--切菜区。
看似和传统的“洗——切——炒”有点差异,但因为面积小,这问题就不大了。
因为 两人都不喜欢做饭 ,加上常出差的原因,厨房的使用频率其实不高, “一”字型的定制柜+地柜组合,厨房反而够用了。
(毕竟人家过5~7年要换房,出租的话一个人用完全没问题,我家一模一样)

图 源于屋主自摄
兜兜转转, 厨房墙面改用了一字长方形的瓷砖铺贴 ,对比白砖显大些,搭配复古的地面小花砖也适配。
生活阳台还原了本来的功能,下方放了 博士的“洗衣机、烘干机”,上方台面就比较多用了, 切菜、叠衣服都ok。

图 源屋主自摄
03
到哪儿都很近的 “卫生间”
原有的卫生间是从厨房进入的,这点上面说了。
是 典型的小暗卫 ,采光差、风扇通风、还是个蹲厕,管道裸露反而都是小问题了。


改造后的卫生间 先改了门的朝向 ,不管是淋浴、如厕都统统从走廊进入,动线很方便。
同时借鉴了日式干湿两分离的做法, 将淋浴区、如厕区用墙体隔开 ,即使两人同时进行对应的动作,也互不影响。


借着 玻璃砖透光不透人的做法 ,淋浴区采光的问题也得到了解决,搭配墙面 60x60cm的灰色瓷砖 和 汉斯格雅的入墙式顶喷花洒 ,显大又有质感。
此处, 玻璃砖的尺寸是20x20cm ,厚5cm,大家如果喜欢可以直接网购,单片价格在6~20元不等。
屋主家用了35块砖 ,多买了5块,防止施工中开裂做补充,加上运费花了大概700左右。

如厕区就是原有的卫生间面积 ,设计师将其划分为干区,做了墙排式马桶,侧面丑了吧唧的管道也做了包管。
剩下的位置刚好定做了 下沉式台盆, 侧面还 专门预留了垃圾桶的位置。

为搭配复古感,屋主家全屋照明放弃跟风“无主灯”,选用了 壁灯用作走廊照明 ,搭配复古风的典型元素——通过 拱门 进入卫生间。

其实,我们不难看出, 屋主对于卫生间这个区域,其实也很有自己的态度。
在传统的中国式思维里,卫生间是件不堪去聊的话题,但用现在的想法来看, 卫生间是回家后卸下一身防备的地方,一定要舒服, 何不按照“舒服”的方法来做?
04
阳台,是主卧的一部分

卫生间旁边就是主卧。

视角:从餐厅望向主卧
主卧没有做大的结构变动 ,主要是满足准夫妻两 睡觉+女屋主化妆+两个猫主子睡觉 的功能。
总之,铲屎官们和猫主子们都住在这。

延续复古风,屋主家 床头用了壁灯 ,高度是1.2m,刚好比人坐在床上高一些,方便阅读。
下面的床头柜是和床一起网购的,依旧来自于二黑家具。
前几天我写过一篇 悬浮床,她家就是典型的“实木悬浮床” ,感兴趣可以回去看下那篇,研究时觉得蛮有意思。
床头柜一般是选配的,可以直接嵌入墙体 ,不过最好是承重墙,对于小户型来说,这种方法还蛮有用的。下方空白的区域方便扫地机器人打理。


沿着开门的两面墙, 屋主都做了通顶的定制柜 。
靠墙一面用来收纳屋主的衣服、包包,当然还有她 爱好的藏身之处—照相机。
用 灰玻搭配可调节的隔板收纳 ,高度不够时可随时移动,还能防止落灰。

视角:从阳台望向主卧

主卧靠窗边这面,是 施工中最大的Bug点——阳台 。


改造前
原有阳台很传统,是通过配重墙+半窗后的下沉式阳台,阳台地面与主卧地面有 5cm的高度差,是全屋最低点 。
工长通过挖掉多余的浇筑层(非楼板)——然后做找平——铺设地暖— 又抬高了5cm做地台 ,才有现在的主卧阳台区。

做地台 ,方便上来说没必要,但 为了划分功能区,同时增加仪式感 ,才这么做。
地台上,原计划是猫主子和铲屎官的专属区,效果图也如此,后觉得 阳台采光好 ,且一年四季都有地暖,才把化妆区挪到了地台上。

效果图

于是就有了下面的场景,一边角落归猫主子,一边归屋主化妆。
因为是三面采光,阳光很好,加上成都潮湿的天气, 屋主保留了晾衣服的习惯,提前安装了阳台晾衣架。
但考虑到整个阳台的美观,只安装在靠猫窝的上面了,进入主卧第一眼是看不见的。


图,源 屋主自摄
另一边是 屋主的化妆区 ,为了防止猫咪调皮碰坏化妆品,屋主专门选用了 一款台面可封闭式的化妆台 ,瓶瓶罐罐用完随手就放在里面了。


上效果图 下 现场图 (屋主自摄)
05
兼职“游戏、工作区、次卧”的 多功能房
案例的最后一个空间,是原有的次卧。
现在准确来说是“ 多功能房”≈男屋主的游戏区+影音室+次卧+工作区 。

效果图
它的位置,一进家门就能看见,和餐厅对应,通过 一扇玻璃推拉门进入。

这房间设计的思路,最开始就是为男屋主打游戏设计的,据说是个极度游戏爱好者,设备非常齐全,电脑也是高配。
加上 女屋主是个建筑设计师 ,也需要大量的时间在电脑面前做图、查资料,这个 双人桌的定制工作区 就很有必要。
两人同时进行,各做各的,可不就是“当下年轻人”的工作/娱乐状态。
定制长桌靠窗的位置, 做了书架 。
书架旁边是 定制的卡座床 ,可以弥补房间没有收纳区的问题,偶尔也能成为其中一人的临时睡觉区。

长桌对面,屋主特地安装了 一台可移动的电视 ,用做临时的影音区,或者方便两人一起连接电视打游戏。
这也是他们没选投影仪的原因。

图 来源于屋主自摄
好了,这就是本期的设计师案例了,是不是很反传统?你也可以在评论区说说, 你觉得这个案例怎么样,或者哪里还有更好的解决方案。
都是年轻人嘛,畅所欲言,谈谈你们的看法吧~
别忘记 点赞 哦!