1 摘要
决定拓扑选择的一个重要因素是输入电压和输出/输入比。图 1 示出了常用隔离的拓扑相对适用 的电压范围。拓扑选择还与输出功率,输出电压路数,输出电压调节范围等有关。一般情况下,对于 给定场合你可以应用多种拓扑,不可能说某种拓扑对某种应用是绝对地适用,因为产品设计还有设计 者对某种拓扑的经验、元器件是否容易得到、成本要求、对技术人员要求、调试设备和人员素质、生 产工艺设备、批量、军品还是民品等等因素有关。因此要选择最好的拓扑,必须熟悉每种拓扑的长处 和短处以及拓扑的应用领域。如果随便选择一个拓扑,可能一开始就宣布新电源设计的失败。

图 1 各种隔离拓扑应用电压范
2 输入和输出
如果输出与输入共地,则可以采用非隔离的 Buck,Boost 共地变换器。这些电路结构简单,元器 件少。如果输入电压很高,从安全考虑,一般输出 需要与输入隔离。
在选择拓扑之前,你首先应当知道输入电压变 化范围内,输出电压是高于还是低于输入电压?例 如,Buck 变换器仅可用于输出电压低于输入电压的 场合,所以,输出电压应当在任何时候都应当低于 输入电压。如果你要求输入 24V,输出 15V,就可以采用 Buck 拓扑;但是输入 24V 是从 8V~ 80V,你就不能使用 Buck 变换器,因为 Buck 变换器不能将 8V 变换成 15V。如 果输出电压始终高于输入电压,就得采用 Boost拓扑
如果输出电压与输入电压比太大(或太小)是有限制的,例如输入 400V,要求输出 48V 还是采 用 Buck 变换器,则电压比太大,虽然输出电压始终低于输入电压,但这样大的电压比,尽管没有超 出控制芯片的最小占空比范围,但是,限制了开关频率。而且功率器件峰值电流大,功率器件选择困 难。如果采用具有隔离的拓扑,可以通过匝比调节合适的占空比。达到较好的性能价格比。
3 开关频率和占空比的实际限制
3.1 开关频率
在设计变换器时,首先要选择开关频率。提高频率的主要目的是减少电源的体积和重量。而占电 源体积和重量最大的是磁性元件。现*开代**关电源中磁性元器件占开关电源的体积(20%~30%),重 量(30%~40%),损耗 20%~30%。根据电磁感应定律有

式中 U-变压器施加的电压;N-线圈匝数;A-磁芯截面积;ΔB-磁通密度变化量;f-变压器工作 频率。
在频率较低时,ΔB 受磁性材料饱和限制。由上式可见,当 U 一定时,要使得磁芯体积减少,匝 数和磁芯截面积乘积与频率成反比,提高频率是减少电源体积的主要措施。这是开关电源出现以来无 数科技工作者主要研究课题。
但是能否无限制提高开关电源频率?非也。主要有两个限制因素:第一是磁性材料的损耗。高频 时一般采用铁氧体,其单位体积损耗表示为

式中 η -不同材料的系数;f-工作频率;Bm-工作磁感应幅值。 α 和 β 分别为大于 1 的频率和磁感应 损耗指数。一般α=1.2~1.7;β=2~2.7。频率提高损耗加大,为减少损耗,高频时,降低磁感应Bm 使得损耗不太大,违背了减少体积的目的。否则损耗太大, 效率降低。再者,磁芯处理功率越大,体积越大散热条件越 差,大功率磁芯也限制开关频率。

图 2Buck变换器功率管电流、电压波形
其次,功率器件开关损耗限制。以 Buck 变换器为例来 说明开关损耗。图 2 是典型的电流连续 Buck 变换器功率 管电流电压波形图。可以看到,晶体管开通时,集电极电流 上升到最大值时集电极电压才开始下降。关断时,集电极电 压首先上升到最大值集电极电流才开始下降。假定电压、电 流上升和下降都是线性的。可以得到开关损耗为

式中tr=tri+trv —开通时电流上升时间与电压下降时间之和; td=tdi+tdv —关断时电压上升时间与 电流下降时间之和。一般 tr+td< T/20。假定 tr=td=ts —开关时间。则

如果电流断续,只有关断损耗,开关损耗为

可见,开关损耗与频率、开关时间成正比。断续似乎比连续开关损耗少一半,但应当注意,在同 样输出功率时,功率管电流至少是电流连续时的一倍,除了器件电流定额加大,成本增加外,导通压 降损耗也增加。滤波电感磁芯工作在正激变压器状态,磁芯和线圈高频损耗也将大大增加。虽然,通 过软开关技术可以减少开关损耗,但请注意,软开关总是利用 LC 谐振,谐振电流(或电压)很大,谐 振电流通过晶体管、电感 L 和电容 C,这些元器件也是有损耗的。有时只提高效率 1~2%,但电路复 杂,元件数增多,成本增加,有时甚至得不偿失。目前用 MOSFET 开关的电源,功率在 5kW 以下,工作 频率一般在 200kHz 以下。BJT 最高达 50kHz 。3kW 以上采用 IGBT 的最高 30kHz。用 MOSFET 与 IGBT (BJT)组合管最高也不超过 100kHz。变换功率几十瓦,当然工作频率可以提高。
此外,变换功率越大,电流电压越大,如果大功率管与小功率管相同的电流上升和下降速率,大 功率管需要更长的开关时间。何况大功率器件芯片面积大,为避免电流集中降低开关时电流升降速率 也增加了开关时间。可见,变换功率越大,允许开关频率越低。
如果你听说他的开关电源工作频率可达几个 MHz,你得问问他的变换功率有多大?
3.2 占空度
开关变换器的变换比(输出电压与输入电压比)太大或太小是有限制的。首先,变换器占空比 (开关导通时间与开关周期之比)受控制芯片最大和最小值的限制。在有些拓扑中,占空比不能大于0.5。总之,通用 PWM控制 IC芯片通常不保证占空比能大于 0.85;有些芯片在合理的工作频率下,也 不保证占空比在 0.05以下能以较小的损耗快速驱动 MOSFET的栅极。
例如,开关频率为 250kHz,周期为 4µs,如果占空比是 0.1,MOSFET 的导通时间仅为 0.4µs,要 是 MOSFET 的开通时间为 0.1µs,关断时间也为 0.1µs,几乎大部分导通时间被过渡时间“吃”掉了, 损耗加大。这就为什么变换功率越高,工作频率越低的原因之一。
不管控制 IC和高电流栅极驱动等等,只要不将占空比设计在最小 0.1和最大 0.8(对于 0.5限制度 变换器为 0.45)之外,那就不必担心。
如果采用的拓扑有变压器,变比可以调节占空度。但变比也有限制。如果变比太大或太小,初级 与次级导线尺寸相差太大,线圈绕制发生困难。一般初级与次级匝比最大为 10:1,最小为 1:10。要是你 需要由很低的电压获得高压,你是否考虑采用两级变换器或次级采取倍压电路提升电压。
4 几个输出?
紧接占空比的问题是多少输出。例如,如果不是 1 个输出,Buck 是不适合的。在有些情况下,可以加后续调节器得到另一个电压,实际的例子是用 Buck 变换器产生 5V 输出,再由线性调节器(或另 一个开关)从 5V输入产生一个 3.3V输出。但相关的瞬态、噪声、损耗应满足要求。
最坏的情况下,设计多个独立的变换器,而不是采用复杂的许多线圈的磁元件。在开始设计之 前,你得考虑考虑,要是采用多输出变换器,或许节省了几块钱的控制 IC,但可能花几十块钱做那个 复杂的多线圈磁元件。在设计之前,首先应权衡磁元件、电路元件及附加成本,不要就事论事。
5 隔离
在设计前预先要知道次级与初级是否需要隔离。如输入由电网或高压供电,作为商品有安全规范 (以及 EMI 问题)需要隔离的要求。典型的例子是输入与输出有 500V 交流耐压要求。你知道安全要 求后,有些拓扑,像没有隔离的 Buck,Boost等等将排除在外。
6 EMI
在设计开始时就要想到 EMI 问题,不要等到设计好了再考虑 EMI。有些拓扑可能有许多成功地避 免 EMI 问题。如果是不隔离的系统,因为在系统中不涉及到第三根导线,如单独用电池供电,就没有 共模噪声,这使你滤波变得容易。
此外,某些拓扑就是比其他拓扑具有更多的噪声。区别在于某些拓扑在每个周期的部分时间与输 入断开,引起输入电流的中断。如果输入电流连续,就没有陡峭的上升和下降沿,电流不会为零,就 容易滤波。
Buck 变换器就是输入电流断续的一个例子,因为当开关打开时,输入电流为零。Boost 变换器的 电感始终接在输入回路中,但输入电流是否连续取决于 Boost是否工作在断续还是连续。
笔者建议大功率电源最好不要采用输入电流断续的拓扑,因为那些拓扑通常需要很花钱的磁元 件。
7 BJT,MOSFET 还是 IGBT?
拓扑选择与所能用的功率器件有关。就目前可以买到的功率器件有双极型(BJT)功率管, MOSFET 和 IGBT。双极型管的电压定额可超过 1.5kV,常用 1kV 以下,电流从几 mA 到数百 A; MOSFET 在 1kV 以下,常用 500V 以下,电流数 A 到数百 A;IGBT 电压定额在 500V 以上,可达数 kV,电流数十 A到数 kA。
不同的器件具有不同的驱动要求:双极型晶体管是电流驱动,大功率高压管的电流增益低,常用 于单开关拓扑。在低功率到中等功率范围,除了特别的理由以外,90%选择 MOSFET。
理由之一是成本。如果产品产量大,双极性管仍然比 MOSFET 便宜。但是使用双极型功率管就意 味着开关频率比 MOSFET低,因此磁元件体积比较大。这样是否还合算?你得仔细研究研究成本。
高输入电压(380V)时,或推挽拓扑加上瞬态电压要求双倍以上电压,选择功率管你可能感到为 难,如果采用双极型管,你可以买到 1500V双极型管,而目前能买到 MOSFET最大电压为 1000V,导 通电阻比 BJT 大。当然,你可能考虑用 IGBT,遗憾的是 IGBT 驱动虽然像 MOSFET,而它的开关速 度与双极型管相似,有严重的拖尾问题。
可见,低压(500V)以下,基本上是 MOSFET 天下,小功率(数百瓦)开关频率数百 kHz。 IGBT 定额一般在 500V 以上,电流数十 A 以上,主要应用于调速,基本上代替高压达林顿双极型管。 工作频率最高可达 30kHz,通常在 20kHz左右。因为导通压降大,不用于 100V以下。

图 3. 提高功率开关频率
(a) IGBT与 MOSFET并联 (b) BJT与 MOSFET串联
为了提高IGBT或BJT的开关速度,也可将MOSFET与 BJT或IGBT组合成复合管。图 3(b)中U(BR)CBO/70A的BJT 与 50V/60A的MOSFET串联,用于三相 380V整流电感滤 波输入(510V)双端正激 3kW通信电源中。导通时首先 驱动功率MOSFET,这时BJT工作在共基极组态,发射极 输入电流,或因MOSFET导通漏极电压下降,BJT发射结 正偏,产生基极电流,导致集电极电流,通过比例驱动电 路形成正反馈,使得BJT饱和导通。当关断时,首先关断 MOSFET,发射结反偏,使得BJT迅速关断。共基极频率 特性是共射极的β倍。提高了关断速度。低压MOSFET导 通电阻只有mΩ数量级,导通损耗很小。实际电路工作频 率为 50kHz。
MOSFET 与 IGBT 并联也是利用 MOSFET 的开关特性。要达到这一目的,应当这样设计 MOSFET 和 IGBT 的驱动:开通时,PWM 信号可同时或首先驱动 MOSFET 导通,后导通 IGBT。 IGBT 零电压导通。关断时,先关断 IGBT,IGBT 是零电压关断;在经过一定延迟关断 MOSFET。 MOSFET 承担开关损耗;在导通期间,高压 MOSFET 导通压降大于 IGBT,大部分电流流过 IGBT, 让 IGBT承担导通损耗。这种组合实际例子工作频率 50kHz,3kW半桥拓扑。
8 连续还是断续
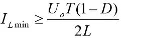
电感(包括反激变压器)电流(安匝)连续还是断续:在断续模式的变换器中,电感电流在周期的 某些时刻电流为零。电流(安匝)连续是要有足够的电感量维持最小负载电流ILmin(包括假负载), 在周期的任何时刻电感都应当有电流流通。即

其中T-开关周期;D=Ton/T-占空比;Ton-晶体管导通时间。我们假定整流器的正向压降与输出电 压相比很小。要是最小负载电流为零,你必须进入断续模式。
在实际电源设计时,一般电源有空载要求,又不允许电感体积太大,在轻载时肯定断续,在这种 情况下,有时设置假负载,并当负载电流超过使假负载断开,否则可能引起闭环控制的稳定性问题, 应当仔细设计反馈补偿网络。
同步整流是一个例外。变换器应用同步整流总是连续模式,没有最小电感要求。
9 同步整流
在现今许多低输出电压应用场合,变换器效率比成本更(几乎)重要。从用户观点来说,比较贵 的但高效率的变换器实际上是便宜的。如果一台计算机电源效率低,真正计算时间常常很少,而待机 时间很长,将花费更多的电费。
如果效率很重要,就要考虑采用同步整流技术。即输出整流采用 MOSFET。当今可买到许多 IC 驱动芯片既能驱动场效应管,也能很好驱动同步整流器。
采用同步整流的另一个理由是它将电流断续模式工作的变换器转变为电流连续工作模式。这是因 为即使没有负载,电流可以在两个方向流通(因为 MOSFET 可以在两个方向导通)。运用同步整流, 解除了你对模式改变的担心(模式改变可能引起变换器的不稳定)和保证连续的最小电感要求。

图 4 (a) 二极管整流变换器和(b)同步整流变换器
同步整流一个问题这里值得提一下。主开关管在同步整流导通前关断,反之亦然。 如果忽略了这样处理,将产生穿通现象,即 输入(或输出)电压将直接对地短路,而造 成很高的损耗和可能导致失效。在两个 MOSFET 关断时间,电感电流还在流。通 常,MOSFET 体二极管不应当流过电流,因 为这个二极管恢复时间很长。如假定 MOSFET 截止时体二极管流过电流,当体二 极管恢复时,它在反向恢复起短路作用,所 以一旦输入(或输出)到地通路,发生穿 通,就可能导致变换器失效,如图 4(b)所示。解决这个问题可用一个肖特基二极管与 MOSFET 的体二极管并联,让它在场效应管截止时流过 电流。(因为肖特基的正向压降比体二极管低,肖特基几乎流过全部电流,体二极管的反向恢复时间 与关断前正向电流有关,所以这时可以忽略)
10 电压型与电流型控制
开关电源设计要预先考虑是采用电压型还是电流型控制,这是一个控制问题。几乎每个拓扑都可 以采用两者之一。电流型控制可以逐个周期限制电流,过流保护也变得容易实现。同时对推挽或全桥 变换器可以克服输出变压器的磁偏。但如果电流很大,电流型需要检测电阻(损耗很大功率)或互感 器(花费很多钱)检测电流,就可能影响你的选择。不过这样过流保护检测倒是顺水推舟了。但是, 如果你把电流控制型用于半桥变换器,有可能造成分压电容电压不平衡。所以对于大功率输出,应当 考虑选择那一种更好。
11 结论
最好你在设计一个电源之前,应当预先知道你的电源工作的系统。详细了解此系统对电源的要求 和限制。对系统透彻地了解,可大大降低成本和减少设计时间。
实际操作时,你可以从变换器要求的规范列一个表,并逐条考虑。你将发现根据这些规范限制你 可以选择的拓扑仅是一个到两个,而且根据成本和尺寸拓扑选择很容易。一般情况下,可根据以上各 种考虑选择拓扑:
1.升压还是降压:输出电压总是高于还是低于输入电压?如果不是,你就不能采用 Buck 或 Buck/Boost.
2. 占空度:输出电压与输入电压比大于 5 吗?如果是,你可能需要一个变压器。计算占空度保证它 不要太大和太小。
3. 需要多少组输出电压?如果大于 1,除非增加后续调节器,一般需要一个变压器。如果输出组别太 多,建议最好采用几个变换器。
4. 是否需要隔离?多少电压?隔离需要变压器。
5. EMI 要求是什么?如果要求严格,建议不要采用像 Buck 一类输入电流断续的拓扑,而选择电流连 续工作模式。
6. 成本是极其重要吗?小功率高压可以选择 BJT。如果输入电压高于 500V,可考虑选择 IGBT。反 之,采用 MOSFET。
7. 是否要求电源空载?如果要求,选择断续模式,除非采用问题 8。也可加假负载。
8. 能采用同步整流?这可使得变换器电流连续,而与负载无关。
9. 输出电流是否很大?如果是,应采用电压型,而不是电流型
12 拓扑选择
现在从拓扑一般性讨论到特定拓扑,假定你熟悉 Buck 类变换器,如图 5 所示。用它代替这一类 拓扑,集中在每种拓扑实际的困难,并围绕这些困难解决的可能性。集中在能预先选择最好拓扑,使你 不至于花费很多时间设计和调试。
a. Buck变换器

图 5 Buck变换器
限制
如一般考虑指出的,还要给 Buck拓扑预先增加有许多限制
1. 虽然一个 Buck变换器概念上很清楚没有变压器,只有一个 电感,这意味着不可能具有输入与输出隔离。
2. Buck 仅能降低输入电压,如果输入小于要求的输出,变换 器不能工作 。
3. Buck 仅有一个输出。如果你要由 5V 变为 3.3V,这是好的。但除非愿意加第二个后继调节器,像线 性稳压器,你可以看到在许多多路输出时这样应用的。
4. 虽然 Buck 可以工作在连续和断续,但输入电流总是断续的。这意味着在晶体管截止的部分开关周 期输入电流下降到零。这使得输入 EMI滤波比其它拓扑需要的大。
栅极驱动困难
Buck的驱动十分麻烦。麻烦在于导通一个N-沟道MOSFET,栅极电压至少要 5V,或许大于输入电 压 10V(逻辑电路输出分别为 1V和 5V)。但是你如何产生一个电压高于输入呢?这个问题最容易的 方法应用P-沟道MOSFET,它正好能被栅极到地的信号驱动导通。遗憾的是P沟道MOSFET通常导通 电阻RDS比N沟道大,而且价格贵。此外输入电压必须小于 20V,以避免击穿栅极,应用场合受到限 制。实际这样采用P沟道MOSFET:用一个下拉电阻,你通常得不到有效导通栅极的足够的开关速度, 最终你再实验室折腾了几天之后还是采用N沟道MOSFET。
除了很低输入电压变换器,Buck变换器总是采用 N沟道 MOSFET。

图 6用耦合变压器驱动 Buck变换器

图 7 驱动 Buck变换器用浮动电源
驱动栅极普遍的方法是用一个栅极驱动隔离变压器将栅极与驱动隔离开来(图 6)
隔离变压器输入端的电容避免当输入边高电平时的直流分量。次级电容和二极管恢复电压单向性 -否则在初级 12V 输入,在次级成了±6V 驱动。栅极电阻总是必须的(参看以后的讨论),而栅- 源电阻是放电通路:如果栅极由于某种原因停止开关,栅极最终截止。
实际应用:选择栅极驱动的两个电容至少大于栅极电容-记住此电容构成一个带有电容的驱动 器,因此你可以得到 90%的驱动电压。
虽然此驱动电路相当便宜且工作得很好,它限制最大占空度,因为变压器需要复位时间。
用一个独立的电源,例如用推挽变换器产生一个相对于 MOSFET 源极的直流电压,允许极快驱动 栅极(图 7)。如果推挽变换器的电源是稳压的,它不需要闭环,固定占空度即可。你可以用一个驱 动 IC 芯片,实现快速驱动 MOSFET。但此电路还有些贵(你可以用一个 555 定时器形成 50%占空 度)。
你还需要一个信号浮动系统控制栅极。信号传输不应当有较大传输延迟,不要用像 4N48 这样慢 速光耦。为避免另外的变压器,即使很高输入电压光耦 HCPL2601 系列有很好的传输特性,因为它具 有优良的 dV/dt定额。
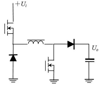
b.反激变换器

图 8 非隔离反激(Boost) 变换器 图 9 隔离的反激变换器
类型
凡是在开关管截止时间向负载输出能量的统称为反激变换器。有两类反激变换器-不隔离(图 8)和隔离(图 9)反激变换器。为了避免名称上的混淆,我们来说明其工作原理。
我们以一定占空度导通反激变换器的开 关,当开关导通时,输入电压加在电感上,使 得电流斜坡上升,在电感中存储能量。当开关 断开时,电感电流流经二极管并向输出电容以 及负载供电。
隔离的反激工作原理基本相似。在开关导 通时间,能量存储在变压器的初级电感中。注 意同名端‘●’端,我们看到当开关截止时, 漏极电压上升到输入电压,引起次级对地电压 上升,这迫使二极管导通,提供输出电流到负 载和电容充电。
非隔离反激-Boost 或 Buck/Boost-只有一 个输出(没有方法使它多于一个),输出与输 入不隔离。并且 Boost 输出不能低于输入电压-即使您完全关断开关管,输出等于输入电压(减去二极管压降)。而 Buck/Boost 仅可输出负压(图 10)。换句话说,反激仅可作为一个单线圈电感处理。

图 10 用 Buck/Boost将正压变换为负电压
如果变压器有多个次级线圈,隔离反激可有多个输出。而 且所有输出之间以及初级相互隔离的。而且,只要调节初级与 各次级匝比,输出可以做成任意大小,变压器是一个多线圈磁 元件。
连续和断续
两类反激变换器都可以工作在电流连续和断续。尽管一般 反激能够没有死负载下空载运行。(在空载时,开关一直关 断,直到电容自放电降低电压时才导通,给出一个单脉冲,所 谓‘脉冲跳跃’模式)。对于空载模式,变换器工作在断续模式,如前所说,最好不改变模式,否则 闭环稳定困难。大多数小功率,要求快速相应的反激变换器工作在断续模式。
电容限制
当反激晶体管截止时,存储在初级电感中的能量从次级线圈释放出来。因为次级没有滤波电感, 全部峰值电流直接流入电容。在较高功率水平时,很难找到足够处理这个纹波电流定额的电容。应当 记住:你必须计算电容是否能处理的有效值电流。作为例子,如果是 5V 输出电压,10A(这大约是反 激的最大电流,看下面),在此功率水平下,占空度是 0.5。变压器在周期一半的期间要传输整个周期 50W 功率(因为占空度是 0.50)。所以在二极管导通时间传输的电流加倍(连续),次级有效值电流 为

这样极高的电流需要许多铝或鉭电容并联,除非运用昂贵的多层叠层电容。反激变换器输出故障 主要是由于电容失效引起的。
功率限制
反激变换器通常可以输出最大功率在低输入电压时大约在 50W 左右(有时或许有人告诉你他能制 造出 500W 反激变换器,但是他从不告诉你在生产线上做出来)。在任何情况下,功率输出反比于电 感量,要得到大输出功率需要较小的电感量(在磁元件中讨论)。此时你在合理的频率得到高达 50W 输出,电感是很小(数值上几乎和杂散电感同数量级);这几乎不可能设计出如意的产品。例如磁芯 销售商导线稍微变化,将引起电感变化足以使你得不到最大功率输出。
低电压输入,限制反激设计少于 50W;而高电压输入大些。
输出数量的实际限制
当然,对于所有变换器,多组线圈绕制困难。但是,对于一个隔离的反激变换器此困难是至关重 要的。每个输出的电压调节与每个线圈的漏感有关,因为漏感减少了传输到输出的电压。所以要得到 很好的输出公差,漏感要小到可以忽略(几乎不可能,因为有气隙),或每个单元相同,使他们可以 补偿掉。如果你想绕多线圈来控制所有线圈的漏感几乎是不可能的。按照设计者话说,反激变换器 “反激比正激变换器便宜,因为它不需要电感”。不幸的是在生产以后,销售商的线圈离开磁元件公 司,同时从此以后没有人能绕这种能使电路正常工作的变压器。
如果你需要 3~4个输出,请不要采用反激变换器拓扑。采用正激变换器总规要便宜些。
c. 升压和降压

图 11 非隔离的 Buck/Boost变换器
图 10 虽然输出可以大于或小于输入电压,但输出是负 压。图 11 所示电路是一个降压-升压电路输出是正压。是升 还是将取决于输出电压高于还是低于输入电压,它们之间的转 换时自动区分成的,没有间隔。
在 Buck-Boost 变换器中,两个开关同时导通,并同时关 断。现在考虑第一种情况,输入电压高于输出电压。上部晶体 管作为 Buck 开关(参看图 5),阳极接地二极管作为续流二 极管。因为下部晶体管与上部晶体管同时导通,整个输入电压 加在电感上,电流斜坡上升。当两个开关截止时,阳极接地二极管导通,另一个二极管正激导通。作为 Buck变换器。
第二种情况假定输入电压低于输出电压。接地晶体管现在作为升压开关,第二个二极管作为反激 整流器。再者,两个开关同时导通,当导通时全部输入电压加在电感上。按照前面说明:在两种情况 下,不管 Buck 还是 Boost,整个输入电压加在电感上。但这意味着对于两种模式相同的控制电路,而 且变换器不在两种模式之间转换。所以,环路稳定性也是一目了然。
可见 Buck –Boost 综合了 Buck 和 Boost 变换器。作为 Buck 变换器,它没有输入-输出隔离,而 且仅有一个输出。作为一个 Boost,有一个最大实际输出功率。而且最终除非你用两个 MOSFET 代替 两个(肖特基)二极管做成同步整流,否则效率比较低。但是要达到同步整流需要四个输出的驱动 (或许一个全桥 PWM IC)。还有工作在整个输入电压范围和控制这个拓扑的 IC的出现使 Buck-Boost 拓扑可能有吸引力。
d. 正激变换器

图 12 基本正激变换器
正激变换器(图 12)工作完全不同于电路相似的反激变换器。关键在于晶体管导通时,输入电压 加在变压器初级,输出二极管正偏导通;而反激当晶体管截止时,二极管导通。因此能量不像反激那 样存储在初级电感中。变压器是真正意义上的变压器。当晶体管截止时,仅存储在变压器漏感和激磁 电感能量。这将使得漏极电压高于输入电压,复位磁芯。
最小负载
正激变换器是那种需要一个最小负载的变换器。滤波电感需 要足够大,以保证它的峰值纹波电流小于最小负载电流。否则将 出现断续,输出电压上升,峰值检测。这意味着正激变换器不能 工作在空载状态,因为不能具有无限大电感。
随直流偏置变化的电感,像 Mpp 磁芯是一个最好的选择。 电感量随电流增加而减少。在最小负载时,你得到的电感较大, 保持电流连续,而在最大负载时,你仍然具有足够的电感,而又 不太大。你允许纹波电流随着负载电流增加而增加,以至于不必 设计的电感体积大维持最大负载的全部电感。但是应当注意闭环 的稳定性。因为变化的电感造成传递函数严重的非线性。
对付最小负载普通方法是加一个假负载永久接在输出端,作为变换器的一部分。因此,即使外负 载为零,因为有一个维持最小功率的电阻,变换器可维持连续状态。当然这在外负载电流大于最小电 流时消耗了一部分功率。
当实际负载增加时,可切断假负载。通常,导致振荡:假负载断开,引起变换器进入断续,又引 起假负载接入;而变换器连续,引起假负载断开,如此等等。假负载引起效率降低与采用大电感成本 比较是否合算?
激磁电感
不像反激变换器用初级电感存储能量,正激实际上是寄生激磁电感。当电流流过初级时,有能量 存储在激磁电感中LmI2/2和漏感中。当晶体管关断时,此能量要有去处。最简单的方法,你把它引到 RC网路,要么引到晶体管本身,让它击穿。习惯的做法在变压器上用一个附加线圈恢复能量。或用一 个晶体管和电容构成有源箝位。不管如何恢复能量,这是令人讨厌的事,并降低了效率。最好的方法 是尽量漏感和增加激磁电感。
但是,变压器设计时为尽量增加磁通密度摆幅,减少剩磁影响给磁芯加很小气隙,这是与增大激 磁电感使矛盾的。应当在两者之间折衷。
总结
因为正激变压器不存储能量,它不存在反激功率水平限制问题。它也具有一个电感,与输出电容 一起平滑电流。正激可直接构成 500W 或更大功率。该拓扑主要限制仍然是是否可买到达功率 MOSFET。增加功率转化为增加电流,并最终 MOSFET 损耗太大。此时,采用更多 MOSFET 分担负 载电流。高输入电压时可采用双端正激,还可以输出交错并联。
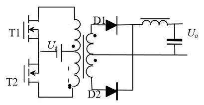
e. 推挽(半桥,全桥)

图13 电压型推挽变换器

图 14 电流型推挽变换器
推挽变换器拓扑如图 13 和 图14 所示。有两类推挽变换器:电流型和电压型。注意到它们之间的 差别主要在于电流型输入需要一个额外的电感(有时很大),但是不要输出电感。而电压型输入没有 大电感,输出必须有滤波电感。
推挽两只晶体管接地,而半桥不是。虽然上面提到有 IC 能驱动同步整流高端晶体管,但它们仍稍 低于最大电源电压。因为推挽和半桥是两个晶体管,它们功率水平比单管高,常常意味着输入电压也 高。驱动半桥要产生分离的浮动栅极驱动,这时而推挽肯定优越的。
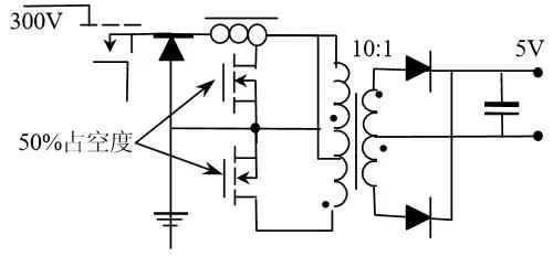
电压型
电压型推挽变换器如图 13 所示。两个晶体管加在带有中心抽头的变压器上,它们相互相差 180 °交替导通。这并不意味着每次导通时间各占周期的 50%,即两个晶体管具有相同的占空比。
如果图 14 中晶体管T1 导通,T2 关断。注意到变压器 “●”这一端输入电压加在变压器半边,所以加在截止晶体 管漏极上的电压为 2×Ui。晶体管T1 导通,则正电压加在二 极管D1 上而导通,二极管D2 截止。另一个晶体管镜像工 作,两晶体管导通时间相同。如果Ui在开关周期内是常数, 加在变压器上伏秒总和为零,且磁芯对称于零变化。
这个变换器最大的问题是晶体管电压定额高,至少是输 入最大电压Ui的两倍。如果由 120V电网整流的输入供电, 并电容滤波,峰值直流电压为 170V,晶体管至少需要 2× 170V=340V。实际上,电网是非常“肮脏”的地方,因此至少需要 500V以上的晶体管。高电压定额 意味着导通电阻RDson高,所以损耗高于希望值。万一,浪涌电压高于 200V,这将损坏晶体管。
另一个潜在问题是在两个晶体管转换应有一个时间-死区时间。否则两个晶体管由于关断延迟而 造成同时导通,变压器将被短路,且电流将迅速增大,仅是漏感限制此电流-这通常造成晶体管失 误。其次晶体管必须导通相同时间,否则变压器正负伏秒不平衡-磁偏移而饱和。实际中,采用电流 控制型可避免伏秒不平衡而造成的饱和。
电流型
电流型推挽变换器可以避免电网电压十分敏感在电流型推 挽中排除了。因为在输入电压和变压器之间有一个电感。现在 当晶体管导通时,变压器电流由电感电流控制,如图 14 所 示。这种安排偏移偏移两晶体管同时导通电感储能,一个晶体 管导通输出能量。变压器类似互感器工作。
这个变换器的不足之处是增加了一个电感。因为此电感必 须通过变换器电流,并提供足够的感抗,在开关周期像一个电 流源,做得很大(费钱)降低了变换器功率水平。
变压器利用率
应当看到,上面讨论的拓扑(反激,正激和 Buck/Boost)仅用了一半磁特性:磁通密度斜坡上升 到最大值,再返回到零,决不会达到负值。推挽利用磁性好些,因为磁芯磁通密度在正负两个方向, 这与单晶体管比较相同功率水平减少了磁芯尺寸。
f. 谐振变换器和软开关变换器
软开关的另一个名称是准谐振变换器。
谐振和软开关变换器之间的差别
谐振变换器功率(电压或电流)波形式正弦的。这通过电感和电容谐振来完成的,电容通常是寄 生参数。当电压或电流过零时开关,以保证几乎没有损耗的开关过渡。谐振变换器主要专利应用在高 频变换器中,这里开关损耗胜过开关的导通损耗。但是因为开关过渡取决于谐振网络的频率,实际变 换器开关频率是变化的,有时变化很大,与电网电压和负载有关。
为何你不必采用谐振变换器
谐振变换器存在着一些问题。这些问题中至少有一个是开关频率随负载变化。事实上,这些变换器一 般最低工作频率发生在最大负载时,所以EMI滤波设计是最困难的也是低频最大电流负载。这样变换 器,包括EMI设计工作在内,通过高频减少体积的优点丧失了。
另外,因为杂散电容作为谐振网络一部分,更严重的问题发生了。由于器件之间参数分散性,这 些决策几乎不能工作。即使相同型号的器件由于来自不同的制造厂也存在差别。这些不同直接影响了 工作频率,从而影响输出电容、EMI 滤波等等。这些器件如增加外部电容并联,使得寄生电容的改变 相对不重要。遗憾的是这种方法增加了谐振网络的周期,因此原先希望工作在高频的愿望破坏了。
为什么你应当采用软开关变换器?

图 15 准谐振软开关正激变换器
与谐振变换器相反,软开关变换器工作在固定频率,使得滤 波要求非常明确。软开关谐振电容外接。因此装置与装置之间性 能可以再现。图 15 示出了一个熟悉的标准的软开关正激变换 器,波形如右。
开始,晶体管导通,漏极电压为零。当晶体管关断时,变压 器初级电感与外加电容(与 MOSFET 源极-漏极电容并联,但 外部电容设计的远大于 MOSFET 电容)形成振荡回路。在完成 振铃半周期以后,磁芯复位。L 和 C 值决定振铃频率,以及磁芯 复位伏秒要求决定振铃电压多高。在半周期振铃完成以后,因为 现在没有能量存储在变压器中,漏极电压保持在输入电压。在晶 体管再次导通前,一直保持这种状态。
这种变换器与谐振变换器主要区别是仍然保持脉宽调制,晶体管以恒频开关。当然,电容和电感 仍然要小心选择。如果它们太大,(半)周期将超过开关周期,且磁芯不能复位。如果他们太小,在 一个很短的时间内得到磁芯复位的伏秒,漏极电压太高。虽然如此,在变换器能正常工作范围内,杂 散元件可以较大范围变化。
可以开看到,当晶体管导通时,电容能量消耗在 MOSFET中。如果电容足够小,这可能不太坏。 例如,如果电容是 100pF,输入电压是 50V,开关频率是 500kHz,仅由于电容引起的损耗为

当然,尽管有时可以借用 PWM芯片设计成同步整流,软开关变换器不足之处是明显缺乏控制它 们的 IC芯片。或许将来软开关控制 IC成为普遍应用-那时,软开关将成为最好的选择。
g. 复合变换器

图 16 用 Buck-推挽复合达到大变比的变换器
任何两级(在理论上可以更多)变换器串联组成复合变换器。与两级级联变换器(例如 PFC+ C/DC 变换器)区别是整个两级串联变换器系统仅用一个控制回路。例如,复合变换器可能由前级 Buck,由 160V 直流输入,后继推挽电路(图 16 所示)与之串连。Buck 闭环产生近似固定电压(如 50V),例如推挽以固定周期降压产生 5V 输出。闭 环检测 5V 输出电压,用误差信号控制 Buck 占空 度。虽然推挽工作在开环(因为它以固定占空度开 关),但实际上推挽级等效为控制环路中的一个增益 单元(在图 13中增益为 1/10,即-20dB。)
在两级电路中,两个变换器的有些元件可以分 享,就是这个例子中 Buck 变换器的输出滤波电容也 是推挽变换器的输入电容。可以想象,在有些电路中,电感可以分享。和谐振和软开关变换器一样, 有大量变换器组合成复合变换器。不再一一列举。
何时采用复合变换器
从以上的例子可以看到,当你要大幅度降压或升压时,复合变换器是很有用的。如上所述,PWM 能得到的占空度以及你试图得到变压器变比有实际限制的。如果你需要电压变化超过可能的限制,复 合变换器大大扩展了可用的变换范围。
当你需要十分大的变换比(输入与输出电压比),又要求输入输出隔离时,可以采用复合变换 器。对于困难的设计是两条综合在一起,但是通过分离功能,你可以使他们很容易。例如,让前级变换器完成电压变换,而后级变换器完成隔离,或许用 1:1 变压器。因为第二级变换器总是工作在相同 输入电压和相同输出电压,它的元件在这个状态最佳,且效率最高。的确,这种复合变换器比单级变 换器更有效,因为避免了同时解决大变换比和隔离的变压器困难。