化工领域资料,供大家*载下**学习,大家按自己的需要,可选择一些对自己适合的进行学习。
免费领取6重福利!!资料包括以下部分!
14大化工产业链图+49张化工装置流程图+526个化工行业标准+1000多个PID图例+1800多家全国化工企业名录+48张资源分布图

*载下**6重福利资料包步骤
1、关注【小黄人工业互联】头条号
2、私信回复【6】即可获取*载下**地址

师傅:“会CAD么?”
我:“会。”
师傅:“下回别人再问你了,别说会,就说学过。”
CAD软件操作是工程设计领域的基础技能,里面很多东西都需要学习。刚开始我不明白师傅为什么这么说。后来我明白了,有时候,适当的低调也是一种高级感满满的张扬。就好比你今天把这些东西弄会了,下回有人请教你,你就可以低调点说我试试然后噼里啪啦的秀技能了。废话少说,操练起来吧!宝贝儿门!
▌ CAD常用快捷键
L
直线
A
圆弧
C
圆
XL
射线
PO
点
T
多行文字
E
删除
H
填充
TR
修剪
EX
延伸
CO
复制
MI
镜像
O
偏移
F
倒圆角
S
拉伸
U
返回
DDI
直径标注
DAN
角度标注
OP
系统选项设置
M
移动
P
平移
Z+E
显示全图
SC
比例缩放
Z
局部放大
Z+A
显示全屏
AL
对齐
D
标注样式
DLI
线性标注
DRA
半径标注
OS
对象捕捉设置
B
块定义
I
块插入
W
定义块文件
MA
属性匹配
【F8】
正交开关
【CTRL】+1
修改特性
【CTRL】+Z
放弃
【F3】
对象捕捉开关
【CTRL】+S
保存文件
【CTRL】+C
复制
【CTRL】+V
粘贴
▌ 绘图命令
PO,*POINT(点)
XL,*XLINE(射线)
ML,*MLINE(多线)
POL,*POLYGON(正多边形)
C,*CIRCLE(圆)
DO,*DONUT(圆环)
L,*LINE(直线)
PL,*PLINE(多段线)
SPL,*SPLINE(样条曲线)
REC,*RECTANGLE(矩形)
A,*ARC(圆弧)
EL,*ELLIPSE(椭圆)
MT,*MTEXT(多行文本)
I,*INSERT(插入块)
DIV,*DIVIDE(定数等分)
H,*BHATCH(填充)
REG,*REGION(面域)
B,*BLOCK(块定义)
W,*WBLOCK(定义块文件)
ME,*MEASURE(定距等分)
▌ 修改命令
CO,*COPY(复制)
AR,*ARRAY(阵列)
RO,*ROTATE(旋转)
E,DEL键,*ERASE(删除)
TR,*TRIM(修剪)
S,*STRETCH(拉伸)
SC,*SCALE(比例缩放)
CHA,*CHAMFER(倒角)
PE,*PEDIT(多段线编辑)
MI,*MIRROR(镜像)
O,*OFFSET(偏移)
M,*MOVE(移动)
X,*EXPLODE(分解)
EX,*EXTEND(延伸)
LEN,*LENGTHEN(直线拉长)
BR,*BREAK(打断)
F,*FILLET(倒圆角)
ED,*DDEDIT(修改文本)
▌ 视窗缩放
P,*PAN(平移)
Z,*局部放大
Z+E,*显示全图
Z+空格+空格,*实时缩放
Z+P,*返回上一视图
Z+W,*显示窗选部分
▌ 尺寸标注
DLI,*DIMLINEAR(直线标注)
DRA,*DIMRADIUS(半径标注)
DAN,*DIMANGULAR(角度标注)
DOR,*DIMORDINATE(点标注)
DBA,*DIMBASELINE(基线标注)
D,*DIMSTYLE(标注样式)
DOV,*DIMOVERRIDE(替换标注系统变量)
DAL,*DIMALIGNED(对齐标注)
DDI,*DIMDIAMETER(直径标注)
DCE,*DIMCENTER(中心标注)
LE,*QLEADER(快速引出标注)
DCO,*DIMCONTINUE(连续标注)
DED,*DIMEDIT(编辑标注)
▌ 对象特性
Ctrl+2,(设计中心)
Ctrl+1,(修改特性)
MA,*MATCHPROP(属性匹配)
COL,*COLOR(设置颜色)
LT,*LINETYPE(线性)
LW,*LWEIGHT(线宽)
ATT,*ATTDEF(属性定义)
BO,*BOUNDARY(边界创建)
EXIT,*QUIT(退出)
IMP,*IPMORT(输入文件)
PRINT(打印)
RE,*REDRAW(重新生成)
SN,*SNAP(捕捉栅格)
OS,*OSNAP(设置捕捉模式)
TO,*TOOLBAR(工具栏)
AA,*AREA(面积)
LI,LIST(显示图形数据信息)
ST,*STYLE(文字样式)
LA,*LAYER(图层操作)
LTS,*LTSCALE(线性比例)
UN,*UNITS(图形单位)
ATE,*ATTEDIT(编辑属性)
AL,*ALIGN(对齐)
EXP,*EXPORT(输出其他格式文件)
OP,PR*OPTIONS(自定义CAD设置)
PU,*PURGE(清除垃圾)
REN,*RENAME(重命名)
DS,*DSETTINGS(设置极轴追踪)
PRE,*PREVIEW(打印预览)
V,*VIEW(命名视图)
DI,*DIST(距离)
▌ 常用Ctrl快捷键
【Ctrl】+1,修改特性
【Ctrl】+2,设计中心
【Ctrl】+0,打开文件
【Ctrl】+P,打印文件
【Ctrl】+Z,放弃
【Ctrl】+C,复制
【Ctrl】+B,捕捉栅格
【Ctrl】+G,栅格
【Ctrl】+W,对象追踪
【Ctrl】+N,M,新建文件
【Ctrl】+S,保存文件
【Ctrl】+X,剪切
【Ctrl】+V,粘贴
【Ctrl】+F,对象捕捉
【Ctrl】+L,正交
【Ctrl】+U,极轴
▌ 常用功能键
【F1】,(帮助)
【F2】,(文本窗口)
【F3】,(对象捕捉)
【F7】,(栅格)
【F8】,(正交)
比例:

水、汽管道代号:


工艺管道施工图常用图例:


水、汽管道阀门和附件图例:


给排水、采暖常用图例:

通风空调工程常用图例:

风道代号:

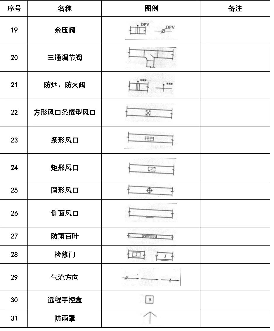
风道、阀门及附件图例:


风口和附件代号:

管道图例:


管道附件:


管道连接:

管件:

常见阀门:


给水配件:

小型给水排水构筑物:

给水排水设备:

仪表:

来源:环保水圈
编辑:指南针