浅谈VVT可变气门正时技术


VVT技术的组成部件


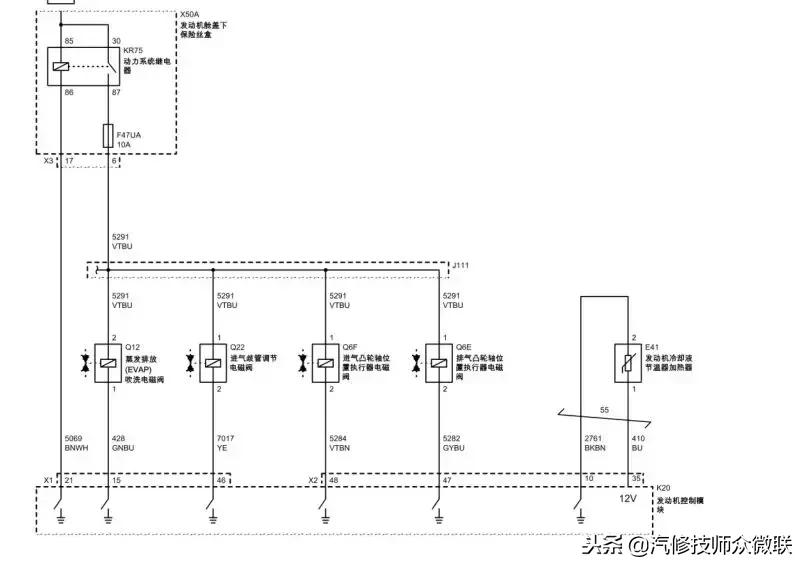
VVT的主要组成部件有:
发动机电脑
进排气凸轮轴位置传感器
曲轴位置传感器
进排气VVT电磁阀
进排气凸轮轴位置执行器
油路油道


进排气凸轮轴位置传感器和曲轴位置传感器不仅仅用于点火和喷油的正时信号,还是VVT可变气门正时技术的参考信号,识别凸轮轴和曲轴的相对位置从而对凸轮轴进行精确控制。
凸轮轴位置电磁阀用于控制进入执行器的机油量,通过改变进入执行器的机油量,来改变执行器调节的角度。而执行器和凸轮轴链轮制成一体,这样就可以改变凸轮轴的角度。发动机电脑获取曲轴凸轮轴的位置信号,计算车子的负载和驾驶员需求。向电磁阀发出12V脉宽信号,控制凸轮轴改变角度。通过改变进气门和排气门的气门重叠角来增强发动机性能。

VVT可变气门正时的优点

①降低尾气排放
②增大输出扭矩
③提高经济性能
④提高怠速稳定

VVT工作的状态

通过不同的工况来改变气门重叠角,怠速的时候,减小气门重叠角,达到减小废气回流,稳定怠速;中低负荷的时候,增重叠角,废气再循环,减小碳排放,有利于进气效率,提升燃油经济性;大负荷高速行驶的时候,减少重叠角,延迟进气时间,增加进气效率。
VVT故障简单描述

说起vvt的故障,那可真是让人很头疼的,以通用公司的VVT技术为例,搭载在LDE、2HO发动机上,这两款发动机运用在英朗,科鲁兹,景程。爱唯欧等车型上。一旦出现问题,修的我们修理工是醉仙欲死的,抖音小视频都说是“烧香”才能修好的神车。
经典故障有P0011 P0014.进排气凸轮轴位置性能、进排气凸轮轴位置不合理、进排气位置执行器电磁阀控制电路等。
如何维修
这类故障我们应该如何维修呢?
每款车型结构大同小异,基本遵循几个原则。
①检查正时,因为VVT是基于发动机基本正时而来,在基本正时的基础上改变进排气气门重叠角,所以基本正时不能出错。
②在基本正时正确的情况下,检查发动机油路的情况,这点很多技师都容易忽视,因为VVT系统靠的就是机油压力去改变执行器的角度,机油压力和机油流量存在问题,一样导致VVT无法正常工作。
③以上都正常的情况下,则需要根据具体故障码来针对性检查了,比如出现进气凸轮轴位置执行器电磁阀控制电路的故障码,那么需要检查VVT的调节指令,观看指令是否正常,执行器电磁阀的工作电源和搭铁是否到位,插头针脚有没有锈蚀断裂的可能性。
④不要忘了VVT是基于进、排气凸轮轴位置传感器和曲轴位置传感器的信号来做出的控制,当位置传感器信号不正确或者受干扰时,VVT系统肯定也会点亮故障灯的。


VVT的故障确实比较难维修,涉及的零部件比较多,验证故障需要花费巨大的精力和成本,而一般维修工接触的故障比较少,经验不足,所以看到这种故障是一个脑袋两个大。没关系,只要你关注汽修圈公众号,以后会有源源不断的技术介绍和技术案例供大家共同探讨的。好了,时间不早了,我们下期再见