1. 概述
电气原理图是一种重要的工程语言。它包含了简图、框图、表图、表格等文件。下面主要介绍一下如何读图和看图,以及怎样获得图中包含的各种有关信息、正确的查阅方法和必须掌握的基本规则。
为了完全了解风机的功能,读懂电气原理图是必须掌握的基本技能。借助电气原理图,你会对整个风力发电机组的电气控制系统有一个比较全面的认识。
而且,电气原理图在风力发电机的安装,维护工作期间和快速的故障分析都是必须的。
每个风力发电机的控制系统及电气原理图都有所不同,这取决于基本的控制系统、及专用的特殊功能部件和最终用户的特定需求。
2. 电路
在本电路图中采用的是多线表示法,即每根导线或连接线在电路图上都用一条图线来表示,如下图。
在图中连线的交叉点上如果表示为一个实体的点,那么表示两线为电气连接如图中的箭头1所示,否则表示没有电气的连接如图中的箭头2所示。

3.元件
元件是指在电路图中通常用一个图形符号和文字符号来表示的基本件、部件、组件等。在本电路图中采用的是分开表示法。即把一个元件的某些组成部分的图形符号在电路图上分开布置,仅用元件代号来表示它们之间的关系。下图是图形符号的一些示例:

3.1 元件在电路图中的表示方法
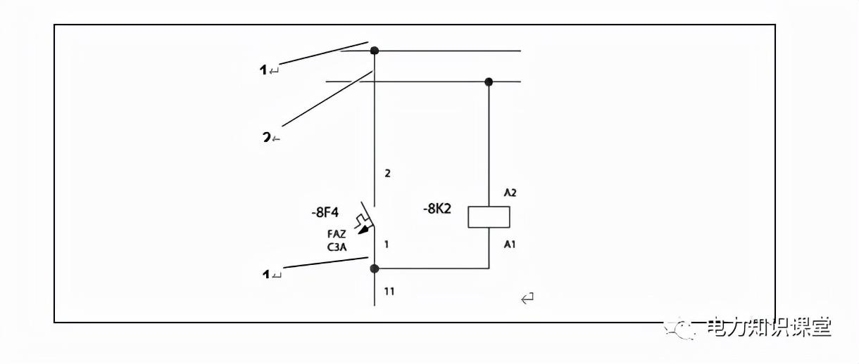
电气系统中的元件在电路图中的表示方法,一般情况是将元件的线圈显示在电路图中作电气的直接连接,而通过机械连接的附属触点表示在它的下方,如果附属触点的数量在一个以上那么这些附属触点将用虚线连接,表示它们的机械连接关系,如箭头1所示。下图为一个继电器总成典型的表示方法。

为了保持电路图的简单易读,一些较复杂电气装置会用一个框图来表示。内部的复杂电路将不会被绘出,而只绘出了必要的输入输出部分。

上图的示例表示了一个电源变换供电装置。
它包含了以下的一些必要信息:
l 装置的文字代号-20G4
l 输入电压交流100V-240V
l 输入电流1A
l 输出电压直流24V
l 输出电流20A
运用框图的另一种情况是表示此装置或模块没有在本电柜内部,电气连接由端子排引出。这种情况一般采用虚线框来表示,但也可用实线框来表示。

上图示例的虚线框表示了一台偏航电动机的总成。
内部包含了电动机、电动机的热保护、偏航制动器、以及电动机内部的加热器。虚线框表示它们是一个整体的部件。虚线框左上角的YA标注说明框内部件属于偏航系统。

上图是一个实线框的示例:
实线框表明元件的实体没有装在电柜内。
NA-261S5表示是一个装在机舱内的急停按钮。
3.2 元件的命名规则
在本电路图中元件的代号由三部分组成:
(1)数字:表示元件在电路图中的页码
(2)字母:表示元件的类型
(3)数字:表示元件所在页码中的纵向坐标。
例如:126K2 表明为中间继电器在电路图126页纵向第2列的位置。
3.3 元件的标注
在电路图中元件的图形符号旁都有代号标注,对分开布置的元件的每个组成部分都会有同样的代号标注。一般情况代号标注位于图形符号的左侧。

上图是一个标注的示例,它包含了这样一些信息:
l “250”表示此元件位于原理图的第250页
l “1”表示此元件位于本页的纵向坐标第1列
l K表示此元件为中间继电器
3.4 元件布局
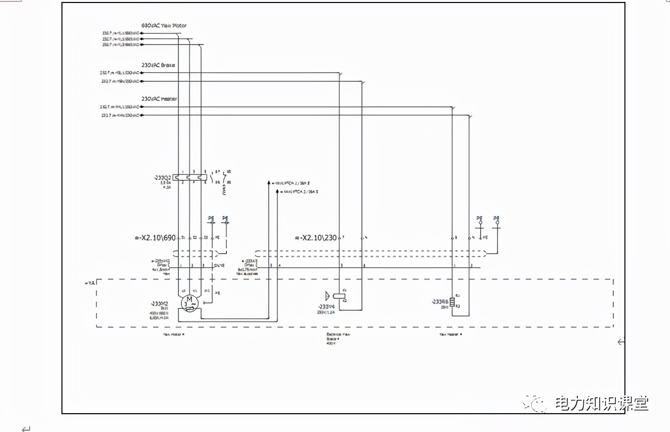
电路图中元件的布局一般不考虑其实际的位置。在读图时应尽量按其工作顺序或从左到右从上到下。如顺序不明显可根据箭头指示来查询信号的去向。

上图是690V供电去向的示例。
在第2页“+CN/200.1”表明了信号的去向,CN表示机舱电柜、200.1表示图纸第200页纵向坐标第1列。
在第200页“+CT/2.6”表明了信号从何而来,CT表示塔筒底部电柜、2.6表示图纸第2页纵向坐标第6列。
同样方法也用在了中间继电器、或开关等元器件上。

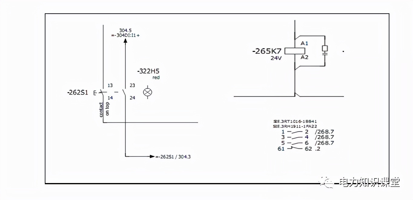
上图是一个带指示灯的按钮开关和一个中间继电器的示例,从图上我们可以得到以下信息:
l 262S1是一个有两个机械联动触点的带指示灯的按钮开关。
l 262S1的第二副触点在图纸中的位置以及指示灯在图纸中的位置。
l 265K7是一个有4副机械联动触点的中间继电器。
l 265K7机械联动触点在图纸中的位置。
3.5 输入输出端子排
电柜内的所有输入输出信号或电动机、电磁阀、加热器的驱动电缆,一般情况都是经端子排引出的。

上图是一个供电输出端子排的示例,它包含了以下信息:
l -X1\400“X1”端子排名,“400”400V交流供电回路。
l 1、2、3、N 、PE端子排号。
l -10W5 电缆代号。
l 5x10mm² 电缆的规格。
l GR、BK、BN、BU 电缆芯线的色标。
l +CN/201.1电缆的去向。
但是一些传感器的信号是未经端子排而直接接到了系统的输入输出模块的端口
下图是一个这样的示例,它包含了一下这些信息:
l -372AI5 输入模块的名称
l KL3204 模块的型号,此例为PT100温度输入模块
l -372W5 电缆代号
l 4x2x0.5mm² 电缆的规格
l 电缆芯线的色标

下图是风力发电机一张完整的电路图可供练习使用:

图纸代号
4.1 文字代号的含义
A 控制器、通讯器件或功能器件
AI PLC模拟输入端口
DI PLC数字输入端口
DO PLC数字输出端口
E 日光灯
F 空气开关
G 变流器
H 指示灯
K 中间继电器
KT 时间继电器
KM 接触器
Q 空气开关带复式保护
ST PLC电源模块
T 变压器或电感
U 防雷及电涌保护或特殊功能器件
M 电动机
R 加热器电阻
S 按钮开关或选择开关
V 整流器件或电涌保护器件
X 端子排
Y 电磁器
4.2 图形符号:




您还想学习哪方面的行业知识呢?
欢迎文末底部留言